Кузьмин А. В. - Теоретические основы систем управления дискретного действия

Рекомендовано Учебно-методическим объединением по образованию в области автоматизированного машиностроения (УМО AM) в качестве учебного пособия для студентов вузов,обучающихся по направлениям: «Технология, оборудование и автоматизация машиностроительных производств», «Автоматизация и управление» и специальностям: «Технология машиностроения», «Металлорежущие станки и инструменты», «Автоматизация технологических процессов и производств (в машиностроении)»

ВВЕДЕНИЕ

Одним из основных направлений повышения эффективности и качества производства, а также его дальнейшего развития является повышение уровня автоматизации производства в целом, отдельных его компонентов и устройств. Этот процесс неизбежно приводит к расширению сферы управления, в которую включаются отдельные компоненты производства, производство в целом, решение задач управления разнообразными технологическими процессами и производством в целом.

Современное производство, характеризующееся

многокомпонентностью и наличием множества внутренних и внешних связей вообще не может функционировать без осуществления управления на различных своих уровнях, между ними и своими локальными объектами.

Кроме того, прогресс во всех областях техники в несколько раз увеличил номенклатуру изделий и ускорил их моральное старение. Число типов и типоразмеров машин и изделий в настоящее время резко возросло. Повысились требования к их качеству и надежности, возникла необходимость в изготовлении большого числа опытных, экспериментальных и специализированных машин. Следствием этого явилось увеличение доли единичного и мелкосерийного производства в общем объеме производства.

Как показала практика, изделия единичного, мелко- и среднесерийного производства наиболее эффективно изготовляются на станках с числовым программным управлением (ЧПУ), причем тенденции развития машиностроения требуют перехода от автономно работающих станков с ЧПУ к роботизированным технологическим комплексам и гибким производственным системам.

Вследствие этого в машиностроении все большее распространение получают системы управления различным технологическим оборудованием:

металлорежущими станками, промышленными роботами и манипуляторами, робототехническими комплексами, автоматическими линиями, транспортными устройствами и другими механизмами.

Таким образом, современное технологическое оборудование машиностроительного комплекса представляет собой органическое соединение управляющей системы с механизмом, обеспечивающим выполнение собственно технологического процесса: станком - для реализации процесса резания металлов, роботом - для загрузки и выгрузки оборудования, сборки и транспортировки изделий и т.п. Поскольку действия такого технологического оборудования носят дискретный характер, а системы управления строятся на базе вычислительной (компьютерной) техники, также дискретного действия, то специалист-механик должен хорошо понимать принципы работы и построения систем управления такого типа.

1. ОСНОВЫ ДИСКРЕТНОЙ МАТЕМАТИКИ

Дискретная математика является одним из основополагающих разделов кибернетики. Разработанные в дискретной математике положения позволяют представить различные по физической сути процессы и объекты в одинаковой форме, производить их сравнение, исследовать их действие и взаимодействие между собой, определять с научно обоснованных позиций рекомендации по построению различных управляющих устройств.

1.1. МНОЖЕСТВА И СПОСОБЫ ИХ ЗАДАНИЯ

Множеством называется произвольная совокупность элементов произвольной природы.

В этом определении произвольная совокупность элементов означает, что количество элементов может быть как конечным, так и бесконечным, а элементы произвольной природы - то, что входящие в множество элементы могут обладать различными свойствами : цветом, массой, стоимостью, размерами и т.д., быть органическими или минеральными, одушевленными или нет и т.п. [1,2].

Таким образом, множество является одним из основополагающих понятий математики, которое уже нельзя определить через какие - либо более общие определения.

Множество можно задать двумя способами:

- перечислением всех элементов, входящих в множество;

- указанием правила принадлежности элементов множеству.

Общим обозначением множества служит пара фигурных скобок {}, внутри которых либо перечисляются элементы множеств, либо указывается правило принадлежности. Для обозначения конкретных множеств используются прописные буквы латинского и реже других алфавитов, например: А, В, D, Для обозначения элементов множеств чаще используются строчные буквы а, b, d, цифры, иногда другие обозначения, например ?, А, #, ", !, ?,: и т.п. При обозначении множеств буквами часто используется дополнительно цифровая индексация, например: Al, А2 , Аз 1 b2, b3

При первом способе задания множества задаются следующим образом:

Aj = [a^a^a^b^b^d^ ,

A2 = {a1,#,b3,A,bI,K ,d3,d,} .

Для указания принадлежности элемента, например, aj какому-либо множеству, например, Aj, пишут al е Ах и говорят, что aj является элементом множества Aj или aj принадлежит множеству Aj, в противном случае пишут a g A (aj не принадлежит Aj).

При втором способе множества задаются следующим образом:

Х=}х\х = 2п, п = 0,1,2,3...} ,

т.е. множество X состоит из элементов х, представляющих собой четные числа, или

А = {c е M ; С — детали из латуни} , где А - множество деталей узла, изготовленных из латуни;

М - все множество деталей узла.

В обоих случаях после черты в первом или двоеточия во втором случае, что является эквивалентной записью, указывается правило принадлежности элементов х или с данному множеству.

В том случае, если множество не содержит ни одного элемента, оно называется пустым множеством и обозначается {} либо 0.

Понятие пустого множества весьма важно, т.к. позволяет задавать и оперировать множествами, не заботясь, есть ли в них элементы, например, для последнего примера, есть ли детали из латуни в узле машины.

Множество А является подмножеством множества В, если любой элемент множества А принадлежит множеству В, при этом записывают A сB. Например: А={2,1,А,0}, В={0, А,4,3,2,1,#} или А={множество зубчатых колес в металлорежущем станке},

В= {множество всех деталей в станке} или А={токарные станки с ЧПУ}, В={токарные станки}.

В этом случае говорят, что множество В включает множество А, в противном случае пишут A <z. B (В не включает А) [З].

Множества называются равными, если они состоят из одних и тех же элементов. Из этого определения и определения подмножества следует, что множества, взаимно включающие друг друга, являются равными, т.е.

В.И. Кириллов А.А. Старченко - Логика. Учебник для юридических вузов>


где => - символ следствия, означающий "влечет за собой", "следовательно".

Для обозначения не только включения, но и возможности равенства множеств используется знак с.

Из определения множеств и их равенства следует, что порядок элементов в множестве несущественен, т.е.

А = \aI,a2,bJ,b2, Д’Л} »

В = {?, X,а11Ь22} ,

А = В .

Булеаном, или универсумом, называется множество всех подмножеств данного множества, в том числе самого множества и пустого множества. Например, для множества А ={а, Ь} универсум

В.И. Кириллов А.А. Старченко - Логика. Учебник для юридических вузов>


Рассмотренные определения подмножества и равенства множеств устанавливают отношения между множествами. Их важнейшими свойствами являются :

- рефлексивность, т.е. выполнение рассматриваемого отношения для самого множества

А с А ?А ,

где V- символ, называемый квантором и означающий "любой”, "каков бы ни был”, "для всех";

- транзитивность, т.е. исключение промежуточной операции по установлению отношений между множествами

(Ас В, ЯсС)=> Ас С .

1.2. ОПЕРАЦИИ НАД МНОЖЕСТВАМИ

Операции над множествами, называемые также теоретикомножественными операциями, позволяют производить над множествами действия, аналогичные арифметическим [1,3].

1. Объединением множеств А и В называется множество С, состоящее из всех тех и только тех элементов, которые принадлежат хотя бы одному из множеств А, В, т.е.

A\jB =\х\х <еА или х еВ} ,

где U - символ объединения.

Например:

В.И. Кириллов А.А. Старченко - Логика. Учебник для юридических вузов>


В.И. Кириллов А.А. Старченко - Логика. Учебник для юридических вузов>


Так, для изготовления шестерни, эскиз которой показан на рис. 1.1, необходим ряд операций. Обозначим через А множество операций токарной обработки, В - операций фрезерной обработки, AUB - операции, необходимые для изготовления шестерни. Для данного случая эти множества равны: A={ точение, нарезание резьбы,

изготовление шпоночного паза},

В= {нарезание зубчатого колеса,

изготовление шпоночного паза},

AUB ={точение, нарезание резьбы, изготовление шпоночного паза, нарезание зубчатого колеса}. Теоретико

множественные операции имеют простую геометрическую интерпретацию с помощью диаграмм Эйлера. Так, например, если множества A и B имеют общий универсум U, то, изобразив элементы этих множеств точками на плоскости, получим на рис. 1.2 диаграмму Эйлера, где прямоугольник - это универсум U, окружности -множества А и В, а их объединение-это заштрихованная фигура, состоящая из кругов А и В.

2. Пересечением множеств А и В называется множество, состоящее из всех тех и только тех элементов, которые принадлежат множествам и А, и В, т. е.

В.И. Кириллов А.А. Старченко - Логика. Учебник для юридических вузов>


где П - символ пересечения.

Например, если множества А и В равны (1.1),(1.2), то

В.И. Кириллов А.А. Старченко - Логика. Учебник для юридических вузов>


а для случая изготовления шестерни (см. рис. 1.1) имеем АПВ = {изготовление шпоночного паза} .

В.И. Кириллов А.А. Старченко - Логика. Учебник для юридических вузов>
Рис. 1.3. Диаграмма Эйлера для операции пересечения
Диаграмма Эйлера для операции пересечения имеет вид, изображенный на рис. 1.3, где пересечение А и В показано заштрихованной фигурой.

3. Разностью множеств А и В называется множество тех и только тех элементов множества А, которые не содержатся в множестве В, т. е.

В.И. Кириллов А.А. Старченко - Логика. Учебник для юридических вузов>


где \ - символ разности.

Так, если множества А и В равны (1.1),(1.2), то
В.И. Кириллов А.А. Старченко - Логика. Учебник для юридических вузов>
и для случая изготовления шестерни (см. рис. 1.1)

А\В = {точение, нарезание резьбы},

В\А = {изготовление зубчатого колеса} .

Диаграмма Эйлера для операции разности имеет вид, показанный на рис. 1.4, где заштрихованная фигура-разность А\В,

В.И. Кириллов А.А. Старченко - Логика. Учебник для юридических вузов>


4. Дополнением множества А

называется множество всех элементов, не принадлежащих А, но принадлежащих его универсуму U, т. е.

А = U1 А - |х| х eU, Например, А= {а, в, с}, тогда

},{а,с},{в,С},{ }} .
В.И. Кириллов А.А. Старченко - Логика. Учебник для юридических вузов>
Рис. 1.5. Диаграмма Эйлера для операции дополнения
А = [{а}, [в], {с), {а,

Дополнение изображается на диаграмме Эйлера заштрихованной фигурой так, как это показано на рис. 1.5 .

5. Симметрической

разностью множеств А и В называется множество тех и только тех элементов, которые

принадлежат множествам А и В, но не содержатся в обоих сразу, т.е.

А®В = {х\хеА, хе В, х?АС\В}, где 0 - символ симметрической разности.

Симметрическая разность изображается на диаграмме Эйлера заштрихованной фигурой так, как это показано на рис. 1.6.

Так, дляН и В, описываемых (1.1) и (1.2), имеем

В.И. Кириллов А.А. Старченко - Логика. Учебник для юридических вузов>


а для случая изготовления шестерни (см. рис. 1.1)

В.И. Кириллов А.А. Старченко - Логика. Учебник для юридических вузов>


А 0 В = {точение, нарезание резьбы, нарезание зубчатого колеса}.

Рис. 1.6. Диаграмма Эйлера для операции "симметрической разности"

1.3. СВОЙСТВА ТЕОРЕТИКО-МНОЖЕСТВЕННЫХ ОПЕРАЦИЙ

Теоретико-множественные операции обладают рядом свойств [1,4], основными из которых являются следующие :

1. Идемпотентность AUA= А, АПА= А'

2. Коммутативность AUB=BUA, АПВ=ВПА.

3. Ассоциативность AU(B U С) = (A UB)U С,

АП (вПс)=(аПв) Пс.

4. Поглощение AU(AnB)=A, АП(АUВ)=А.

5. Дистрибутивность AU(BnC) = (AUB) П (AUC),

An (BUС)=(АПВ)ЩАПС).

6. Универсальность нижней и верхней границы

АІ)0 = А, Аf)U = А, АПи = А, AUU = U. Доказательство тождеств основано на отношении принадлежности Чтобы убедиться, например, в справедливости тождества 5, положим:

В.И. Кириллов А.А. Старченко - Логика. Учебник для юридических вузов>


Это означает, по определению объединения множеств А, (ВПС), что х принадлежит или одному, или другому множеству, т.е.
В.И. Кириллов А.А. Старченко - Логика. Учебник для юридических вузов>
Поскольку по определению пересечения множеств В, С - ВПС х должен принадлежать и множеству В, и множеству С, то последнее выражение можно преобразовать к виду

В.И. Кириллов А.А. Старченко - Логика. Учебник для юридических вузов>


Отсюда видно, что х должен принадлежать множеству А или В и одновременно множеству А или С, т.е.

В.И. Кириллов А.А. Старченко - Логика. Учебник для юридических вузов>


На основании определения объединения множеств из последнего выражения находим:

В.И. Кириллов А.А. Старченко - Логика. Учебник для юридических вузов>


а на основании определения пересечения множеств это выражение может быть преобразовано следующим образом:

x&A{jB и xeA\jC

хе(лия)П(лиС) .

Поскольку х принадлежит последнему множеству, то оно является подмножеством исходного множества (1.3) (по определению подмножеств), т.е.

(лив)П(лис)с ли(япс).

Аналогично доказывается и соотношение

ли(яПС)<=(лі)в)П(лис).

В соответствии с определением равенства множеств приходим к требуемому тождеству [4]:

ли(яПС)=(лия)П(лис).

1.4. УПОРЯДОЧЕННОЕ МНОЖЕСТВО

При рассмотрении множеств порядок следования элементов в них не учитывается, однако во многих случаях необходимо рассматривать упорядоченный набор элементов в множестве, например, порядок цифр при записи конкретного числа или последовательность букв в слове [1,3].

Кортежем, или вектором, называется множество, содержащее упорядоченный набор элементов, которые в этом случае называются компонентами или координатами.

В кортеже место каждой компоненты является строго фиксированным и не может быть изменено, в отличие от обычного множества в кортеже могут быть и одинаковые компоненты.

Например, одинаковые буквы в слове или одинаковые операции в технологическом процессе. Задание кортежа производится так же, как и обычных множеств, отличие состоит лишь в том, что используются круглые скобки.

Например: A=(aj, a2, ... an) для детали, изображенной на рис. 1.1, последовательность операций технологической обработки также может быть

записана в виде кортежа:

А = (токарная обработка, нарезание резьбы, фрезерование шпоночного паза, изготовление зубчатого колеса).

В.И. Кириллов А.А. Старченко - Логика. Учебник для юридических вузов>


Число элементов кортежа называется его длиной, кортежи длиной 2 часто называют упорядоченными парами,или просто парами, длиной 3 -тройками, длиной 4 - четверками и т.д., длиной п - ми.

Частным случаем кортежа является кортеж длиной 0 называемый пустым кортежем и обозначаемый () или 0.

Кортеж длиной 2 А= (aj, a2) можно рассматривать как точку на плоскости или вектор, проведенный из начала координат в данную точку, как это показано на рис. 1.7.

Компоненты aj, a2 кортежа А =

(aj, a2) будут его проекциями на оси 1 и 2

Пр112) = аІ, Пр212) = а2 .

Аналогичным образом кортеж длиной 3 можно представить пространственным вектором, проекции которого на оси координат являются его компонентами

ПріІ23) = аі, і = 1,2,3.

Однако в данном случае можно говорить о проекции кортежа сразу на две оси, т.е. на координатные плоскости:

В.И. Кириллов А.А. Старченко - Логика. Учебник для юридических вузов>


1.5. ПРОИЗВЕДЕНИЕ МНОЖЕСТВ Произведением множеств (его также называют прямым или Декартовым произведением) АхВ называется множество, состоящее из всех тех и только тех упорядоченных пар (кортежей), первая компонента которых принадлежит множеству А, а вторая - В

Например, еслиН= {аь а2, а3}, В= {Ьь Ь2}, то
В.И. Кириллов А.А. Старченко - Логика. Учебник для юридических вузов>
В.И. Кириллов А.А. Старченко - Логика. Учебник для юридических вузов>


Порядок следования пар может быть любым, но расположение элементов в каждой паре определяется порядком следования перемножаемых множеств, поэтому

Произведение множеств может обобщаться на любое их количество
В.И. Кириллов А.А. Старченко - Логика. Учебник для юридических вузов>
В.И. Кириллов А.А. Старченко - Логика. Учебник для юридических вузов>


В результате получается множество кортежей, длина которых равна n. Произведение двух или трех множеств имеет простую геометрическую интерпретацию - это множество точек в прямоугольных координатах на

В.И. Кириллов А.А. Старченко - Логика. Учебник для юридических вузов>


плоскости или в пространстве, заданных кортежами, компонентами которых являются координаты этих точек. Так, геометрическая интерпретация рассмотренного выше примера имеет вид, показанный на рис. 1.8.

Таким образом, в результате произведения множеств

получаются кортежи,

образованные из элементов исходных множеств по правилу "каждый с каждым" в порядке следования перемножаемых

множеств.

Произведение множеств часто используется на практике, например, два станка aj, a2 образующих множество А= (aj, a2}, сравниваются по точности и стоимости, при этом из элементов множества А необходимо образовать упорядоченные пары, состоящие в данном случае из его элементов aj, a2. (первый и второй станок). При этом на первом месте в упорядоченной паре будет находиться станок лучший по точности, а на втором - по стоимости. Результаты анализа отражаются следующим множеством :

А* = {(а;2),(а/7),(а2,аі/),(а22)} ,

элементы которого имеют следующее значение : aj, a2 - станок 1 точнее, станок 2 дешевле; aj, a2- станок 1 точнее и дешевле; aj, a2 - станок 2 точнее, станок 1 дешевле; aj, a2- станок 2 точнее и дешевле.

Заметим теперь, что А* =АхА, т.е. проведенный анализ может быть выполнен с помощью, произведения множеств.

1.6. ОТОБРАЖЕНИЯ, ФУНКЦИИ, ФУНКЦИОНАЛЫ, ОПЕРАТОРЫ

Отношения между множествами не исчерпываются только отношениями включения, объединения, пересечения, дополнения и т. д. Между элементами множеств могут существовать также отношения соответствия, когда элементы множеств могут сопоставляться друг с другом [1,3].

Отображением F множества А в множество В называется правило, по которому каждому элементу а е A сопоставляется элемент b е B, что записывается следующим образом :

F:А—> В или В = F(a) .

Часто при этом множество А называют прообразом, а множество элементов b, находящихся в соответствии с элементами ае А,- образом, который обозначают ImF, причем ImF с B.

Геометрическая интерполяция отображения может быть при этом такой, как показано на рис. 1.9.

Наиболее просто задать отображение с помощью перечисления (списка значений).

В.И. Кириллов А.А. Старченко - Логика. Учебник для юридических вузов>
Рис. 1.9. Геометрическая интерпретация отображения с помощью понятия областей
Например: определив множество А как множество операций по изготовлению шестерни (см. рис. 1.1 ), т.е.

А = (токарная обработка= aj, нарезание резьбы= а2, фрезерование шпоночного паза= а3, изготовление зубчатого колеса= а4),

а множество В как множество металлообрабатывающего оборудования на участке, т. е.

В= (токарные станки = bj, b2, фрезерные станки = b3, b4, шлифовальный станок = b5, зуборезный станок = b6),

то изготовление шестерни (см. рис. 1.1) на участке можно представить изображением
В.И. Кириллов А.А. Старченко - Логика. Учебник для юридических вузов>
Последнее выражение иллюстрируется рис. 1.10.

В.И. Кириллов А.А. Старченко - Логика. Учебник для юридических вузов>


Причем отображение F из А в В может быть различным

Отображение называется

функцией f (f:A—>B), если устанавливает соответствие между числовыми множествами.

Например: определим А как множество движений при перегрузке палеты транспортным механизмом на металлорежущий станок

А= {а1, - вертикальное перемещение, а2 - горизонтальное перемещение, а3 - вращение}, а множество В как множество механизмов, реализующих различные виды движений, например:

В.И. Кириллов А.А. Старченко - Логика. Учебник для юридических вузов>


а3' м Ъ4

* ь5

Рис. 1.11. Геометрическая иллюстрация отображения: движение-механизм

В={ b1 - рейка-реечное колесо, b2 - винт-гайка, b3 - кулачок-толкатель, b4 -зубчатые колеса, b5- гидромотор).

Тогда отображение F:A—>B, устанавливающее связь между движением и механизмом, реализующим движение, можно представить, например, как показано на рис. 1.11, что описывается выражением

В.И. Кириллов А.А. Старченко - Логика. Учебник для юридических вузов>
Причем отображение F из А в В может быть различным, например,

F = {(аІ2),(а21),(а35)} .
Таким образом, отображение F определяет и конструкцию транспортного механизма. При этом необходимо учитывать механизмы, взаимодействующие с этим устройством, точность работы, быстродействие, наличие конкретных приводов и энергоносителей.

Часто функциональная зависимость элементов b е B от элементов а е A записывается в виде b=f(a). Функция может задаваться с помощью перечисления, однако чаще всего задается в виде математического выражения. Например: b=sin a.

Функционалом Ф называется отображение множества функций А в числовое множество В, например:

А = [ср(х):х,х2х), 0<х<1 1

Ф = ^(p(x)dx , о

где (р(х) <=А

В.И. Кириллов А.А. Старченко - Логика. Учебник для юридических вузов>


Оператором р называется отображение множества функций А в множество функций В.

Например р =d/dx, тогда для предыдущего примера получим

В.И. Кириллов А.А. Старченко - Логика. Учебник для юридических вузов>


1.7. КОМПОЗИЦИЯ ОТОБРАЖЕНИЙ. ОБРАТНЫЕ ОТОБРАЖЕНИЯ

В.И. Кириллов А.А. Старченко - Логика. Учебник для юридических вузов>
Рис. 1.12. Диаграмма комбинации отображений

Композицией отображений

F:A—> В и G:B—> С называется отображение Н:А —> С, полученное последовательным применением отображений F и G, при этом записывают H=F-G[1,3J.

В

Графическая интерпретация комбинации отображений

показана на рис. 1.12. Так например:

F:A-> В, F = \(aI,bI),(aI,b2),(a2,b2)} ,

G:B-*C, G = {(Ьу2),(б2у)} ,

Н: А —» С, Н = F - G = {(а12),(аІІ),(а2])} .

Графически эту комбинацию отражений H=F-G можно представить так, как это показано на рис. 1.13.
В.И. Кириллов А.А. Старченко - Логика. Учебник для юридических вузов>
Отображение можно интерпретировать как операции обработки, выполняемые последовательно с одного установа заготовки, а их комбинацию как выполнение их за один проход, например, фасонным резцом.

Отображение F1:B—>А называется обратным к отображениюF:B—>A, если их комбинация обеспечивает возвращение к любому исходному элементу, принадлежащему множеству А и В, т.е.

\/аеА, F(a) • F~! (b) = а ,

VbeB, F(b)-F~1(a) = b .

На диаграмме отображений, например на рис. 1.13, обратное отображение характеризуется противоположным направлением стрелок. Отсюда следует, что обратное отображение существует лишь для однозначных отображений. Так, для предыдущего примера F не имеет обратного отображения, a G имеет.

1.8. БИНАРНЫЕ ОТНОШЕНИЯ

Бинарные отношения являются частным случаем отображения. Бинарным отношением между множествами А и В называется закон, выделяющий в произведении множеств АхВ некоторое подмножество р, называемое графиком бинарного отношения, состоящее из упорядоченных пар (кортежей), первая компонента которых принадлежит множеству А, а вторая - В, и устанавливающее определенное соответствие между этими компонентами,

В.И. Кириллов А.А. Старченко - Логика. Учебник для юридических вузов>


Если компоненты a е A и b е B находятся в бинарном отношении, записывают apb.

В качестве примера бинарного отношения можно привести рассматривавшиеся ранее отображения, устанавливающие связь между типом металлорежущего станка и операциями, выполненными на нем при изготовлении определенной детали. Если А={множество гаек}, В= {множество болтов}, то в качестве бинарного отношения может выступать определенный тип резьбы, обеспечивающий резьбовое соединение между гайкой и болтом, например, множество болтов и гаек, имеющих резьбу М8.

Бинарные отношения имеют очень большое практическое значение. Они позволяют с математической точки зрения исследовать работу различных устройств, производить их конструирование. К таким устройствам относятся управляющие вычислительные комплексы, системы числового программного управления, различные автоматические устройства дискретного действия, автоматические склады, роботы и т.п.

Все тригонометрические и арифметические операции, устанавливающие связь между двумя величинами, являются частным случаем бинарных отношений. Поскольку связь между ними на координатной плоскости отображается графиком, то этот термин получил распространение для обозначения бинарных отношений между двумя элементами множеств.

В том случае, если между элементами множеств бинарные отношения отсутствуют, отношение называют пустым с графиком р =0.

Полным бинарным отношением называют график, полностью определенный на произведении множеств А и Вр =АхВ.

Бинарное отношение может быть также задано на одном множестве АхА, р ={(а,а)/ ае A}, в этом случае часто выделяют бинарное отношение, называемое диагональным,

1.9. СПОСОБЫ ЗАДАНИЯ БИНАРНЫХ ОТНОШЕНИЙ

Бинарное отношение задается с помощью графика р несколькими способами в зависимости от того, между какими элементами и какая устанавливается связь.

Задание с помощью перечисления (списка) не отличается от рассмотренного ранее.

Например, если

А = {а12) B = {bI,b2,b3) и cijpb,, aIpb2, a,pb3, a2pbt, a2pb2, a2pb3 ,

то при этом график имеет вид

В.И. Кириллов А.А. Старченко - Логика. Учебник для юридических вузов>


Задание с помощью матрицы состоит в том, что в случае конечных множеств А= {a}, a2, ... am}, B= (b1, b2, ... bm } бинарное отношение между ними можно задать соответствующей матрицей, которая имеет вид

В.И. Кириллов А.А. Старченко - Логика. Учебник для юридических вузов>


р = [аь\

где

1, если atpbj

О, если a~pb.

Для предыдущего примера матрица р имеет вид

Ъі ъ2 ъ3

1 1 0
0 0 1
Заметим, что отрицание отношения р также устанавливает бинарное отношение, при этом его матрица для предыдущего примера имеет вид

bj b2 Ьз

0 0 1
1 1 0
Для диагонального бинарного отношения, заданного на одном множестве р ={(аи а^/ ае А}, матрица квадратная, ее диагональ заполнена
В.И. Кириллов А.А. Старченко - Логика. Учебник для юридических вузов>
фика р имеет вид, показанный на рис. 1.14.

На рис. 1.15 и рис. 1.16 приведены диаграммы графиков диагонального бинарного отношения и полного бинарного отношения для множеств
В.И. Кириллов А.А. Старченко - Логика. Учебник для юридических вузов>
При рассмотрении бинарных отношений, заданных графиком р, часто используют понятие сечения р(аі) по а, , которое является множеством элементов b е B таких, что (а, b) е р.

Так, для примера (1.5) имеем
В матрице элементы сечения отмечены единицами в строках, соответствующих компонентам а, по которым производится сечение, в диаграммах - концами стрелок, исходящих из одинаковых компонент а

1.10. ОПЕРАЦИИ НАД БИНАРНЫМИ ОТНОШЕНИЯМИ

Поскольку бинарные отношения являются разновидностью множеств, то для них справедливы все теоретико-множественные операции, рассмотренные ранее.

Пусть р и r-два бинарных отношения между множествами А и В. Например :

В.И. Кириллов А.А. Старченко - Логика. Учебник для юридических вузов>


(1.6)

А = {а123}, B = {bI,b2]

где аі, а2, а3 - накопительные устройства, каждое из которых содержит определенный вид заготовок;

Ь], Ь2 - металлообрабатывающие станки.

Бинарное отношение между А и В устанавливается исходя из закона функционирования робота, обслуживающего эти станки, который подает детали из накапливающих устройств к станкам в двух технологических режимах, каждый из которых характеризуется своим бинарным отношением р ит. Например:

р={(аі,ЪІ),(а22),(а31)) ,

7= {(^АМ^АМ^ЛК^Л)} У

или в форме диаграмм, показанных на рис. 1.17, рис. 1.18,или в табличной форме

а2 1 0 а2 1 0
р = аі 0 1 т = а2 1 1
а3 1 0 а3 0 1
В.И. Кириллов А.А. Старченко - Логика. Учебник для юридических вузов>


Объединением отношений р и т называется множество упорядоченных пар, которое принадлежит р или т

pUr = \(a,b)\{a,b) е р ши (а,Ъ) € г| .

Для примера (1.6) - (1.8) имеем

р[]т= {(а}, Ъ1), (а2, Ь2), (а3, b,), (а2, Ь2), (а3, Ь2)}

Это объединение изображено на диаграмме, показанной на рис.1.19.
В.И. Кириллов А.А. Старченко - Логика. Учебник для юридических вузов>
В данном случае операция объединения р U т охватывает все возможные движения робота по передаче заготовок в обоих технологических процессах.

Другие теоретико-множественные операции с отношениями выполняются аналогично этим операциям с множествами. Так, операция пересечения множеств имеет вид

р[\т = |(я,б)|(а,Ь) ер и (а,Ъ)ет^ .

Для выполнения этой операции при табличной форме задания графиков р и т необходимо матрицы поэлементно умножить. Операция разности отношений имеет вид

р\т - {(а, 6)| (а,Ъ)ер и (а,Ь)ёт |.

Для выполнения этой операции при табличной форме задания ри т необходимо произвести поэлементное вычитание матриц ри т, считая, что элементы матриц ау принимают значение

О, при -Ъ^<0 У 1, при (at 1

Операция дополнения (отрицания отношения) имеет вид р = j(a,fe)| (а,Ь) е А х В и {а,Ь) <? /?| = Ах В\ р .

Поскольку произведению множеств АхВ, равному полному отношению^ отвечает единичная матрица [UJ, то дополнение р находится поэлементным вычитанием матриц

В.И. Кириллов А.А. Старченко - Логика. Учебник для юридических вузов>


В.И. Кириллов А.А. Старченко - Логика. Учебник для юридических вузов>


При матричной форме задания р и т эта операция выполняется следующим образом :

р®т = (р+г)-(рх г) ,

где + - знак поэлементного суммирования матриц риг; х - знак поэлементного умножения матриц риг;

- - знак поэлементного вычитания матриц риг.

Отношение р называется включением в отношение г, если р<т.

Если в (1.7) ограничиться двумя первыми парами, то при г, описываемой (1.8), будет р<г.

Отношение р1 называется обратным к отношению р, если р'1={(b,a)/apb}. Обратное отношение на диаграмме графика отношений по сравнению с прямым отношением имеет то же самое расположение, но обратное направление стрелок. Для примера (1.7) обратное отношение устанавливает связь между станками b}, Ь2 и накопителями а.}, а2, аз. Обратному отношению отвечает транспонированная матрица, т.е. матрица, в которой строки заменены столбцами с сохранением их нумерации. При этом элемент матрицы Ху занимает место ay. Для (1.7) матрица, соответствующая р‘, имеет вид

а 1 а2 а3
1 0 1
0 1 0
р-1 ={(Ъ1І),(Ь22),(ЪІ3)} .

Нередко бинарные отношения устанавливаются между тремя множествами

р = \{а>Ь) еАх , ст= {(/Ъпс) еВх С} .

Например, случай обслуживания станков множества B={bj,b2} роботом, который загружает станки из накопителей А={а],а23}, а затем передает со станков обработанные заготовки либо в приемную тару,

либо для последующей обработки непосредственно на другие станки С={с},с23}, чему соответствуют отношения :

Р={{<*і>ЬІ),(а2І),(а32)} , (1-9)

°={{Ъі,сі),{Ъ22),(Ъ33)} . (1-Ю)

В этом случае можно говорить о композиции отношений р° а - новом бинарном отношении между множествами А и С, получаемом последовательным применением отношений р и сг.

ро а = ^a,c)\apb, Ъое, аеЛ, be В, ceCj .

Для (1.9), (1.10) имеем

р°а= {(а1І),(а22),{а32),(а33)} .

Композиция отношений иллюстрируется приведенными ниже диаграммами на рис. 1.20.
В.И. Кириллов А.А. Старченко - Логика. Учебник для юридических вузов>
Рис. 1.20. Диаграмма композиции отношений

При задании отношений р и сг таблично их композиция равна произведению матриц, элементы которой уу равны
(1.11)

где ап, - элемент на пересечении і-й строки и к-то столбца матрицы р\

fa - элемент на пересечении к-й строки и z-го столбца матрицы сг. Тогда для примера (1.9), (1.10) получаем

Сі С2 сз С] С2 сз
aj 1*1+0*0 1*0+0*1 1*0+0*1 аі 1 0 0
- а2 1*1+0*0 1*0+0*1 1*0+0*1 = а2 1 0 0
аз 0*1+1*0 0*0+1*1 0*0+1*1 аз 0 1 1
В том случае, если элемент матрицы p-о не равен единице, но отличается от нуля, он заменяется единицей.

1.11. СВОЙСТВА БИНАРНЫХ ОТНОШЕНИЙ

Бинарные отношения обладают рядом свойств, основные из них следующие:

1. Рефлексивность.

Бинарное отношение p на множестве АхА называется рефлексивным, если любой элемент этого множества а находится сам с собой в бинарном отношении, т.е.

aj

per = a2

a3
В.И. Кириллов А.А. Старченко - Логика. Учебник для юридических вузов>
В.И. Кириллов А.А. Старченко - Логика. Учебник для юридических вузов>


Например, отношение "равно" рефлексивно.

Главная диагональ матрицы рефлексивного бинарного отношения содержит только единицы.

2. Антирефлексивность.

Бинарное отношение p на множестве АхА называется антирефлек-сивным, если ни один элемент а этого множества не находится в бинарном отношении сам с собой (не выполняется свойство рефлексивности).

Например, отношение "больше" антирефлексивно.

Главная диагональ матрицы антирефлексивного бинарного отношения содержит только нули.

3. Симметричность.

Бинарное отношение р на множестве АхВ называется симметричным, если из бинарного отношения арЪ следует отношение Ьра для любых аеАи Ъ еВ, т.е.

арЪ => Ьра, {уа е АУЬ еВ) .

Например, расстояние между двумя точками.

Матрица симметричного отношения симметрична относительно главной диагонали

а у = ар

Отсюда следует, что для симметричности достаточно, чтобы р = р т.е. прямое и обратное отношения были равны, т.к.

арЪ = ap~‘b = Ьра .

4. Антисимметричность.

Бинарное отношение р на множестве АхВ называется антисимметричным, если из отношений арЪ и Ьра следует, что а—Ъ для любых а еА и Ъ еВ.

(арЪ,Ьра) => а = Ь, (\/а е А,\/Ь е 5) .

Например, р - "меньше или равно", тогда

а > Ь а <Ь

Матрица антисимметричного отношения симметрична.

5. Асимметричность.

Бинарное отношение р на множестве АхВ называется асиммет-ричным?если из двух отношений арЬ и Ьра одно не выполняется для любых оеАиЬ еВ.

Поскольку Ьра=арІЪ, то исходя из вышесказанного для асимметричности достаточно рГ\р1=0 (из двух отношений р, р1 , одно не выполняется, т.е. они не имеют общих пар, следовательно, рС\р1=0).

Например, отношение "больше" асимметрично а>Ь.

Матрица асимметричного отношения несимметрична и имеет нули в главной диагонали.

Свойства 3-5 легко распространяются на множество АхА.

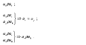
6. Транзитивность.

Бинарное отношение на множестве АхА называется транзитивным, если из ciipcij и cijpak следует а,ірак. При распространении на два множества транзитивность отношений между их элементами обеспечивает их композицию.

1.12. БИНАРНОЕ ОТНОШЕНИЕ ЭКВИВАЛЕНТНОСТИ

Эквивалентность - строгое математическое обоснование понятий "одинаковость", "неразличимость", обозначается "~", удовлетворяет следующим свойствам бинарных отношений:

- рефлексивности <зг paj ;

- симметричности агра} => ajpat;

- транзитивности (a^paj и ajpa/J => аграк.

Эквивалентность позволяет разбить множество А на непересекаю-щиеся подмножества А], А2, ..., А„,..., Ат, ... Ап называемые классами эквивалентности.

(1.12)

А„ П Ajn = 0 при пФт

І)А„ = А

Например, определение геометрических фигур: треугольник, круг, квадрат и т.п. разбивает множество геометрических фигур на классы эквивалентности.

В.И. Кириллов А.А. Старченко - Логика. Учебник для юридических вузов>
Рис. 1.21. Разбиение множества точек фигуры А на классы эквивалентности
На рис. 1.21 показано подробное разбиение.

Любое отношение эквивалентности на произведении множеств АхА задает на множестве А некоторое разбиение на классы эквивалентности Л .

То есть во множестве элементов по какому-либо

признаку можно выделить класс одинаковых (эквивалентных) элементов.

Для доказательства этого положим, что в множестве А есть два класса эквивалентности Ап и Ат, причем ап еАп, ат еАт. По (1.12) имеем

Ап П Ат = 0, если Ап и Ат неэквивалентны ;

АПА,=> А = Ап> есш 4 ~ Ат ¦

Пусть Ап и Ат неэквивалентны, что иллюстрируется рис. 1.22,а.

В.И. Кириллов А.А. Старченко - Логика. Учебник для юридических вузов>
а б

Рис. 1.22. Иллюстрация к доказательству о разбиении множества на классы

эквивалентности
Доказательство проведем от противного. Допустим, что есть элемент х, который одновременно принадлежит подмножествам Ап и Ат, в этом случае, во-первых,

*?4,1 хеАт 1

ап~х J х ~ ат) ’

а, во-вторых, как это показано на рис. 1.22,

В силу транзитивности эквивалентных отношений ап~х\ ?апеАп

\~>an^ams, Л

Х~ат\ ^ат^Ат.

Отсюда получаем, что любой ап еАп в силу своей эквивалентности с ат еАт принадлежит Ат



\/a

\/a

П

n

m
В.И. Кириллов А.А. Старченко - Логика. Учебник для юридических вузов>
В.И. Кириллов А.А. Старченко - Логика. Учебник для юридических вузов>


Это означает, что An eAm.

В силу симметричности отношения атт, проведя аналогичные рассуждения, получим Ат еАп.

Из последних двух выражений следует Атп.

Таким образом, допустив, что два множества Ат и Ап, содержащие эквивалентные элементы, пересекаются хотя бы по одному элементу, приходим к их равенству Атп.

Следовательно, сопоставив каждому отдельно взятому элементу а{еА, эквивалентные элементы из А, получаем разбиение А на классы эквивалентности

В.И. Кириллов А.А. Старченко - Логика. Учебник для юридических вузов>


И наоборот, любое разбиение на классы эквивалентности порождает соответствующие эквивалентные отношения.

Например, все множество сменных зубчатых колес для гитары станка размещено в зависимости от числа зубьев в ячейках кассеты, что порождает разбиение на соответствующие классы эквивалентности (по числу зубьев) исходного множества зубчатых колес.

Множество классов {A1, A2, ... , An} разбиения А, отвечающего отношению эквивалентности р называется фактор-множеством множества А по отношению к р и обозначается А/ р {Л1, Л2, ... , An} -, сами A, называются классами эквивалентности.

В качестве примера рассмотрим отношение сравнения по модулю т на множестве целых положительных чисел r+ , что записывается x=y(mod m) и означает: х сравнимо с у по модулю т

-— = к, х ег , у ег , тег, к - целое число .

т

Это отношение сравнения должно обладать следующими свойствами:

- рефлексивностью x=x(mod т), х~х выполняется;

- симметричностью х~у =>у~х\

-к ,

х~У _ j у-х т т

знак к при сравнении по модулю не учитывается, следовательно, симметричность выполняется;

- транзитивностью

* ~ У\ +

>=> Х~ Z, Z 6 г ,

У-z J

х-у 1 У~2 j x~z 1 ;

-- = к, --= I, -= к+ 1 .

т т т

Поскольку к и /-целые числа, то их сумма тоже целое число, следовательно, транзитивность выполняется.

Итак, отношение сравнения по модулю т является эквивалентным отношением. Это отношение фактически разбивает все множество r+ на числа, имеющие одинаковый остаток С при делении на т:

В.И. Кириллов А.А. Старченко - Логика. Учебник для юридических вузов>


где N, М - целые числа.

При этом выражение для сравнения по модулю т приобретает вид

= N - М = К . т

Таким образом, отношение сравнения по модулю т определяет разбиение множества г+ на т классов AhA2, ...,Ат, каждый из которых состоит из чисел, имеющих одинаковый остаток при делении на т.

Например, т=3, имеем Aj={3,6,9...}, А2={1,4,7...}, А3—{2,5,8...}, т.к. 3=6(mod 3)=9(mod3)... и т.п.

В технике очень часто используется сравнение по модулю т=2, т.е. разделение всего множества чисел на четные и нечетные числа.

1.13. БИНАРНОЕ ОТНОШЕНИЕ ПОРЯДКА

Отношение порядка устанавливает математическое обоснование некоторого порядка в смысле следования, предшествования элементов в множестве.

Различают отношение частичного и строгого порядка. Частичный порядок обозначается < и удовлетворяет следующим свойствам:

В.И. Кириллов А.А. Старченко - Логика. Учебник для юридических вузов>


- рефлексивности

- антисимметричности

- транзитивности

Отношение < в множестве вещественных чисел является частичным порядком, для которого

рефлексивность я, <я„ - выполняется;

антисимметричность (а{<ц, а2<а^ =>а2ь - выполняется;

транзитивность (а(<а^ ) =>а{к, - выполняется.

Отношение < устанавливает в множестве вещественных чисел порядок следования элементов друг за другом

а12і<...<аі... .

По этому принципу можно упорядочить расположение ячеек в кассете с зубчатыми колесами ( по числу зубьев ).

Строгий порядок обозначается "<" и удовлетворяет следующим свойствам:

- антирефлексивности ара{,

- асимметричности (ai<aj)C\(ctj^di)‘, 0;

- транзитивности (а^ра^ ajpaj) =>щра*.

Отношение "<" в множестве вещественных чисел устанавливает строгий порядок, исключая возможность равенства смежных элементов при следовании их друг за другом а1< а2< а3<...< а{.... Отношение строгого порядка характерно для иерархических систем.

1.14. ДОМИНИРОВАНИЕ, ТОЛЕРАНТНОСТЬ

Отношение доминирования устанавливает математическое обоснование некоторого превалирования, превосходства элементов множества. Доминирование отвечает следующим свойствам бинарных отношений:

- антирефлексивности;

- асимметричности;

- нетранзитивности.

Например, доминированием является расстановка по занимаемым местам участников соревнований после их проведения.

Участник а1 не может выиграть сам у себя (антирефлексивность), выигрыш у а2 свидетельствует о том, что не может быть наоборот (асимметричность), однако не доказывает возможность выигрыша у а3, который проиграл а2 (нетранзитивность).

Отношение толерантности устанавливает математическое обоснование представлений о сходстве, похожести и отвечает следующим свойствам бинарных отношений:

- рефлексивности;

- симметричности;

- нетранзитивности.

Свойства, присущие толерантности, интерпретируются следующим образом: каждый объект неразличим сам с собой (рефлексивность), а сходство двух объектов не зависит от того, в каком порядке они сравниваются (симметричность). В то же время, если один объект сходен с другим, а другой с третьим, то это не означает, что первый сходен с третьим (нетранзитивность).

Например, отношение толерантности определяется сходством двух корпусных деталей, отличающихся тем, что в одном и том же отверстии у одной детали нарезается резьба М8, а в другой М10. Другим примером может служить отношение толерантности между четырехбуквенными словами, если они отличаются одной буквой (муха - мура - тура -...-слон).

1.15. ЗАДАЧИ И УПРАЖНЕНИЯ

1.15.1. МНОЖЕСТВА И ОПЕРАЦИИ НАД НИМИ

1. Какие из приведенных соотношений неверны и почему ?

х Е {2,а,х} , х Е {l, sin х j ,

3 Е [l, {2,3},4} ,

{х,^} Е{а,{х,у),Ь} ,

{*,>>} Е{а,х,у,Ъ} .

2. Какими отношениями (равенства, включения) связаны между собой следующие множества ?

А = {2,5,4} ,

В = {5,2,4} ,

С = {13,2,6,5} ,

D = {2,4,5,4} ,

Е = {1, {3,2},6,5} ,

F= {6,8,{2,3},1) .

3. Используя условия предыдущей задачи, найти, чему будут равны следующие множества ?

A\JD= A\JF= A{JC=
Af]D= Af]F= Af]C=
A\D= A\F= A\C=
A@D= A®F= CA =
A = A®C=
4. Приняв множество первых 20 натуральных чисел в качестве универсума, запишите следующие его подмножества:

A={четные числа}.

В={нечетные числа}.

С={ квадраты чисел}.

Б={простые числа}.

В каких отношениях находятся эти подмножества и как выражаются через другие множества с помощью операций над множествами 0, \, U, П?

5. Докажите с помощью диаграмм Эйлера, что:

а) для отношения включения между множествами выполняется свойство рефлексивности, т.е.

А<А ;

б) для отношения включения между множествами свойство транзитивности

выполняется

В.И. Кириллов А.А. Старченко - Логика. Учебник для юридических вузов>


в) пустое множество принадлежит любому множеству

0<А, ?А ;

г) симметрическую разность множеств можно представить как объединение их разностей

A®B = (A\B)U(B\A) ;

д) AU(B\A)=AUB;

е) AU(B\A)=0;

ж) А\(АГ)В)=А\В;

з) АГ)(В\С)=(АГ)В)\С;

и) А\(ВПС)=(А\В)1)(А\С);

к) (АІ}В)\С=(А\С)П(В\С).

6. В каком отношении находятся множества А и В, если

А\В = В\А = 0 ?

7. Определите пересечение множеств А и В через разность.

1.15.2. МАТЕМАТИЧЕСКОЕ ОПИСАНИЕ ТЕХНОЛОГИЧЕСКОГО ПРОЦЕССА КАК СИСТЕМЫ ПЕРЕСЕКАЮЩИХСЯ МНОЖЕСТВ

1. Предложите деталь (пояснив ее эскизом), для изготовления которой необходим ряд технологических операций, связанных с обработкой на различных станках. Представив технологические операции, выполняемые на каждом станке, в виде отдельных множеств. Образуйте из них с помощью операций над множествами новое множество, включающее все операции по изготовлению детали. Определите с помощью операции пересечения те технологические операции, которые могут быть выполнены на различных станках, и выберите из них наиболее технологичные.

2. Множество А металлообрабатывающего оборудования на участке завода включает в себя:

В= {универсальные токарные станки},

С={ станки токарной группы с УЧПУ},

D={ фрезерные станки},

Е={ фрезерные станки с УЧПУ},

F= {сверлильные станки},

К={ сверлильные станки с УПЧУ},

Ь={расточные станки},

М={станки типа "обрабатывающий центр" с УЧПУ},

N= {шлифовальные станки},

0={зубообрабатывающие станки},

Р={зубообрабатывающие станки с УЧПУ},

R= {специальные станки}.

Каждое из этих множеств подразделяется еще на подмножества с соответствующей индексацией: 0 - оборудование нормальной точности и 1 -повышенной.

Определите из условий предыдущей задачи с помощью операций над множествами множества: 1а, 16, Ie, 1г - оборудования,необходимого для изготовления данной детали исходя из:

а) серийности (единичное, мелкосерийное, массовое) (1а);

б) частоты перехода на изготовление новой детали (редко, часто) (16);

в) точности выполнения отдельных операций на конкретных станках (определяется конструкторскими соображениями: нормальная, повышенная точность) (Ie);

г) себестоимости изготовления детали (1г).

Найдите с помощью операций над множествами la - 1г множество / -оптимального состава оборудования для обработки детали, отвечающей конкретным требованиям п/п а)-г).

3. С помощью операций объединения, пересечения и разности образуйте, используя условия предыдущей задачи, следующие множества:

S={оборудование, необходимое для изготовления валов со

шпоночным пазом},

Т={оборудование, необходимое для изготовления конусных

деталей},

U={оборудование, необходимое для изготовления зубчатых

колес}.

1.15.3. СВОЙСТВА ТЕОРЕТИКО-МНОЖЕСТВЕННЫХ ОПЕРАЦИЙ.

МАТЕМАТИЧЕСКОЕ ОПИСАНИЕ МАШИНЫ КАК СИСТЕМЫ МНОЖЕСТВ, СВЯЗАННЫХ ТЕОРЕТИКО-МНОЖЕСТВЕННЫМИ

ОПЕРАЦИЯМИ

1. С помощью диаграмм Эйлера и отношений принадлежности доказать правомерность свойств теоретико-множественных операций.

2. Три резца Б, М, Н сравниваются по стоимости производимой механической обработки в двух различных технологических режимах :

а) необходимо образовать множество U всевозможных исходов такого сравнения, обозначив элементы этого множества упорядоченными парами букв Б, М, Н, обозначающих тип резца;

б) сколько элементов содержит множество U;

в) перечислите элементы множества U, при которых резец (М) обеспечивает меньшую стоимость обработки в первом технологическом процессе (А), во втором (В), хотя бы в одном из технологических процессов (С), в обоих технологических процессах (D), ни в одном (Е). Считая при этом, что на первом месте в упорядоченной паре стоит резец (его обозначение), являющийся в данной паре лучшим в смысле себестоимости обработки в первом технологическом процессе, а на втором месте - во втором технологическом процессе. Например, в паре (Б, М) резец Б обеспечивает в первом технологическом процессе стоимость обработки ниже, чем резец М, а для второго технологического процесса наоборот.

3. Для множеств Р={Б, М, Н}, U,A,B, С, D, Е из предыдущей задачи дать ответы:

а) какие из множеств выражаются через другие с помощью операций: объединение, пересечение, дополнение, умножение?

б) какому множеству соответствует разность А\В и каков его смысл?

в) какие множества связаны между собой отношением включения?

г) какому множеству соответствует симметрическая разность А?В и каков его смысл ?

4. В каких отношениях по признаку одинаковой резьбы находятся следующие множества:

А= {резьбовое соединение},

В= {гайка},

С={ болты},

D={ гайки латунные},

Е= {болты стальные}.

5. С помощью операций над множествами, используя условие предыдущей задачи, образуйте следующие множества:

F= {болтовое резьбовое соединение},

Р={ винтовое резьбовое соединение},

R={некорродирующее резьбовое соединение},

N=0,

6. Первый и второй механизмы содержат соответственно множества Мі и М2 деталей, а Р - множество пластмассовых деталей. Определить с помощью операций над множествами следующие условия:

а) среди деталей первого механизма имеются все пластмассовые детали;

б) детали, входящие в первый и второй механизмы, могут быть только пластмассовыми;

в) во втором механизме нет пластмассовых деталей.

7. Является ли совокупность полученных в предыдущей задаче соотношений непротиворечивой? Если да, то можно ли ее упростить? Для ответа на поставленные вопросы проведите сначала логические рассуждения, а затем воспользуйтесь диаграммами Эйлера. Сформулируйте выводы, соответствующие полученному результату.

8. В зависимости от себестоимости изготовления, точности обработки и необходимости термообработки разбейте на подмножества множество деталей суппорта токарного станка. С помощью операций над множествами определить наиболее критичную к указанным показателям группу деталей.

9. Для каждой из 3-5 деталей, предложенных в задаче 1.15.2.1, разработайте технологический процесс и представьте его в виде кортежа, компонентами которого являются операции и переходы, необходимые для изготовления детали. Используя полученные кортежи, понятие отображения, установите соответствия технологическим операциям, необходимым для изготовления указанной партии деталей металлорежущего оборудования (перечень оборудования взять из условия задачи 1.15.2.2), условно приняв массовое изготовление партии деталей с редко меняющейся номенклатурой. В результате образуйте новый кортеж, компонентами которого являются металлообрабатывающие станки, необходимые для изготовления этой партии деталей, расположенные в последовательности выполнения технологических операций.

1.15.4. МАТЕМАТИЧЕСКОЕ ОПИСАНИЕ ТЕХНОЛОГИЧЕСКОГО ПРОЦЕССА И ЕГО АНАЛИЗ С ПОМОЩЬЮ БИНАРНЫХ ОТНОШЕНИЙ И ОПЕРАЦИЙ НАД НИМИ

1. Для бинарных отношений р и т, имеющих вид, показанный на рис. 1.23, определите в виде графиков, диаграмм и матриц следующие операции:

а) объединение p[j т;

б) пересечение /?П г;

в) разность р\т, т\р;

г) дополнение р, т ;

д) симметрическую разность р©тш,

е) обратное отношение р1;

ж) сечение р (щ), т (а{) .

В.И. Кириллов А.А. Старченко - Логика. Учебник для юридических вузов>
о т

Рис. 1.23. Диаграмма бинарных отношений р и т
2. Три партии деталей проходят химическую обработку на двух автоматических линиях по следующим технологическим процессам.

На первой линии:

часть первой партии деталей проходит ультразвуковую очистку и затем окрашивается термостойкой краской. Другая часть деталей первой партии обезжиривается и так же окрашивается термостойкой краской.

Часть деталей второй партии походит ультразвуковую очистку и окрашивается термостойкой краской. Другая часть деталей после промывки окрашивается кислотостойкой краской.

Часть третьей партии деталей обезжиривается, а другая часть промывается, все детали третьей партии окрашиваются кислотостойкой краской.

На второй линии:

детали первой партии проходят ультразвуковую очистку, затем одна их часть окрашивается термостойкой краской, а вторая - кислотостойкой;

часть второй партии деталей обезжиривается, а затем окрашивается термостойкой краской, другая часть деталей этой партии промывается и окрашивается кислотостойкой краской;

третья партия деталей обезжиривается, а затем окрашивается термостойкой краской;

а) необходимо определить в виде графиков, диаграмм и таблиц, в каких бинарных отношениях находятся следующие множества:

партии деталей - операции по подготовке поверхностей деталей к окраске - операции окраски деталей красками с заданными свойствами отдельно для каждой автоматической линии, обозначив

- первое бинарное отношение (детали - подготовка их поверхности) для первой линии - ри для второй - р2\

- второе бинарное отношение (подготовленные к окраске детали -окраска определенной краской) для первой линии - Т], для второй - т/,

б) определите с помощью графиков, диаграмм, матриц:

- операции объединения р2 U Р2-, Г; U т2 и поясните, что они собой представляют применительно к технологическим операциям (общность, различие операций и т.д.);

- операции пересечения р2 П Р2, Ъ П т2 и дайте им пояснение;

- операции разности рі\р2, р2\рі, Т]\т2, т2\ті и дайте им пояснение;

- операции дополнения р^,р2, т2 и дайте им пояснение;

- операции симметрической разности ріФр2, тіФт2 и дайте им пояснение;

- операции обратного отношения р]1, р~2 , tJ1 , т2], и дайте им пояснение;

- операции композиции отношений р\°Ти т2°р2 и дайте им пояснение;

- операции сечения р2(ар2(аj), Ti(aj), t2(a

1.15.5. СВОЙСТВА БИНАРНЫХ ОТНОШЕНИИ

В.И. Кириллов А.А. Старченко - Логика. Учебник для юридических вузов>
Рис. 1.24.

Диаграмма бинарного отношения
1. Представьте бинарное отношение, заданное диаграммой на рис. 1.24, как множество упорядоченных пар и запишите его матрицу. Какими свойствами характеризуется данное отношение?

2. Измените диаграмму бинарных отношений задачи 1 так, чтобы они обладали следующими свойствами:

- рефлексивности;

- симметричности.

3. Приведите из техники примеры рефлексивных, анти-

рефлексивных, симметричных, антисимметричных, транзитивных и нетранзитивных отношений.

4. Приведите примеры технологических процессов, обладающих одним или несколькими сразу свойствами бинарных отношений, указанных в задаче 3. Представьте эти технологические процессы в виде бинарных отношений и изобразите их диаграммами, матрицами, графиками.

На рис. 1.25 показана кинематическая схема автоматической коробки скоростей (АКС) станка 16К20ФЗ и график частот вращения.

- Представьте передачу движения от одного элемента АКС (зубчатого колеса, вала или муфты) к другому в виде бинарных отношений, опишите работу АКС с помощью бинарных отношений, изобразив их диаграммой (3.

- Запишите матрицу бинарных отношений /? передачи движений от вала I к валу III.

- Запишите в виде матриц 4), передачу движений в АКС от вала I к валу III.

- Чему равны и что представляют собой множества

a = U1’ Р = Г\п

і— 1 i

- Какими отношениями связаны между собой множества а и в?

- Какими свойствами обладает бинарное отношение р.

В.И. Кириллов А.А. Старченко - Логика. Учебник для юридических вузов>


1.15.6. ИССЛЕДОВАНИЕ ТЕХНОЛОГИЧЕСКИХ ПРОЦЕССОВ И ПРОЦЕССОВ УПРАВЛЕНИЯ ПРОИЗВОДСТВОМ НА ОСНОВЕ ИСПОЛЬЗОВАНИЯ СВОЙСТВ БИНАРНЫХ ОТНОШЕНИЙ

1. В множестве действительных чисел A=(aj, a2, a3, a4} определите в

виде:

а) графика;

б) матрицы;

в) диаграммы следующие бинарные отношения

а) эквивалентности;

б) частичного порядка;

в) строгого порядка;

г) доминирования;

д) толерантности.

Опишите характерные особенности графика, матрицы и диаграммы этих бинарных отношений.

2. Покажите, что каждое из следующих отношений является эквивалентностью:

а) подобие в множестве всех треугольников на плоскости;

б) равенство весо-габаритных характеристик металлообрабатывающих станков одной группы;

в) взаимозаменяемость на множестве деталей;

г) концентричность в множестве окружностей на плоскости;

д) разность чисел пит принадлежит множеству целых чисел г.

3. С помощью каких свойств бинарных отношений определяются одинаковые циклы в технологических процессах и процессах управления, приоритетные области управления и циклы в технологических процессах?

4. Приведите примеры технологических процессов или процессов управления (их организационные структуры), которые обладают свойством:

- эквивалентности;

- частичного порядка;

- строгого порядка;

- доминирования;

- толерантности.

5. Покажите, что приведенные ниже отношения являются отношениями порядка, и определите тип упорядоченности:

- диаметр х больше, чем у в множестве валов;

- х тяжелее у в множестве деталей;

- отношение размеров при посадке х больше или равно отношению размеров при посадке у в множестве посадок;

- х делитель у, если

В.И. Кириллов А.А. Старченко - Логика. Учебник для юридических вузов>


х Ф у у / X = г

6. Покажите, что приведенное ниже отношение является отношением толерантности: х имеет общие точки с у в множестве деталей, составляющих

механизм.

7. Покажите, что отношение х рядом с у в множестве деталей механизма является отношением доминирования.

2. АЛГЕБРА ЛОГИКИ

Аппарат математической логики сложился в значительной мере под влиянием прикладных проблем анализа и синтеза различных автоматических устройств дискретного действия: механических, пневматических, гидравлических, электрических и электронных и в частности контактных электрических схем. Разработанные в рамках алгебры логики положения позволяют обоснованно подходить к созданию алгоритмов работы указанных устройств, их конструкции, а также оптимизации.

2.1. ЛОГИЧЕСКИЕ ФУНКЦИИ

Логической функцией называется отображение из одного конечного упорядоченного множества в другое.

Компоненты х, образующие множество Х аргумента, и компоненты у, образующие множество Y, значений логической функции f(x)=Y, называются буквами соответствующих алфавитов Х или Y [2].

Таким образом, в теоретико-множественном смысле логическая функция представляет собой отображение множества кортежей (х}, х2,..., хп) называемых словами длиной п и являющихся аргументами логической функции на множество её значений, являющихся кортежами и называемых словами (уі, у2,, ут) длиной т, т.е.

В.И. Кириллов А.А. Старченко - Логика. Учебник для юридических вузов>


Если буквы Xj слов аргумента и буквы у, слов логической функции принимают значение из одного алфавита, то логическая функция является однородной.

Рассмотрим для примера однородную логическую функцию с алфавитом А={0,1,2}, содержащим к символов, и установим длину п слов аргумента, равную двум, п =2. При этом слова аргумента будут состоять из двух букв: (x1, x2), а сами буквы x1 и х2 будут принимать значения из алфавита, т.е. либо 0, либо 1, либо 2.

В трехзначном алфавите {0,1,2} словами длиной 2 будут все возможные комбинации из букв алфавита длиной 2, т.е.

В.И. Кириллов А.А. Старченко - Логика. Учебник для юридических вузов>


Отсюда видно, что число N слов длиной п из алфавита, содержащего k символов, определяется следующим выражением :

N = кп

и равно 32=9.

Поставив каждому слову аргумента (2.2) в соответствие одну из букв алфавита А={0,1,2}, получим некоторую однородную логическую функцию двух переменных (букв x1 и x2) -f(x1, x2).

Часто логические функции задаются в виде матрицы или таблицы соответствий, столбцы которой соответствуют словам аргумента (x1, x2), а строки функции yi=f(x1, x2).

Такая матрица для рассматриваемого примера имеет вид

Таблица 2.1

Таблица соответствий
Хі

Х2
0

0
0

1
0

2
1

0
1

1
1

2
2

0
2

1
2

2
Уо 0 0 0 0 0 0 0 0 0
Уі 0 0 0 0 0 0 0 0 1
У 2 0 0 0 0 0 0 0 0 2
. . . . . . . . .
Уі 0 1 0 2 1 0 0 1 1
. . . . . . .
У19682 2 2 2 2 2 2 2 2 2
Как видно из этой матрицы, функция Y=f(x1, x2) представляет собой слово длиной, равной числу слов аргумента функции, т.е. k (2.3) или в данном случае слово Y имеет длину 9. Поскольку рассматриваемая функция однородна и имеет один алфавит для Х и Y, содержащий k символов (А={0,1,2}, k=3), то число слов функции, подсчитываемое по (2.3), будет равно

В.И. Кириллов А.А. Старченко - Логика. Учебник для юридических вузов>


и составит в данном случае значение З9 =19683.

2.2. БУЛЕВЫ ФУНКЦИИ ОДНОЙ И ДВУХ ПЕРЕМЕННЫХ

Наиболее простым и в то же время наиважнейшим классом однородных функций являются булевы, т.е. двузначные функции, имеющие в алфавите два символа А = {0,1}. С помощью булевых функций моделируется работа различных автоматических устройств, имеющих два состояния, например: покоя и движения, устойчивых состояний и т.п. К этим устройствам могут быть отнесены устройства числового программного управления (ЧПУ), различные механизмы переключения коробок скоростей, обгонные муфты станков, автоматические резцедержки, магазины инструментов и т.д. Булевы функции позволяют описать их работу, смоделировать функционирование при работе с другими механизмами, обоснованно подойти к выбору конструкции, оптимизировать работу.

Аргументами булевых функций от п переменных являются слова Х длиной п, представляющие собой наборы из п двоичных цифр алфавита А={0,1} [2].

Таблица 2.2

Общая таблица соответствия булевой функции одной переменной
X 0 1 У
Уо 0 0 0
Уі 0 1 X
У2 1 0 X
Уз 1 1 1
Две функции y0 = 0 - тождественный нуль, yi = 1- тождественная единица представляют собой функции константы, т.к. они не изменяют своих значений при изменении аргумента.

Функция y1 =х повторяет значения аргумента х и просто совпадает с ней. Единственная нетривиальная функция х2= х отрицание (инверсия), читаемая как "не х", равна противоположному (инверсному) значению х. Например, булевы функции констант "1 - есть вращение" и "0 - нет вращения" реализует кулачковая муфта или предохранительная при усилии, не превышающем нормы, муфта замкнута - 1, и при усилии, превышающем норму - 0.

Как правило, одно простое устройство реализует одну - две булевых функции, а их соединение в более сложное устройство позволяет реализовать большее количество функций, но и имеет большее количество переменных.

При двух переменных п =2 имеется 22 =16 различных булевых функций, которые сведены в общую таблицу соответствий.

Общая таблица соответствия булевой функции двух переменных

Таблица 2.3
Хі

х2
00 11

0 10 1
Обозначение Название Чтение
1 2 3 4 5
Уо 0000 0 константа 0 (тождественный нуль, всегда ложно) любое 0
Уі 000 1 Х]Х2', Х]ЛХ2;

(хі&х2; Xyf|x2)
конъюнкция (совпадение, произведение, пересечение, логическое “и”) х7 и х2; (и X] и х2)
У 2 00 10 Х]<-Х2

X] \х2
отрицание импликации (совпадение с запретом, антисовпадение, запрет) X], но не

х2
Уз 00 11 Хі повторение (утверждение, доминация) первого аргумента как Ху
У4 0 100 Х2<—Хі

Х2 \Х]
отрицание обратной импликации (обратное антисовпадение ) х2, но не

Ху
1 2 3 4 5
У 5 0 10 1 *2 повторение (утверждение, доминация) второго аргумента как х2
Уб 0 110 Xj®X2

(х]?х2)
сумма по модулю 2 (неравномерность, антиэквивалентность) X], не как

Х2 (ИЛИ Xj,

или х2)
У 7 0 111 X] ? х2 (хі+х2; xj{Jx2) дизъюнкция (разделение, логическая сумма, сборка, логическое “или”) Xj, ИЛИ Х2 (Xj, или хотя бы Х2)
У8 1000 Xjix2 (xj vx2; X]Ox2) стрелка Пирса (функция Вебба, отрицание дизъюнкции, логическое “или -нет”) не xj, не

х2
У 9 100 1 Xj~X2

(xi = x2,

Xj<Z>X2)
эквиваленция (равнозначность, эквивалентность, взаимозависимость) Xj, как Х2 (xj, если и только если х2)
У ю 10 10 x2

("W
отрицание (инверсия) второго аргумента (дополнение к первой переменной) не Х2
Уп 10 11 X2—XXj

(XiCJCf,

x,<x2)
обратная импликация (обратное разделение с запретом, обратная селекция) если х2,

ТО Xj; (xj

или х2; не

Х2 ИЛИ Xj)
У12 1100 X]

( ^Xl)
отрицание (инверсия) первого аргумента (дополнение ко второй переменной) не xj
У13 110 1 Xj~>X2

(хі=ж2\

Xi>X2)
импликация (разделение с запретом, следовательно, селекция) если Xj, то х2; (не X] или х2)
У14 1110 X]/x2 (Xl C\X2\

X] &x2)
штрих Шеффера (отрицание с конъюнкции, несовместимость, логическое “и-не”) не xj или

не х2
1 2 3 4 5
У15 1111 1 константа 1

(тождественная единица, всегда истинно)
любое 1

2.3. СВЯЗЬ МЕЖДУ БУЛЕВЫМИ ФУНКЦИЯМИ ДВУХ

ПЕРЕМЕННЫХ

Шесть из приведённых в таблице 2.3 функций не зависят от аргументов X] или (или от обоих вместе) [2] :

Уо = 0 - константа нуля;

у is = 1 - константа единицы;

Уз = ху у5 = х2 - функции повторения;

Ую = х2 У12 = X; - функции отрицания.

Из оставшихся десяти функций две y4, yn отличаются от соответствующих им y3, y13 лишь порядком следования символов аргументов (крайние аргументы имеют одинаковое значение, а средние взаимно-обратное). Поэтому эти функции не являются самостоятельными.

Таким образом, из 16 булевых функций двух переменных только восемь являются ортогональными :

В.И. Кириллов А.А. Старченко - Логика. Учебник для юридических вузов>
Из таблицы 2.3 видно, что между функциями имеются зависимости

Уі ~ Уі5-і (і=0,5) .
Из этих зависимостей следует, что любая функция двух переменных (включая константы) выражается в аналитической форме через совокупность шести функций, содержащих отрицание х, и любую функцию каждой их пары :

{Уо’Уіз}’ {Уі >Уі4}>{У2> У в }>{Уб>У9}>{У7>У8} ¦ Например, такой совокупностью могут служить функции:

- константа 0;

- конъюнкция;

- импликация;

- эквиваленция;

- дизъюнкция;

- отрицание.

у0 = о

Уі = X; Х2 У13 = X] ->Х2

y9=zxI~x2

= Xj_ VX2 _

У12= x1,y10= Х2

Выбранная таким образом совокупность шести функций является избыточной, т.к. импликация и эквиваленция выражается через остальные функции этой совокупности:

В.И. Кириллов А.А. Старченко - Логика. Учебник для юридических вузов>
Для доказательства этого достаточно построить таблицу соответствия и сравнить ее с таблицей 2.3.
Таблица 2.4

Таблица соответствия булевых функций импликации и эквиваленции
Хі 00 11 Название
Х2 0 10 1 функции
Хі 1100
Х2 10 10
Х]?Х2 110 1 Xj }х2
Xj V х2 10 11
(Х! V Х2)( XjVX2) 100 1 Х]~х2
Таким образом, комплект элементарных функций сокращается до четырёх:

Уо = о Уі =Х]Х2 У? = X] ?х2 xh х2

константа 0; конъюнкция; дизъюнкция; отрицание.

Этот комплект обладает существенными удобствами и часто применяется на практике, но и он может быть сокращен. Так, из законов де Моргана и свойства двойного отрицания вытекают тождества:

XjW х2= XjX2 ,

XjX2 - Xj V х2 .

Отсюда следует, что булевы функции двух переменных выражаются

через:

хпх2 —отрицание X; ? х2 — дизъюнкция

х])х2 -отрицание X] л х2 — конъюнкция

либо

Более того, для записи любой булевой функции достаточно только одной из двух элементарной функций:

у8 - стрелки Пирса или у14- штриха Шефера.

2.4. ВЫСКАЗЫВАНИЯ И ЛОГИЧЕСКИЕ ОПЕРАЦИИ НАД НИМИ

Высказывание - это утверждение, которое принимает два значения: 0 -ложь и 1 - истина.

Причем необходимо отметить, что значения "ложь" и "истина" толкуются в широком смысле, например, с помощью этого высказывания можно устанавливать наличие 1 - "истина" или отсутствие 0 -"ложь" чего-либо: движения ( вращается или нет шпиндель станка ), материального объекта ( есть или нет подачи СОЖ ) и т.д.

Булевы функции можно рассматривать как логические операции над какими-то высказываниями, которые могут обозначаться различным образом, например, с помощью букв А, а. В, b, х, у и т.п.

Основными логическими операциями, как видно из ранее рассмотренного, являются:

1. Отрицание (техническое название НЕ), обозначающееся как —.

2. Дизъюнкция, или логическое сложение (техническое обозначение ИЛИ), обозначающееся "?".

3. Конъюнкция, или логическое умножение (техническое обозначение И), обозначающееся "л".

Наиболее просто эти операции определяются с помощью таблиц истинности.

Таблица истинности отрицания

Таблица истинности конъюнкции

Таблица 2.5
X 0 1
X 1 0
Таблица 2.6
X; 0 0 1 1
х2 0 1 0 1
У=Х]Л х2 0 0 0 1
Таблица 2.7

Таблица истинности дизъюнкции
Хі 0 0 1 1
Х2 0 1 0 1
У=Х] ?х2 0 1 1 1
Выражения, состоящие из букв, соединенных с помощью символов логических операций, называются логическими формулами, например (а ? Ъ) л с = z.

С помощью логических формул из простых высказываний, относящихся к одному множеству, формируют составные высказывания,

относящиеся к нескольким множествам. Например, составное высказывание:

Г 1 - аварийная ситуация остановки вращения шпинделя ,

I 0 - аварийной ситуации нет, станок нормально работает, шпиндель вращается

можно представить с помощью простых высказываний и логических операций над ними:

_ J 1 - произошла поломка режущего инструмента,

1 0 - поломки режущего инструмента нет;

^ _ Г 1 - усилие резания в норме,

| 0 - усилие резания близко к максимальному;

В.И. Кириллов А.А. Старченко - Логика. Учебник для юридических вузов>


износ инструмента максимален, но на качестве обработки это пока не сказывается, износ инструмента в норме,

В.И. Кириллов А.А. Старченко - Логика. Учебник для юридических вузов>


(2.8)

Составное высказывание z - аварийная остановка вращения шпинделя в этом случае интерпретируется с помощью простых высказываний: с - износ инструмента превысил норму, но это пока сказывается на качестве обработки, однако приводит к повышению усилия резания выше нормы Ь, а вместе эти два фактора, т.е. связанные логической операцией конъюнкции "И" - с, b, приводят к высказыванию аварийной остановки. В это сложное высказывание входит в любом случае высказывание а - произошла поломка режущего инструмента, т.е. случилась ли ситуация с л b или ситуация а -станок должен быть остановлен.

Аналогичным образом могут быть получены и более сложные составные высказывания.

2.5. НЕОДНОРОДНЫЕ ФУНКЦИИ И ПРЕДИКАТЫ

Неоднородные функции имеют аргументы, которые могут принимать значения из различных множеств, однако множество значений неоднородной функции одно.

Важной разновидностью неоднородных функций является предикат -двузначная n-местная неоднородная функция. Предикат принимает одно из двух значений 0 - "ложь" и 1 - "истина".

Например, предикат P(xj, x2, ..., xn) является n-местным (п аргументов xj, x2,..., xn) предикатом, принимающим значения 0 или 1 в зависимости от значений аргументов. Причем значения x1, x2, ... могут быть любыми: принимать дискретные числовые значения 1, 2, 3,,..., непрерывно изменяться в каком-то диапазоне 0.5 - 2.8 и т.п.

Типичным примером предиката является запись какого-либо условия в программе работы ЭВМ:

IFSIN(x)<0 THENy=1 ELSEy=0, означающий, если SIN(x)<0, то у=1, иначе у=0.

Другим примером технической реализации предикатов являются различные механические упоры, путевые электрические выключатели и т.п. Пока, например, суппорт станка не наедет на путевой выключатель, его выходной сигнал 0, в противном случае 1. Такого рода предикаты изменяют свое значение при изменении аргумента и выходе его значения из какой-то области.

Оба рассмотренных выше примера относятся к одноместным (один аргумент) двузначным предикатом (значение 0 и 1).

В общем случае одноместный предикат Р(х) задаёт некоторое свойство элементов множества М и вполне определяется подмножеством тех объектов, на которых он принимает значение 1 - "истина", что иллюстрируется рис.2.1.

В.И. Кириллов А.А. Старченко - Логика. Учебник для юридических вузов>
Р(х) vQ(x) P(x)aQ(x)
В.И. Кириллов А.А. Старченко - Логика. Учебник для юридических вузов>
Рис.2.1. Геометрическая интерпретация операций над предикатами (область истинных

значений заштрихована)
P(x)->Q(x) P(x)~Q(x)

Множество объектов, на которых предикат Р(х) принимает значение "ложно", соответствует дополнению множества Р (см. рис.2.1).

Подмножество, на котором предикат Р(х) принимает значение "истина", называется характеристическим множеством.

Пусть на М определены два предиката Р(х) и Q(x), характеристическими подмножествами которых являются соответственно множества Р и Q. Рассматривая предикаты как двузначные функции, можно с помощью операций алгебры логики строить новые одноместные предикаты на множестве М.

Конъюнкция Р(х) и Q(x) - это предикат R(x) =P(x)aQ(x), который истинен для тех и только тех объектов из М, для которых оба предиката Р(х) и Q(x) истинны. Характеристическим множеством предиката Щх) является пересечение Pfl 10-

Подобным образом вводятся и другие логические операции дизъюнкции, импликации и др.

2.6. ЗАКОНЫ И ТОЖДЕСТВА БУЛЕВОЙ АЛГЕБРЫ

Неформально под булевой алгеброй понимают совокупность всех булевых функций. Причем зачастую на практике ограничиваются тремя булевыми функциями И, ИЛИ, НЕ. В булевой алгебре выполняются следующие законы и тождества:

1. Идемпотентность

2. Коммутативность

3. Ассоциативность

4. Дистрибутивность
В.И. Кириллов А.А. Старченко - Логика. Учебник для юридических вузов>
5. Универсальность верхней и нижней границы
6. Закон де Моргана
В.И. Кириллов А.А. Старченко - Логика. Учебник для юридических вузов>

2.7. ДВОЙСТВЕННОСТЬ И РАВНОЗНАЧНОСТЬ ФОРМУЛ БУЛЕВОЙ

АЛГЕБРЫ

В булевой алгебре взаимно двойственными операциями [2] являются дизъюнкция и конъюнкция. Заменяя в некоторой формуле ср (х],х2, ...,Ху) каждую операцию на двойственную ей, получаем двойственную формулу q>* (xj, х2, Ху). Например:

(р = x(yv z(uv v)) , (2.15)

(р* = xv(yzv(uv)) . (2.16)

Двойственная формула может быть получена также из исходной замещением каждой переменной её отрицанием. Таблица соответствия двойственной формулы получается заменой значений аргументов в исходной функции на противоположные, т.е. О заменяется на 1 и наоборот.

Формула (р (хh х2, xj и формула <р** (хи х2, Ху) называются равносильными, если они равны (р=(р** на одинаковых и любых наборах их аргументов хи х2, ..., хп.

Причем, если две формулы равносильны, то двойственные им формулы также равносильны.

Указанные положения позволяют в ряде случаев упростить логические формулы или их преобразование.

2.8. НОРМАЛЬНЫЕ ФОРМЫ

Дизъюнктивной нормальной формой (ДНФ) называется [2] дизъюнкция конечного числа различных членов, каждый из которых представляет собой конъюнкцию отдельных переменных или их отрицаний, входящих в данный член не более одного раза, например

В.И. Кириллов А.А. Старченко - Логика. Учебник для юридических вузов>


Конъюнктивной нормальной формой (КНФ) называется конъюнкция конечного числа различных членов, каждый из которых представляет собой дизъюнкцию отдельных переменных или их отрицаний, входящих в данный член не более одного раза, например

В.И. Кириллов А.А. Старченко - Логика. Учебник для юридических вузов>


Приведение булевых формул к нормальной форме проводится следующим образом:

1. С помощью законов де Моргана (2.14) формула преобразуется к такому виду, чтобы знаки отрицания относились только к отдельным переменным.

2. На основе первого или второго дистрибутивного законов (2.12) формула сводится к дизъюнкции конъюнкций или конъюнкции дизъюнкций.

3. Полученное выражение упрощается в соответствии с тождествами идемпотентности (2.9) и универсальности верхней и нижней границ (2.13).

Для примера рассмотрим преобразование формулы

(ху ? yz) ха

к ДНФ.

С помощью законов де Моргана (2.14) преобразуем конъюнкцию последних двух членов (2.17) к следующему виду:

ха = х? а ,

подставив в (2.17) выражение (2.18), получим

(xyvyz)(xva) .

Раскрыв вторые скобки, найдем

(xyvyz)xv(xyvyz)а ,

преобразуем это выражение еще раз, раскрыв оставшиеся скобки

хху ? yxz vaxy vayz .

Упростив полученное выражение за счет первого его члена, к которому применим законы идемпотентности (2.9), запишем:

. xyvyxzvaxyvayz . (2.20)

Полученное выражение является дизъюнктивной нормальной формой - ДНФ.

Выражение (2.17) можно преобразовать также к КНФ, при этом оно предварительно приводится к виду (2.19). Обозначим в первой скобке член yz=b , при этом выражение (2.17) примет вид

ху?Ь-хлу?Ь-(хлу)?Ь .

Применив к этому выражению второй закон дистрибутивности (2.12) получим

(хлу)?Ь = (х?Ь)л(у?Ь) , и сделав обратную подстановку b =yz, запишем :

(xvyzj(yvyz) .

Применив к скобкам этого выражения второй закон дистрибутивности, преобразуем последнее выражение к виду

(х? yz)(yv yz) = (xv y)(xv z)(yv y)(yv z) , подставив это выражение в (2.19) вместо первой скобки, запишем :

(х? у)( xvz)(yvy)(yvz)(xva) ,

с учетом того, что у ? у = 1, окончательно получаем

Полученное выражение является конъюнктивной нормальной формой. Если исходная формула содержит другие операции, то перед преобразованием они предварительно выражаются через дизъюнкцию, конъюнкцию и отрицание.

2.9. СОВЕРШЕННЫЕ НОРМАЛЬНЫЕ ФОРМЫ

Если в каждом члене нормальной формы представлены все переменные либо в прямом, либо в инверсном виде, то она называется совершенной нормальной формой [2].

Доказано, что любая булева функция имеет одну и только одну совершенную дизъюнктивную (СДНФ) и конъюнктивную (СКНФ) нормальную форму.

Например:

XjX2X3 V XjX2X3 V XjX2X3 -СДНФ,

(Xj v x2)(xl v x2) - СКНФ .

Если какой-нибудь член ф дизъюнктивной или конъюнктивной нормальной формы не содержит какой-либо переменной х} то она вводится тождественным преобразованием.

В СДНФ

В.И. Кириллов А.А. Старченко - Логика. Учебник для юридических вузов>


В.И. Кириллов А.А. Старченко - Логика. Учебник для юридических вузов>


В СКНФ

В.И. Кириллов А.А. Старченко - Логика. Учебник для юридических вузов>


Правильность такого преобразования основывается на следующем свойстве:

В.И. Кириллов А.А. Старченко - Логика. Учебник для юридических вузов>


х?х = 1 хх = О

что подтверждается таблицей истинности

Таблица 2.8

Таблица истинности булевых функций х ?х , хх

X 0 1
X 1 0
X V X 1 1
X X 0 0
На основании же свойств универсальности верхней и нижней границы

В.И. Кириллов А.А. Старченко - Логика. Учебник для юридических вузов>


(2.13)

В качестве примера приведения формул к совершенной форме рассмотрим два случая:

Привести к СДНФ

х1х2 V х1х2х3 .

Воспользуемся (2.22)

XjX2 (x3vx3)v XjX2X3 = Х1Х2Х3 V XjX2X3 V XjX2X3 .

Привести к СКНФ

;2)х, .

Воспользуемся (2.23)

(Xj V X2)Xj V Х2Х3 = (Xj V X2)(xI V x2x2) ,

последняя скобка в соответствии со вторым законом дистрибутивности (2.12) равна

(Xj V Х2Х3) = (х3 V X2)(Xj ? х2) ,

с учетом чего окончательно получаем СКНФ

(xI VX2)(Xj vx2)(x1 VX2) = (Xj VX2)(Xj vx2) .

2.10. КОНСТИТУЕНТЫ И ПРЕДСТАВЛЕНИЕ ФУНКЦИЙ

Конституентой единицы К6 называют конъюнкцию, содержащую все переменные х}, х2, х3,..., хп или их инверсии, которая обращается в единицу лишь на одном выборочном наборе переменных.

Конституентой нуля ІС называют дизъюнкцию, содержащую все переменные х} ? х2 ? х3,..., хп или их инверсии, которая обращается в нуль лишь на одном выборочном наборе переменных [2].

Например, конституенте единицы

Ке = х,х2х3х4 (2.25)

соответствует набор 10 11. .

При этом наборе в К6 входят только 1, что и обеспечивает Xе=1, при других значениях переменных Xе=0, т.к. в наборе К6 появляются нули вместо какой-либо переменной.

Конституенте нуля

Кн = Xj ? х2 ? х3 ? х4 (2.26)

соответствует набор 10 01.

При этом наборе в К* входят только 0, что обеспечивает ІС=0, при других значениях переменных ІС=1, т.к. в наборе /С появляются единицы на месте какой-либо переменной.

Так как булева функция, представленная в СДНФ Ісднф(хірс2рс3,...рсг) , является дизъюнкцией конституент единицы К* , т.е.

(2.27)

f СДНФ (Х1 ’ Х2 ’ Х3 ’ • • • ’ Хп ) ~~ К] V К2 ?... Кп

то она обращается в единицу только при наборах значений переменных, соответствующих конституентам единицы, а на остальных наборах значений эта функция обращается в нуль.

Появление в (2.27) вместо любой 7^=7 приводит к

/сднф(хі,х23, ...,хп)=1.

Булева функция, представленная в СКНФУСлнф(хьх23,...,хп), является конъюнкцией конституент нуля К*, т.е.

(2.28)

/скнф(хі’х2>хз’--->хп) = кі ?К"2?...К,

и она обращается в нуль только при наборах значений переменных, соответствующих конституентам нуля, а на остальных наборах значений эта функция принимает значение единицы.

Справедливо и обратное утверждение, на котором основан способ представления в виде формулы любой булевой функции, заданной в виде таблицы.

Для представления булевой функции в СДНФ необходимо записать дизъюнкции конституент единицы, соответствующих наборам значений переменных, на которых функция принимает значение, равное единице.

Для представления булевой функции в СКНФ необходимо записать конъюнкцию конституент нуля, соответствующих наборам значений переменных, на которых функция принимает значение, равное нулю.

Пусть, например, функция у задана таблицей 2.9 истинности,

Таблица 2.9

имеет следующие конституенты: единицы
В.И. Кириллов А.А. Старченко - Логика. Учебник для юридических вузов>
и может быть представлена в следующих совершенных нормальных формах fсднФ — УсднФ = Kj ? К2 ? К3 = хгх2х3 ? XjX2x3 ? х3х2х3 , , (2.29)
Таблица истинности булевой функции
X] 00 00 11 11
Х2 00 11 00 11
Хз 0 1 0 1 0 1 0 1
У 0 1 1 0 1 0 00
f —м — YH YH YH YH YH

(2.30)

J СКНФ ~ У СКНФ ~

(XjVX23)(х, ?х23)(х, ?х2)П П(Х; ?х23)(х, ?х23).

Как видно из рассмотренного примера, для практической реализации нужно брать ту совершенную форму СДНФ или СКНФ, которая содержит меньше конституент, т.к. это позволяет реализовать логическое устройство с меньшим количеством элементов.

2.11. СИНТЕЗ КОМБИНАЦИОННЫХ СХЕМ Комбинационной (логической) схемой называют техническое устройство, реализующее булевы функции, имеющие п входных и т выходных цепей, и служащее для преобразования дискретной информации.

Первыми и самыми простыми комбинационными схемами были контактные схемы, состоящие из параллельно и последовательно соединенных электрических ключей, реализующих элементарные булевы функции и предназначенных для коммутации (замыкания или размыкания) электрических цепей. Управление такими ключами производится вручную человеком, электромагнитным реле, другими механизмами. Например, конечный выключатель включается или выключается при наезде на него суппорта станка. Управляющее воздействие ключей имеет два состояния: 1 -воздействие есть, например, кнопка ключа нажата;

О - воздействия нет, например, кнопка ключа отпущена. Если в исход-. ном состоянии ключ разомкнут, то при нажатии кнопки он замыкается -это ключ с нормально разомкнутыми контактами (он обозначается х). Ключ с нормально замкнутыми контактами при нажатии кнопки размыкается, поэтому такие ключи обозначаются инверсией х.

Цепь, состоящая из ключей и реализующая булеву функцию, имеет также два состояния: 1 - цепь замкнута; 0 - цепь разомкнута. Элементы, реализующие элементарные булевы функции, называются логическими элементами. В таблице 2.10 приведены некоторые логические и контактные элементы, реализующие основные булевы функции.

Логические элементы, реализующие булевы функции

Таблица 2.10
Название

функции
Обозначение

функции
Контактная

схема
Графическое

изображение

элемента
Название

элемента
Отрицание X ' ¦SJ—

X
X 1 X Инвертор
Конъюнкция ху _і'_І'_

X У
X

У
& ху Совпадение,

логическое

И
Дизъюнкция х?у * >L_

-

У
X

У
1 х?у Разделение,

логическое

ИЛИ
Стрелка

Пирса
X V у

X у
—5 !чг?

t У
X

У

X

У
1

• &
х?у

ж
Логическое

ИЛИ-НЕ

совпадение с

двумя

запретами
Штрих

Шеффера
ху

XV у
п

>
X

У

X

У
&

1
1W

х?у
Логическое

И-НЕ

разделение с двумя запретами
Например, составное высказывание (2.8) "z = (с b) v a - аварийная остановка" реализуется комбинационной контактной схемой, показанной на рис.2.2:

В.И. Кириллов А.А. Старченко - Логика. Учебник для юридических вузов>


где а - контакт, фиксирующий поломку режущего инструмента, воздействие на который равно 1 при поломке инструмента

‘У\

_ (воздействие есть и ключ

Рис.2.2. Контактная схема, реализующая функцию (с л Ь) ?а

при этом замыкается) и О, если состояние инструмента в норме (воздействия нет и ключ разомкнут);

b - контакт, фиксирующий усилие резания (1 - норма, 0 - близко к максимальному);

с - контакт, фиксирующий износ инструмента (1 - износ максимален, но на качество обработки пока не сказывается, 0 - износ в норме).

Контактная схема замкнута при z=1, это аварийная ситуация, приводящая к остановке вращения шпинделя. Когда г=0, схема разомкнута, аварийной ситуации нет, шпиндель вращается,и происходит обработка заготовки.

Рассмотренное высказывание может быть реализовано и с помощью логических элементов (см. таблицу 2.10). Такое устройство называется логической комбинационной схемой и представляется в виде, показанном на рисунке 2.3.

Построение логических комбинационных схем проводится в соответствии со следующими правилами:

Рис.2.3. Логическая комбинационная схема 7 реализующая функцию (с л Ь) ?а

1. Не допускаются замкнутые контуры, которые могут привести к неоднозначности сигналов на входах элементов.

2. Любой вход элемента должен быть связан только с

одним входом схемы или одним выходом другого элемента.

3. Выходы элементов, не являющиеся выходами схемы и не связанные со входами других элементов, считаются лишними и исключаются из схемы.

В.И. Кириллов А.А. Старченко - Логика. Учебник для юридических вузов>


В настоящее время кроме контактных логических элементов существует много других различных устройств, реализующих элементарные булевы функции. Их принцип работы основан на использовании магнитных цепей, реализуется в гидравлических, пневматических и других устройствах и механизмах. Однако самыми распространенными сейчас являются электронные логические элементы, в которых логическая 1 -высокое напряжение (5В, 15В, 27В и т.д.), а логический 0 - низкое напряжение (0.3В, 0.5В и т.д.). Рассмотрим методику синтеза логической комбинационной схемы на примере устройства управления роботом, находящегося в составе робототехнического комплекса, состоящего из токарного Рис.2.4. Схема робототехнического станка, робота и кассе- комплекса

ты-накопителя, схематично изображенного на рис. 2.4.

Робот Р осуществляет подачу в патрон 77 шпинделя станка заготовок из кассеты К и передачу в кассету К из патрона 77 обработанных деталей.

При этом выделяются следующие переменные :

В.И. Кириллов А.А. Старченко - Логика. Учебник для юридических вузов>


- захват робота раскрыт, (2.31)

- захват робота закрыт;

- рука робота в положении у шпинделя, (2.32)

- рука робота в положении у кассеты;

- в патроне шпинделя находится деталь, (2.33)

- патрон шпинделя пустой.

С помощью этих переменных формируются следующие значения логической функции управления роботом :

у1 - движение руки робота к кассете без детали; у2 - захват детали или заготовки; у3 - перенос детали или заготовки.

Таблица соответствия для переменных а, b, с и функции управления роботом имеет вид

Таблица 2.11

Таблица соответствия логических функций управления роботом
а 00 00 11 11
Ъ 00 11 0 0 11
с 0 1 0 1 0 1 0 1
Уі 1 0 00 00 00
У2 0 1 1 0 00 00
-Ж_ 00 00 0 1 1 0
Для дальнейшего синтеза необходимо записать функции у1, у2, у3 либо в СДНФ, либо в СКНФ. Рациональнее сделать запись в СДНФ, т.к. эта функция содержит конституенты единиц, которых в данном случае меньше.

Щ = abc - движение руки робота к кассете без детали ,

К2 = abc - захват детали из патрона шпинделя ,

К] = аЪс - захват заготовки из кассеты ,

К4 - аЪ с - движение руки робота с деталью от шпинделя к кассете,

Щ = abc - движение руки робота с заготовкой от кассеты к шпинделю .

На основании таблицы соответствия получаем :

у2 - К] =abc,

у2 = Ке2 ? Ке3 -abcv abc ,

у3е4?Щ =abcv abc .

Функция y3 реализуется комбинационной логической схемой, показанной на рис.2.5.

В.И. Кириллов А.А. Старченко - Логика. Учебник для юридических вузов>
Рис. 2.5. Комбинационная логическая схема, реализующая функцию уз - перенос детали

2.12. ЗАДАЧИ И УПРАЖНЕНИЯ

2.12.1. ОПИСАНИЕ РАБОТЫ УСТРОЙСТВ С ПОМОЩЬЮ БУЛЕВЫХ ФУНКЦИЙ. СВОЙСТВА БУЛЕВЫХ ФУНКЦИЙ

1. Запишите условие подачи СОЖ в виде логической формулы

1 - СОЖ подается,

О - СОЖ не подается,

используя следующие переменные:

1 - шпиндель станка вращается , а = \ л

О - шпиндель не вращается ;

_ Г 1 - есть поперечная подача,

-1 0 - поперечной подачи нет;

_ J 1 - есть продольная подача, с ~ 1 0 - продольной подачи нет.

2. Запишите условие поворота резцедержки в токарном станке с УЧПУ в виде логической формулы

Г 1 - поворот резцедержки разрешен,

| 0 - поворот резцедержки запрещен,

используя следующие переменные:

_ Г 1 - идет операция обработки заготовки , а ~ 1 0 - операция обработки закончена ;

^ _ Г 1 - обработка детали закончена,

| 0 - идет обработка заготовки;

1 - в следующей операции необходим новый с - , режущий инструмент,

О - следующая операция выполняется тем же ^ режущим инструментом.

3. Какие булевы функции реализуют:

а) последовательно соединенные предохранительная муфта и кулачковая,

б) параллельно соединенные две кулачковые муфты, считая, что функция, характеризующая передачу движения от двигателя через муфты на механизм, равна 1 при передаче движения и 0 - в противоположном случае. Переменные этой функции принимают значение 1 при передаче через муфты движения и 0 - в противоположном случае.

4. Покажите правомерность (2.6) и (2.7) с помощью таблицы соответствия.

5. Покажите с помощью таблицы соответствия, что для записи любой булевой функции достаточно только одной из двух элементарных функций -стрелки Пирса или штриха Шеффера (см. таблицу 2.3). Это вытекает из следующих соотношений :

Х=Х'1х = х/х ,

XjX2 = (хІ2)/(хІ / х2) ,

x1vx2=(x1'lx2)'l(x1'lx2) .

6. Аналогично (2.8) и используя те же переменные, запишите в виде логической формулы условие - станок работает нормально.

7. Запишите таблицы соответствия для следующих булевых функций:

а) xzvyz ;

б) (х^> у)~ (xvy) ;

в) (х v у)(у—>¦ z)v х ;

г) (х —> yz) ? ху ;

д) (xiy)/(x<-z) .

8. Найдите значение каждой из следующих булевых функций при xj=l,

х2=0, х3=0, х4=\ \

а) (х, ? х23 ? х4 ;

б) (XjX2 —> х34 ;

в) х4х2 —> (х2 ~ х3) ;

г) (xj іх2)/(х2 іх4) .

9. Покажите, что приведенные ниже формулы являются тождественными единицами (на любых наборах значений переменных равны единице):

а) х(х-*у)->у\

б) (х-> (у~+ z))-> (ху-+ z);

в) (х-> у) (z-> у) ~ (xz-> у);

г) (х ~ у) ~ (х-> у) (у-> х).

2.12.2. ПРЕОБРАЗОВАНИЕ БУЛЕВЫХ ФУНКЦИЙ, ПРИВЕДЕНИЕ ИХ К НОРМАЛЬНЫМ И СОВЕРШЕННЫМ НОРМАЛЬНЫМ ФОРМАМ

1. С помощью таблиц соответствия покажите правильность тождеств булевой алгебры (2.9) - (2.14), приведенных в п.2.6.

2. Путем преобразования булевых функций докажите справедливость следующих равносильностей:

а) (х vy)(z vu) =xz vyz vxu vyu\

б) xy vzu = (x vz)(y vz)(x vu)(y vu),

проверьте правильность преобразований с помощью таблиц соответствия.

3. Приведите к нормальным формам следующие функции:

а) xvyz(xvz)=...= х{у vz)(х vz) ; КНФ

б) x->(x~z)(y-*z)vx-*z=...= xyz v xz ; ДНФ

в) ((*1 Х2 ) ?х2) —> х2х3 =...= (Xj vx2 vx3)x4 ; КНФ Г) ((*! ->Х2) ?х2) —> х2х3 =...= (xtx3) ?(х2х3) ?х3 ;ДНФ

д) ху ха ? yz ха =... = ху v хуа ? yzx v yza ; ДНФ 7

проверьте правильность преобразований с помощью таблиц соответствия.

4. Для упрощения формул часто используются равносильности:

а) х ?ху = х;

б) х ? ху = х х/у;

в) х ?ху = х ?у;

запишите двойственные а), б), и в) соотношения и докажите с помощью таблиц соответствия их справедливость.

5. Докажите, что выражения (2.15) и (2.16) являются двойственными , построив для них таблицы соответствия.

6. Преобразуйте приведенные ниже функции к совершенной форме, введя недостающую переменную х4:

а) к СКНФ X] ?х2 ?хз,

б) к С ДНФ Х]Х2х3.

7. Приведите к совершенным нормальным формам найденные в задаче 2.12.2.3 нормальные формы следующих функций:

а) кСДНФ x(yvz)(xvz) = ...=

=(х ? yv z)(x v yv z)(x v у v z)(x v у v z)(x v у v z)(xv yv z);

б) к СКНФ xyz vxz =...= xyz vxyz vxyz ;

в) к СКНФ (Xj vx2 vx3)x3 = ... =

= (x, vx2 vx3)(xj vx2 v x3)(xj vx2 vx3)(x} vx2 vxj ;

В.И. Кириллов А.А. Старченко - Логика. Учебник для юридических вузов>


2.12.3. СИНТЕЗ КОМБИНАЦИОННЫХ ЛОГИЧЕСКИХ СХЕМ

1. Покажите с помощью таблиц соответствия, что:

а) конституента единицы К, описываемая (2.25), примет значение К =1 только на наборе значений переменных 1011;

б) конституента нуля К, описываемая (2.26), принимает значение К = 0 только на наборе значений переменных 1001.

2. Используя обозначения (2.31) - (2.32), запишите логические функции, описывающие работу робота, обслуживающего станок (см. рис. 2.4) в СКНФ:

а) функцию y1 движение руки робота к кассете без детали;

б) функцию у2 - захват детали или заготовки;

в) функцию у3- перенос детали или заготовки.

3. Используя обозначения (2.31) - (2.33), синтезируйте комбинационные логические схемы, формирующие сигналы управления роботом, обслуживающим станок (см. рис. 2.4):

а) у4- захват деталей или заготовок и их перенос;

б) у5- движение руки робота;

в) У6 - рука робота неподвижна;

г) у7 - захват детали и ее перенос;

д) у8- захват заготовки и ее перенос.

Синтез провести на элементах И, ИЛИ, НЕ.

4. Синтезируйте комбинационные логические схемы, реализующие функции управления роботом (см. рис. 2.4), т.е. функции у1 - у8, указанные в задачах 2.12.3.2 - 2.12.3.3 на основе элементов:

а) И - НЕ;

б) ИЛИ - НЕ;

в) контактных схем.

3. ДИСКРЕТНЫЕ АВТОМАТЫ

3.1. ОСНОВНЫЕ ОПРЕДЕЛЕНИЯ

Дискретный автомат можно охарактеризовать как устройство, имеющее входной и выходной каналы и находящееся в каждый из дискретных моментов времени, называемых тактовыми моментами, в одном из состояний [З]. В том случае, когда устройство принимает состояния из конечного множества, автомат называется конечным. При этом, как правило, входные и выходные переменные принимают значения из конечных множеств. В общем случае выходные переменные могут зависеть от значений входных переменных не только в данный момент, но от их предыдущих значений. Иначе говоря, значение выходных переменных определяется последовательностью значений входных переменных, в связи с чем схемы с такими свойствами называют последовательными.

Особое внимание заслуживают конечные автоматы, входные и выходные переменные которых представляют собой двоичные коды, а зависимость между ними выражается булевыми функциями. Их значение обусловлено тем, что любая информация может быть представлена в двоичных кодах (двоично-десятичные коды чисел, телетайпный код в технике связи, двоичное представление информации при обработке ее в электронных вычислительных машинах, устройствах числового программного управления и т.п.). В то же время при технической реализации автоматов используются преимущественно двоичные элементы и двузначная логика.

В реальных условиях сигналы представляются непрерывными функциями времени, поэтому для их надежного различения требуется, чтобы новые значения на входах автоматов появлялись после окончания переходных процессов, связанных с предыдущими значениями. При рассмотрении логической структуры автоматов обычно отвлекаются от существа этих процессов и считают, что переменные изменяются не непрерывно, а мгновенно в некоторые моменты времени, называемые тактами. Интервалы между тактами могут быть различными, но без потери общности их можно считать равными At. Предполагается, что тактовые моменты th+1 =th+At определяются синхронизирующими сигналами. Таким образом, вводиться понятие дискретного автоматного времени th (h= 1,2,3...), причем переменные зависят не от физического времени, а от номера такта, т.е. вместо непрерывной функции x(t) рассматриваются ее дискретные значения x(h).

Кроме входных и выходных переменных, в автомате можно выделить некоторую совокупность промежуточных переменных, которые связаны с внутренней структурой автомата и характеризуют его внутренние состояния.

Отсюда ясно, что последовательные автоматы должны обладать способностью сохранять предыдущее состояние до следующего такта, в связи с чем их называют также автоматами с памятью, или последовательными машинами. В качестве памяти могут использоваться элементы задержки, на выходах которых повторяются входные воздействия со сдвигом во времени на интервал между тактами At. Широко применяются и различные запоминающие элементы, например, электромеханические устройства, способные сохранять состояние на выходах до тех пор, пока оно не изменится в результате воздействия на их входах [З].

3.2. ФОРМАЛЬНОЕ ОПРЕДЕЛЕНИЕ КОНЕЧНОГО АВТОМАТА Конечным автоматом М (математической моделью реального автомата, обладающего различной физической природой) называется набор из пяти объектов [2,4]

M={X,S,Y,<p,v} ,

где

Х={х0,ххп} -входной алфавит (конечный набор входных

символов (букв);

S = {s0, ssj - множество внутренних состояний;

Y = {уо, уі,...,ут} - выходной алфавит (конечный набор выходных

символов (букв);

(р: S*X-> S - функция переходов ( в следующее состояние);

?: S*X—» Y - функция выходов.

Тем самым конечный автомат математически описывается тремя множествами X, S, Y и двумя функциями ф, ?. Действие его состоит в том, что он воспринимает последовательность входных переменных (символов или букв алфавита X) и затем формирует последовательность выходных символов (букв алфавита Y). Причем работа конечного автомата происходит последовательно.

Предположим, что конечный автомат М в начале своей работы находится во внутреннем состоянии s(h), при действии на его входе символа x(h) функция выходов на паре (x(h), s(h)) принимает значение v(x(h), s(h}), что обеспечивает выдачу на выходе автоматам символа у (h), т.е.

y(h)=v(x(h),s(h)) .

Затем на этой же паре (x(h), s(h)) функция переходов принимает значение y(x(h), s(h)), которое является следующим внутренним состоянием автоматаМ, т.е.

s(h + 1)=у/(x(h), s(h)) .

При поступлении на вход автомата М следующего входного символа, М выдает выходной символ исходя из пары, состоящей из текущего входного символа и полученного в предыдущем такте работы внутреннего состояния, переходя в следующее внутреннее состояние и т. д.

где X - пустое слово.

Итак, функционированием конечного автомата называется тернарное отношение на множестве X *S *7 ;

Таким образом, в общем случае конечный автомат может быть представлен в виде структурной схемы, изображенной на рис.3.1.

Комбинационная схема реализует функции выходов ? и переходов у/, а память сохраняет на один такт h (т.е. время At) предыдущее состояние s(h) конечного автомата М.

Конечные последовательности символов из алфавитов X, Y, S называются соответственно входными, выходными словами и словами состояний.

Если на вход автомата

М поступает слово ап длиной п, то оно перерабатывается в выходное слово y(s, ап) и слово состояний s(s, ап), т.е.

x(hl,

s(h) _

x(h^ s(h+1)

Комбинационная

схема

Память

Рис.3.1. Структурная схема конечного автомата
В.И. Кириллов А.А. Старченко - Логика. Учебник для юридических вузов>
В.И. Кириллов А.А. Старченко - Логика. Учебник для юридических вузов>


Отношение (3.4) показывает, как автомат, находясь в начальном состоянии s, перерабатывает входные слова ап в выходные слова y(s, ап) и слова состояний s(s, ап).

Таким образом, функционирование автомата это математическая модель, отображающая физические или абстрактные явления самой разнообразной природы. Такая модель автомата успешно используется в различных областях знаний: психологии и физиологии (исследование нервной системы человека и простейших видов поведения животных), в лингвистике (анализ синтаксиса различных языков, расшифровывание рукописей), в практике административного управления и т.п. В технике подобные модели автоматов применяются при проектировании ЭВМ, систем управления и связи. В качестве конечного автомата может быть рассмотрена система "устройство ЧПУ - станок", работа отдельных элементов автоматического производства: (автоматического склада, транспортного робота, обслуживающего станки) и станков: магазинов деталей и инструментов, револьверных головок, различных механизмов передачи движений (например, автоматических коробок скоростей), устройств автоматики и т.п. Универсальность теории автоматов позволяет рассматривать с единой точки зрения различные объекты, устанавливать связи и аналогии между ними, переносить результаты из одной области в другую.

3.3. ТАБЛИЧНЫЕ СПОСОБЫ ЗАДАНИЯ КОНЕЧНОГО АВТОМАТА

Для задания конечного автомата необходимо определить его входной Х и выходной У алфавиты, множества S внутренних состояний, функции выходов v и переходов ф. При этом используются словесные описания, таблицы, графы, матрицы и пр.

Элементы множеств X, S, Y часто нумеруют порядковыми числами, начиная с нуля, например :

X = {0,1,2,3} , 5 = {0,12,3} , Y={0,1} ,

обозначают символами соответствующих алфавитов :

В.И. Кириллов А.А. Старченко - Логика. Учебник для юридических вузов>
?={Уо>Уі}
или используют смешанное обозначение.

Функции выходов v и переходов у можно представить двумя таблицами, строки которых соответствуют состояниям, а столбцы входам автомата. Первая таблица называется таблицей переходов и соответствует функции переходов y(x(h), s(h)=s(h+l), ее клетки заполняются обозначениями состояний s(h+l), в которые переходит автомат при воздействии x(h), и состояний s(h) в данный тактовый момент. Вторая таблица называется таблицей выходов и соответствует функции выходов v(x(h), s(h)=y(h), ее клетки заполняются обозначениями выходов y(h) в данный тактовый момент, которые соответствуют воздействию x(h) и состоянию s(h) в этот же момент.

В качестве примера рассмотрим составление таблиц переходов и выходов для автомата М, представляющего собой автоматическую револьверную головку токарного станка с УЧПУ [5]. Револьверная головка имеет четыре положения, каждое из которых может устанавливаться в рабочее положение путем поворота блока резцедержателей на четверть оборота по часовой стрелке. Таким образом, установка рабочего положения происходит последовательным перемещением из одного в другое положение револьверной головки, происходящим в одном направлении. Обозначив положение s0, sj, s2, s3, отметим, что переход из положения в положение возможен лишь в сторону увеличения их индексов с переходом старшего на младший, т.е. s0—> s1—> s2-> s3—> s0—>s1... . Входным алфавитом автомата М является сигнал с двумя устойчивыми состояниями, которые обозначим 0 -отсутствие поворота и 1 - поворот на четверть оборота - переход в следующее положение (состояние), т.е. х={0,1}. В качестве выходного алфавита примем сигналы, формируемые датчиками положений револьверной головки, совпадающие с номерами положений S к которым движется головка из рассматриваемого состояния под воздействием входной переменной, т.е. при движении к s0, y=0, к s1 y=l и т.д. С учетом сказанного таблицы переходов и выходов примут вид соответственно таблице 3.1 и таблице 3.2

Таблица 3.1 Таблица 3.2

Таблица переходов
x(h) 0 1
s(h) y/(h+l) y/(h+l)
So So Si
S1 Si S2
S2 S2 S3
S3 S3 So
Таблица выходов
x(h) 0 1
s(h) v(h) v(h)
So 0 1
Si 1 2
S2 2 3
S3 3 0
Обе таблицы можно объединить в общую таблицу переходов, в клетках которой записываются пары символов, символ следующего состояния в числителе и символ выхода в знаменателе.

Так, таблица 3.3 является общей таблицей переходов автомата М и объединяет таблицу 3.1 и таблицу 3.2

Таблица 3.3

Общая таблица переходов
x(h) 0 1
s(h) <p(h+l)/v(h)
so so/0 Sj/1
Sl S]/l s2/2
S2 s2/2 S3/3
S3 Ss/3 S(/0

3.4. ЗАДАНИЕ КОНЕЧНОГО АВТОМАТА В ВИДЕ ГРАФА

Граф автомата строится таким образом, что его вершины соответствуют состояниям, а направленные дуги обозначаются как дизъюнкции входов, под воздействием которых совершается переход из одного состояния в другое по направлению дуги. В знаменателях обозначения дуг записываются символы выходов, соответствующие этим переходам.

На рис.3.2 изображен граф, построенный в соответствии с вышеописанной работой револьверной головки (см. таблицу 3.3).

В.И. Кириллов А.А. Старченко - Логика. Учебник для юридических вузов>
Рис.3.2. Граф автомата-револьверной головки

3.5. МАТРИЧНЫЙ СПОСОБ ЗАДАНИЯ КОНЕЧНОГО АВТОМАТА

Матрица соединений автомата М (или матрица переходов ) представляет собой квадратную таблицу, в которой номера строк и столбцов соответствуют номерам состояний. Клетка матрицы на пересечении i-й строки и j-го столбца заполняются дизъюнкцией пар "вход/выход" (х/у), которая приписана дуге графа, исходящей из i-и j-ю вершину. При отсутствии такой дуги клетка заполняется нулем или остается свободной. Графу, изображенному на рис.3.2, соответствует матрица соединений, представленная таблицей 3.4 .

Таблица 3.4

Матрица соединения автомата
В.И. Кириллов А.А. Старченко - Логика. Учебник для юридических вузов>

3.6. АВТОМАТЫ МУРА И МИЛИ

Данное выше определение (3.1) конечного автомата характеризует автомат Мили.

Автомат, у которого функция выходов v(x,s)=v(s) не зависит от входных переменных, называется автоматом Мура [З].

Граф автомата Мура имеет несколько другой вид, чем граф автомата Мили. Поскольку в этом случае выходная буква однозначно определяется состоянием, ее помещают в вершине графа, вместе с обозна-
В.И. Кириллов А.А. Старченко - Логика. Учебник для юридических вузов>
3.7. НЕКОТОРЫЕ КЛАССЫ КОНЕЧНЫХ АВТОМАТОВ Автомат с выделенным (начальным) состоянием so называется инициальным. Функционирование инициального автомата M={X,S, Y, (р, v,s0,} состоит из троек слов (а,(5, у), таких, что при некотором hе{1,2,3,...} выполняется



где x(i), s(i), y(i) - значение букв входного и выходного алфавита и алфавита внутренних состояний в текущий такт работы автомата, причем имеет место система отношений





называемая системой канонических уравнений автомата М [З].

Автомат М называется автоматом без памяти, если функция выходов v(x, s)=v(x) не зависит от внутренних состояний автомата М. В этом случае автомат М реализует в каждый момент времени отображение слова х в слово у без учета информации, поступившей на вход автомата в предыдущие моменты времени.

Автомат М называется самонастраивающимся, если существует такое натуральное число п0, что для любого входного слова ап, где п>п0> сспеХ* любых начальных СОСТОЯНИЙ Sj, SjSS имеет место

В.И. Кириллов А.А. Старченко - Логика. Учебник для юридических вузов>
Рис.3.4. Граф самонастраивающегося автомата
v(so,an)z=v(sj,an), т.е. в самонастраивающимся автомате выходная буква у в любой такт h>no не зависит от начального состояния. Граф такого автомата для щ=3 показан на рис. 3.4.

Автомат называется автоматом без потери информации, если для любого состояния seS и двух любых различных слов а1 п и с^п!п, с?п еХ одинаковой длины выходные слова различны, т.е. v(s,al о? у).

Автомат Mi={Xi,Si,Y1,y/i,v1} называется подавтоматом автомата M={X,S,Y,y/,Vi}, если подавтомат имеет подмножество состояний исходного автомата и в соответствующих состояниях перерабатывает входные слова в те же слова состояний и выходные слова, что и исходный автомат, т.е. выполняется:

Sj<S

В.И. Кириллов А.А. Старченко - Логика. Учебник для юридических вузов>


S<SA_^y/I(s,x) = y/(s,x)

X < X J Vj(s,x) = v(s,x)

На рис.3.5 изображен граф автоматаМ, а на рис.3.6 его подавтоматМ}.

В.И. Кириллов А.А. Старченко - Логика. Учебник для юридических вузов>


3.8. АНАЛИЗ КОНЕЧНЫХ АВТОМАТОВ

Анализ конечных автоматов заключается в определении последовательности выходных сигналов при возбуждении их в тактовые моменты времени некоторой последовательностью входных сигналов. Входная и выходная последовательности представляются наборами символов (или их номеров) из алфавитов Х и Y одинаковой длины. Для такого описания, кроме функций выходов и переходов, необходимо определить или задать начальное состояние автомата [2].

Наиболее удобно определять реакцию автомата на входную последовательность по его графу. Для этого достаточно проследить путь в графе, начиная от вершины начального состояния, по направлению дуг, которые отмечены очередными номерами из входной последовательности. Выходная последовательность определяется номерами, которыми отмечены дуги в порядке их следования по пройденному пути, а последовательность состояний автомата - номерами вершин, через которые проходит этот путь.

С помощью графа автомата легко выделить следующие характерные типы его состояний:

- преходящее состояние, из которого можно перейти, по крайней мере в одно другое состояние, но после этого уже нельзя возвратиться в него ни при каком воздействии, т.е. соответствующая вершина не имеет заходящих дуг, но имеет хотя бы одну исходящую дугу;

- тупиковое состояние, в которое можно перейти, по крайней мере из одного состояния, но после этого уже нельзя выйти из него ни при каком воздействии, т.е. соответствующая вершина не имеет исходящих дуг в другие вершины, но имеет хотя бы одну, входящую из другой вершины;

- изолированное состояние, из которого нельзя перейти ни в какое другое состояние и в него нельзя попасть ни из какого другого состояния ,т.е. соответствующая вершина содержит только петлю.

Аналогичные определения можно дать и для некоторых совокупностей состояний, рассматриваемых как подавтоматы. Если начальное состояние автомата М принадлежит непустому множеству S состояний, которое составляет тупиковый или изолированный подавтомат, то М можно упростить, исключив все состояния, которые не принадлежат множеству S и всех дуг, начинающихся в этих состояниях.

Пусть Мь М2, М3 - соответственно преходящий , тупиковый и изолированный подавтоматы, составляющие автомат М, обобщенный граф которого показан на рис. 3.7.

В.И. Кириллов А.А. Старченко - Логика. Учебник для юридических вузов>
Рис.3.7. Обобщенный граф конечного автомата
Подавтоматы Мь М2, М3 характеризуются множествами состояний Sj, S2, S3. Очевидно, выделение таких подавтоматов соответствует разбиению множества S состояний автомата М на непересекаю-щиеся подмножества S}, S2,

S3 и представляющие собой классы эквивалентности (S,\JSi\JS3=S,

S,C\.S2r\S3=0/. Как следует из обобщенного графа (см. рис.3.7), матрица соединений автомата может быть представлена в виде

Мі2 0
0 №22 0
0 0 Мзз
(3.8)

где jUj 1 - матрица подавтомата Му;

ju12 - матрица, характеризующая переход от состояний преходящего автомата М3 к состояниям тупикового автомата М2,

22 - матрица подавтомата М2'

33 - матрица подавтомата М3.

Отсюда следует, что разделение автомата М на подавтоматы Мь М2, М3 можно осуществить преобразованием его матрицы соединений к стандартному виду путем перестановки соответствующих строк и столбцов. Эта операция достаточно легко формализуется и может быть выполнена с помощью ЭВМ.

Например, для автомата, граф которого изображен на рис.3.8, матрица соединений может быть представлена в виде (3.9).
В.И. Кириллов А.А. Старченко - Логика. Учебник для юридических вузов>
Из (3.9) следует, что Sj={2, 5} составляет преходящий подавтомат, S2={1, 3, 6} - тупиковый подавтомат и S3={0,4} - изолированный подавтомат. Если начальное состояние принадлежит множеству S2, то можно упростить автомат, исключив состояние S1U S3={2, 5, 0, 4}, а в случае принадлежности начального состояния множеству 8з автомат упрощается исключением состояний S1U S2={f2, 5, 1, 3, 6}.

3.9. СИНТЕЗ КОНЕЧНЫХ АВТОМАТОВ

Синтез конечного автомата заключается в построении такого автомата, который бы имел заданные характеристики. Фактически реализация конечного автомата сводится к синтезу соответствующей комбинационной

В.И. Кириллов А.А. Старченко - Логика. Учебник для юридических вузов>
Рис.3.9. Граф конечного автомата
Таблица 3.5 Общая таблица переходов
x(h) 0 1
s(h) y/(h+l)/v(h)
0 1/1 2/1
1 2/0 1/1
2 0/1 2/0
схемы, преобразующей входные переменные x(h) с учетом внутренних состояний s(h) в выходные переменные y(h) и следующие внутренние состояния s(h+l) в соответствии с заданными выходной v(h) и переходной функциями \y(h+I) [2]. Для сохранения состояния s(h+l) до следующего такта в цепь обратной связи вводится необходимое количество элементов памяти. Поскольку логические элементы, на которых реализуются комбинационные схемы, а также элементы памяти имеют два устойчивых состояния,

соответствующих логической "1" и "0", то для их работы требуются входные символы (переменные), имеющие два состояния - логического "0" и "1". При этом необходимо осуществить преобразование общей таблицы переходов автомата к таблице соответствия в двоичном структурном алфавите. Если элементы множеств X, S, Y пронумерованы порядковыми числами, начиная с нуля , то им соответствуют коды , представляющие собой двоичные эквиваленты этих чисел. Так, для автомата, граф которого изображен на рис.3.9, общая таблица переходов представлена в таблице 3.5.

Преобразуем таблицу 3.5 в таблицу 3.6 - таблицу соответствия, и затем в таблицу 3.7 -таблицу соответствия в двоичном алфавите.

ТаблицаЗ.6

Таблица соответствия

x(h) 000 1 1 1
s(h) 0 1 2 0 1 2
y/(h+l) 120 2 1 2
v(h) 1 0 1 1 0 1
s(h) = Sj (h) * 2°+s2 (h) * 21 ,

\|/(h +1) = \\f, (h +1) * 2°+\|/ 2 (h +1) * 21

Таблица соответствия в двоичном алфавите
x(h) 000 111
ns Г S^(h) 0 1 0 0 1 0
s(h) i s2=(h) 00 1 00 1
100 0 1 0
?(" 1 V < n , n

1 W2=(h+1)
0 1 0 1 0 1
v(h) 1 0 1 1 1 0
Представим функцию переходов y/(h+l)=x*s булевой функцией, записанной в СДНФ:

i//j(h + 1) = Sj(h + 1) = ? xsIs2 1 (3-10)

y/2(h + 1) = s2(h + l) = xsls2 v XS;S2 vxs1s2 j .

Функцию выходов v(h)=X*S представим булевой функцией в СКНФ:

v(h) - y(h) = (х vs, v s2)(xv s, vs2) . (3.11)

В.И. Кириллов А.А. Старченко - Логика. Учебник для юридических вузов>
Рис.3.10. Структурная схема конечного автомата
Из (3.10),(3.11) видно, что комбинационная схема (КС) должна иметь три входа, соответствующие входной переменной x(h) и переменным состояниям Sj(h), s2(h), а также три выхода, соответствующие переменным состояниям s}(h+l), s2(h+l) и переменной выхода y(h). Таким образом, структурная схема рассматриваемого конечного автомата примет вид, показанный на рис.3.10 , где ЭП - элементы памяти, а его принципиальная схема - вид, показанный на рис.3.11, где в качестве ЭП используются RS триггеры [10-12].

В.И. Кириллов А.А. Старченко - Логика. Учебник для юридических вузов>
Рис.3.11. Принципиальная схема конечного автомата
Итак, проведен полный синтез конечного автомата. Результатом синтеза автомата может быть как аппаратурная, так и программная его реализация. В последнем случае булевы функции переходов и выходов программируются с помощью имеющихся в математическом обеспечении ЭВМ логических функций и выводятся из ЭВМ на соответствующие внешние устройства. Например, в случае программной реализации автомата в микропроцессорной стойке устройства ЧПУ исполнительными (внешними) устройствами могут быть различные органы станка: револьверная головка, магазин инструментов, приводы подач и главного движения, насос подачи СОЖ и т.п. В случае программного синтеза автомата, рассмотренного выше (см.рис.3.9), на языке Basic и булевыми функциями переходов и выходов (3.10),(3.11), программа, реализующая этот автомат, имеет вид:

5 REM ПРОГРАММА АВТОМАТ

10 INPUT ВВЕДИТЕ НАЧАЛЬНОЕ СОСТОЯНИЕ S1,S2' S1,S2 15 INPUT ВЕДИТЕ ВХОДНОЕ ВОЗДЕЙСТВИЕ Х'Х1 20I=X1:GOSUB200 25 H1=I1

30I=S1:GOSUB200 35 Z1=I1

40 I=S2:GOSUB 200 45 Z2=I1

50 S8=H1*Z1*Z2+X1*S1*Z2

55 IF S8>0 THEN S8=1

60 S9 = H1*S1*Z2+X1*Z1*Z2+X1*Z1*S2

65 IF S9>0 THEN S9=1

70 Y=(X1+Z1+S2)*(H1+S1+Z2)

75 IF Y>0 THEN Y=1 80 S1=S8: S2=S9

85 PRINT ! 1, 0!' S1=' SI, 'S2=' S2, 'Y=' Y,'X=' XI

90 INPUTPAEOTATb ДАЛЬШЕ ДА(1), НЕТ (0)' R 95 IF R=1 THEN 15 100 END

200 REM ПОДПРОГРАММА ИНВЕРСИИ 205 I1=0:IFI=0 THEN 11=1 210 RETURN

Приведенная программа не имеет каких-либо особенностей в работе, необходимо лишь отметить, что поскольку в языке Basic нет функции инверсии, то эта функция организуется в виде подпрограммы, а логические функции дизъюнкции и конъюнкции заменяются соответственно сложением и умножением с последующей нормализацией их результата к логической единице (см. строку N55 или N65 программы) [5].

3.10. ПОКРЫТИЕ И ЭКВИВАЛЕНТНОСТЬ АВТОМАТОВ

Автомат M1 покрывает автомат М, если входной и выходной алфавит у этих автоматов общие, переработка входных слов заданной длины r производиться одинаковым образом, а число внутренних состояний Si автоматаМ/ меньше, чем у автомата М, т.е.

M = {X,S,Y,y,,v} '

Mj ={X,SI,Y,y/I,v1} >,

Vj (sj, xr) = v(s, xr) для любых xr eX

при этом пишут M1>M (автомат M1 покрывает М).

Отношение покрытия на множестве автоматов есть квазипорядок в силу транзитивность и рефлексивности. Автоматы Mi и М эквивалентны, если взаимно покрывают друг друга, т.е. M1> M и M1< M, в этом случае пишут M1 = M.

Эквивалентные автоматы неразличимы по реакции на выходе, но могут иметь различное количество внутренних состояний и, следовательно, могут отличаться внутренними состояниями при одинаковых входных воздействиях.

Очевидно, что эквивалентность автоматов рефлексивна, симметрична и транзитивна.

3.11. ЭКВИВАЛЕНТНЫЕ СОСТОЯНИЯ

Состояния Si и Sj называются г-эквивалентными, если для любого входного слова х длиной r(xr) соответствующие функции выхода одинаковы, т.е.

K(si>xr) = K(Sj>xr) ¦ (3.13)

В этом случае будем писать у Er у или (у,у) eG(Er), где Ег - отношение эквивалентности, a G(Er) - график отношения эквивалентности. Если (3.13) выполняется для любых г, то состояния у, и у эквивалентны и пишут у, Е у или (у, у) eG(E).

Отношение r - эквивалентности и эквивалентности порождают на множестве S*S разбиение на классы эквивалентности.

Классы эквивалентности относительны Ej, объединяют множества всех пар состояний, каждое из которых (состояние) перерабатывает любой входной символ (букву) из входного алфавита в одинаковый выходной символ, т.е.

v(sj,x) = v(sjtx) \/x e X .

При этом пишут Si E] sj или (Si,Sj) gG(Ei).

В том случае, если sh Sj неэквивалентны, записывают s( Er Sj либо Si E sj, либо Si E1 Sj и соответственно (s„ Sj) & G( Er), (sit Sj) e G( E), (sit sj) e G(E}) и т.д.

Очевидно, что здесь и в общем случае отношение эквивалентности и неэквивалентности образуют при :

- объединении все множество S*S, т.е. G(Er)[)G( Er)=S*S;

- пересечении нулевое множество, т.е. G(Er) f] G( Ег) = 0;

- взаимно дополняют друг друга до множества S*S, т.е.

G( Ёг) = S*S \ G(Er).

Для примера рассмотрим эквивалентные и неэквивалентные состояния, их графики и первое разбиение на классы эквивалентности для автомата, заданного общей таблицей переходов-таблица 3.8

Таблица 3-8

Общая таблица переходов

x(h) 0 1
s(h) y/(h+l)/v(h)
So s2/0 Sj/1
S1 Sq/1 s2/0
S2 sq/2 Si/1
Для указанного автомата имеем :

X = Y = {0,1} ,

S = {s0,Sj,s2} .

Из таблицы 3.8 видно, что состояния s0 и s2 1-эквивалентны, т.к.

v(s0,0)=v(s2,0) = 0] v(s0,l)=v(s2,l) = l J

При этом график 1-эквивалентности имеет вид

G(Ei) = {(s0,s2),(s2,s0),(s0,s0),(si,si),(s2,s2)} , а график 1 -неэквивалентности найдется как

G(EI) = {(s0,sl),(sI,s0),(s1,s2),(s2,s1)} ,

и в него войдут все пары состояний, не попавшие в G(E1) [4].

3.12. МИНИМИЗАЦИЯ КОНЕЧНЫХ АВТОМАТОВ

С практической точки зрения при функционировании автомата представляет интерес только зависимость между входами и выходами автомата, а роль его состояний сводится исключительно к участию в формировании этих зависимостей в качестве промежуточных переменных. Следовательно, любая совокупность состояний, обеспечивающая требуемые зависимости между входом и выходом, может быть выбрана в качестве множества состояний автомата. В то же время этот выбор естественно подчинить определенным целям, например, минимизации числа состояний, что уменьшает количество требуемых элементов памяти, однако может привести к усложнению комбинационной схемы автомата.

Задача минимизации количества состояний в полностью описанном автомате сводится к определению попарно эквивалентных состояний и последующему их объединению. Так, для автомата, заданного таблицей переходов (см. таблицу 3.8), состояния s0 и s2 являются эквивалентными и объединяются в одно, например s0 ,при этом общая таблица переходов принимает вид табл.3.9, а исходный граф автомата, изображенный на рис.3.12, преобразуется к виду, показанному на рис.3.13.

Таблица 3.9

Общая таблица переходов

x(h) 0 1
s(h) \j/(h+Г)/v(h)
So S(/0 S ]/l
Si So/1 so/0
В.И. Кириллов А.А. Старченко - Логика. Учебник для юридических вузов>
Рис.3.12. Граф исходного автомата Рис.3.13. Граф

эквивалентного автомата
Однако все эквивалентные состояния автомата не исчерпываются 1-эквивалентностью, поэтому для их выявления требуется более сложная, чем рассмотренная выше, процедура.

Оказывается, что в этом случае эффективнее всего начать с выявления неэквивалентных состояний, после определения которых легко находятся эквивалентные состояния, как дополнение к множеству неэквивалентных состояний до полного множества внутренних состояний автомата, т.е.

В.И. Кириллов А.А. Старченко - Логика. Учебник для юридических вузов>


Здесь приобретают важное значение следующие теоремы:

Теорема 1. Состояние у, и Sj, эквивалентные относительно всех входных слов длины г-7, могут стать неэквивалентными относительно

слов длины г только тогда, когда имеется символ хк, где k<r, переводящий sh Sj соответственно в состояния se, sm, не эквивалентные относительно некоторого входного слова длины г-1. Это означает, что на г - м шаге достаточно исследовать состояние в г-1 графике эквивалентности G(Er.]) и установить, найдется ли там пара состояний (su Sj), переходящая в пару (se, sj со свойством se Er.j sm. В этом случае sh Sj не эквивалентны (Si Er Sj). Таким образом, условие теоремы можно записать следующим образом:

>=>siErsj • (3.14)

SiEr_Isj, \/хг_, еХ

(?(*і>хк), W(Sj,xK)) = (se,sm), хк eX,k< г, seEr_jSm

Теорема 2. Множество неэквивалентных пар состояний G( Ег) состоит из множества неэквивалентных пар G( Er.j) и таких пар (sbSj), что для некоторого символа хг входного слова длиной г имеем v(su xr)*v(Sj, хк), т.е.

v(s,,ХГ)Ф?(Sj,xr), xr eX,=> S'ErSj'

G(Er) = G(Er_])[)siErsJ

J j

3.13. ЗАДАЧИ И УПРАЖНЕНИЯ

1. Постройте конечный автомат, описывающий действия схвата манипулятора [8,9], конструкция которого показана на рис.3.16. Схват работает следующим образом. При захвате объекта, находящегося между губками 2, тягу 7 перемещают вверх относительно корпуса 1. Вместе с тягой 7 перемещают вверх рычаги 6 и рейки 5. Поскольку рейки 5 находятся в зацеплении с секторами 4, то последние совместно с губками 2 поворачиваются на осях 3, обеспечивая захват изделия. Профиль губок 2 выбран так, что обеспечивает не только захват круглых тел вращения типа конус или ступенчатый вал, но и центрирование их в определенном диапазоне диаметров. В случае захвата, например, ступенчатого вала, (рис.3.16) левые губки 2 сводятся на больший угол, чем правые, что обеспечивает перекос шарнирного параллелограмма, образованного рейками 5 и рычагами 6 совместно с тягой 7. При этом рычаги 6 поворачиваются относительно шарниров, в том числе и относительно шарнира 14 против часовой стрелки. Толкателем 13, жестко закрепленным на шарнире 14, поворачивается рычаг 11, который замыкает нижние контакты 9 датчика 8. При захвате изделия конусной или ступенчатой цилиндрической формы с меньшим диаметром, находящегося с противоположной стороны, происходят аналогичные процессы, отличающиеся от описанных выше лишь тем, что рычаги 6 повернутся по часовой стрелке относительно шарниров и замкнутся верхние контакты 9 датчика 8. В случае захвата гладкого цилиндрического изделия типа вала, губки 2 сводят на один и тот же угол, рычаги 6 останутся в горизонтальном положении, т.е. будет отсутствовать их поворот относительно шарниров. Толкатель 13 и рычаг 11 останутся в исходном положении, а пары контактов 9 останутся незамкнутыми.

Таким образом, на выходе датчика 8 формируют сигналы, определяющие пространственное положение изделий с монотонным изменением линейных размеров вдоль фиксируемой захватом координаты изделия и позволяющие распознавать их форму, например, гладких цилиндров и конусов или ступенчатых валов, а также брусков (тетраидов) и пирамид.

При построении конечного автомата его входными воздействиями являются форма и пространственное положение объекта манипулирования: гладкий валик, ступенчатый валик с малым диаметром слева и ступенчатый валик с малым диаметром справа, а также исходное положение схвата с максимально разведенными губками. Внутренними со-стояниями являются положения пар губок схвата: сведены на один угол; левые сведены на больший; правые сведены на больший угол. Выходами автомата является положение контактов датчика: разомкнуты, замкнуты нижние контакты, замкнуты верхние контакты.

Автомат задать в виде:

общей таблицы переходов;

графа;

матрицы соединений.

В.И. Кириллов А.А. Старченко - Логика. Учебник для юридических вузов>
Рис.3.16. Очувственный схват робота
2. Постройте конечный автомат, описывающий действие автоматического магазина инструментов емкостью 4 инструмента. Четыре положения магазина соответствуют состояниям автомата. Входами являются сигналы, направления вращения магазина или сигналы, подтверждающие, что фактическое положение магазина является заданным, в последнем случае вращение магазина отсутствует. Выходами являются сигналы, соответствующие положениям магазина, к которым под влиянием входных сигналов перемещается в данный тактовый момент магазин.

Автомат задать в виде:

общей таблицы переходов;

графа;

матрицы соединений.

3. Постройте конечный автомат, описывающий работу транспортного робота, последовательного обслуживающего три металлообрабатывающих станка. Три состояния транспортного робота соответствуют его пребыванию у одного из станков. Входами являются сигналы вызовов к станку или отсутствие таких вызовов. Выходами являются сигналы, определяющие движение транспортного робота вправо и влево вдоль ряда станков и его остановку. Предполагается, что вызов может поступить только с одного станка и до достижения транспортным роботом заданного станка состояние входа не меняется. При отсутствии команд транспортный робот должен возвратиться к первому станку. Автомат задать в виде:

общей таблицы переходов;

графа;

матрицы соединений.

4. Постройте конечный автомат, описывающий работу устройства для проверки на четность строк перфоленты, с которой осуществляется ввод программы в устройстве ЧПУ. Автомат считывает входную последовательность из нулей и единиц, и его состояние в любой момент времени совпадает с начальным s0 , если число считанных к тому времени единиц четно; и равно sj , если - нечетно. Входная последовательность совпадает с выходной. Автомат в ответ на запрос, соответствующий определенному входному символу,выдает ответ Ч - четное, Н - нечетное.

Автомат задать в виде:

общей таблицы переходов;

графа.

К какому типу автоматов относится этот автомат?

5. Постройте конечный автомат, описывающий работу цифрового элемента задержки единичного сигнала на один такт. Автомат задать в виде:

общей таблицы переходов;

графа.

6. Постройте конечный автомат, описывающий работу RS триггера.

Автомат задать в виде:

общей таблицы переходов;

графа.

К какому типу автоматов относиться этот автомат?

В.И. Кириллов А.А. Старченко - Логика. Учебник для юридических вузов>


7. Докажите, что конечный

автомат, граф которого изображен на рис.3.4, является

самонастраивающимся.

8. Докажите, что автомат, граф которого приведен на рис.3.17, является автоматом без потери информации.

9. Исследуйте работу

автомата, граф которого приведен на рис.3.18, определите его состояния (преходящее,

тупиковое, изолированное),

составьте общую таблицу переходов.

10. Найдите все подавтоматы автомата, граф которого изображен нарис.3.18.

11. На основании графа автомата (см. рис.3.18) определите входную последовательность и смену состояний автомата при начальном состоянии s0, sj, s2, s3 и входных последовательностях

0110010110;

0001110110;

11010001011.

12. Синтезируйте конечный автомат, граф которого изображен на рис. 3.3 и описывает работу револьверной головки токарного станка. Синтезированный автомат представить в виде :

логической схемы; программы на языке Basic.

13. Синтезируйте конечный самонастраивающийся автомат, заданный графом (см. рис.3.4).

Синтезированный автомат представить в виде : логической схемы; программы на языке Basic.

14. Синтезируйте конечный автомат, описывающий действие автоматического магазина инструментов из задачи 2. Синтезированный автомат представить в виде ;

логической схемы; программы на языке Basic .

15. Синтезируйте конечный автомат, описывающий работу транспортного робота из задачи 3.

Синтезированный автомат представить в виде • логической схемы;

программы на языке Basic.

16. Синтезируйте конечный автомат проверки на четность из задачи 4.

Синтезированный автомат представить в виде логической схемы;

программы на языке Basic .

17. Синтезируйте конечный автомат, описывающий работу цифрового элемента задержки из задачи 5.

Синтезированный автомат представить в виде логической схемы;

программы на языке Basic .

18. Какие из автоматов, представленных графами на рис. 3.19, являются эквивалентными.

В.И. Кириллов А.А. Старченко - Логика. Учебник для юридических вузов>


19. Найдите минимальную форму автомата заданного графом на рис.3.20.
В.И. Кириллов А.А. Старченко - Логика. Учебник для юридических вузов>
20. Найдите минимальную форму автомата, заданного графом на рис.3.21

В.И. Кириллов А.А. Старченко - Логика. Учебник для юридических вузов>
Рис.3.21. Граф автомата к задаче 20
Найдите минимальную форму автомата, заданного графом на

21.

рис.3.22.

В.И. Кириллов А.А. Старченко - Логика. Учебник для юридических вузов>


22. Найдите минимальную форму автомата, заданного общей таблицей переходов табл. 3.12.

Таблица 3.12

Общая таблица переходов
x(h) ai a2 a3
s(h) y/(h+l)/v(h)
Sl s2/l s2/0 s/0
s2 s/0 s/1 s/1
S3 s/1 s2/0 s/0
s4 s/0 s/1 s/1
S5 s/1 s/0 s/0
S6 s/0 s/1 s/1
S 7 s/1 s2/0 s/0
S8 s/1 s/0 s/0
Sg s/0 s/1 s/1
Все более углубляющаяся тенденция автоматизации производства требует от современных специалистов знаний принципов работы дискретных управляющих устройств, основ их построения и применения. Приведенный в пособии теоретический материал и особенно задачи и упражнения предназначены для изучения указанных вопросов с учетом специфики машиностроительного комплекса.

СПИСОК ЛИТЕРАТУРЫ

1. Коршунов Ю.М. Математические основы кибернетики. - М.:

Энергия, 1972. - 376 с.

2. Дегтярев Ю.И. Исследование операций. - М.: Высшая школа, 1986.320 с.

3. Сигорский В.П. Математический аппарат инженера. - Киев:

Техшка, 1975. - 758 с.

4. Мясников В.А. и др., Автоматизированные и автоматические системы управления технологическими процессами. - М.: Машиностроение, 1978.-232 с.

5. Кудрявцев В.Б. идр. Введение в теорию абстрактных автоматов.- М.: Изд-во Моск. ун-та, 1985. - 174 с.

6. Бирхгоф Г., Барти Т. Современная прикладная алгебра. - М:

Мир, 1976.-400 с.

7. Кузьмин А.В. Введение в теорию дискретных автоматов: Метод. указ. к практическим работам. - Ульяновск: Ульян, политехн. ин-т, 1989. -40с.

8. А.с. 1426785. Схват манипулятора /А.В. Кузьмин// Открытия. Изобретения. - 1988. - N36.

9. А.с. 1779582. Захват манипулятора /А.В. Кузьмин// Открытия. Изобретения. - 1993. - N45.

10. Кузьмин А.В. Интенсификация процесса изучения устройств дискретной электроавтоматики с помощью обучающе-контролирующих компьютерных программ// Интенсивные технологии обучения в подготовке специалистов: Тез. докл. науч. - метод, конф. «Интенсивные технологии обучения в подготовке специалистов». - Самара: Самарский государственный аэрокосмический ун-т, 1996. - 108 с.

11. Кузьмин А.В. Анализ и синтез устройств дискретной электроавтоматики на основе использования компьютерных программ// Использование новых информационных технологий в учебном процессе кафедр физики и математики: Тез. докл. четвертого совещания-семинара. -Ульяновск: Ульяновский государственный техн. ун-т, 1997» Ч.2.-С. 28-30.

12. Кузьмин А.В. Повышение эффективности и качества процесса по дисциплине «Аппаратные и программные средства систем управления на основе использования компьютерных программ»// Проблемы высшей школы в условиях рыночных отношений: Тез. докл. науч. - метод. конф. «Проблемы высшей школы в условиях рыночных отношений».- Ульяновск: Ульяновский государственный техн. ун-т, 1997.-С. 105-107.



    Учет: Делопроизводство - Автоматизация - Софт