Определитель номера стандарта FSK
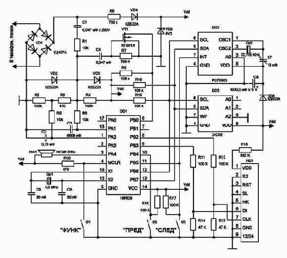
Виктор Б., г.КишиневЗа основу взята схема определителя стандарта DTMF. Декодирование FSK производится программно. Применен микроконтроллер PIC16F628. Используется один из встроенных компараторов. Скачайте программный код.
Микросхема PCF8583 используется как часы, будильник и календарь. Для хранения определившихся номеров применена микросхема 24С08.
АТС передает номер между первым и вторым вызывным сигналом. Каскад на транзисторе VT1 это простейший компаратор для анализа вызывного сигнала.
Для звукового сопровождения нажатия кнопок служит “пищалка” HCM1206A со встроенным автогенератором на рабочее напряжение 6 или 12 вольт. Если не требуется звук, "пищалку" можно не ставить. Назначение остальных элементов описано в "Определитель номера DTMF".

Схема монтажа и рисунок печатной платы:
"Монтаж"
"Печатная плата"
Устройство работает как приставка, подключаемая параллельно любому телефонному аппарату на аналоговой телефонной линии с напряжением линейных батарей 54...60 В. Конструктивно может быть выполнена в отдельном корпусе или встроена в телефонный аппарат.
Питание приставки – три батарейки размера АА или ААА, или аккумулятор на напряжение 4…5 В. Обеспечивается постоянный подзаряд элементов питания малым током от телефонной линии, поэтому при использовании аккумулятора срок службы неограничен, а при использовании батареек срок службы определяется естественным старением батареек.
Память приставки – 63 входящих номера длиной до 24 цифр, организованная по принципу – “первым вошел – первым вышел”. Кнопка ПРЕД "листает" память в сторону более ранних звонков, кнопка СЛЕД - в сторону более поздних звонков. В память записываются номер, время и дата звонка, переданные АТС. Предусмотрено экономичное использование памяти, т.е. если один и тот же абонент дозванивается к вам с периодичностью менее 10 минут, то его номер записывается в память единожды и фиксируется время последнего звонка. При отключенном питании информация в памяти сохраняется неограниченное время. Сохранность регистров PCF8583 при отключенном питании зависит от емкости С8. Количество новых звонков, записанных в память после последнего ее просмотра, отображается на индикаторе. Счетчик новых звонков сбрасывается после просмотра памяти.
Электрические характеристики аналогичны "Определитель номера DTMF". Напряжение питания 4....5 вольт.
При правильной сборке из исправных компонентов устройство начинает работать сразу и необходимо лишь проверить потребляемый ток и работу каскада VT1. При получении вызывного сигнала на выводе 6 DD1 должны быть импульсы, по форме близкие к прямоугольным. Установите точность хода часов подстроечным конденсатором С7. Сделайте это в процессе эксплуатации. Если часы “уходят”, слегка поверните ротор С7. Повторяйте эту операцию, пока не добьетесь точного хода часов. Используйте диэлектрическую отвертку.
ПОМНИТЕ, НЕЛЬЗЯ ПОДКЛЮЧАТЬ ПРИСТАВКУ К ТЕЛЕФОННОЙ ЛИНИИ, ПРЕДВАРИТЕЛЬНО НЕ УСТАНОВИВ ЭЛЕМЕНТЫ ПИТАНИЯ!
Применяемые микросхемы чувствительны к статическому электричеству, пользуйтесь изолированным от сети паяльником мощностью не более 40 Вт. Все операции по монтажу выполняйте при отключенном питании. Прежде, чем начинать работу, внимательно изучите схему и порядок настройки.
В заключение, несколько слов о том, как управлять приставкой. Кнопка ПРЕД листает память в сторону более ранних звонков, а кнопка СЛЕД – в сторону более поздних звонков. Приставка покажет номер, дату и время звонка, и автоматически перейдет в ждущий режим.
Для входа в меню установок нажмите и отпустите кнопку ФУНК. Одновременно выполнится сброс контроллера. Для выбора функции используйте кнопку СЛЕД. Для входа в функцию используйте кнопку ПРЕД.
F1 - установка будильника. На индикаторе слева направо появятся символ выключателя будильника ("-" - будильник выключен, "Р" - будильник включен) и значения часов и минут. Для выбора значения используйте кнопку СЛЕД, для установки – ПРЕД. Для выхода из режима нажмите кнопку СЛЕД и удерживайте ее не менее 0,5 сек.
F2 - установка времени и даты. На индикаторе слева направо появятся значения даты, месяца, часов и минут. Для выбора значения используйте кнопку СЛЕД, для установки – ПРЕД. Для выхода из режима нажмите кнопку СЛЕД и удерживайте ее не менее 0,5 сек, а по сигналу точного времени – отпустите.
F3 - очистка всей памяти номеров. Войдя в эту функцию у вас есть 10 сек для подтверждения операции кнопкой ПРЕД. Выход - автоматически.
Никаких других установок не требуется.
Бизнес: Предпринимательство - Малый бизнес - Управление
- Бизнес
- Разновидности бизнеса
- Планирование бизнеса
- Управление бизнесом
- Предпринимательство
- Русское предпринимательство
- Управление и предпринимательство
- Малый бизнес
- Виды малого бизнеса
- Русский малый бизнес
- Управление малым бизнесом
- Posix для малого бизнеса
- Телефония как малый бизнес
- Телефония на Java для малого бизнеса