Вариант телефонного интерфейса
Каталог принципиальных схем - Телефония ТЕЛЕФОННЫЙ ИНТЕРФЕЙС-2Предлагаем другой, по сравнению с опубликованным в [1]. вариант телефонного интерфейса. Он предназначен для соединения симплексной радиостанции с телефонной линией.
В данной схеме используется алгоритм смешанного управления. Включение базовой радиостанции на передачу происходит по исчезновении несущей или сигнала CTSS, а выключение - по окончании фразы абонента АТС (система контроля наличия голоса). Такой алгоритм позволяет значительно сократить потери информации от абонента со стороны АТС, свойственные системам, работающим только по голосовому ключу с задержкой.
В данной схеме реализованы следующие возможности:
- индивидуальный код доступа;
- сохранение в памяти последнего набранного номера;
- контроль наличия речи абонента АТС;
- предоставление абоненту со стороны АТС фиксированного временного интервала (в случае некачественного сигнала в телефонной линии. не позволяющего работать системе контроля наличия голоса);
- защита линии от "зависания", отключение при "потере" радиоабонента;
- работа в режимах импульсного и тонального набора номера TONE/ PULSE;
- программирование пользователем режимов интерфейса; - работа с диспетчером.
Радиоабонент управляет интерфейсом с помощью DTMF-клавиатуры. при ее отсутствии можно использовать бипер.
Применение стандартных DTMF-кодов позволило отказаться от мобильной части интерфейса.
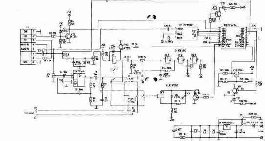
Управление работой интерфейса осуществляет PIC-контроллер D3. Микросхема PIC16C84 имеет энергонезависимую память. В этой памяти хранятся режимы работы интерфейса. Программирование режимов осуществляется с мобильной радиостанции при помощи DTMF-кодов.
Пользователь может изменить и код доступа к своему интерфейсу.
Для обработки DTMF-кодов используется декодер D2. Микросхема МТ3270ВЕ может обрабатывать поступающий на нее сигнал в широком динамическом диапазоне (50 дБ).
Для контроля наличияголоса абонента АТС необходимо анализировать сигнал в телефонной линии. Для этого на элементах микросхемы D4 собран компаратор. Он же обрабатывает сигнал вызова АТС.
Реле К1 служит для коммутации сигнала, поступающего из телефонной линии на микрофонный вход радиостанции, либо от радиостанции в телефонную линию. Сигнал от радиостанции поступает на усилитель, собранный на микросхеме D 1. Гальваническая развязка с телефонной линией выполнена на трансформаторе Т1. Реле К2 используется для занятия линии и набора номера.
Приобрести настроенные платы или готовые изделия можно у авторов статьи.
Литература
1. Котов В.. Головко А. Телефонный интерфейс. - Радиолюбитель, 1997, N2,c.18.
В.КОТОВ, А.ГОЛОВКО, 342500. Украина, Донецкая обл., г.Марьинка, ул.Красноармейская, 59, тел.(06278)5-33-73, 5-15-86.
(РЛ 5/98)

Бизнес: Предпринимательство - Малый бизнес - Управление
- Бизнес
- Разновидности бизнеса
- Планирование бизнеса
- Управление бизнесом
- Предпринимательство
- Русское предпринимательство
- Управление и предпринимательство
- Малый бизнес
- Виды малого бизнеса
- Русский малый бизнес
- Управление малым бизнесом
- Posix для малого бизнеса
- Телефония как малый бизнес
- Телефония на Java для малого бизнеса