Интерфейсное оборудование для радиотелефонов
Интерфейсный модуль для DTMF набора.
Применяется в интерфейсных комплексах, использующих DTMF (тоновые) режимы набора на абонентском аппарате(варианты 2.1, 2.2, 2.3, 2.4 ).
Обеспечивает эмуляцию телефонной линии на стороне абонентского аппарата:
-питание абонентского аппарата по постоянному току;
-передачу речевого или информационного сигнала между абонентским аппаратом и речевым каналом трубки радиотелефона;
-передачу сигнала вызова к абонентскому аппарату;
-передачу DTMF сигналов от абонентского аппарата к речевому каналу трубки радиотелефона;
-подачу сигналов включения трубки радиотелефона при включении абонентского аппарата;
-подачу сигналов выключения трубки радиотелефона при выключении абонентского аппарата;
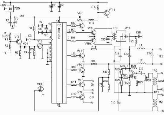
Схема имеет следующий вид, рис.7:
Рис.7.Схема электрическая принципиальная интерфейсного модуля для DTMF набора.
Модуль содержит следующие основные узлы:
-узел приема сигнала вызова от трубки радиотелефона (VT1, VT2);
-преобразователь напряжения (VT9, VT10, VD3);
-генератор сигнала вызова для абонентского аппарата ( VT9, VT10, VT5, VT6, VT4, VT11 );
-дифференциальное устройство (VT12);
-цепь включения трубки радиотелефона (VT7);
-цепь выключения трубки радиотелефона (VT8);
-устройство управления (D2).
Модуль соединяется с абонентским аппаратом по цепи "TEL".
Модуль соединяется с трубкой радиотелефона по цепям: "BUZZ", "Speak", "Mic".
Напряжение питания подается по цепи "+12В".
Модуль работает следующим образом:
Встроенный преобразователь напряжения обеспечивает питание абонентского аппарата по постоянному току.
При поступлении сигнала вызова по цепи BUZZ, преобразователь напряжения питается от напряжения 12В, с помощью транзисторов VT4, VT11, обеспечивая в цепи абонентского аппарата напряжение до 110 В. Транзистор VT6 обеспечивает необходимое на время формирования вызывного сигнала шунтирование аналоговой цепи VT12 С помощью транзисторов VT5 осуществляется модуляция напряжения в цепи абонентского аппарата с частотой 25 Гц, обеспечивая формирование сигнал вызова.
В режиме набора и разговора работает аналоговая дифференциальная цепь на основе транзистора VT12. С ее помощью обеспечиваеся
прохождение аналоговых сигналов от абонентского аппарата в цепь микрофона трубки радиотелефона, а также из цепи динамика трубки радиотелефона к абонентскому аппарату.
Комплекс "DTMF - DTMF / пульс"
Это вариант обеспечивает два режима набора в сети ГТС: DTMF или пульсовый, по выбору.Абонентская аппаратура работает в режиме DTMF - набора.
В телефонной линии осуществляется DTMF (тоновый) или пульсовый набор, по выбору
Структура комплекса имеет следующий вид, рис.3

Рис.3.Структура комплекса "DTMF - DTMF / пульс"
Сигналы DTMF набора от абонентского аппарата поступают в речевой канал радиотелефона. В базовом блоке установлен управляемый преобразователь DTFF- DTMF/пульс. Он получает сигналы из речевого канала радиотелефона. Преобразователь осуществляет набор в ГТС. Вид набора устанавливается с клавиатуры абонентского аппарата. Если установлен DTMF набор, то сигналы DTMF из речевого канала поступают в цепь ГТС. Если установлен пульсовый набор, то он реализуется с помощью коммутационного элемента в цепи ГТС. Комплекс полезен при комбинированных видах набора в цепи ГТС.
Комплекс "DTMF - DTMF"
Это самый простой по составу аппаратуры комплекс.Абонентская аппаратура работает в режиме DTMF (тонового) набора.
В телефонной линии осуществляется DTMF (тоновый) набор.
Структура комплекса имеет следующий вид, рис.1:

Рис.1. Структура комплекса "DTMF-DTMF"
Интерфейсный модуль обеспечивает соединение трубки радиотелефона с абонентским аппаратом. Модуль эмулирует полноценную телефонную линию на стороне абонентского аппарата.
Интерфейсный модуль обеспечивает соединение с трубкой радиотелефона. В том числе обмен сигналами, а также управление трубкой.
Базовый блок радиотелефона обеспечивает соединение комплекса с телефонной линией ГТС.
Сигналы DTMF набора номера, генерируемые абонентским аппаратом, напрямую подаются в телефонную линию ГТС через речевой канал радиотелефона, обеспечивая набор номера в ГТС.
Комплекс "DTMF - клавиатура -DTMF/ пульс"
Этот комплекс похож на предыдущий. Он применяется в тех случаях, когда:-необходимо полностью использовать возможности радиотелефона;
Абонентская аппаратура работает в режиме DTMF (тонового) набора.
В телефонной линии осуществляется DTMF и / или пульсовый набор.
Структура комплекса имеет следующий вид, рис.2:

Рис.2.Структура комплекса "DTMF- клавиатура - DTMF / пульс"
Сигналы DTMF набора номера, генерируемые абонентским аппаратом, поступают в интерфейсный модуль, в котором преобразуются в сигналы коммутации клавиатуры радиотелефона. Преобразователь DTMF - Клавиатура в составе интерфейсного модуля обозначен зеленым цветом. В канале радиотелефона применяются сигналы набора номера собственного протокола. Базовый блок радиотелефона обеспечивает набор номера в цепи ГТС в стандарте, реализуемом базовым блоком: DTMF или пульс.
Комплекс "DTMF -клавиатура -пульс"
Аппаратура аналогична предыдущей. Отличается тем, что пульсовый набор в ГТС реализуется базовым блоком радиотелефона.Абонентская аппаратура работает в режиме DTMF (тонового) набора.
Структура комплекса имеет следующий вид, рис.4:

Рис.4.Структура комплекса "DTMF -клавиатура -пульс"
Сигналы набора от абонентского аппарата поступают в интерфейсный модуль. В интерфейсном модуле они преобразуются в сигналы коммутации клавиатуры трубки. Преобразователь DTMF - Клавиатура в составе интерфейсного модуля обозначен зеленым цветом.
Комплекс "Пульс - клавиатура - пульс"
От предыдущего комплекс отличается тем, что пульсовый набор в ГТС осуществляется базовым блоком радиотелефона.Абонентская аппаратура работает в режиме пульсового набора.
Структура комплекса имеет следующий вид, рис.6:

Рис.6.Сруктура комплекса "Пульс - клавиатура - пульс"
Сигналы набора от абонентского аппарата поступают в интерфейсный модуль. В интерфейсном модуле они преобразуются в сигналы коммутации клавиатуры трубки. Преобразователь Пульс - Клавиатура в составе интерфейсного модуля обозначен зеленым цветом.
Комплекс "Пульс - пилот - пульс"
От предыдущих вариантов этот отличается тем, что абонентский аппарат работает в режиме пульсового набора.В телефонной линии ГТС осуществляется пульсовый набор.
Структура комплекса имеет следующий вид, рис.5:

Рис.5.Сруктура комплекса "Пульс - пилот - пульс"
Особенностью комплекса является применение пилот - сигнала набора номера в речевом канале. Параметры пилот - сигнала отличаются от параметров DTMF сигнала. Например, пилотом могут быть прямоугольные импульсы частотой 1 кГц. Для передачи таких сигналов требуются более простые условия, чем для DTMF. Упрощается схема устройства в целом. Генератор пилот - сигнала в составе интерфейсного модуля обозначен сиреневым цветом. Пульсовый набор осуществляется с помощью специального преобразователя Пилот-Пульс, устанавливаемого в базовом блоке радиотелефона. Преобразователь получает пилот - сигнал из речевого канала базового блока, преобразует его в пульсовый сигнал и реализует пульсовый набор с помощью коммутационного элемента в цепи ГТС.
Основные решаемые задачи.
Для подключения вторичной или абонентской аппаратуры к трубкам радиотелефонов применяют телефонные интерфейсы.С их помощью осуществляют:
- эмуляцию режимов телефонной линии на стороне вторичной ( абонентской) аппаратуры ;
- передачу сигналов набора от абонентской аппаратуры к ГТС;
- передачу сигналов вызова от ГТС к абонентской аппаратуре;
- передачу речевых или информационных сигналов между абонентской аппаратурой и ГТС;
Преобразователь DTMF- DTMF / пульс.
Применяется в интрфейсах, использующих тоновые режимы набора на абонентском аппарате и DTMF / пульсовые( выриант 2.3) сигналы коммутации клавиатуры трубки радиотелефона.
Схема имеет следующий вид, рис.8:

Рис.8.Преобразователь DTMF-пульс.
Сигналы в DTMF кодах поступают на вход приемника D1, с его выхода, в параллельном коде поступают на вход микропроцессора D2, где преобразуются в коды пульсового набора.
Обеспечивается возможность оперативного перехода от тонового к пульсовому набору и наоборот.
Обеспечивается ряд интересных возможностей по управлению оборудованием.
Преобразователь DTMF- клавиатура.
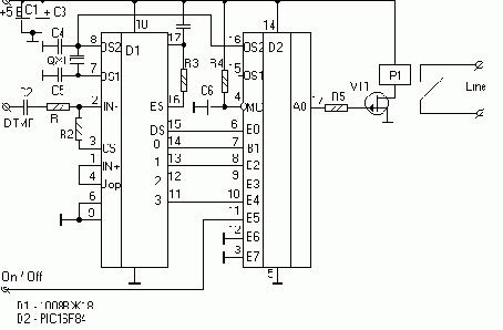
Применяется в интерфейсах, использующих пульсовые режимы набора на абонентском аппарате исигналы коммутации клавиатуры трубки радиотелефона ( вариант 2.4 ).
Схема имеет следующий вид, рис.10:

Рис.10.Преобразователь DTMF- клавиатура.
Сигналы DTMF набора из цепи питания абонентского аппарата поступают на вход приемника DTMF сигналов D1, с выхода которого поступают на вход микропроцессора D2, где преобразуются в параллельный код и через дешифратор D3 поступают на транзисторную матрицу коммутации клавиатуры трубки радиотелефона.
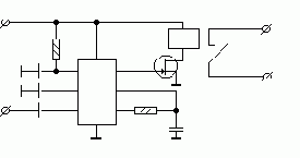
Преобразователь "Пилот-пульс"

Рис.11.Преобразователь Пилот-пульс.
Аналоговый пилот - сигнал поступает на вход приемника пилот -сигнала D1 где опознается, с выхода приемника прямоугольный сигнал набора поступает в цепь управления реле Р1, с помощью которого осуществляется пульсовый набор.
Преобразователь пульс - клавиатура.
Применяется в интрефейсах, использующих пульсовые режимы набора на абонентском аппарате ( вариант 2.6 ).Схема имеет следующий вид, рис.9:

Рис.9.Преобразователь пульс - клавиатура.
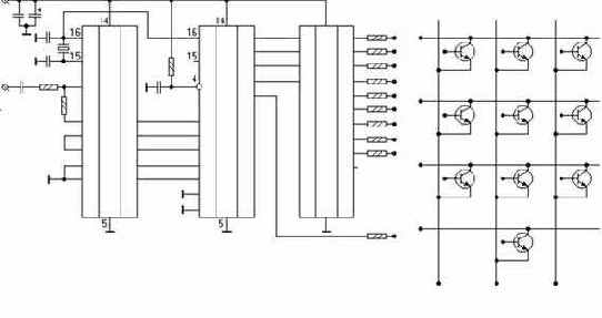
Сигналы пульсового набора из цепи питания абонентского аппарата поступают на вход микропроцессора D1, где преобразуются в параллельный код и через дешифратор D2 поступают на транзисторную матрицу коммутации клавиатуры трубки радиотелефона.
Структурные схемы интерфейсных комплексов.
Ниже приведены структурные схемы интерфейсных комплексов, реализующих различные способы передачи сигналов набора от абонентской аппаратуры к сети ГТС. Все они реализованы на практике.Выбор конкретной структуры определяется совокупностью существующих условий.
Бизнес: Предпринимательство - Малый бизнес - Управление
- Бизнес
- Разновидности бизнеса
- Планирование бизнеса
- Управление бизнесом
- Предпринимательство
- Русское предпринимательство
- Управление и предпринимательство
- Малый бизнес
- Виды малого бизнеса
- Русский малый бизнес
- Управление малым бизнесом
- Posix для малого бизнеса
- Телефония как малый бизнес
- Телефония на Java для малого бизнеса