Общие сведения о системах автоматического управления и регулирования
Основные принципы управления
Задача управления заключается в том, чтобы объект управления в условиях реальной эксплуатации обеспечивал выполнение требуемых функций. Фактическое состояние объекта управления определяется одним или несколькими рабочими параметрами y (t). Чаще всего рабочие параметры представляют собой физические величины: скорость (линейная и вращения), температура, напряжение электрического тока, линейные и угловые перемещения и т.д. В реальных условиях на объект управления оказывают влияние внешние воздействия, которые называются возмущающими z(t). Эти воздействия вызывают изменение внутреннего состояния объекта и как следствие - рабочих параметров. В связи с этим для выполнения рабочих функций по заданным алгоритмам необходимо на объект управления организовать подачу управляющих воздействий U (t) (рис 1.1).

Рис 1.1. Объект управления
Заданный алгоритм обычно предусматривает поддержание рабочего параметра постоянным во времени или же изменение во времени по известному или неизвестному закону.
Задача управления, по существу, заключается в формировании такого закона изменения управляющего воздействия, при котором обеспечивается заданный алгоритм при наличии возмущающих воздействий.
Для решения этой задачи используются три фундаментальных принципа управления: разомкнутое управление, управление по возмущению (принцип компенсации) и замкнутое управление (принцип обратной связи или управление по отклонению).
Структурные схемы принципов управления представлены на рис 1.2.
а)

б)

в)
УУ - управляющее устройство; ОУ - объект управления; И - измеритель возмущения; К - корректирующее устройство.
Рис 1.2. Основные принципы управления.
При разомкнутом принципе (рис 1.2, а) управляющее устройство вырабатывает сигнал управления U, который поступает на исполнительные элементы объекта управления. На вход управляющего устройства подается сигнал X , представляющий собой задание. Задание задается человеком или специальным задающим устройством. Данный принцип отличается простотой технической реализации, но оказывается малоэффективным при недостаточной информации о характере возмущении.
Для того чтобы учесть характер возмущений в процессе управления объектом применяют управление по возмущению (рис.1.2, б). Здесь убавляющее устройство вырабатывает сигнал управления U’ в соответствии с заданием Х. Одновременно производится измерение возмущений, действующих на объект, и производится коррекция сигнала управления U’. Полученный в результате коррекции сигнал управления U поступает на объект управления. Данный принцип является более эффективным по сравнению с разомкнутым управлением, при условии, что имеется техническая возможность измерения возмущающих воздействий. Указанное условие ограничивает применение данного принципа.
Принцип замкнутого управления (рис 1.2, в) позволяет решить задачу управления при любом характере действующих возмущений.
В этом случае сигнал задания поступает на один из входов элемента сравнения, на другой вход которого по цепи обратной связи подается измеренное с помощью датчиков фактическое значение рабочего параметра объекта управления. На выходе элемента сравнения имеем сигнал D (ошибку, отклонение), который является разностью между заданным и фактическим значениями параметров, т.е. D =Х - Y. Управляющее устройство в зависимости от величины и знака ошибки вырабатывает сигнал управления. Таким образом, принцип замкнутого управления учитывает не только задание, но и фактическое состояние объекта и действующих возмущений. Поэтому данный принцип является наиболее универсальным и позволяет успешно решать задачи управления, несмотря на неопределенность объекта управления и характера возмущений. Класс автоматических систем, построенных на основе принципа замкнутого управления, получил название систем автоматического регулирования (САР),
Примером таких систем являются системы автоведения поезда. В этих системах на борт локомотива с помощью канала связи передается заданная скорость Vз применительно к конкретному участку. Эта скорость вычисляется специальным устройством и зависит от расстояния до впередиидущего поезда, от состояния верхнего строения пути, типа локомотива, веса состава, профиля участка и т.д. На борту локомотива производится измерение фактической скорости Vj и сравнение с заданной. Если Vз> Vj то происходит включение тяговых двигателей, в противном случае включаются тормозные средства.
Свойство универсальности САР позволяет предположить, что структура замкнутого управления в неявном виде широко представлена в технике и природе.
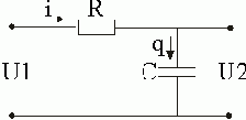
Рассмотрим динамические процессы, протекающие в элементарной RC-цепи (рис 1.3).

Рис 1.3 RC-цепь
Падение напряжения на сопротивлении R (UR) равно разности между входным напряжением U1 и выходным напряжения U2 , т.е. UR=U1-U2. Напряжение UR определяет ток:

,
от которого зависит заряд ёмкости:

.

Напряжение на конденсаторе U2 определяется его зарядом:

.
Таким образом, можно выделить внутреннею обратную связь, определяющую зависимость тока i (t) не только от входного напряжения U1 , но и от напряжения U2 , до которого зарядилась ёмкость под действием тока i (t). В результате получим структуру, представленную на рис 1.4.

Рис. 1.4. Структурная модель RC - цепи
Разновидности и свойства САР
Отличительная особенность САР состоит в том, что объект управления рассматривается как составной элемент система автоматики
.
В зависимости от основной цели задачи управления САР классифицируются следующим образом: системы стабилизации, система программного управления, следящие системы.
В системах стабилизации рабочий параметр объекта (регулируемая величина) поддерживается постоянным во времени при постоянном задании. В системах программного управления рабочий параметр объекта изменяется во времени по заранее известному закону, а соответствии с которым изменяется задание.
В следящих системах рабочий параметр объекта изменяется во времени по заранее неизвестному закону, который определяется каким-то внешним независимым процессом.
В зависимости от количества регулируемых величин системы могут быть одномерными (одна регулируемая величина) лил многомерными (несколько регулируемых величин).
В зависимости от характера электрических сигналов системы могут быть: непрерывными, с гармоническими сигналами и дискретные. Дискретные в свою очередь, могут быть релейными, импульсными или цифровыми. Вследствие бурного развития микроэлектроники широкое распространение получили цифровые системы управления, обладающие прежде всего высокой точностью.
Важным свойством также является поведение параметров системы во времени.
Если в период эксплуатации параметры являются неизменными, то система считается стационарной, в противном случае - нестационарной. Кроме того, особо выделяются системы с распределенными параметрами, т.е. такие системы, которые содержат распределенные в пространстве элементы, например, длинные электрические линии и т.д.
Указанные выше свойства систем определяют вид математического описания протекающих процессов. При этом необходимо иметь ввиду, что большинство систем обладают свойством инерционности. Поэтому в системах можно наблюдать переходной процесс и установившийся режим. Наиболее приемлемым способом математического описания в этом случае являются дифференциальные уравнения (для непрерывных систем) или разностные уравнения (для дискретных систем). Вид дифференциального уравнения зависит от основных свойств, которыми обладает САР. В простейших случаях это линейные дифференциальные уравнения с постоянными коэффициентами.
В зависимости от характера внешних воздействий (задающего и возмущающего) различают детерминированные и стохастические системы. В детерминированных САР внешние воздействия имеют вид постоянных функций времени. В стохастических системах внешние воздействия имеют вид случайных функций. В дальнейшем будут рассматриваться только детерминированные системы.
По свойствам ошибки (отклонения) в установившемся режиме различают статические и астатические системы. Система, в которой величина установившейся ошибки зависит то величины возмущения при постоянном задании называется статической по возмущению. Если установившаяся ошибка не зависит от величины возмущения, то система является астатической 1-ого порядка. Если установившаяся ошибка не зависит от первой производной возмущающего воздействия, то система является астатической 2-го порядка. Кроме того, различают статизм и астатизм по задающему воздействию. При этом возмущение считается постоянным и установившаяся ошибка рассматривается в зависимости от величины задающего воздействия.
Рассмотренные разновидности и свойства являются основными и не исчерпывают всего многообразия САР.
Виды задающих и возмущающих воздействий.
Возмущения, действующие на САР, представляют собой непрерывные функции времени с различными законами изменения. Часто такой же характер имеют задающие воздействия. Поэтому поведение САР в реальных условиях представляет собой сочетание переходного и установившегося режимов. В этом случае возникают трудности принципиального характера, т.к. заранее неизвестны законы измерения внешних воздействий, что затрудняет анализ динамики и статики САР, Для ликвидации возникших затруднений часто используют так называемые типовые, управляющие и возмущающие воздействия, которые представляют собой либо наиболее вероятные, либо наиболее неблагоприятные законы изменения управляющих и возмущающих воздействий. Например, довольно широко в качестве типовых используют воздействия полиномиального вида: (1.1)

,
где n= 0,1,2
… натуральные числа;

- постоянные величины;

1(t) называется единичная ступенчатая функция.
При n=0 выражение (1.1) определяет ступенчатое воздействие: (1.2)

При n=1 из выражения (1.1) получим линейное воздействие ( воздействие с постоянной скоростью): (1.3)

При n=2 из выражения (1.1) получим воздействие с постоянным ускорением: (1.4)

Графическое представление типовых воздействий, соответствующих уравнениям (1.2), (1.3), (1.4) представлено на рис. 1.6.
В некоторых случаях в качестве типового используется воздействие следующего вида:

,
где d (t) – единичная дельта-функция

Рис 1.6. Типовые полиномиальные воздействия
Единичная дельта - функция (единичный импульс) представляет собой математическую идеализацию импульса бесконечно малой длительности, бесконечно большой амплитуды, имеющего конечную площадь, равную единицы, т.е:

.
Существует следующая связь между единичной ступенчатой функцией и дельта – функцией:

Кроме того, часто применяются гармонические типовые воздействия:

,
где k- постоянный коэффициент; w - частота; j -фаза.
Момент приложения внешних воздействий к САР обычно принимается за нуль отсчёта времени. При таком подходе внешние воздействия для отрицательного момента времени равны нулю. В связи о этим, в аналитические выражения для внешних воздействий в качестве множителя вводят единичную ступенчатую функцию.
Любое внешнее воздействие сложной формы может быть приближенно представлено в виде совокупности типовых воздействий, связанных между собой определенными математическими операциями.
Законы регулирования.
В составе структуры САР содержится управляющее устройство, которое называется регулятором и выполняет основные функции управления, путем выработки управляющего воздействия U в зависимости от ошибки (отклонения), т.е. U = f(D ). Закон регулирования определяет вид этой зависимости без учёта инерционности элементов регулятора. Закон регулирования определяет основные качественные и количественные характеристики систем.
Различают линейные и нелинейные законы регулирования. Кроме того, законы регулирования могут быть реализованы в непрерывном виде или в цифровом. Цифровые законы регулирования реализуются путем построения регуляторов с помощью средств вычислительной техники (микро ЭВМ или микропроцессорных систем).
Рассмотрим основные линейные законы регулирования. Простейшим является пропорциональный закон и регулятор в этом случае называют П- регулятором. При этом U=U0+kD , где U0-постоянная величина, k - коэффициент пропорциональности. Основным достоинством П - регулятора является простота. По существу, это есть усилитель постоянного тока о коэффициентом усиления k. Недостатки П - регулятора заключаются в невысокой точности регулирования, особенно для объектов с плохими динамическими свойствами.
Интегральный закон регулирования и соответствующий И - регулятор реализует следующую зависимость:

,
где Т -постоянная времени интегрирования.
Техническая реализация И - регулятора представляет собой усилитель постоянного тока с емкостной отрицательной обратной связью. И - регуляторы обеспечивают высокую точность в установившемся режиме. Вместе с тем И - регулятор вызывает уменьшение устойчивости переходного процесса и системы в целом.
Пропорционально-интегральный закон регулирования позволяет объединить положительные свойства пропорционального и интегрального законов регулирования. В этом случае ПИ - регулятор реализует зависимость:


Мощным средством улучшения поведения САР в переходном режиме является введение в закон регулирования производной от ошибки. Часто эта производная вводится в пропорциональный закон регулирования. В этом случае имеем пропорционально-дифференциальный закон регулирования, регулятор является ПD- регулятором, который реализует зависимость:

Кроме ПИ и ПД регуляторов, часто на практике используют ПИД -регуляторы, которые реализуют пропорционально–интегрально- дифференциальный закон регулирования:

Среди нелинейных законов регулирования наиболее распространены релейные законы. Существуют двухпозиционный и трехпозиционный законы регулирования. Аналитически двухпозиционный закон регулирования записывается следующим образом:

Трехпозиционный закон регулирования имеет следующий вид:

На рис 1.5. представлены в графическом виде релейные законы регулирования.
При трехпозиционном законе регулирования величина D Н определяет зону нечувствительности регулятора.
Применение релейных законов позволяет при высоком быстродействии получить такие результаты, которые невозможно осуществить с помощью линейных законов,


Рис 1.5. Релейные законы регулирования
Учет: Делопроизводство - Автоматизация - Софт