Бабин А. - Автоматизация технологических процессов
Уральский государственный лесотехнический университет
Учебное пособие составлено в соответствии с образовательным стандартом 656300 Технология лесозаготовительных и деревообрабатывающих производств Рассмотрены принципы действия основных элементов пневмоавтоматики и гидроавтоматики, а также различных устройств, построенных на этих элементах Приведены расчеты переходных процессов в пневматических линиях и устройствах Отдельно рассмотрены преобразователи гидравлических, пневматических и электрических сигналов, а также схемные решения исполнительных механизмов Предназначено для студентов специальностей 2601 Лесоинженерное дело и 2602 Технология деревообработкиы при изучении курса Автоматика и автоматизация производственных процессов
Введение
При решении задач проектирования и создания устройств для автоматического управления технологическими процессами наряду с электронными приборами широко применяются пневмогидроавтоматические элементы и устройства.
Пневматика является основным средством автоматизации в таких отраслях промышленности, как: целлюлозно-бумажная, химическая, деревообрабатывающая, текстильная и других. Это обусловлено следующими достоинствами пневмогидроаппаратуры:
а) пожаро- и взрывобезопасность;
б) высокая надежность;
в) нечувствительность к перегрузкам;
г) возможность работы при высоких температурах;
д) наличие быстродействующих и надежных исполнительных устройств;
е) неподверженность радиационным воздействиям;
ж) низкая стоимость;
з) простота в обслуживании и эксплуатации.
К недостаткам пневмогидроаппаратуры следует отнести:
а) невысокое быстродействие;
б) ограниченная дальность передачи сигналов;
в) повышенные требования, предъявляемые к рабочему воздуху для передачи сигнала.
Невысокое быстродействие обусловлено физической сущностью явлений, происходящих в пневмоэлементах и пневмолиниях, и объясняется тем, что скорость распространения пневматических сигналов соответствует скорости звука, в то время как скорость распространения электрических сигналов скорости света. Однако этот недостаток не сказывается существенным образом на качестве управления технологическим процессом в случае, когда инерционность объекта управления значительно больше, чем у пневматических элементов и устройств, составляющих систему управления.
Второй недостаток пневмоаппаратуры вызван тем, что с увеличением расстояния передачи пневмосигнала возрастают потери в линиях. Сигналы в пневмолиниях обычно передаются на расстояние не более 300 метров.
Третий недостаток обусловлен жесткими требованиями, предъявляемыми к подаваемому в пневмоаппаратуру воздуху. Воздух:
а) не должен содержать машинное масло, которое, попадая в воздух в компрессорах, вызывает изменение эластичных рабочих органов пневмоэлементов;
б) должен иметь пониженную влажность, поскольку, попадая в рабочие органы, воздух расширяется, снижая свою температуру, и из него может выделиться влага, изменяющая рабочие характеристики пневмоэлементов;
в) не должен содержать механические включения, например, в виде пыли, вызывающие порчу и засорение пневмоэлементов.
В своем развитии пневмоавтоматика прошла несколько этапов.
На раннем этапе пневматические устройства использовались в основном в качестве поршневых и мембранных исполнительных механизмов.
Следующим этапом развития пневмоавтоматики было создание универсальных крупногабаритных приборов. В этих приборах в одном корпусе совмещены измерительная система и показывающее, регистрирующее, задающее и регулирующее устройства.
Недостатком приборов такого типа являлись их узкие функциональные возможности.
В конце 40-х годов был предложен новый агрегатный принцип построения систем пневмоавтоматики.
В соответствии с этим принципом системы состоят из стандартных блоков, каждый из которых выполняет функцию какого-либо устройства, входящего в контур регулирования, например, задатчик, регулятор, суммирующее устройство и т. д. Такая система устройств называлась АУС (агрегатная унифицированная система).
В конце 50-х годов было предложено для построения приборов и систем пневмоавтоматики, как и в электронике, применять элементный принцип. При этом любой пневматический прибор создается не в виде новой конструкции, а собирается из ограниченного числа стандартных элементов.
С этой целью была разработана универсальная система элементов промышленной пневмоавтоматики (УСЭППА).
Элементы этой системы унифицированы: один и тот же элемент может использоваться в одной схеме или в схемах самых различных устройств.
Набор элементов УСЭППА является функционально полным, т. е. на базе этих элементов можно создать любое устройство непрерывного или дискретного действия.
В состав УСЭППА входят: пневмосопротивления, пневмоемкости, усилители, повторители, пневмореле, органы управления (задатчики, кнопки, тумблеры), дискретные преобразователи, исполнительные устройства.
На базе элементов УСЭППА разработана система промышленных приборов Старт, включающая в себя функциональные устройства, регуляторы, преобразователи и т. д.
Элементы пневмоавтоматики
1.1. Пневматические сопротивления
Пневмосопротивления (дроссели) предназначены для создания сопротивления течению воздуха (дросселирования потока). Назначение их в системах пневмоавтоматики то же, что и у электрических сопротивлений в электрических схемах.
По характеру течения газов пневмосопротивления делятся на турбулентные и ламинарные.
По виду расходной характеристики различают линейные и нелинейные пневмосопротивления.
По функциональному назначению их подразделяют на постоянные, переменные и управляемые.
Турбулентные сопротивления представляют собой канал цилиндрической формы с малым отношением длины к диаметру. Эффект дросселирования вызывается местными сопротивлениями на входе и потерей энергии на выходе. Процесс течения газа адиабатический.
Сопротивления могут работать в докритическом и надкритическом режиме истечения газа.
Конструкция турбулентных сопротивлений показана на
Рис. 1. Турбулентные сопротивления: а, б постоянные, в переменное

Расходная характеристика описывается выражением (1)
где р коэффициент расхода;
F площадь отверстия;
Рі, Р2 давление, соответственно до и после дросселя.
Это выражение трудно использовать для расчетов, но его можно упростить
(2)
При небольших перепадах давления считаем величину р постоянной (т. е. рі = рг).
Тогда р ¦ F ¦ у]2р - а постоянный коэффициент.
Уравнение расходной характеристики турбулентного сопротивления имеет вид
3
Характеристики нелинейны и представляют собой семейство парабол с различными коэффициентами а (рис. 2).

Перепад давления на дросселе АР = Р, - Р2
Рис. 2. Расходные характеристики турбулентных сопротивлений
Ламинарные сопротивления изготавливаются в виде капилляров, т. е. трубок малого сечения с большим отношением длины к диаметру. Потери давления обусловлены наличием трения в канале.
Ламинарные сопротивления работают в до-критическом режиме истечения. Конструкция ламинарных сопротивлений показана на рис. 3.

Рис. 3. Ламинарные сопротивления: а, б постоянные, в переменное
Расход газа описывается уравнением (4).
x-d*
256-nd l-R-?
{Р.-Рг)-
(4)
Из этого уравнения видно, что расход не является линейной функцией перепада давлений. Преобразуем эту формулу:
x-d'-ft-Pj Р1 + Р2_ ж-d* {р
128 Hj R-? I 2 128 ¦ рл1
(5)
G.
. л - Pt+P2 - ^
Где Р 2R9 R-?
средняя плотность газа в пневмо
сопротивлении.
При малых перепадах давления:
(6)
а = const.
Тогда: GB = а - (Р, - Р2). (7)
И это выражение является линейным.
Обозначая Р\-Рг = АР, запишем
АР
г- (8)
Сравним с записью закона Ома для электрической цепи:
U = Rc-I. (9)
Сравним выражения (8) и (9). Налицо аналогия.
Исходя из аналогии, выбрано и название для коэффициента а проводимость пневмосопротивления. Если в электрических цепях проводимость резистора определяется длиной и диаметром проводника, то в пневмосопротивлениях проводимость определяется длиной и диаметром капилляра.
Пневматические емкости
Пневматические емкости предназначены для накапливания определенного количества сжатого воздуха. В сочетании с пневмосопротивлениями применяют для создания устройств, реализующих временные операции (интегрирование, дифференцирование и т. д.).
Рассмотрим уравнение, связывающее изменение массы газа в сосуде с изменением его объема от ?о до V, при изменении давления в нем от Ро до Л при постоянной температуре:
т = р-?±гЪ-у* (Ю)
R ? ’
где ? абсолютная температура.
По аналогии с электрической емкостью величину т будем считать пневматическим зарядом.
Тогда заряд ш, накапливаемый в сосуде постоянного объема V, при изменении давления в нем от Ро (атмосферное давление) до Рі равен
т = У (Л - Л,) = ?_-?х (11)
_ R ? R ? ’
где Р, избыточное давление в сосуде.
Таким образом, пневматический заряд т, накапливаемый в сосуде постоянного объема, пропорционален избыточному давлению воздуха в нем.
Уравнение (11) при постоянной температуре можно записать в виде _
т -СР,
где С =- коэффициент, характеризующий аккумули-
R ¦ ?
рующую способность емкости.
Условные обозначения пневмоемкости постоянного (а) и переменного (б) объема показаны на рис. 4.

Рис. 4. Пневмоемкости:
а постоянного объема; б переменного объема
Пневматические усилители
При создании любой функционально полной системы элементов (электронной, гидравлической, пневматической) необходимо иметь элемент, осуществляющий усиление сигналов.
Принцип, положенный в основу создания таких устройств из элементов пневмоавтоматики, состоит в изменении сопротивления усилителя при помощи сигналов, меньших по давлению и мощности по сравнению с выходными сигналами. Наибольшее распространение получили усилители с преобразователями типа сопло-заслонка.
Этот принцип используется и в усилителях УСЭППА.
Рассмотрим работу преобразователя типа соплозаслонка (рис. 5). Он осуществляет преобразование механического перемещения в пневматический сигнал.
Преобразователь состоит из дросселя постоянной проводимости А, дросселя переменной проводимости А, состоящего из сопла 1, заслонки 2 и пневмоемкости 3, включенной между дросселями.
\2
Ш/. d, d,'i т ~т / і і а
Рис. 5. Усилитель-преобразователь типа сопло-заслонка
Работа преобразователя происходит следующим образом. К постоянному сопротивлению А подведено давление питания Ро.
При изменении расстояния h между соплом 1 и заслонкой 2 изменяется давление воздуха Рі в пневмоемкости 3. При уменьшении h давление Рі возрастает, при увеличении падает. Перемещение заслонки h является входным сигналом преобразователя, давление в пневмоемкости Рі выходным.
Статическая характеристика преобразователя представляет собой зависимость изменения давления в пневмоемкости РІ от перемещения заслонки h. Эту зависимость можно построить по расходным характеристикам постоянного и управляемого пневмосопротивления. В практических расчетах сопротивление преобразователя сопло-заслонка принимают турбулентным.
Это подтверждается совпадением статической характеристики преобразователя, полученной расчетным п^тем, для турбулентных сопротивлений и снятой экспериментально.
При различных положениях заслонки относительно сопла и различных давлениях питания, возможны четыре сочетания режимов истечения воздуха через постоянное и переменное сопротивления. Наибольшее распространение в промышленной пневмоавтоматике получил режим докритического истечения воздуха через постоянное и переменное сопротивления.
В этом случае расход воздуха в статике через постоянное сопротивление(12)
Gg 2| F}

w - K d\
где Г\ - - площадь проходного сечения постоянного
сопротивления.
Расход через переменное сопротивление

где Fi = ж dr h площадь поперечного сечения переменного сопротивления.
(14)

Считая, что температура воздуха постоянна (?й = ?\), принимая коэффициенты расхода йі ий2 постоянными и равными и учитывая равенство расходов Gb\ = Овг, из (12) и (13) получим
Так как при работе пневмопреобразователя d\, d2, Ро, Рь величины постоянные, то, задаваясь значениями Р\, получим соответствующие h. Статическая характеристика преобразователя типа сопло-заслонка P\-f(h) представлена кривой на рис. 6.
Р, х ІО5, Па
А

Рис. 6. Статические характеристики преобразователей типа сопло-заслонка:
1 односоплового преобразователя,
2 предпочтительный вид характеристики;
3 двухсоплового преобразователя
В начальном участке статическая характеристика имеет малый наклон к оси абсцисс, далее угол увеличивается, Затем опять уменьшается. Так как характеристика нелинейна, то используют только ее средний участок. При работе на начальном участке (при малых h) преобразователь чувствителен к перекосам заслонки и вибрациям, что снижает его точность.
При работе на конечном участке характеристики чувствительность мала.
Для повышения точности и чувствительности преобразователя необходимо расширить и поднять в область высоких давлений начальный участок характеристики и увеличить крутизну и линейность рабочего участка. Это дает возможность располагать заслонку дальше от сопла, что делает устройство нечувствительным к перекосам заслонки, вибрациям и увеличивает диапазон изменения выходного давления Рі на рабочем участке.
Желательный вид статической характеристики преобразователя показан на рис. 6, кривой 2.
Формирование статической характеристики осуществляется созданием перепада давления на одном из сопротивлений или на обоих сразу.
Одним из способов создания статической характеристики, удовлетворяющей перечисленным требованиям, является использование двухсопловой системы преобразователя (рис. 7).

Рис. 7. Двухсопловый усилитель-преобразователь:
?„ D2 дроссели переменного сопротивления, 3 заслонка
При перемещении заслонки 3 одно из управляемых сопротивлений увеличивается, другое уменьшается.
Расходы воздуха через сопла управляемых сопротивлений
Учитывая, что сс\ = аг, d\ = di, в статике Gb\ = Gbi, а полный ход заслонки определяется как сумма расстояний заслонки от сопл, т. е. ho = hi + /ц, получим
По этому выражению можно построить статическую характеристику преобразователя (см. рис. 6. кривая 3).
Двухсопловый преобразователь имеет большую крутизну статической характеристики, чем простой, и при h = ho выходное давление преобразователя равно нулю.
Пневматические повторители
Во многих схемах пневмоавтоматики необходимо осуществлять пневматическое разделение одного элемента от другого для того, чтобы исключить влияние последующего элемента на режим работы предыдущего. Рассматривая работу отдельных элементов, мы предполагаем, что расход воздуха на выходе элемента равен нулю. Появление утечек воздуха на выходе элемента, вызванное потреблением последующего элемента, приводит к существенным искажениям характеристик устройств.
С аналогичной ситуацией мы сталкиваемся в электронной технике, когда хотим исключить влияние нагрузки на работу каскада. В электронике для этой цели между каскадами включают повторитель (катодный, эмиттерный), имеющий коэффициент усиления, по напряжению равный единице и осуществляющий разделение каскадов по току.
Аналогичный элемент имеется и в пневмоавтоматике. Это пневматический повторитель.
Он осуществляет пневматическое разделение каскадов и имеет коэффициент усиления, по давлению равный единице.
Промышленность выпускает три модификации преобразователя: маломощный точный повторитель, маломощный точный повторитель со сдвигом, усилитель мощности. На рис.
8. представлена схема маломощного точного повторителя.

Рис. 8. Маломощный точный повторитель П2П.1
Рис. 9. Статическая характеристика маломощного точного повторителя
Нагрузкой предыдущего каскада, на выходе которого включен повторитель, является глухая камера А повторителя. Последующий каскад подключен к камере Б. Благодаря этому мембрана повторителя, осуществляет пневматическое разделение каскадов.
Так как объем камеры мал, то потребление воздуха не окажет влияния на работу предыдущего каскада.
Сочетание дросселя а, камеры Б и дросселя соплозаслонка представляет собой преобразователь типа соплозаслонка, рассмотренный ранее. При подаче давления Рвх в камеру А на мембрану действует усилие Q\ = PBX FM (Fu эффективная площадь мембраны), перемещающее ее вниз. При этом уменьшается расстояние h между соплом и заслонкой в камере Б. В соответствии со статической характеристикой
преобразователя (рис. 6) возрастает давление Р в камере Б. При этом растет усилие обратной связи Qi - P FM, перемещающее мембрану вверх.
Система придет в равновесие при Q\ - Qi, т. е. когда давление на выходе повторителя Р станет равным входному давлению Р,х. Это говорит о том, что выходной сигнал повторителя равен входному, т. е. его коэффициент усиления равен единице.
Статическая характеристика преобразователя представлена на рис. 9. Ее уравнение Р = Ptx.
Относительная статическая погрешность повторителя ±0,25%.
В силу того, что преобразователь типа сопло-заслонка, входящий в состав повторителя, является инерционным элементом, с повышением частоты входного сигнала возрастают амплитудные (уменьшение коэффициента усиления) и фазовые (отставание по фазе выходного сигнала) погрешности. При подаче на вход преобразователя ступенчатого сигнала эти погрешности скажутся на уменьшении крутизны переднего фронта выходного сигнала.
На рис. 10 показаны экспериментально снятые частотные характеристики повторителя, а на рис.
11 переходная функция идеального (1) и реального (2) повторителя.

Рис. 10. Частотные характеристики повторителя: А амплитудная; В фазовая

Рис. 11. Переходные функции повторителя:
1 идиальная; 2 реальная
Принимая допустимую фазовую погрешность Лрдоп = 7, определим граничную частоту входного сигнала сі)ср 12 рад/с. Граничная частота для повторителя с нагрузкой (емкостью 50см3) 3 рад/с, без нагрузки 20 рад/с.
Схема повторителя со сдвигом приведена на рис. 12.
Этот повторитель осуществляет сдвиг сигнала (увеличение или уменьшение) на некоторую постоянную и настраиваемую величину давления. Повторитель со сдвигом выполняет операцию Рвых = Рвх±АР. Величина АР может составлять ±0,15-105 Па. Точность и граничная рабочая частота те же, что и у повторителя без сдвига.
Статические характеристики повторителя со сдвигом приведены на рис. 13.
Сдвиг устанавливают, меняя напряжение пружин.

Рис. 12. Повторитель со сдвигом
Рис. 13. Статические характеристики повторителя со сдвигом
В оконечных каскадах пневматических устройств, подключаемых к большим расходным нагрузкам или к длинным линиям, применяют усилитель мощности. Этот элемент усиливает сигнал по расходу, не изменяя при этом давления.
Усиление по расходу обеспечивается применением в качестве управляемых сопротивлений клапанов с большим проходным сечением.
Статическая характеристика усилителя мощности такая же, как и у повторителя без сдвига (рис. 9).
Пропорциональный регулятор
Пропорциональный регулятор непрерывного действия (П-регулятор) предназначен для получения непрерывного управляющего воздействия, подаваемого на исполнительное устройство с целью поддержания на заданном уровне регулируемого параметра технологического процесса, формирование управляющего воздействия осуществляется в соответствии с выражением
и = КрЛХ, (16)
где U управляющее воздействие;
АХ рассогласование на выходе регулятора;
А'р коэффициент пропорциональности регулятора.
АХ=Х, - Ym , (17)
где X, заданное значение регулируемого параметра (задание);
Ym текущее значение регулируемого параметра.
Из выражения (16) видно, что управляющее воздействие пропорционально (с коэффициентом Кр) отклонению регулируемого параметра от заданного значения. Отсюда и название закона регулирования и регулятора, реализующего его, пропорциональный.
Из уравнения (17) видно, что при равенстве текущего значения регулируемого параметра заданному (Ym = X,; АХ - 0), управляющее воздействие равно нулю (рис. 14).
Чтобы избежать этого, вводят в закон регулирования сигнал Uo, обеспечивающий базовую степень открытия регулирующего органа, что соответствует номинальному (заданному) значению регулируемого параметра.
U = KP-AX+U0. (18)
В соответствии с уравнением (18) регулирование ведется в отклонениях от базового режима. При АХ = 0; U = Uo, что обеспечивает Ym = Х3.

Регулятор
Рис. 14. Структурная схема системы регулирования технологического параметра
Уравнение (18) используется при разработке конструкции регулятора. При синтезе автоматической системы регулирования (АСР) работа системы рассматривается в отклонениях от базового режима. В этом случае используют уравнение регулятора в виде (16).
Параметром настройки регулятора является его коэффициент усиления Кр. В паспорте регулятора часто приводят величину о, обратную коэффициенту усиления, выраженную в процентах.
Этот параметр настройки называется статизмом или диапазоном дросселирования.
О = 100 %,
к р (19) Кр = 1-100 %. (20)
Числовое значение статизма определяется в виде интервала измерения регулируемой величины (выраженной в процентах), вызывающего изменение выходного сигнала П-регулятора от одного крайнего значения до другого или перемещение исполнительного механизма из одного крайнего положения в другое.
В пневматических регуляторах, построенных на базе элементов У СЭППА (например, регуляторы системы Старт)
используются стандартные пневматические сигналы, меняющиеся в диапазоне 0,2 -г- 105 Н/м2(0,2 ч- 1 кгс/см2).
Для использования этих регуляторов в системах регулирования или управления необходимо преобразовать регулируемый параметр в форму стандартного пневматического сигнала.
П-закон регулирования, записанный в виде (18), реализуется пневматическим регулятором в виде
Р=Кр(Р,-Р2) + Рз, (21)
где Р выходной сигнал регулятора;
АР = Pi - Р2 отклонение регулируемого параметра от заданного значения;
Рі входной сигнал регулятора, пропорциональный заданному значению регулируемой величины (задание);
Р2 входной сигнал регулятора, пропорциональный текущему значению регулируемой величины;
Гидроаппаратура
Любой гидропривод состоит из источника расхода жидкости, которым в большинстве случаев служит насос, гидродвигателя, агрегатов управления, жидкостных магистралей (гидролиний) и прочих гидроаппаратов. Все аппараты и элементы гидроприводов на принципиальных схемах имеют условные обозначения в соответствии с ГОСТ 2.780-68, ГОСТ 2.782-68, ГОСТ 2.784-70, ГОСТ 2.721-74.
А. Насосом называется машина, преобразующая механическую энергию, приложенную к его валу, в энергию жидкости. Различают насосы постоянной производительности рис. 61а (пр.
1 п. 9) и насосы с регулируемой производительностью рис. 616 (пр.
1 п. 10).
Б. Гидродвигатели машины, преобразующие энергию жидкости в механическую энергию на ее валу. Гидродвигатель с вращательным движением ведомого (выходного) звена называется гидромотором. Можно выделить:
гидромотор нерегулируемый с постоянным направлением потока рис. 61 в (пр. 1 п. 21);
- гидромотор нерегулируемый с реверсивным потоком рис. 61 г (пр. 1 п. 22);
- гидромотор регулируемый с постоянным направлением потоков рис. 61 д (пр.
1 п. 23).
В. Гидроиилиндром называют гидродвигатель с прямолинейным возвратно-поступательным движением ведомого звена.
В приложении 1 приведены условные графические обозначения гидроцилиндров:
- одностороннего действия с возвратом штока пружиной рис. 61е (пр. 1 п. 30);
- двухстороннего действия с односторонним штоком рис. 61ж (пр. 1 п. 33);
- двухстороннего действия с двухсторонним штоком рис. 61и (пр. 1 п. 34);
- дифференциального цилиндра рис. 61 з (пр. 1 п. 36);
- цилиндра с торможением в конце хода с двух сторон рис. 61к (пр.
1 п. 37).

Рис. 61. Условные графические обозначения гидромашин
Гидроаппаратура
Гидроаппаратурой называют устройства, предназначенные для изменения параметров потока рабочей жидкости или для поддержания их на определенном постоянном уровне (под параметрами потока в данном случае понимают давление, расход и направление движения). В соответствии с этим можно выделить: а) распределители, б) аппаратуру, регулирующую расход, и в) аппаратуру, регулирующую давление.
а). Распределители предназначены для управления потоком рабочей жидкости.
С помощью распределителей обеспечивается направление рабочей жидкости к соответствующему исполнительному механизму, а также осуществляется реверс гидромеханизмов.
Условные графические обозначения распределителей строятся из обозначений отдельных элементов и их комбинаций: позиций подвижного элемента, линий связи, проходов и элементов управления. В распределителях рабочая позиция подвижного элемента изображается квадратом.
Число позиций изображают соответствующим числом квадратов, например, две позиции (рис. 62, а), три позиции (рис.
62, б). Распределители в принципиальных схемах изображают в исходной позиции, к которой подводят линии связи. Для того, чтобы представить действие распределителей в другой рабочей позиции, необходимо мысленно передвинуть соответствующий квадрат на место исходной позиции, оставляя линии связи в прежнем положении. Пробелы изображают линиями со стрелками, показывающими направления потоков рабочей среды в каждой позиции (рис.
62, в).
Примеры построения условных обозначений распределителей:
- распределитель четырех ходовый двухпозиционный (распределитель 4/2) с управлением от кулачка и пружинным возвратом рис. 62, г (пр. 1 п. 66);
- распределитель 4/2 с управлением от рукоятки с фиксатором рис. 62, д (пр. 1 п. 67);
- распределитель 4/2 с управлением от двух электромагнитов рис. 62е (пр. 1 п. 68);
- распределитель 4/2 с управлением от электромагнита и пружинным возвратом рис. 62ж (пр. 1 п. 69);
- распределитель 4/2 с гидравлическим управлением (рис. 62к);
- распределитель 4/3 с электрогидравлическим управлением (упрощенное обозначение), рис. 62и (пр.
1 п. 73).

Рис. 62. Обозначения распределительной аппаратуры
Нормализованные распределители могут иметь одно из восьми исполнений:
- исполнение 1 (основное) распределитель 4/3 с соединением нагнетательной линии и обоих отводов на бак при среднем положении золотника рис. 63, а (пр.1 п. 71);
- исполнение 2 распределитель 4/3 с соединением нагнетательной линии с обоими отводами и запертым сливом при среднем положении золотника (рис. 63, б);
- исполнение 3 распределитель 4/3 с соединением обоих отводов на бак и запертой нагнетательной линией при среднем положении золотника (рис. 63, в);
- исполнение 4 распределитель 4/3 с запертыми отводами, нагнетательной линией и сливом при среднем положении золотника (рис. 63, д);
- исполнение 5 распределитель 4/2 (рис. 63, г);
- исполнение 6 распределитель 4/3 с соединением на бак нагнетательной линии и запертыми отводами при среднем положении золотника (рис. 63, е);
- исполнение 7 распределитель 5/2 с разделительным сливом (рис. 63, ж);
- исполнение 8 распределитель 4/2 для дифференциальной схемы включения (рис. 63, з).
б). К аппаратуре, регулирующей давление, относятся: 1) золотники напорные, 2) клапаны предохранительные, 3) клапаны редукционные.
Золотники напорные рис. 64, а (пр. 1 п. 79) предназначены для поддержания определенного постоянного давления в гидросистемах и для предохранения гидросистем от перегрузки.
Они также используются в качестве обратных клапанов, для дистанционного управления потоками и для блокировки.
Клапан предохранительный с переливным золотником рис. 64, г (пр. 1 п. 76) упрощенное обозначение, (рис. 64, б, 64, в развернутое обозначение) предназначен для поддержания определенного постоянного давления и предохранения гидросистем от перегрузок.
Клапаны предназначены также для принудительной разгрузки гидросистемы. Если давление в гидросистеме выше настройки предохранительного клапана, то он открывается и жидкость через демпфер и предохранительный клапан идет на слив.
Сопротивление демпфера приведет к изменению соотношения давлений жидкости, действующих на переливной золотник сверху и снизу. Золотник поднимается вверх, открывая слив жидкости в бак.
Клапан редукционный рис. 64, б (пр.1 п. 80) служит для редуцирования давлений в гидросистемах с целью создания постоянного давления, развиваемого насосом.
Обычно клапаны применяются для предохранения части системы от повышения давления выше настройки клапана или для регулирования усилия, развиваемого рабочим органом.
В аппаратах, регулирующих расход жидкости в дросселях
путем изменения величины проходного сечения в дросселе, задается расход жидкости.

Рис. 64. Условные графические обозначения клапанов
Дроссели рис. 65, а (пр.
1 п. 86) применяются для задания скорости перемещения рабочих органов, когда не требуется постоянство скорости при изменении нагрузки.
Дроссель с регулятором рис. 65, б (пр. 1 п. 87) задает скорость перемещения рабочих органов с поддержанием стабильной скорости вне зависимости от нагрузки. Расход через дроссель зависит не только от величины сечения отверстия в дросселе, но и от величины перепада давления.
Регулятор поддерживает этот перепад постоянным.

Рис. 65. Условные обозначения дросселей
в). Элементы гидравлических сетей.
Бак резервуар для рабочей жидкости На рис. 66а показан бак под атмосферным давлением.
Фильтры (рис. 666) предназначены для очистки рабочей жидкости от механических примесей.

Рис. 66. Обозначения элементов гидравлических сетей
Типовые схемы гидросистем
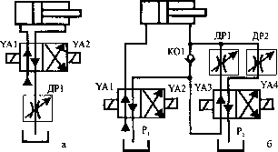
11.1. Реверсирование
В гидравлических схемах реверсирование можно осуществить, используя для этого распределители с ручным, электрическим и гидравлическим управлением. На рис.
67, а показана схема, в которой используется распределитель с электрическим управлением. При включении цилиндра с нагнетательной магистралью, а другую со сливной.
11.2. Регулирование скорости
Простым и наиболее распространенным регулятором скорости гидродвигателя является дроссель. Основным преимуществом гидропривода с дроссельным регулированием является возможность плавного изменения скоростей и простота управления. Дроссель в системах устанавливается чаще всего на входе гидродвигателя (рис.
67).
Получение двух скоростей движения в одном направлении показано на рис. 67, б.

Рис. 67. Схема регулирования скорости
При движении поршня вправо распределитель Рг соединяет дроссель ДР1 или дроссель ДР2 со сливом. При движении поршня влево обратный клапан КО откроется и жидкость проходит в цилиндр, минуя дроссели.
В распределителе Рг одно отверстие закрыто пробкой. При малых скоростях перемещения поршня (например, рабочей подаче) вместо дросселя ДР2 предпочтительно применение дросселя с регулятором.
Для получения равных скоростей в обоих направлениях движения поршня в гидросистемах используются распределители для дифференциальной схемы включения. В указанном на рис.
68 положении распределитель жидкости подводится одновременно к обеим полостям гидроцилиндра. Движение происходит влево, так как усилие влево, определяемое давлением рабочей жидкости и площадью поршня, будет больше усилия вправо.
Жидкость из штоковой полости через распределитель поступает в бесштоковую полость.
После реверсирования в штоковой полости сохраняется давление, а бесштоковая полость соединится со сливом.

Рис. 68. Дифференциальная схема включения цилиндра
11.3. Блокировка
Схема удержания на весу поршневой группы вертикального цилиндра (рис. 69) устраняет возможность самопроизвольных перемещений поршня гидроцилиндра под влиянием сил, действующих на шток со стороны рабочих органов, например, при вертикальной компоновке цилиндра.

Рис. 69. Схема блокировки
При перемещении поршня вниз, жидкость из бесштоковой полости цилиндра, открывает напорный золотник и через распределитель уходит на слив. При ходе поршня вверх обратный клапан КО свободно пропускает жидкость в нижнюю полость цилиндра. При выключении привода насоса поршень стремится опуститься, создавая в нижней полости некоторое давление Р\.
Если напорный золотник настроен на давление Рг, он не откроется и поршень не сможет опускаться, возможно, однако, медленное опускание поршня за счет утечек.
Более полный набор условных обозначений элементов гидроавтоматики дан в приложении 2.
Выполнение принципиальных гидравлических (пневматических) схем
Правила выполнения гидравлических (пневматических) схем устанавливаются ГОСТ 2.704-76. Все элементы и устройства изображаются на схемах, как правило, в исходном состоянии: пружины в состоянии предварительного сжатия, электромагниты обесточены. Каждый элемент или устройство, входящее в изделие и изображенное на схеме, должно иметь буквенно-цифровое позиционное обозначение, состоящее из буквенного обозначения и порядкового номера, проставленного после буквенного обозначения.
Буквенное обозначение должно представлять собой сокращенное наименование элемента, составленное из его начальных или характерных букв, например: клапан К, дроссель ДР.
Ниже приведены буквенные позиционные обозначения наиболее распространенных элементов: устройство (общее обозначение) А, гидроаккумулятор (пневмоаккумулятор) АК, гидробак Б, влагоотделитель ВД, вентиль ВН, пневмоглушитель Г, гидродвигатель (пневмодвигатель) поворотный Д, гидродроссель (пневмодроссель) ДР, гидроклапан (пневмоклапан) К, гидроклапан (пневмоклапан) выдержки времени КВ, гидроклапан (пневмоклапан) давления КД, гидроклапан (пневмоклапан) обратный КО, гидроклапан (пневмоклапан) предохранительный КП, гидроклапан (пневмоклапан) редукционный КР, гидромотор (пневмомотор) М, манометр МН, маслораспылитель МР, насос Н, гидрораспылитель (пневмораспылитель) Р, реле давления РД, регулятор потока РП, ресивер PC, фильтр Ф, гидроцилиндр (пневмоцилиндр) Ц.
Порядковые номера элементов присваиваются, начиная с единицы, в пределах группы элементов, которым на схеме присвоено одинаковое буквенное позиционное обозначение, например: РІ, Р2, РЗ и т. д., К1, К2, КЗ и т. д. Буквы и цифры в позиционных обозначениях на схеме следует выполнять одним размером шрифта. Допускается позиционные обозначения элементам присваивать в пределах отдельного устройства, например, в развернутом графическом обозначении предохранительного клапана с переливным золотником дать буквенное обозначение предохранительному клапану, демпферу и переливному золотнику.
В гидравлических (пневматических) принципиальных схемах элементы линий связи изображаются согласно ГОСТ 2.784-70. Примеры обозначения линий связи показаны в рис. 70, а, где I линия всасывания, напора, слива (пр.
1 п. 55); IIлиния управления (пр. 1 п. 56); Шдренажные (отвод утечек) линии (пр.
1 п. 57).
Примечание: линии всасывания, напора, слива должны быть в три раза толще линий управления и дренажных.
При начертании гидравлических (пневматических) схем соединения линий связи выполняются в соответствии с примером показанном на рис. 70, б, (пр. 1 п. 58), а перекрещивание (пересечение) линий связи рис. 70, в (пр.
1 п. 59).
На линиях связи допускается указать стрелочками направление потоков рабочей жидкости.
Допускается линиям связи присваивать порядковые номера, начиная с единицы, как правило, по направлению потока рабочей среды. Номера линий связи на схеме проставляют около обоих концов изображений.
Порядковые номера дренажных линий связи присваивают после всех номеров линий связи.
в

Рис. 70. Условные графические обозначения выполнения пневматических и гидравлических линий связи и сетей
При сокращении длины линий нагнетания источник питания не изображают, а около соответствующего элемента и устройства показывают подвод рабочей среды (для гидрав-лических схем рис. 70, г(пр.
1 п. 60), для пневматических схемрис. 70,д(пр. 1 п. 62). При сокращении линий слива и дренажа баки повторно изображают около соответствующего элемента (пр.
1 п. 76).
Другие условные обозначения элементов пневмогидро-автома-тики приведены в приложении 1, в приложении 2 приведены графические изображения элементы гидро-автоматики и их определения.
Исполнительные устройства
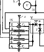
Для проверки элементы устанавливают на плату (рис. 45, а), которую подключают к стенду ЛТ-25.
Если после установки на плату и подключения к стенду элемента IV (см. рис. 46) по схеме (рис. 45, в) окажется, что Pi Р\, то двумя отвертками одновременно ввертывают сопло питания 4 и вывертывают сопло 3 сброса в атмосферу, и наоборот. Для регулировки зоны нечувствительности сближают или разводят сопла.
После настройки сопла закрепляют контргайками.
Для проверки элементов I (см. рис. 46) и VI собирают схему (рис.
45, б). Устанавливают давление Р\ на 35 делении шкалы манометра. Давление Рг изменяют до тех пор, пока Рг тоже не начнет изменяться.
При равновесии элемента и Р3, равном 30 40 делениям шкалы манометра, значения Р\ и Рг не должны отличаться между собой более чем на 0,5 деления или на 0,08 кгс/см2.
Элементы I и VI настраивают так же, как элемент IV.
После настройки элементов градуируют органы динамической настройки, т. е. проверяют соответствие фактических значений Ти и 3, нанесенных на шкалы дросселей Ти и а.

Рис. 45. Схема платы для проверки элементов сравнения (а) и схема внешних соединений пятимембранных элементов, работающих в режиме суммирования (б) и сравнения (в)



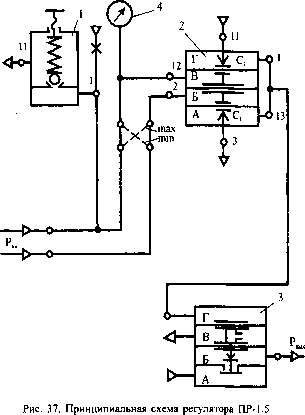
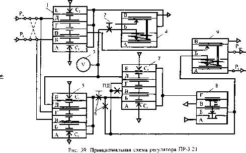
Рис. 46. Принципиальная схема регулятора ПР-3.21 при поверке
Шкалу дросселя а устанавливают на отметку 100%, шкалу Ти 0,05 мин. Для проверки шкалы а используют поверочную схему (см. рис. 44).
Подают давление PJao, равное 35 делениям шкалы манометра. После уравновешивания регулятора на этом значении шкалу дросселя Ти устанавливают на отметку оо, а а на отметку 3000%.
Задатчиком изменяют Р,а„ на величину 20 делений шкалы манометра и фиксируют давление Рвых.
зад
Истинное значение диапазона дросселирования определяют по формуле: ( др
-1
АР
- 100%.
V вых /
Затем шкалу дросселя а устанавливают на следующее оцифрованное значение и расчет повторяют.
Например, уменьшим задание на 20 делений (ДРза0 = 20 делений) при положении дросселя а - 60%. Если при этом Рвых установится на 22-ом делении шкалы манометра, то истинное значение д будет равно
20
13
- 100% = 54%.
Для градуировки дросселя Ти регулятор балансируют при значениях: Рзаа = 35 делений шкалы манометра, д = 100% и Ти = 0,05 мин.
Устанавливают шкалу дросселя а на отметку 3000%, а шкалу Ти на проверяемую отметку. Затем резко увеличивают давление Рза0 на 20 делений и включают секундомер. В момент, когда выходное давление достигнет значения 48 делений, секундомер выключают.
Время достижения Р,ых значения 48 делений и есть истинное время интегрирования регулятора на проверяемой точке.
Данные фактических значений д и Ти на оцифрованных точках шкал заносят в протокол стендовой поверки или в паспорт регулятора в виде таблиц. Если фактически значения д и Ты больше или меньше допустимых, регулируют значения б и Г, специальными регулировочными винтами, расположенными под шкалами дросселей Ти и а .
Для проверки вторичных приборов собирают поверочную схему. На штуцер 4 подают питание Рпп = 1,4 кгс/см2, на штуцер 2 подают Р.. от задатчика стенда, которую контролируют по образцовому манометру. Выходное давление Р€ЫХ со штуцера 7 контролируют также по образцовому манометру.
Для проверки работы задатчика вторичный прибор включают в режиме ручного управления.
При вращении задатчика стрелки вторичного прибора Задание и Выход должны синхронно перемещаться по шкалам и погрешность их показаний, сравниваемых с показаниями образцового манометра, должна быть не более 1%.
Затем проверяют станцию управления вторичного прибора. При нажатой кнопке Вкл нажимают кнопку А, отключая задатчик от выхода прибора, и давление на клемме 3 должно исчезнуть. Давление на клемме 5 есть.
При нажатии кнопки АП должно исчезнуть давление на клемме 5 (показания по шкале Задание становятся равными нулю), тогда вращение задатчика не изменяет положения стрелок Задание и Выход. Если в этом положении подать на штуцер 6 от стенда давление 0,2 ч- 1,0 кгс/см2, то стрелка Задание должна показать это давление и, это же давление должно появиться на клемме 5.
Проверку выполненного монтажа начинают с проверки правильности подключения пневмолинии к штуцерам прибора. Затем проверяют герметичность системы.
Если обнаруживаются негерметичности в пневморазъеме вторичного прибора, резиновые кольца штекеров регулятора покрывают тонким слоем вакуумной смазки или плотнее затягивают винты, которыми регулятор крепится к прибору.
Герметичность линии к исполнительному механизму проверяют следующим образом. Устанавливают Рвых = 0,8ч-1,0 кгс/см2, и после нажатия кнопки А Рвых не должно изменяться.
При опробовании системы проверяют работоспособность регулятора и его фазировку. Для этого к штуцеру 2 подключают ПНП-2 и вторичный прибор включают в автоматический режим (кнопки А и Вкл нажаты). Задатчиком прибора устанавливают Р7ао - 0,6 кгс/см2, при этом Рвых стремится к нулевому или максимальному значению.
Задатчиком ПНП-2 имитируют Р~, равное 0,6 кгс/см2.
При Р~ = Рзад Рвых должно начать изменяться в сторону увеличения или уменьшения.
Для ускорения проверки шкалы дросселей а и Ти следует установить Т„ = 0,05 мин и 5 = (10 -г 40)%.
Правильность фазировки систем проверяют путем логического анализа. Например, если регулируется температура газа изменением подачи охлаждающей воды в теплообменник при помощи клапана ВО, то при увеличении температуры газа выше заданной, должно быть увеличено количество охлаждающей воды.
Для динамической настройки регулятора выбирают один из методов, который с учетом технологических особенностей системы и требований к точности регулирования является наиболее эффективным. Широко применяют для систем пневмоавтоматики метод определения настроек по результатам раскачки объекта регулирования на критической частоте.
Для реализации этого метода совместно с технологическим персоналом составляют программу испытаний, в которой устанавливают величину нагрузки агрегата, допустимую величину возмущения и требования к качеству регулирования.
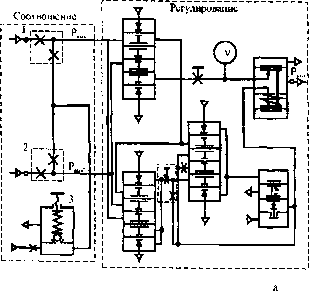
В качестве примера приведены результаты эксперимента и настройки регулятора уровня. Система построена следующим образом.
Уровнемер вырабатывает пневматический сигнал, который поступает на вторичный прибор и на регулятор ПР-3.21, управляющий пневматическим исполнительным механизмом МИМ. В режиме Р было установлено значение уровня 40% и на исполнительный механизм, находившийся при стабилизации уровня под давлением 0,55 кгс/см2, подавались ступенчатые изменения d на величину 18 кгс/см2, или 22% от диапазона изменения выходного сигнала 0,8 кгс/см2. Знак возмущения изменяли в момент прохождения уровнем значения 40% и в противофазе с ним.
Как видно из графика, средняя амплитуда колебаний Акр равна примерно 1,2%, а средний период их Тц, = 4 мин.
Для степени затухания хр - 0,9 оптимальные настройки определяют по формулам
А 1 о
= 2 100% =----100% = 12,4%,
0,44 d 22-0,44
Т„ опт = 1,25Г? - 5 = 1,25 - 0,4 - 0,125 = 0,625л,мн.
На шкалах дросселей а и Г, устанавливают д = 10%, 7 = 0,5 мин.
Кривая переходного процесса при ступенчатом изменении (кривая после периодических колебаний) величины задания Регулятору уровня, равного 5% шкалы.
На рис. 47 показана частотная характеристика регулирования уровня жидкости при помощи регулятора ПР-3.21.

Рис. 47. Частотная характеристика участка регулирования Уровня
Исполнительные устройства
Согласно ГОСТ 14691-69 они состоят из исполнительного механизма (ИМ) и регулирующего органа (РО). В соответствии с сигналами, поступающими по командной линии от регулирующего устройства, ИМ создает перестановочное усилие, под действием которого РО изменяет проходное сечение технологического трубопровода на входе в объект регулирования или выходе из него.
Изменение при этом притока (расхода) вещества является регулирующим воздействием, направленным на объект.
По виду используемой для работы энергии ИМ могут быть пневматическими, гидравлическими, электрическими. На технологических установках НПЗ применяют пневматические ИМ, работающие в составе пневматических регуляторов.
Они отличаются видом привода (мембранный или поршневой), характером перемещения выходного элемента (линейное или угловое), величиной перемещения и перестановочного усилия (момента силы).
Пружинный мембранный ИМ (рис. 48) по устройству аналогичен приводу П-регулятора прямого действия, рассмотренного ранее.
Воздух от регулирующего устройства поступает в мембранную коробку. Перестановочное усилие, создаваемое вялой мембраной на штоке, пропорционально давлению воздуха и эффективной площади жесткого центра (опоры мембраны).
Обратный ход штока при уменьшении давления обеспечивает возвратная пружина. Величина рабочего хода штока может быть от 5 до 100 мм при изменении давления воздуха от 10 ч-15 до 90 ч-95 кПа.
Поршневой ИМ (рис. 49) применяют в тех случаях, когда при достаточном перестановочном усилии требуется значительное перемещение регулирующего органа (до 300 мм). Поршень 1 со штоком 2 неподвижен, если давления воздуха в полостях А и Б цилиндра 3 равны.
Сжатый воздух поступает из золотникового воздухораспределителя (на схеме не показан), управляемого пневмосигналом от регулирующего устройства.

Рис. 48. Мембранный исполнительный механизм:
1 мембранная коробка, 2 мембрана, 3 опора, 4 пружина, 5 шток

Рис. 49. Поршневой исполнительный механизм:
1 поршень, 2 шток, 3 цилиндр
Регулирующие органы разнообразны по назначению и конструкции. Наиболее распространен регулирующий клапан, состоящий из перемещаемого мембранным исполнительным механизмом затвора относительно неподвижного седла 2. Шток, на котором крепится затвор, выводится из корпуса РО через сальниковое или сильфонное уплотнение. В зависимости от исходного положения затвора относительно седла в нормальном положении, т. е. в отсутствие давления воздуха
в мембранной коробке ИМ, проходное сечение РО может быть полностью открыто или закрыто. В первом случае РО называют нормально открытым (НО), а во втором нормально закрытым (НЗ). Тот или иной тип РО выбирают из условий обеспечения безопасности технологического процесса на случай непредвиденного прекращения подачи на ИМ сжатого воздуха. Как правило, на линиях теплоносителей, топлива, горючих и токсичных газов и жидкостей устанавливают РО типа НЗ.
Кроме односедельных РО (рис. 50) применяют двухседельные (рис.
51), имеющие большую пропускную способность.

Рис. 50. Односедельный регулирующий клапан: а нормально открытый (НО); б нормально закрытый (НЗ); 1 затвор; 2 седло; 3 корпус; 4 сальниковое уплотнение
Исполнительные устройства могут быть регулирующими, запорно-регулирующими и запорными. Последние из них (например, отсечные клапаны) предназначены для надежного перекрытия технологических трубопроводов в аварийных ситуациях.
Они снабжены более мощным приводом и РО специальной конструкции. Устанавливают их последовательно с регулирующими и исполнительными устройствами и при нормальном ходе процесса они полностью открыты.
Перемещению штока в регулирующих ИМ под действием усилий мембраны и возвратной пружины противодействуют силы трения в сальниковом уплотнении, а также динамическое воздействие на затвор потока вещества, проходящего через РО.
Это снижает чувствительность ИМ к малым изменениями давления командного воздуха, затвор перемещается рывками, что, в конечном итоге, отрицательно сказывается на качестве регулирования.

Рис. 51. Двухседельный регулирующий клапан
Пружинные мембранные ИМ могут комплектоваться также ручным дублером устройством для перемещения затвора РО вручную, например, в случае прекращения подачи воздуха питания регулятору.
На трубопроводах большого диаметра в качестве РО применяют поворотную заслонку, приводимую в действие пружинным мембранным ИМ через рычажную систему (рис. 52).
Исполнительные устройства устанавливают на прямолинейных участках трубопровода. До и после ИМ должна иметься запорная арматура, а в отсутствие ручного дублера, кроме того и байпасная (обводная) линия (рис.
53), позволяющая выключать ИМ (например, для ремонта). Управление расходом вещества в этом случае осуществляется вручную вентилем (задвижкой) на обводной линии.
Регулирующий орган должен устанавливаться с учетом направления потока вещества в трубопроводе (на корпусе РО имеется указательная стрелка). В случае установки ИМ на
линиях с горячими продуктами корпус узла сальника должен иметь ребристый радиатор охлаждения, а для предотвращения застывания вязких продуктов (например, мазута) корпус РО оборудуют обогревательной рубашкой.
Рис. 52. Поворотная заслонка

Рис. 53. Схема установки исполнительного устройства:
1 трубопровод, 2 исполнительное устройство, 3 вентили (задвижки), 4 обводная линия
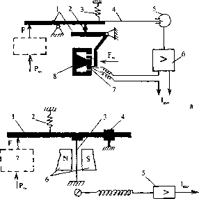
Преобразователи систем пневмогидроавтоматики
8.1. Преобразователи давления и разрежения
Государственной системой приборов (ГСП) разработано три типа унифицированных преобразователей давления: пневмосиловой (рис. 54), электросиловой (рис.
55, а), частотносиловой (рис. 55, б).
Приборы состоят из двух основных элементов: измерительного блока и преобразователя перемещения рычага измерительного блока в выходной стандартный сигнал пневматический, электрический или частотный. Такие преобразователи предназначены для работы в системах автоматического контроля и регулирования давления.
Принцип действия пневмосилового преобразователя заключается в следующем. В измерительном блоке измеряемое давление преобразуется в усилие Р, которое уравновешивается усилием сильфона обратной связи. При изменении давления происходит незначительное перемещение рычага и заслонки. При этом сопло и заслонка преобразуют это перемещение в управляющий сигнал давления сжатого воздуха, поступающего на усилитель.
Выходной пневматический сигнал с усилителя поступает одновременно в линию дистанционной передачи в сильфон обратной связи. Питание усилителя производится сжатым воздухом с давлением 137 кПа (1,4 кгс/см2), а давление выходного сигнала усилителя изменяется в пределах (19,6 -і-98) кПа (0,2-И кгс/см2).
Принцип действия прибора (рис. 54) основан на пневматической силовой компенсации. Измеряемое давление Р, подаваемое в сильфон I, преобразуется на передаточном механизме (Т-образном и Г-образном рычагах 2, 3) в пропорциональное усилие, которое автоматически уравновешивается усилием, развиваемым давлением воздуха в сильфоне обратной связи 9. Усилие, воздействующее на передаточный механизм, вызывает незначительное перемещение заслонки 5 относительно неподвижного сопла 6.

Давление от линии сопла поступает в пневмореле 8 и сильфон обратной связи 9. Это же давление одновременно является выходным сигналом прибора. Пружина 4 и винт 7 представляют собой корректор нулевого значения выходного давления.
В приборе установлен жидкостный демпфер (успокоитель) 10, устраняющий автоколебания выходного сигнала.
Принцип действия электросилового и частотно-силового преобразователей подобен действию пневмосилового преобразователя.
Так, в электросиловом преобразователе при изменении усилия Р происходит незначительное перемещение рычажной системы 1 и управляющего флажка 4 дифференциальнотрансформаторного индикатора рассогласования 5. При возникновении перемещения флажка в индикаторе генерируется напряжение переменного тока, которое усиливается электронным усилителем 6. Выходной сигнал с усилителя поступает в линию дистанционной передачи и в обмотку 7 электромагнитного устройства 8, являющегося обратной связью,
уравновешивающей входное усилие /V Величина выходного тока преобразователя составляет 05 мА или 020 мА постоянного тока.

Рис. 55. Преобразователи давления: а Схема электросилового преобразователя давления:
1 рычаг, 2 корректор, 3 противодействующая пружина, 4 флажок, 5 индикатор рассогласования, 6 усилитель, 7 обмотка, 8 электромагнитное устройство, 9 измерительный блок;
б Схема частотно-силового преобразователя
Приборы унифицированной системы ГСП могут быть пружинными и сильфонными.
Пружинный манометр с пневматическим сигналом имеет обозначение МП-П; с электрическим токовым сигналом МП-Э и с электрическим частотным сигналом МП-Ч.
Бесшкальным датчиком давления является манометрический преобразователь с дистанционной электрической передачей М1М (рис. 56). Он используется в системах дистанционного контроля и регулирования давления. Приборы в зависимости от модификации имеют верхний предел измерения от 0,1 до 160 МПа (1-М600 кгс/см2), Такие манометры служат для преобразования измеряемого давления в унифицированный электрический сигнал постоянного тока от 0 до 5 мА, который можно ввести в электронную машину, электронный регулятор или регулирующий автоматический прибор.
Манометр имеет класс точности 1,0.
При подаче измеряемого давления во внутреннюю полость манометрической трубки 1 происходит ее деформация, в результате которой поворачивается коромысловое устройство 2. Противоположный конец коромысла представляет собой металлическую площадку (флажок), который находится в высокочастотном поле катушки 3 (L1), входящей в контур генератора, выполненного на транзисторе ?Т1. При перемещении коромысла флажок изменяет свое положение относительно катушки L1, вследствие чего изменяется ее индуктивность и ток базы транзистора ?Т1 и генератора.
При изменении режима генератора изменяется коллекторный ток транзистора ?Т2, что, в свою очередь, приводит к изменению тока базы транзистора ?Т2, а следовательно, изменяется ток выхода преобразователя.
В цепи коллектора транзистора ?Т2 включена катушка обратной связи L3, которая укреплена на коромысле в поле постоянного магнита. Выходной ток транзистора ?Т2, проходя через индуктивность L3, создает момент обратной связи, противоположный моменту, создаваемому при деформации манометрической пружины.

Рис. 56. Схема манометрического преобразователя давления М1М:
1 датчик давления, 2 коромысловое устройство, 3 катушки индуктивности, 4 постоянный
магнит
Коромысло будет перемещаться до тех пор, пока момент обратной связи не будет равен моменту деформации пружины, при этом устанавливается определенное значение тока выхода преобразователя.
За счет обратной связи (индуктивности L3) обеспечивается однозначное соответствие между деформацией манометрической трубки и величиной тока выхода преобразователя.
Бесшкальный преобразователь давления типа МЭД используется для непрерывного преобразования давления (разрежения) в унифицированный выходной сигнал переменного тока, основанный на изменении взаимной индуктивности датчика.

Рис. 57. Схема манометрического преобразователя давления МЭД:
1 манометрическая пружина, 2 корпус, 3 разъем, 4 винт, 5 держатель, 6 планка, 7 катушка, 8 сердечник, 9 поводок, 10 специальный винт
Принцип действия прибора основан на использовании деформации упругого чувствительного элемента при воздействии на него измеряемого давления.
Как правило, бесшкальные преобразователи типа МЭД работают в комплекте со вторичными регистрирующими приборами с дифференциально-трансформаторной схемой типов КСД.
Электропневматические преобразователи
Преобразователь ЭПП-63 (рис. 58) служит для преобразования непрерывного сигнала постоянного тока О-т-5 мА в пневматический сигнал в унифицированном диапазоне 0,2-105-М-ІО5 Па и предназначен для работы в пневматических системах регулирования и контроля производственных процессов.
Преобразователь ЭПП-63 может также работать в комплекте с любым пневматическим прибором или устройством, рассчитанным на дистанционный прием входного сигнала унифицированного диапазона.

Преобразователь ЭПП-63 состоит из двух функционально различных блоков: электромеханического преобразователя и пневматического усилителя. Назначение первого блока линейное преобразование постоянного тока в момент силы, назначение второго усиление мощности и давления сжатого воздуха. При установившемся режиме постоянный ток, проходя по катушке 1, укрепленной на основном рычаге 3, создает усилие втягивания катушки в зазор постоянного магнита 2, которое уравновешивается на рычажной системе при вполне определенной реакции сильфона обратной связи 4.
Пневматический преобразователь ПП-1 (рис. 59) предназначен для преобразования угловых перемещений в пропорциональный аналоговый пневматический сигнал 0,2 + 1 кгс/см2. Принципиальная схема преобразователя приведена на рис. 59.
Угловое перемещение сектора 1 посредством оси 2, барабана 3, гибкой ленты 4 преобразуется в пропорциональное усилие пружины 5. Усилие, развиваемое пружиной, через рычаг 6 воздействует на заслонку 10, которая приближается к соплу 9 или отдаляется от него. Это вызывает изменение давления в камере Г и перемещение мембранной сборки 8, что приводит к увеличению или уменьшению давления в камере Б. Изменение давления в камере Б будет продолжаться до наступления нового состояния равновесия.
Давление в камере Б, являющееся выходным давлением, подается в камеру Д, где воздействует на мембрану 7, связанную заслонкой 10 (отрицательная обратная связь).
Давление питающего воздуха 1,4 кгс/см2, погрешность преобразователя не более ±1% от диапазона изменения выходного сигнала, длина трассы выходного сигнала при диаметре трубопровода от 6 мм до 300 мм, расход воздуха не более 2 л/мин. Преобразователь может выпускаться с правым и левым направлением вращения барабана.
Габаритные размеры прибора равны 66x76x105 мм.

Рис. 59. Принципиальная схема пневматического преобразователя ПП-1:
1 сектор, 2 ось, 3 барабан, 4 гибкая лента, 5, 12 пружина, 6 рычаг, 7 мембрана, 8 шкив. 9 сопло, 10 заслонка
Дополнительные устройства Позиционеры
Для обеспечения четкой работы пружинного мембранного ИМ его дополняют усилителем мощности, называемым позиционером (рис. 60). Его работа основана на принципе компенсации сил: на мембранную сборку, образованную мембранами 1 и 2, действуют два усилия, одно из которых создается давлением командного воздуха в камере А и нап-
равлено вниз: снизу вверх действует усилие со стороны пружины 3. Через шток 4 и рычаг 5 его создает ИМ. Воздух в мембранную коробку поступает из камеры В позиционера.
Давление воздуха в ней зависит от положения двойного золотника 6. Верхняя часть его управляет впуском воздуха из линии питания, а нижняя сбросом его через камеру Б в атмосферу. Это давление изменяется до тех пор, пока ИМ не отработает требуемое перемещение затвора РО только в этом случае восстановится равновесие мембранной сборки.

Рис. 60. Позиционер:
А, Б, В камеры, 1,2 мембраны, 3 пружина, 4 шток, 5 рычаг, 6 золотник
От регулятора
Таким образом, через позиционер осуществляется обратная связь по положению штока ИМ. Усиление по мощности командного пневмосигнала обеспечивается подачей воздуха питания позиционеру под более высоким по сравнению с питанием регулятора давлением (250 кПа).
Элементы гидроавтоматики
Преимущество гидроавтоматики в том, что устройства, использующие энергию, передаваемую по средствам жидкости, способны развивать большие усилия. Поэтому она используется чаще всего в автономных, агрегатных системах в качестве силового управления узлов и механизмов машин, поточных линий, например: применяется на линиях разделки хлыстов в лесной промышленности, в автотракторной технике и пр.
10.1. Гидропривод
Под гидроприводом понимается гидросистема (система гидромашин и гидроагрегатов), служащая для передачи посредством жидкости энергии на расстояние, преобразования ее в механическую энергию на выходе системы (в энергию движения гидродвигателя) и одновременно выполняющая функции регулирования и реверсирования скорости выходного звена.
Пневматические устройства системы СТАРТ
Положение сопел вдоль оси элемента регулируется, что обеспечивает высокую точность настройки элемента сравнения. Наибольшая разность между давлениями в момент срабатывания элемента 500 Па (50 мм вод. ст.).
Габаритные размеры элемента сравнения П2ЭС.1 равны 40x40x74 мм.

Рис. 22. Принципиальная схема элемента П2ЭС.1 Элемент сравнения П2ЭС.З
Элемент сравнения П2ЭС.З предназначен для сравнения двух или четырех непрерывных пневматических сигналов и получения выходных дискретных сигналов 0 или 1 при неравенстве нулю алгебраической суммы сравниваемых давлений, а также для алгебраического суммирования трех пнев-матических сигналов: двух со знаком + и одного элемента П2ЭС.З со знаком -. Элемент состоит из двух основных частей: мембранного блока (реагирующего органа) и двух пар сопло-заслонка. Мембранный блок состоит из пяти мембран, связанных между собой жестким центром, по торцам которого имеются полированные заслонки. Положение сопел вдоль оси регулируется, что обеспечивает высокую точность настройки элемента сравнения. Сравниваемые давления подаются на штуцер 11, штуцер 4 соединяется с атмосферой, выходное давление снимается со штуцера 14, соединенного со штуцером 1. При П2ЭС.З в качестве элемента сравнения открыт либо верхний, либо нижний пневматический контакт.
При работе П2ЭС.З в качестве сумматора на штуцер 2 или 3 подается входное давление, которое в данном случае равно алгебраической сумме сравниваемых давлений. Наибольшая погрешность П2ЭС.З не превышает 150-г200 Па (100-г200 мм вод. ст.). Габаритные размеры элемента сравнения

Рис. 23. Принципиальная схема элемента Г12ЭС.З
Переключающие элементы
Реле универсальные трехмембранные П1Р.1 (рис. 24, а) иПІР.З (рис. 24, б).
Реле универсальные трехмембранные П1Р.1 и П1Р.З предназначены для выполнения элементарных логических и счетных операций с дискретными сигналами в любых пневматических системах автоматического управления.
Реле имеют две основные части: мембранный блок, состоящий из резинотканевых мембран, соединенных между собой жестким центром, и два пневмоконтакта соплозаслонка. Командные давления подаются на штуцера 12 и 2. Одно из командных давлений поддерживается постоянным (давление подпора), другое может принимать два дискретных значения: 0 или 1, соответствующие 0 или 140 кПа (1,4 кгс/см2).. Появляющееся при этом суммарное усилие, действуя по оси
жесткого центра, вызывает перемещение его в ту сторону, куда направлено результирующее усилие.

Рис. 24. Принципиальная схема: а реле П1Р.1; б реле П1Р.З

Мембранный блок реле П1Р.З при отсутствии обоих командных сигналов находится в неопределенном положении с помощью цилиндрической пружины. Величина давления подпора выбирается в зависимости от условий работы: если под действием давления подпора питающее сопло должно быть закрыто, то подпор устанавливается равным приблизительно 0,7 давления питания, в противном случае достаточно 0,3 давления питания.
Разность между командными давлениями при размыкании и замыкании пневмоконтактов равна (0,33 ч-0,14)Рпнт. Габаритные размеры реле П1Р.1 равны 30x30x35 мм, реле П1Р.З - 30x30x41 мм.
Реле, выключающее П-1108 (рис. 25), предназначено для включения и выключения пневматических устройств в схемах регулирования.
Реле состоит из трех камер, разделенных мембранами, которые являются заслонками сопл С1 и С2.
Мембраны жестко соединены между собой стрежнем посредством жестких центров. Командное давление Рк подается на штуцер 2 в камеру А. Входное давление подается через штуцера 1 и 4 и сопла С1 и С2 в камеру Б. Выходное давление Рвых снимается со штуцера 3. Камера В постоянно сообщается с атмосферой. При отсутствии командного сигнала Рк сопло С2 открыто, а сопло С1 закрыто под действием пружины.
При подаче командного сигнала мембранный блок перемещается, открывая сопло С1 и закрывая сопло С2. Таким образом штуцер 3 сообщается либо с соплом С2, либо с соплом С1.

Рис. 25. Принципиальная схема реле П-1108 Клапаны
Клапан одноконтактный ПЗК. 1
Клапан ПЗК. 1 предназначен для коммутации непрерывных и дискретных пневматических сигналов в системах автоматического управления.
Клапан состоит из трех камер, разделенных двумя плоскими мембранами, жесткий центр которых служит заслонкой выпускного сопла.

Рис. 26. Принципиальная схема клапана ПЗК.1
Давление подпора, равное 0,5 давления питания, подается на штуцер 11 (нормально закрытый клапан) или 1 (нормально открытый клапан), входное давление на штуцера 2 и 12. Командное давление, подаваемое на штуцера 11 и 1, может принимать два дискретных значения: 0 или 1. В зависимости от величины командного сигнала мембранный блок занимает два положения, при которых пневмоконтакт открыт или закрыт.
Габаритные размеры клапана ПЗК.1 равны 30x30x30 мм.
Клапан ПЗК.5
Клапан ПЗК.5 предназначен для выполнения логической операции ИЛИ. Эта операция заключается в том, что на выходе клапана должен появиться единичный сигнал, если подан сигнал хотя бы на один из входов клапанов. Клапан может также пропускать на выход больший из двух подаваемых на входы непрерывных сигналов. Клапан состоит из двух секций, между которыми расположена свободно лежащая, не зажатая по периферии мембрана.
Мембрана перекрывает одно из сопел (то, в которое подан меньший сигнал), и на выход проходит сигнал 1. Входные давления подаются через штуцера 11 и 12 в одно или другое сопло, если оба давления равны, то мембрана находится в неопределенном положении, и на выход проходит любое из двух давлений или оба сразу. Габаритные размеры клапана ПЗК.5 равны 20x20x16 мм.

Рис. 27. Принципиальная схема клапана ПЗК.5
3.3. Вспомогательные устройства Пневмокнопка П1КН.З
Пневмокнопка П1КН.З предназначена для кратковременной подачи давления питания в схему; она монтируется на щите, но может быть также закреплена на плате. Давление питания подается через штуцер 11 в камеру, закрытую пневмоконтактом П1КН.З типа сопло-заслонка. При нажатии кнопки стержень открывает пневмоконтакт и пропускает давление питания через штуцер 12. При отпускании кнопки контакт закрывается пружиной, стержень отходит вверх и сжатый воздух из схемы по отверстиям внутри стержня проходит в атмосферу.
Габаритные размеры пневмокнопки П1КН.З равны 24x24x45 мм.

Линия Рис. 28. Принципиальная схема пневмокнопки П1КН.З Пневмотумблер ПІТ.2
Пневмотумблер П1Т.2 предназначен для ручной подачи командных сигналов в схемах пневмоавтоматики. Тумблер монтируется на щите, но может быть также закреплен на плате.
Давление питания подается через штуцер 11 в камеру, закрытую пневмоконтактом типа сопло-заслонка. При повороте рычага тумблера стержень открывает пневмоконтакт и пропускает давление питания в схему через штуцер 12. При обратном
повороте рычага контакт закрывается пружиной, стержень отходит вверх, и сжатый воздух по отверстиям внутри стержня проходит в атмосферу. Габаритные размеры тумблера П1Т.2 равны 24x24x60 мм.

Линия Рис. 29.
Принципиальная схема пневмотумблера П1Т.2 Пневмовентиль ПОВ. 1

Рис. 30. Принципиальная схема вентиля ПОВ.1
Пневмовентиль предназначен для открытия и закрытия вручную пневматической линии связи и является элементом щитового монтажа. Вентиль состоит из двух секций, разделенных мембраной, жесткий центр которой прикрывает сопло при повороте маховика.
При открытом вентиле мембрана отжимается давлением проходящего воздуха. Габаритные размеры пневмовентиля равны 24x42x58 мм.
Пневматическая емкость ПОЕ.50
Пневматическая емкость ПОЕ.50 применяется в схемах для регулировки постоянных времени в дифференцирующих и интегрирующих приставках, инерционных звеньях и т. п. Вместимость ее равна 50 см3, габаритные размеры 41x60 мм.

б
а
Рис. 31. Принципиальная схема пневматической емкости: а ПОЕ.50, б ПОЕ.25
Фильтр ПОФ.2
Фильтр ПОФ.2 предназначен для местной очистки подаваемого в приборы воздуха. Фильтр состоит из корпуса, в котором находятся несколько сменных войлочных дисков, поджатых винтом.
Воздух подается на штуцер 11 и снимается со штуцера 1. Габаритные размеры фильтра равны 22x24x30 мм.

Рис. 32. Принципиальная схема фильтра ПОФ.2
Пневматические устройства системы СТАРТ
Пневматические устройства системы Старт построены на универсальных элементах промышленной пневмоавтоматики (УСЭППА) и могут применяться в различных отраслях промышленности. Предназначены для монтажа на панелях и щитах, включают вторичные самопишущие, показывающие приборы и регуляторы.
Для уменьшения времени запаздывания регулирующего воздействия, расстояния от измерительного блока (датчика) до регулятора и от регулятора до исполнительного механизма должны быть минимальными (5-ь 10 м).
Вторичные самопишущие или показывающие приборы со встроенными в них задатчиками могут устанавливаться на расстоянии до 250-ь300 м от регулятора. В случае регулирования технологического параметра, для которых запаздывание в линиях связи не имеет существенного значения по сравнению с весьма большими запаздываниями в самих технологических процессах, регуляторы могут устанавливаться на значительных расстояниях от измерительных приборов и исполнительных механизмов (до 300 м), при этом целесообразно установить регулятор на корпусе прибора контроля, для чего предусмотрен штекерный разъем.
В случае установки регулятора непосредственно на технологическом оборудовании у датчиков или исполнительного механизма для монтажа используют дополнительную деталь, гнездо, с помощью которой к регулятору подводят линии связи.
Крепление регулятора к штекерному разъему и гнезду, а также гнезда к стене приводят болтами Мб. Линии связи и линии питания регулятора, подводимые к гнезду, должны прокладываться медными, латунными, пластиковыми или алюминиевыми трубками (в тропическом климате медными и латунными) с диаметром 8x1 или 6x1 мм. Линии связи должны быть смонтированы весьма тщательно, утечка воздуха не допускается.
Перед включением линии связи необходимо продуть сухим сжатым воздухом для удаления пыли и влаги.
Регуляторы не могут быть установлены в условиях агрессивных сред, воздействующих на резину, оргстекло, полистирол, мембранное полотно и на защищенные хромоникелевыми и кадмиевыми покрытиями конструкционные стали, цветные металлы и их сплавы.
Питание приборов осуществляется сухим, очищенным от пыли и масла воздухом давлением 140 кПа (1,4 ± 0,14 кгс/см2) через фильтр и редуктор от сети сжатого воздуха давлением (до редуктора) от 250 до 1000 кПа (от 2,5 до 10 кгс/см2).
Рабочий диапазон изменения аналоговых сигналов от 20 до 100 кПа (от 0,2 до 1 кгс/см2). Дискретные сигналы 0 и 1 соответствуют давлению от 0 до 10 кПа (0) (от 0 до 0,1 кгс/см2) и от ПО кПа (1,1 кгс/см2) до величины давления питания (1).
Основная погрешность приборов системы Старт 1 %, объемный расход воздуха на оптимизатор АРС-1-ОН равен 15 л/мин, множительно-делительное устройство ПФ-1.18 и регуляторы ПР-3.26 и ПР-3.29 12 л/мин, на приборы ПР-3.24, ПР-3.25, ПР-3.34, ПР-3.35, АРС-2-ОИ, ПФ-1.9 10 л/мин, на приборы ПФ-2.1, ПФ-3.1, ПФ-2.5, ПП-1.5 3 л/мин, на остальные приборы от 5 до 8 л/мин.
Приборы системы Старт входят в государственную систему приборов ГСП.
4.1. Вторичные пневматические приборы
Пневматические вторичные приборы системы Старт широко используют для работы с унифицированными аналоговыми пневматическими сигналами в пределах от 20 до 98 кПа (0,2-М,0 кгс/см2).
Принципиальная схема вторичного пневматического прибора показана на рис. 33.
Действие прибора основано на компенсационном принципе измерения, при котором усилие от входного давления Рех уравновешивается усилием устройства обратной связи. Входное давление Рвх воспринимается сильфоном 2. Давление от источника питания через дроссель 1 попадает в линию сопла 4 и силового элемента 8.

Рис. 33. Принципиальная схема пневматического прибора типа ПВ:
1 дроссель, 2 сильфон, 3 рычаг, 4 сопло, 5 заслонка, 6 спиральная пружина обратной связи, 7 рычаг, 8 силовой элемент, 9,11 ролики, 10 указатель с пером, 12 лавсановая нить
С изменением входного давления Рвх изменяется упругая деформация сильфона 2, сильфон передвигает рычаг 3, тем самым изменяя зазор между сопло 4 и заслонкой 5. При увеличении давления Рвх заслонка 5 прикрывает сопло 4, из которого постоянно выходит воздух в линию питания прибора. При этом возрастает давление в линии сопла и силовом элементе 8. Вследствие этого чашечная мембрана силового элемента выгибается и отводит рычаг 7. При изменении положения рычага 7 меняется положение кинематической связи лавсановой нити 12, перекинутой через ролики 9, 11 и закрепленной к спиральной пружине обратной связи 6. Противоположный конец спирали связан с нижним концом рычага 3. При перемещении рычага 7 вправо (при увеличении давления) нить растягивает пружину 6, наматывается на ролик и перемещает вверх указатель 10 с пером.
При уменьшении входного давления рычаг 7 перемещается влево и указатель 10 перемещается вниз.
В схемах управления и регулирования применяют приборы со станцией управления. Такой прибор предназначен одновременно для показания индикации и регистрации одной величины, показаний второй величины и выработки пневматического сигнала регулирования.
Измерение величин производится в диапазоне 0,2 -т-1,0 кгс/см2.
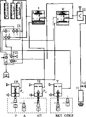
Прибор имеет три измерительных механизма и три шкалы. Колодка VIII (рис. 34) штуцеров служит для подключения пневмолиний. К пневматическому разъему IX можно подключать регулятор.
При одновременном нажатии кнопок Откл и Р давление в камере А реле через открытый клапан VII стравливается в атмосферу. При этом сопло С1 откроется, и давление воздуха, создаваемое задатчиком IV и усилителем III, поступит на измерительный механизм (шкала Клапан), клемму 1 и штуцер 1, откуда оно может быть использовано для управления (например, регулятором).
При нажатии кнопки А кнопка Р выключится, и сопло С1 реле II закроется давлением в камере А. На шкале прибора Задание можно наблюдать изменение давления воздуха при вращении рукоятки задатчика IV.
При нажатии кнопки Вкл на клемме 3 разъема IX появится давление питания. При нажатии кнопки АП давление воздуха из камеры А реле I стравливается в атмосферу, и через сопло С1 давление из внешних трасс, подключенных к штуцеру 6 колодки VIII, подается на шкалу Задание для измерения и на клемму 5 разъема IX.
Задатчик IV в этом положении отключен полностью от измерительной схемы и внешних линий.
Для регистрации измеряемой величины прибор имеет лентопротяжный механизм, который приводится в действие электродвигателем или пневмомотором.

Рис. 34. Принципиальная схема прибора со станцией управления типа ПВ:
I, II - выключающие реле, III - усилитель, IV - задатчик, ?-?І -клапаны, VIII - колодка штуцеров, IX - пневматический разъем
Скорость передачи сигнала, равная скорости распространения звука в воздухе, и ограничения в расстояниях передачи являются основными причинами, задерживающими внедрение пневмоавтоматики в ряде процессов и производств.
Шкалы прибора могут быть градуированы в зависимости от измеряемого параметра в величины давления, перепады давления, расхода и температуры.
Поверочную схему прибора собирают из поршневого манометра в комплекте с образцовым манометром с пределом измерений 0-т-25 кгс/см2. Выходное давление контролируют образцовым манометром МО-160 с пределом измерений 0-т-1,0 кгс/см2.
Для контроля выходного давления и подачи питания на преобразователь используют пневматический стенд ЛТ-25. При сборке поверочной схемы следует иметь в виду, что выведенные на боковую стенку штуцера питания и выходного сигнала всегда расположены в следующем порядке: слева штуцер выходного сигнала, справа питания.
Расчетное значение давления Рр находят при использовании образцового манометра по формуле
Р - 0 2
г ВЫХ
0,8
Рр
¦Р
ШКС ’
при использовании прибора Петрова по формуле.
hвых 147,6
590,6
Рр =
где Рвых выходное давление на проверяемой точке, кгс/см2; Иных выходное давление на проверяемой точке, мм рт. ст.; Ршк( размах шкалы манометра, кгс/см2.
Для перевода значения выходного давления в давление ртутного столба пользуются табл. 2.
Регулировочные зависимости, т. е. способ настройки нуля и диапазона измерений прибора, проследим на принципиальной схеме манометра МС-П (рис. 35).
Развиваемое измерительным сильфоном 1 усилие через систему рычагов 2 уравновешивается усилием, развиваемым сильфоном обратной связи (СОС).
Соотношение между единицами давления для характерных точек шкал манометров с пневмопередачей
Таблица 2 Характерная точка шкалы, в % диапазона прибора Выходное давление преобразователя 0 20 40 60 80 100 Рвых- хгс/см2 0,2 0,36 0,52 0,68 0,84 1,0 lw, мм рт. ст. 147,6 265,7 238.8 502 620,1 738,2

Рис. 35. Принципиальная схема манометра МС-П:
1 измерительный сильфон, 2 рычаги, 3 подвижная опора, 4 корректор нуля
Усилие обратной связи пропорционально значению выходного давления Рвых. Соотношение между измеряемым Ртм и выходным Рвых давлениями можно изменять перемещением подвижной опоры 3, в результате чего изменится соотношение плеч рычагов измерительной системы.
Вращением корректора 4 изменяют начальное нулевое усилие в системе.
Если прибор необходимо переградуировать на другой предел измерений (например, О-МО кгс/см2) или, если основная погрешность прибора выше допустимой, подвижную опору 3 переставляют соответственно вниз или вверх по системе рычагов 2. Следует иметь в ввиду, что при настройке нуля диапазон измерений не изменяется, а при перемещении опоры 3 ноль сбивается. Поэтому в пределах ОМ кгс/см2 выходное давление прибора настраивают на диапазон изменения выходного давления, равный 0,8 кгс/см2, затем пресс отключают и корректором 4 устанавливают выходное давление, равное 0,2 кгс/см2.
После определения основной погрешности для прибора ПВ-4.1 Э в отличие от ПВ-1 .Э проверяют изоляцию цепи питания привода диаграммы и погрешность работы лентопротяжного механизма.
Дополнительно к документации по проверке герметичности импульсных линий должны быть представлены документы по опрессовке линий между пневмопреобразователем и вторичным прибором.
Перед пуском систему опробуют с помощью малогабаритного пресса. Смонтированные приборы и работоспособность системы пневматической передачи показаний удобно проверять пневмотестером. По техническим данным пневмотестер аналогичен ПНП-2, но имеет меньшие массу и габариты.
Пневмотестер позволяет плавно изменять выходной сигнал, а также получать пять дискретных значений пневмосигнала, на выдачу которых его предварительно настраивают по образцовому манометру. Выбирают дискретное значение сигнала комбинацией включения и выключения тумблеров.
Для работы с приборами пневматической ветви ГСП на выходе тестера устанавливают дискретные значения сигнала в соответствии с табл. 2. Данный прибор не применяют для определения основной погрешности из-за низкой точности манометра на выходе.
Перед включением системы в работу на преобразователь и вторичный прибор подают питание (сжатый воздух). Прибор
ПВ-4.1Э включают на регистрацию. Системы проверяют в следующем порядке: от включенного в работу манометра отсоединяют линию выхода и с помощью прибора ПНП-2 замеряют давление на выходе. Если это же давление регистрирует вторичный прибор, то и линия передачи и вторичный прибор считаются исправными.
Если показания вторичного прибора ниже, а установлено, что он исправен, необходимо найти негерметичность линии.
При измерении с помощью рассматриваемой системы пульсирующих давлений сгладить пульсации возможно установкой демпфера в линии дистанционной передачи.
При наладке пневматических систем контроля необходимо иметь в виду относительно малую скорость передачи сигнала на расстояние. При демпфировании пневмосистем по входу или выходу их действие еще более замедляется.
Поэтому рекомендуется снимать временные характеристики пневмолиний и определять время передачи сигнала. Характеристики снимают с одной или нескольких наиболее протяженных линий, а затем согласовывают с техническим персоналом возможности использования систем.
Для снятия характеристики на вход пневмолиний подают скачкообразный пневматический импульс (рис. 36, а) и одновременно начинают фиксировать изменения показаний вторичного прибора.
На графике (рис. 36, б), по которому затем определяют время прохождения сигнала, видно, что время прохождения сигнала увеличивается при увеличении длины линии и уменьшении проходного отверстия демпфера.
Время прохождения сигнала или запаздывание определяют как разницу между моментом подачи скачкообразного импульса на входе в линию и моментом достижения выходным сигналом величины поданного импульса. Из рисунка видно, что давление на выходе линии 1 (150 м) нарастает почти мгновенно, а время передачи сигнала в линии 3 (300 м, демпфер) значительно больше (t3 1 мин).

Рис. 36. Изменение давления на входе трассы (а) и показаний вторичного прибора (б): 1 длина линии 150 м; 2 то же, 300 м; 3 то же, 300 м с демпфером
Регуляторы системы СТАРТ
Позиционный регулятор ПР-1.5
Регулятор ПР-1.5 предназначен для двухпозиционного регулирования.
Обеспечивает получение дискретных пневматических сигналов 0 и 1 при повышении или понижении поступающего
56
на вход регулятора давления сжатого воздуха, пропорционального величине регулируемого или измеряемого параметра, когда последний отклоняется от заданного значения.

Прибор может быть настроен на получение пневматического сигнала при превышении измеряемым параметром заданного значения (сигнал на максимум) или при уменьшении величины параметра ниже заданного значения (сигнал на минимум).
При настройке на минимум (рис. 37) входной сигнал от измерительного блока поступает в камеру Б элемента сравнения 2, давление задания от задатчика 1 подводится к камере В. Если входной сигнал больше величины давления задания, то сопло С2 закрыто и сигнал на выходе элемента сравнения равен 0. Как только входной сигнал станет меньше заданного, сопло С2 откроется и на выходе сформируется сигнал 1, который поступает на усилитель мощности 3 и далее на выход регулятора.
При настройке на максимум давление задания подается в камеру Б, а давление от измерительного блока в камеру В, перенастройка регулятора производится поворотом диска, который переключает входные каналы регулятора.
Пропорциональный регулятор ПР-2.5
Регулятор ПР-2.5 предназначен для получения непрерывного регулируемого воздействия на исполнительный механизм с целью поддержания заданной величины регулируемого параметра. Прибор представляет собой регулятор с дистанционным заданием, получаемым от ручного задатчика вторичного прибора или от любого другого устройства со стандартным пневматическим сигналом.
Сигналы, поступающие от задатчика Р3 (рис. 38) и от измерительного прибора Р„. действуют на мембраны элемента сравнения 1 и уравновешиваются силами, развиваемыми действием давления воздуха на мембраны отрицательной (камера Б) и положительной (камера Д) обратных связей.
,
Рис. 38. Принципиальная схема регулятора ПР-2.5
Входное давление элемента 1 через регулируемый дроссель
3 поступает в камеру 3 элемента сравнения 4, в эту же камеру через постоянный дроссель ПДЗ поступает выходное давление Рвых. В камеру положительной обратной связи Д элемента 4 поступает давление от задатчика 2, с помощью которого выходное давление регулятора настраивается на оптимальную для данного процесса величину.
Пропорционально-интегрально-дифференциальный регулятор
Рз входной сигнал регулятора, определяющий положение исполнительного органа при АР = 0;
Кр коэффициент усиления (пропорциональности) регулятора.
Пропорционально-интегральный регулятор
Недостатком рассмотренного ранее пропорционального закона регулирования является наличие статической ошибки. Избавиться от этого недостатка позволяет введение в закон интегральной составляющей. Формирование управляющего воздействия осуществляется в соответствии с выражением
I Т
(22)
(23)
и = К - АХ + - ГдXdt ,
р т J ’
w с 1 // о
либо в виде
1 т
и = К р (АХ + JaXdt ).
Наличие в выражении закона регулирования составляющей, пропорциональной отклонению регулируемой величины от заданного значения (П-составляющая), а также составляющей, пропорциональной интегралу от этого отклонения (И-составляющая), определяет название этого закона регулирования пропорционально-интегральный (ПИ-закон).
Соответственно регуляторы, реализующие этот закон, называют ПИ-регуляторами.
При реализации закона регулирования в виде (22) говорят о регуляторе с независимыми настройками. В этом случае коэффициенты при пропорциональной и интегральной составляющих независимы друг от друга.
Реализация закона регулирования в виде (23) соответствует регулятору с зависимыми настройками. В этом случае изменения коэффициента при пропорциональной составляющей приводит к изменению коэффициента при интегральной составляющей.
Пневматические регуляторы системы Старт, в частности, рассматриваемый ниже ПИ-регулятор ПР-3.21, являются регуляторами с независимыми настройками, что является существенным преимуществом перед другими типами регуляторов. В этом случае наладка реальной системы автоматического регулирования значительно упрощается.
Пропорционально-интегрально-дифференциальный регулятор
Для регулирования объектов, обладающих существенным транспортным запаздыванием, в закон регулирования в качестве дополнительной составляющей входного сигнала регулятора вводит сигнал пропорциональной скорости отклонения регулируемой величины от заданного значения (Д-составляющая).
U =Т .***- (24)
0 0 dt ’
где Uo дифференциальная составляющая управляющего воздействия в законе регулирования;
Го коэффициент пропорциональности при дифференциальной составляющей, называемой временем предварения;
АХ отклонение текущего значения регулируемой величины (Хт) от заданного значения (Х3), АХ = Хт - X,.
Так как заданное значение регулируемой величины в режиме стабилизации остается неизменным X, = const, выражение (24) можно записать в виде
и = т„
dX^ (25)
dt '
За счет дополнительного введения в закон регулирования дифференциальной составляющей значение выходного сигнала Uo существенно увеличивается, особенно в начальный момент возникновения рассогласования. Тем самым управляющее воздействие как бы предваряет (опережает) возникшее рассогласование. Введение Д-составляющей в ПИ-закон регулирования приводит к пропорционально-интегральнодифференциальному закону регулирования (ПИД-закон).
Регуляторы, реализующие этот закон, называют соответственно ПИД-регуляторами. Преимуществами ПИД-закона являются: отсутствие статической ошибки при регулировании, а также большее быстродействие за счет введения Д-составляющей. Управляющее воздействие в ПИД-законе регулирования формируется в виде
dX
dt
і
J Д Xdt + Т0
U = К F ¦ АХ +
Рассмотрим реализацию ПИД-закона пневматическим регулятором системы Старт ПР-3.25. Этот регулятор выполнен на основе рассмотренного ранее ПИ-регулятора ПР-3.21, во входном канале которого включен прибор предварения ПФ-2.1.
Влияние пневматических линий связи на работу автоматических систем регулирования
Для обеспечения хорошего качества процесса регулирования большое значение имеет правильный выбор типа регулятора и его настройка в соответствии с динамическими характеристиками данного объекта, характеристиками элементов системы (датчика, линий связи, управляющего устройства и др.), характером возмущающих воздействий.
Важными параметрами, характеризующими динамические свойства элементов системы, являются постоянная времени и время запаздывания элементов системы. Время запаздывания в пневматических системах автоматического регулирования зависит от запаздывания передачи импульсов в отдельных элементах системы, а также от запаздывания передачи пневматических сигналов по линии связи, причем время передачи сигналов изменения давления по длинным трубопроводам в десятки раз превышает время, которым определяется быстродействие пневматических приборов.
Часто запаздывание пневматических линий является соизмеримым с запаздыванием объекта регулирования и существенно влияет на качество процесса регулирования.
Если на вход пневмопровода подать воздействие, соответствующее единичной ступенчатой функции (рис. 15, кривая 1) Pex(t) = 1(/), то после нанесения скачкообразного возмущения на входе исследуемого пневмопровода пройдет некоторый отрезок времени, пока волна возмущения дойдет до конца пневмопровода, не вызвав на выходе изменение давления. Этот отрезок времени г называется транспортным (чистым) запаздыванием и зависит только от времени распространения по пневмопроводу звуковой волны
где / длина пневмопровода; аз скорость звука.

Рис. 15. Изменение давления в пневмопроводе:
1 на входе, 2 на выходе
Исполнительные механизмы систем пневматики
Исполнительные устройства (рис. 16) предназначены для преобразования энергии сжатого воздуха в энергию движения рабочих органов машин.
Звено исполнительного устройства, представляющее собой переменное гидравлическое сопротивление и воздействующее на расход среды, благодаря изменению своего проходного сечения, называется регулирующим органом, например, заслонка, задвижка, клапан и др.
Звено исполнительного устройства, представляющее собой систему взаимосвязанных пневмоустройств, предназначенных для приведения в движение рабочих органов машин или рабочих звеньев механизмов, называется пневмоприводом или пневматическим механизмом.
Пневмоприводы бывают возвратно-поступательного и вращательного движения.
Пневмоприводы возвратно-поступательного движения бывают двухстороннего действия (рис. 16, а), в которых твердое или упругое звено перемещается попеременно в обе стороны, взаимодействуя со сжатым воздухом, и одностороннего действия (рис.
16, б), в которых под действием сжатого воздуха твердое или упругое звено перемещается только в одну сторону.
В пневмоприводах одностороннего действия подвижное звено возвращается в исходное положение под действием пружины или силы тяжести.

Рис. 16. Пневмопривод возвратно-поступательного движения:
а двухстороннего действия, б одностороннего действия
В пневмоприводах вращательного движения рабочее звено может совершать полный оборот или неполный.
Часто в исполнительные устройства входят управляющие устройства (логические элементы, позиционеры и др.). предназначенные для обеспечения заданной последовательности перемещения рабочих органов машины в соответствии с требуемым законом.
Пневматические схемы питания
Для обеспечения согласованной работы приборов и устройств пневмоавтоматики предусмотрены следующие стандартные значения входных и выходных сигналов:
Рабочий диапазон изменения входных и выходных аналоговых сигналов, кгс/см2.............................................0,21
Давление сжатого воздуха, кгс/см2, дискретных условных входных и выходных сигналов при их значениях:
О.............................................................................................00,1
I.............................................................................................1,11,4
Давление воздуха питания, кгс/см2...............................1,4 ±0,14
Давление для приводов исполнительных
механизмов, кгс/см2...................................................1,4; 2,5; 4 и 6
(допустимое отклонение ±10%)
Чтобы обеспечить надежную работу элементов пневмоавтоматики и системы в целом, довольно высокие требования предъявляются к чистоте и степени осушки сжатого воздуха.
Требования к качеству сжатого воздуха
Источником энергии и рабочим агентом в пневматических схемах автоматизации является сжатый воздух. Качество сжатого воздуха определяется составом, количеством и размерами содержащихся в нем примесей, главным образом влаги, минеральных масел и различного рода твердых частиц.
Сжатый воздух, вырабатываемый компрессорными установками с масляной смазкой цилиндров или поступающий из технологической линии, как правило, содержит водяные пары, масла в виде водомасляной эмульсии, атмосферную пыль и другие твердые частицы. Наличие в сжатом воздухе этих компонентов в количествах, больших установленных норм, является причиной засорения дроссельных устройств и сопл пневматических приборов, а также каналов линий связи.
Водяные пары при охлаждении воздуха конденсируются и, осаждаясь на стенках каналов линий связи, сопл и дроссельных устройств, уменьшают проходные сечения, искажают первоначальные характеристики приборов, смещают настройки, а иногда приводят к отказу отдельных элементов приборов. Кроме того, образующийся в трубах конденсат в зимний период часто замерзает, уменьшает, а иногда и полностью перекрывает проходное сечение пневматических линий связи.
Поэтому для обеспечения нормальной работы систем пневмоавтоматики сжатый воздух, поступающий от источника питания, должен быть тщательно очищен и осушен. Степень очистки и осушки сжатого воздуха, получаемого на выходе установок пневмопитания, должна соответствовать нормам, приведенным ниже:
Показатель, (не более)
для типа:
Содержание влаги в виде капель...........................Не допускается
Содержание минеральных масел, мг/м3:
в виде капель...........................................................Не допускается
Содержание газообразных кислот и щелочей.....................Следы
Точка росы
Во избежание образования конденсата или обледенения, осушку воздуха следует производить до достижения точки росы температуры среды.
Точка росы температура, до которой изобарически надо охладить влажный газ (воздух), чтобы он стал насыщенным. Для измерения точки росы применяют гигрометры.
Гигрометры могут быть электролитические, спектроскопические и сорб*-ционные.
Электролитические гигрометры основаны на зависимости электрического сопротивления гигроскопического электролита от влажности окружающего воздуха.
Гигрометры фотоэлектрические точки росы основаны на измерении температуры, при которой контролируемый газ (воздух) окисляется в насыщенном состоянии. Для оценки этого момента используют металлическое зеркало, охлаждаемое термоэлектрическим холодильником. При охлаждении его до температуры росы зеркало мутнеет от выпавшего на нем тонкого слоя конденсата (росы). Луч света от специальной лампы, отраженный таким зеркалом, измеряется фотоприемником, который и фиксирует момент достижения точки росы.
Встроенная в прибор система регулирования постоянно поддерживает температуру, равную точке росы. Выходным сигналом гигрометра являются показания гигрометра, контролирующего температуру зеркала tp (не более) -5 С.
Источники питания
В качестве источника сжатого воздуха для питания приборов и средств автоматизации используются линии технологического воздуха автоматизируемого объекта или установки, выполняемые по ТУ 2601.662-81.
В установках по ТУ 26.662-81 могут применяться воздушные компрессоры непоршневого типа (мембранные, однокольцевые, турбинные и т. п.), безмасляные поршневые компрессоры и поршневые компрессоры с масляной смазкой и маслофильтрами.
В зависимости от вида источника сжатого воздуха система воздухоподготовки должна быть выполнена по одной из трех структурных схем (I III), приведенных на рис. 17.
Воздухосборники (ресиверы), предусмотренные схемами I и II после компрессоров, предназначены для смягчения пульсаций, возникающих при работе компрессора, и выравнивания давления.
Сжатие воздуха в компрессоре сопровождается значительным повышением его температуры, которая колеблется от 60 до 150 С и выше. В технологических трубопроводах сжатый воздух также может иметь повышенную температуру. Поэтому во всех схемах предусматриваются теплообменники для снижения температуры воздуха до 530 С.
Водомаслоотделители предназначены для сепарации влаги и масла, сконденсированных в теплообменниках. Для сжатого воздуха, поступающего из технологических линий и от воздушных компрессоров с масляной смазкой цилиндров, предусматривается дополнительная очистка масла в маслофильтрах.
Необходимая степень осушки сжатого воздуха достигается в блоках осушки адсорбционного типа, имеющих, как правило, две ступени осушки.
Первой ступенью должен быть холодильник-конденсатор, в котором будет конденсироваться большая часть влаги, находящейся в воздухе. Второй ступенью должен быть адсорбер, осушающий сжатый воздух до необходимой относительной влажности.
В качестве адсорбента обычно применяют силикагель.
Очищенный и осушенный сжатый воздух собирается в воздухосборниках, откуда он поступает в питающую сеть системы пневмопитания.
Вторичная установка воздухосборника вызвана необходимостью сглаживания толчков давления, возникающих при переключениях адсорберов, а также создания кратковременного аварийного запаса сжатого воздуха.
При выборе источника сжатого воздуха для питания пневматических систем автоматизации необходимо иметь в виду следующее:
- сжатый воздух от технологических линий может быть использован, когда надежность (бесперебойность) технологического воздухоснабжения соответствует (не ниже) требованиям, предъявляемым к надежности системы пневмопитания приборов и средств автоматизации;
- если предыдущие условия не выполнимы, для питания сжатым воздухом пневматических систем автоматизации должны применяться установки по ГОСТ 13630-80;
- источник сжатого воздуха должен обеспечить конечное давление сжатия, равное 0,8-0,05 МПа.
Проектирование источников сжатого воздуха и установок воздухоподготовки, как правило, осуществляется в технологической части проекта строящегося объекта. Поэтому организация, разрабатывающая проект автоматизации, должна выдать задание генпроектировщику на обеспечение систем автоматизации сжатым воздухом.
В задании должны быть указаны сведения, определяющие тип и основные параметры установки пневмопитания в соответствии с ГОСТ 13630-80, пневмонагрузку и требования, предъявляемые к надежности пневмопитания.
Общая пневмонагрузка на источник питания определяется как сумма нагрузок на отдельные распределительные коллекторы.
Значение расчетной пневмонагрузки на распределительный коллектор (цеха, участка, щита и т. д.) может быть определено по формуле
Qpac4 (Q\ '' Кэт -
где Qi расход воздуха на приборы и средства автоматизации, непрерывно потребляющие воздух, м3/ч;
Qi расход воздуха на приборы и средства автоматизации, периодически потребляющие воздух, м3/ч;
Кут коэффициент, учитывающий утечку воздуха в воздухопроводах, арматуре и т. п. Значение коэффициента принимается равным 1,15;
К0„, коэффициент, учитывающий подключение приборов и средств автоматизации, эпизодически потребляющих воздух. Значение коэффициента принимается равным 1,1.
Элементы и системы пневмоавтоматики
Пневматические устройства промышленной автоматики собираются из элементов Универсальной системы элементов промышленной пневмоавтоматики (УСЭППА). Система УСЭППА состоит из набора унифицированных элементов дискретного и непрерывного действия, каждый из которых выполняет простейшую операцию.
Питание приборов осуществляется очищенным от пыли, масла и влаги воздухом давлением 140 ± 14 кПа (1,4 ± 0,14 кгс/см2) от общего коллектора сети сжатого воздуха или через индивидуальный редуктор и фильтр от компрессора. Приборы рассчитаны на работы в пожаро- и взрывоопасных условиях эксплуатации (кроме приборов с электрическим выходным сигналом) и могут быть установлены в условиях агрессивных сред химических и других предприятий.
Большинство элементов предназначено для монтажа на платах, а также некоторые элементы монтируются на щитах. Связь между элементами, монтируемыми на платах, осуществляется каналами внутри платы или трубками из поливинилового пластика с внутренним диаметром 4 мм.
Монтажные детали поставляются по спецификации заказа комплектно с элементами.
3.1. Элементы непрерывного действия
Пневматические сопротивления это устройство, осуществляющее пневматическое сопротивление, называется дроссель, он предназначен для ограничения или изменения расхода протекающего через него воздуха, что обеспечивается созданием местного сопротивления на пневматических линиях.
Дроссели П2Д.1 - П2Д.4
Постоянный дроссель П2Д.4 представляет собой капилляр 0,1; 0,3 или 0,5 мм (по спецификации заказа) длиной 20 мм.
Большое отношение длины к диаметру капилляра обеспечивает ламинарный режим течения воздуха. Зависимость массового расхода воздуха F от перепада давления АР = Р\ - Рг на дросселе (статическая характеристика) определяется равенством F = а(Р, - Р2),
где а проводимость постоянного дросселя (коэффициент, пропорциональный площади его проходного сечения); л/(ч-кПа).
Регулируемый дроссель обычно выполняется по схеме конус-конус. Перемещение внутреннего конуса вызывает изменение площади кольцевого зазора дросселя и его гидравлического сопротивления. Проводимость дросселя при этом изменяется примерно в ІО3 раз.
Регулируемый дроссель настраивается поворотом винта, связанного с внутренним конусом; угол поворота винта по шкале составляет 300.
Дросселя П2Д.1 (рис. 18, а) и П2Д.2 (рис. 18, б) представляют собой конический дроссель, образованный иглой и втулкой. В закрытом положении объемный расход воздуха через дроссель не более 5 нл/ч при перепаде давления 140 кПа (1,4 кгс/см2).
В зависимости от направления вращения регулируемого винта для дросселя П2Д.2 или диска с пружинной шайбой для дросселя П2Д.1 изменяется проходное сечение концентрической щели между иглой и втулкой, т. е. проводимость дросселя. Дроссель П2Д.1 имеет шкалу.
оо-{ -о^о--
а б
Рис. 18. Дросселя:
а дроссель регулируемый со шкалой П2Д.1; б дроссель регулируемый П2Д.2
Повторители давления
Повторители давления (усилители мощности) предназначены для усиления расхода воздуха на выходе по мощности и равного по величине входному давлению. Их применяют для уменьшения запаздывания сигналов в пневмокамерах большого объема в длинных пневмолиниях, а также для развязки пневматических цепей.
Повторитель П2П.1
Повторитель П2П.1 (рис. 8, а) состоит из двух секций, отделенных друг от друга гибкой мембраной, жесткий центр которой служит заслонкой выпускного сопла, имеющего выход в атмосферу. При изменении входного давления равновесие мембраны нарушается, и она устанавливается в новое положение равновесия, изменяя, соответственно, величину выходного давления.
Наибольшая погрешность повторения сигнала 250 Па (25 мм вод. ст.). Габаритные размеры повторителя П2П.1 равны 30x30x53 мм.
Повторитель с мощным выходом П2П.З
Мощный повторитель давления П2П.З имеет 3 секции и состоит из связанных в мембранный блок двух мембран равной площади и клапана-дросселя, обеспечивающего сопроти-вление потокам воздуха из камеры А в камеру Б и из камеры Б в камеру В при помощи пневмоконтакта соплозаслонки. Воздух питания поступает в камеру А. Выходной сигнал Рвых формируется в камере Б. Входной сигнал Рвх подается в камеру Г и управляет клапаном-дросселем, изменяющим подачу воздуха питания из камеры А в камеру Б и в выходную линию.
Поскольку площади мембран равны, давление Рях и Рвых выравниваются. Возрастает только поток воздуха на выходе повторителя по сравнению с потоком на входе, что обусловлено большими отверстиями.
При возрастании Рех блок мембран опускается, усиливается поток воздуха из камеры А через клапан в камеру Б, повышается Рвых. При уменьшении Рвх мембранный блок, поднимаясь, закрывает клапан и прекращает поступление воздуха из камеры А, но отводит заслонку от сопла, поэтому воздух из камеры Б через канал в штоке мембранного блока вытекает в камеру Вив атмосферу. При равновесии мембранный блок и заслонки клапана занимают такое положение, при котором приток воздуха из камеры А в камеру Б равен расходу воздуха из нее через камеру В в атмосферу и Рвых = Рвх.
Коэффициент усиления по давлению этого повторителя может изменяться в интервале 0,95-И ,05, то есть его основная погрешность равна ±6%. Габаритные размеры повторителя П2П.З 40x40x22 мм.

Рис. 19. Принципиальная схема повторителя П2П.З
Повторитель-усилитель мощности П2П. 7
Повторитель П2П.7 предназначен для усиления пневматического сигнала по мощности с коэффициентом усиления по давлению, равным единице. Повторитель состоит из четырех секций и трех мембран, образующих шесть пневмокамер.
Входное давление Рвх подается через штуцер 12 в камеру Б, давление питания через штуцер 11 проходит в камеру Е и через постоянный дроссель в камеру Г. При открытом клапане 6 давление питания, задросселированное клапаном, проходит в камеру Д, в камеры А и В обратных связей и к штуцеру 1 (выходное давление РвЫх). Изменение входного давления устанавливает мембрану 2 в новое положение относительно сопла, при этом значительно изменяется давление в камере Г. При увеличении входного давления мембрана 3 прогибается вниз и приоткрывает клапан 6, при уменьшении этого давления прогибается вниз мембрана 5 и приоткрывается клапан сброса выходного давления 4. Наибольшая погрешность повторения сигнала 500 кПа (50 мм вод. ст.).
Габаритные размеры повторителя П2П.7 равны 33,5x40x40 мм.

Рис. 20. Принципиальная схема повторителя П2П.7
Задатчик маломощный П23Д.З
Задатчик П23Д.З предназначен для создания стабильного давления сжатого воздуха, подаваемого обычно в глухие камеры приборов пневмоавтоматики.
Задатчик состоит из двух секций, отделенных друг от друга гибкой мембраной, жесткий центр которой служит заслонкой выпускного сопла, имеющего выход в атмосферу. Давление питания подается на штуцер 1 через постоянный дроссель Д с капилляром диаметром 0,3 мм. Установка задания производится с помощью настроечного винта, при вращении которого изменяется натяжение пружины. Мембрана устанавливается в положение равновесия при выходном давлении, пропорциональном силе сжатия пружины.
Рабочий диапазон выходного давления 20-г-100 кПа (0,2-Н кгс/см2). Габаритные размеры задатчика П23Д.З равны 30x30x46 мм.

Рис. 21. Принципиальная схема задатчика П23Д.З
Устройства обработки дискретных сигналов
Элементы дискретной пневмоавтоматики включают в себя элементы сравнения, пневмореле, клапаны, то есть устройства, на выходе которых формируются два дискретных сигнала:
- отсутствие давления воздуха;
- давление воздуха, равное давлению питания.
Элементы сравнения
Элементы сравнения предназначен для сравнения двух или четырех входных сигналов. Он формирует на выходе дискретные сигналы 0 или 1.
Элемент сравнения П2ЭС.1
Элемент сравнения П2ЭС.1 предназначен для сравнивания двух непрерывных пневматических сигналов и получения выходных дисперсных сигналов 0 или 1 при рассогласовании сравниваемых давлений.
Элемент состоит из двух основных частей: мембранного блока (реагирующего органа) и двух пар сопло-заслонка. Сравниваемые давления подаются на штуцера 2 и 12, давление питания подается на штуцер 11, штуцер 3 соединяется с атмосферой, выходное давление снимается со штуцера 13, соединенного со штуцером 1. При рассогласовании сравниваемых давлений перемещается мембранный блок, состоящий из трех плоских резинотканевых мембран, связанных между собой жестким центром, и открывает или сопло, соединенное со штуцером 11, или сопло, соединенное со штуцером 3.
Реализация систем регулирования
Выходное давление элемента
4 поступает на усилитель мощности 5 и через сопло С1, выключающего реле 6, служит для отключения регулятора при переходе на ручное управление. Для гашения автоколебаний, возникающих в системе, в элемент сравнения 4 вводятся две обратные связи: положительная в камеру В и отрицательная в камеру Г. Автоколебания, возникающие в случаях нарушения равновесия системы, затормаживаются с помощью постоянного дросселя ПД2, включенного в линию положительной обратной связи. По требованию заказчика регулятор может быть настроен на один из следующих пределов пропорциональности: 5-И00,10+300,40+500, 100+1000, 150+1500,500-5-3000%.
Если пределы пропорциональности не указаны, регулятор поставляют со шкалой 10+300 %. Габаритные размеры регулятора равны 114,4х86х 169 мм.
Пропорционально-интегральный регулятор ПР-3.21
Регулятор ПР-3.21 предназначен для получения непрерывного регулирующего воздействия на исполнительный механизм с целью поддержания заданной величины регулируемого параметра.
Пропорциональное звено регулятора (рис. 39) состоит из элемента сравнения 5 и сумматора 6, интегральное звено из элемента сравнения 1, дросселя 2, емкости 3 и выключающего реле 4. Измеряемое давление Р„ подводится к камерам Д элемента 1 и Г элемента 5, давление от задатчика Р, к камерам Б элемента 1 и В элемента 5. Суммарное действие на выходное давление пропорциональной и интегральной составляющих обрабатывается элементом сравнения 7.

Пропорциональная составляющая регулятора ведется путем воздействия на отрицательную обратную связь, степень ее воздействия настраивается регулируемым дросселем сумматора. Интегральная составляющая вводится путем на положительную обратную связь, степень ее воздействия настраивается дросселем 2 в пределах от 3 с до 100 мин.
Давление, обрабатываемое элементом 7, поступает на вход усилителя мощности 8, а затем через выключающее реле 9 на выход прибора. Назначение последних двух элементов идентично назначению этих элементов регулятора ПР-2.5.
Выключающее реле 4 предназначено для предохранения линии исполнительного механизма от скачка давления в промежуточном значении переключателя, когда изменение задания вызывает резкое изменение выходного давления элемента 1. Регулятор может быть настроен на те же пределы пропорциональности, что и регулятор ПР-2.5. Глубина регулятора 137 мм.
Реализация систем регулирования
Сущность основных законов регулирования для лучшего усвоения изложена на примерах простейших регуляторов прямого действия. Уже говорилось, что в условиях НПЗ наиболее распространены пневматические регуляторы непрямого действия. Основу их составляют регулирующие блоки системы Старт, созданные на базе универсальной системы элементов промышленной пневмоавтоматики (УСЭППА).
Число элементов УСЭППА относительно невелико, каждый из них решает несложную задачу, однако соединение их определенным образом позволяет получить множество различных устройств пневмоавтоматики. К основным элементам относятся сумматоры (элементы сравнения), усилители, повторители, емкости, дроссели и т. д.
Конструктивно схемы на элементах УСЭППА представляют собой плату из оргстекла, на которой закреплены элементы. Связь между ними осуществляется через воздухопроводящие каналы, проложенные внутри платы.
Для питания схем на элементах УСЭППА используется очищенный от пыли, влаги и масла сжатый воздух давлением 140 кПа. В работе активных элементов, которым требуется воздух питания, используется принцип компенсации сил, т. е. перемещения всех подвижных узлов (мембран, клапанов, пружин) чрезвычайно малы, что обеспечивает их высокую чувствительность.
Схемы пневмоавтоматики могут работать в аналоговом или дискретном режимах. По структуре регулирующие блоки Старт представляют собой совокупность типовых пневматических динамических звеньев, соединенных надлежащим образом.
Ниже показано (упрощенно), как можно реализовать известные законы регулирования, взяв за основу один из элементов УСЭППА элемент сравнения.
На рисунке 40а пояснен принцип работы позиционного регулятора на основе трехмембранного элемента сравнения. В камеры, ограниченные сверху и снизу мембранами, подаются пневмосигналы.
При наличии разности давлений в камерах сборка перемещается.
Если, например, Р„ Р, (где Р„ сигнал переменная от пневмодатчика регулируемого параметра, а Р3 сигнал задание от пневмозадатчика), то сборка смещается вниз, так как эффективная (рабочая) площадь средней мембраны больше, чем крайних. Жесткие центры крайних мембран играют роль заслонок относительно верхнего и нижнего сопел.
При смещении сборки вниз верхнее (впускное) сопло открывается, и воздух питания через него и камеру Г поступает на выход. Одновременно нижнее сопло (выпускное) закрывается. В результате этого в линии выхода скачком устанавливается давление воздуха Рвых = Ртт.
При Р„ Р1 сборка смещается вверх, сопла переключаются, и воздух из линии выхода сбрасывается в атмосферу, т. е. устанавливается Рвых = 0. Для быстрой передачи сигналов на исполнительный механизм на выходе регулятора имеется пневмоусилитель мощности ПУМ. Двухпозиционный режим работы элемента
сравнения в данном случае обусловлен отсутствием равновесия действующих на мембранную сборку сил, поэтому небольшой разности Р„ - Рз достаточно для перевода сборки в одно из крайних положений, так как рабочий ход ее очень мал.

Рис. 40. Упрощенные схемы позиционного (а) и пропорционального (б) регуляторов на базе элементов сравнения (УСЭППА): А, Б, В, Г, Д, Е, камеры; Д1,Д2 регулируемый и постоянный дроссели; ПУМ усилитель мощности
Сущность получения П-закона регулирования можно пояснить на рисунке 406. Пятимембранный элемент сравнения охвачен отрицательной обратной связью по выходному сигналу.
Воздух с выхода подается на вход в минусовую камеру Б через делитель давления, состоящий из регулируемого дросселя Д1 и постоянного Д2. Выходной сигнал создает на мембранной сборке усилие, уравновешивая усилие от разности давлений Р„ - Р„ т. е. входного сигнала. В этом случае элемент сравнения работает согласно уравнению:
Р.„=К(Р"-Рі\
где К коэффициент усиления.
Значение коэффициента усиления зависит от степени открытия дросселя Д1: при полном открытии К=1, при закрытии К увеличивается. Если дроссель закрыть полностью, то обратная связь исчезнет, и элемент будет работать в двухпозиционном режиме.
Пятимембранный элемент сравнения используют и для получения И-закона регулирования. Схема включения его соответственно изменяется и дополняется другими элементами УСЭППА.
В регулирующих блоках Старт, сформированных в соответствии с реализуемым законом регулирования, выходной сигнал усиливается по мощности, а затем поступает в переключающее реле, которое позволяет при необходимости отключать регулирующий блок и управлять пневматическим исполнительным механизмом (ПИМ) дистанционно вручную. Для этого в камеру А реле подается сигнал переключения при давлении 140 кПа, и мембранная сборка смещается вверх.
Сопло 1 закрывается, отсекая выходной сигнал регулятора, а сопло 2 открывается, и через камеру 5 в линию ПИМ поступает воздух управления от ручного задатчика. Обратное переключение происходит под действием пружины 3 при сбросе воздуха из камеры А.
К основным регулирующим блокам Старт относятся: ПР-2.8 (П-регулятор), ПР-3.31 (ПИ-регулятор), ПР-3.33 (ПИ-регулятор соотношения двух параметров), ПР-3.34 (то же, с коррекцией по третьему параметру) и др. Для получения ПИД-закона регулирования совместно с ними может использоваться блок предварения ПФ-2.1.
Двухпозиционный блок ПР-1.5 применяют в схемах автоматической сигнализации, блокировки и защиты.
Автоматические системы регулирования на базе регуляторов Старт
Пневматические регулирующие приборы реализуются по схеме последовательного включения корректирующих звеньев и пропорционального регулирующего органа. Интегральная составляющая ПИ-закона регулирования в пневматических регуляторах реализуется с помощью положительной обратной связи (с коэффициентом усиления 1), охватывающей инерционное звено (пневмоемкость).
Многие годы промышленность выпускала пневматические регулирующие приборы агрегатной унифицированной системы (АУС), построенной по блочному принципу, где каждый блок является самостоятельным прибором.
В настоящее время систему АУС заменяют регулирующими приборами системы Старт, построенной по элементному принципу на базе универсальной системы элементов промышленной пневмоавтоматики (УСЭППА). Однако регулирующие приборы системы АУС еще широко применяют в системах автоматизации химических и целлюлозно-бумажных производств.
Регуляторы
Регулирующие приборы системы Старт (ПР-3.21, ПР-3.23 и ПР-3.24) собраны из элементов системы (УСЭППА). Основными элементами УСЭППА являются пневмосопротивления (пневмодроссели), пневмоемкости и усилители, построенные на узлах сопло-заслонка.
Для упрощения чтения схем на пневмоэлементах введены условные обозначения.
В пневмоусилителе с двумя входными Рі и Рі мембранный блок содержит три мембраны 2 и четыре камеры 1. Усилитель имеет два узла сопло-заслонка, через узел 4 подается давление питания, а узел 3 соединен с атмосферой.
Узлы сопло-заслонка соединены между собой пневмопроводом так, что образуют цепочку из двух переменных сопротивлений, соединяющих питающую магистраль с атмосферой. От соотношения проводимостей этих сопротивлений зависит уровень выходного сигнала давление Рвых в линии, связывающей оба сопротивления. Величины этих сопротивлений определяются положением мембранного блока, так как его торцы используются в качестве заслонок. Это приводит к тому, что при перемещении мембранного блока возрастание одного сопротивления сопровождается одновременным уменьшением другого.
Положение мембранного блока в свою очередь определяется значением входных сигналов Ри Рг.
Элементы УСЭППА, собранные в простейшие схемы, образуют модули, с помощью которых собирают различные функциональные схемы секции. Такие секции представляют собой регулирующие приборы ПР-3.21, ПР-3.23, ПР-3.24.
Регулирующий прибор ПР-3.21 (рис. 41) состоит из двух модулей (модуля интегрирования и модуля умножения и суммирования) и переключающего реле, предназначенного для отключения регулятора при дистанционном управлении клапаном и для бестолчкового перехода на автоматическое управление с дистанционного, и наоборот. Реле управляется давлением Команда с переключателя вторичного прибора.
Регулятор ПР-3.21 реализует ПИ-закон регулирования.

Рис. 41. Структурная схема пневматического регулирующего прибора
Модуль интегрирования (рис. 42) собран на пятимембранном пневмоусилителе, переменном дросселе и пневмоемкости. Пятимембранный элемент имеет четыре глухих камеры (Б, В, Г и Д).
Мембраны этих камер соединены жестко стержнем.

Р пит 1 4 кгс/см2 подается через верхнее сопло в камеру Е. Нижнее сопло камеры А соединено с атмосферой. Под действием давления в плюсовых камерах Д и В стержень стремится переместиться вниз, открывая верхнее сопло подачи Р„ит и прикрывая выход в атмосферу. При этом давление на выходе элемента будет возрастать. Под действием давления в минусовых камерах Г и Б давление на выходе будет уменьшаться.
Площади мембран всех камер одинаковы. Давление Р от первичного преобразователя подается в камеру Д, давление Рим камеру Б, давление Р в камеру Г, т. е. элемент охвачен по выходу жесткой отрицательной обратной связью с коэффициентом усиления 1. Если из-за разности давлений в камерах Д и Б (Р~ Р3ад) выход Р с элемента начнет расти, то одновременно возрастет давление в камере Г, которое будет стремиться уменьшить Р. Когда в камере В давление отсутствует, то момент равновесия наступит при условии
P~ FРзад F = Р F; где Р эффективная площадь мембраны, Т. в. Р = Р~ - Рзад-
С изменением давления Р начинает постепенно изменяться давление Ри в пневмоемкости V. Если бы пневмоемкость не была соединена с камерой В, то Ри изменялось бы по экспоненте до значения, равного Р. Но за счет введения положительной обратной связи по давлению Ри и по мере изменения Р„ изменяется давление в камере В а, следовательно, и давление Р. Таким образом, в любой момент соблюдается соотношение Р~~ Рюд + Ри = Р, или Р Ри Р~ Р30д.
Из последнего равенства видно, что перепад на дросселе Ти ДР = Р - Ри всегда равен Р~. Следовательно, если Р~ не изменяется, то ДР и расход воздуха через дроссель в пневмоемкость постоянные.
Поэтому давление в пневмоемкости Ри будет изменяться с постоянной скоростью. Для небольших значений Р_, можно считать, что расход воздуха через дроссель, а следовательно, и скорость изменения давления Ри прямо пропорциональны величине Р.-
Величину пропорциональности можно изменять степенью открытия дросселя Тв. Чем выше проводимость (открытие) дросселя, тем больше расход через него, а следовательно, выше скорость изменения Р„ при одном и том же входном сигнале. Если Р~ станет равным нулю, то давление Р уменьшится на
Р = Р. - Р3ао и перепад на дросселе Ти, а следовательно, и расход через него станет равными нулю. Давление Р„ с этого момента будет неизменным.
Это установившееся давление в момент равновесия интегратора будем в дальнейшем обозначать Р0.
Необходимое условие для постоянства Р„ полная герметичность пневмосистемы на участке после переменного дросселя Ти. Действительно, если в пневмоемкости имеется утечка, то Р0 будет постепенно уменьшаться.
Эта утечка не будет компенсироваться подпиткой через дроссель, так как при падении Р0 всегда будет соблюдаться условие Р = Р„, т. е. при отсутствии входного сигнала на интегратор выход Р„ остается постоянным за счет того, что он подан в камеру В положительной обратной связи и интегратор оказывается как бы замкнутым сам на себя без посторонней стабилизации.
Направление изменения давления выхода зависит от полярности входного сигнала, а скорость от величины сигнала и установленной проводимости дросселя Ти. Головка дросселя оцифрована в значениях устанавливаемого времени интегрирования.
Численно Ти равняется времени, за которое давление выхода с интегратора изменяется на величину сигнала.
В модуле умножения и суммирования (рис. 43) давление Р~ подается в минусовую камеру Г пятимембранного элемента, давление Рма в плюсовую камеру В. Давление с интегратора Ри подается одновременно в плюсовые камеры элементов 1 и 2. Элемент 1 охвачен по выходу единичной отрицательной обратной связью через камеру Б и давление, с него через переменный дроссель делителя ДД подается в минусовую камеру Б элемента 2. Элемент 2 и повторитель 3 охвачены отрицательной обратной связью через постоянный дроссель делителя ДД и, следовательно, выход с повторителя 3 РвЫх является давлением выхода со всего модуля умножения и суммирования. Кроме того, повторитель 3 и элемент 2 через камеры Г и В охвачены жесткой отрицательной и положительной обратными связями.
В статике эти две обратные связи взаимно компенсируются, в переходном режиме они улучшают динамические свойства модуля, устраняя возможные автоколебания.
На элементе 1 давления Р30д, Р~, Ри суммируются. Равновесие элемента 2 наступит, когда давление в камере Б станет равным Ри, т. е. Рг = Ри-
Рассмотрим различные состояния модуля. В случае его равновесия Р- = Р-ш0\ Ри = Ро. На выходе элемента давление Р\ станет равным Ро- Выход с повторителя будет изменяться до тех пор, пока давление Р2 не станет равным Ро, что возможно лишь при условии, когда Ршх - Ро- Действительно, если перед дросселем давление Рх = Р0, то для того чтобы давление в середине делителя было также Ро, необходимо отсутствие расхода через ДД.
Для этого перепад давлений на ДД должен быть равен нулю. Это возможно только в случае, если давление перед дросселем у также будет равно /V
Степень открытия переменного дросселя не влияет на Рвых, так как перепад на дроссельном делителе равен нулю. Но для этого необходима хорошая герметичность дроссельного делителя и участка соединения его с камерой Б элемента 2. При утечке давление Рвт будет больше, чем Ро, и на величину Рвых будет сказываться степень открытия дросселя а.
Если на регулятор подан входной сигнал Р~ Рза0, а давление с интегратора равно Ро (т. е. дроссель Ти интегратора полностью закрыт), Рі на выходе элемента 1 перед переменным дросселем а будет: Р\ - Ро - (Р~ - Рзаь), т. е. оно уменьшится на величину входного сигнала. Давление Рг также вначале уменьшится.
Из-за этого станет увеличиваться давление на выходе элемента 2 до тех пор, пока давление Рвых не возрастет настолько, что давление Рг станет равным Ро и элемент 2 уравновесится.
Таким образом, при подаче на вход модуля сигнала АРвх = ~(Р~ - Рзад)- Давление перед делителем уменьшается на величину АРі, и выход с модуля возрастает на величину АРвых, необходимую для получения между дросселями делителя прежнего давления Ро.
Отношение АРвх /АРвых будет зависеть от степени открытия дросселя а. Если дроссель полностью закрыть, то ДРвх не изменит давления Р2, равного перед этим Ро, и выход останется равным Ро. Модуль будет лишь повторять сигнал Ри интегратора.
Это означает, что коэффициент усиления сигнала Р - Р ШО равен нулю.
Если дроссель а открыт так, что его проводимость намного больше проводимости постоянного дросселя у, то сигнал уменьшит давление Р2 на АР2, близкое по величине к АРвх. Чтобы скомпенсировать изменение АР2, Рвых должно измениться на величину АРшх значительно большую, чем АРЯХ.
В этом случае коэффициент усиления сигнала АРвх будет достаточно большим.
Следовательно, модуль повторяет давление Ри, добавляя к нему величину Р~ - Р,ад, численно равную отношению к проводимостям переменного а и постоянного у дросселей
К = а/у.
Отличительная особенность регулятора ПР-3.21 от регулятора 4РБ-32А состоит в том, что время интегрирования Т„ для регулятора ПР-3.21 и время изодрома Тиз для регулятора 4РБ-32А не идентичны. Объясняется это тем, что в регуляторах 4РБ-32А при изменении диапазона дросселирования 5 изменяется одновременно и время изодрома, т. е. настройки регулятора связаны друг с другом, а в регуляторах ПР-3.21 -настройки развязаны.
Методы расчета настроек позволяют получить оптимальные величины д и Гиз, поэтому для расчета настроек регулирующих приборов системы Старт необходимо Тиз пересчитывать на Т„. Так, если в результате расчета получили д„пт и Ту, опт, то на регуляторе необходимо установить 5 = 50ПТ, а Т„ = Тіа опт ¦ 6 опт/100.
Например, в результате обработки кривой разгона объекта и расчета настроек получили д„т = 30%; ТизоПт= 1,2 мин.
На регуляторе ПР-3.21 необходимо установить д = 30%; Т= 1,2-30/100 = 0,36 мин.
Регулирующий прибор ПР-3.21 сделать пропорциональным нельзя из-за невозможности полностью герметизировать схему. Если установить 6 = 3000%, то прибор ПР-3.21 будет интегральным (что невозможно в приборах АУС). В этом случае при динамической настройке необходимо пользоваться формулами для И-регулятора.
Элемент настройки И-регу-лятора коэффициент пропорциональности ер численно равен Ер = 1/Т„.
Регулирующий прибор ПР-3.23 используют для поддержания соотношения двух параметров на заданном постоянном значении. Например, задано, что расход газа по одному трубопроводу должен быть строго в 0,8 раза больше расхода газа в другом трубопроводе.
Регулятор соотношения получает сигнал от первичных преобразователей расхода и воздействует на один из расходов (ведомый) так, что соотношение расходов газа по трубопроводам всегда сохраняется постоянным (например, 0,8).
Прибор ПР-3.23 (рис. 44а) состоит из двух частей: соотношения и регулирования.
Регулирование представляет собой регулирующий прибор ПР-3.21.
Давление Рг и Рі от первичных преобразователей поступают к одному из полюсов дроссельных делителей 1 и 2. Каждый делитель состоит из постоянного и регулируемого дросселей, соединенных между собой последовательно. Второй полюс делителей соединен с задатчиком. Делители позволяют точно установить заданное соотношение между регулируемыми параметрами
С = K1 P-Q'2
Kl' 0,8 ’
где Кі и Кг коэффициенты, устанавливаемые на делителях 1 и 2 (изменяются от 1 до 0,2);
Рк корректирующий сигнал от задатчика, изменяется от 0,2 до 1;
0,2 и 0,8 постоянные коэффициенты.

Рис. 44. Поверка регуляторов:
а регулирующий прибор ПР-3.23 соотношение параметров; б принципиальная поверочная схема стенда поверки регулятора на базе регулятора ПР-3.21
Поверка регуляторов
При поверке следует учитывать, что регуляторы системы Старт работают в комплекте с любыми первичными преобразователями ГСП, а в качестве вторичных применяют приборы системы Старт с встроенными станциями управления.
Для увеличения быстродействия систем при длине трасс более 150 м устанавливают промежуточные усилители пневматического сигнала.
На (рис. 446) показана принципиальная поверочная схема регулирующего прибора ПР-3.21, по которой выполняют стендовую поверку.
Устанавливают регулятор на стенд ЛТ-25, подают питание и проверяют герметичность всех пневмолиний.
Проверка контрольной точки заключается в определении разности между сигналом Р,ад иРл момент равновесия регулятора. Так как регулятор охвачен отрицательной безынерционной обратной связью с коэффициентом усиления единица, то Р~ автоматически установится равным Рш- Для проверки контрольной точки ручки дросселей а и Г„ устанавливают на значении соответственно 5% и 0,05 мин.
Задатчиком, установленным на стенде, последовательно изменяют задание от 0,2 до 1 кгс/см2 и обратно При этом в любой точке диапазона изменения Рза0 разность Р,ад - Р~ должна быть не более 0,08 кгс/см2.
Если для проверки используют образцовые манометры на 1,6 кгс/м2, то при изменении задания по шкале манометра от 12,5 до 62,5 деления разница в показаниях Рщ, - Р не должна превышать половины большого деления манометра
Смещение контрольной точки при изменении диапазона дросселирования д проверяют следующим образом Устанавливают PJad = 35 деления шкалы манометра и после успокоения регулятора ручку дросселя Т устанавливают на отметку 5. При изменении значения д от 5 до 3000% разность Рзао - Р~ должна быть не более трех делений по манометру.
При проверке дросселя Ти повторяют операции по проверке смещения контрольной точки при Ти равном 0,5; 1,0 и оо. В этом случае время, за которое Р,ых станет равным Рзаь, должно соответственно увеличиваться.
Если в результате проведенных проверок окажется, что их результаты отличаются от требуемых, устраняют неисправности регулятора. Так, если смещение контрольной точки выше допустимого и непостоянно, проверяют герметичность поверочной схемы и подтягивают крепления элементов регулятора.
Если смещение выше допустимого и постоянно, это значит, что рассимметрирован интегратор.
Если при вращении дросселя Ти скорость уравновешивания регулятора не изменяется, затягивают винты крепления дросселей Ти и а, для чего снимают шкалы дросселей. Для выравнивания характеристик дросселей Ти и а при снятой шкале штифтами дросселей регулируют плавность профиля плоских пружин дросселей.
Если Рвых изменяется при вращении дросселя а от 5 до 3000% более чем на 23 деления шкалы манометра, значит рассимметрирован элемент VI (рис. 46) регулятора.
При настройке элементов I, IV и VI учитывают, что элементы I и VI работают в режиме сравнения, а Г? в режиме суммирования.
Учет: Делопроизводство - Автоматизация - Софт