Оптимизация бизнес процессов. Улучшение административных бизнес-процессов

10 фундаментальных приемов (инструментов)


В дополнение к такому обучению основам работы в команде и реше­ния проблем, члены команды по улучшению процесса также должны прой­ти специальное обучение, которое подготовит их к участию в соответ­ствующих мероприятиях.

Эта подготовка должна включать следующее (но не ограничиваться этим):
Концепции улучшения бизнес-процессов
Построение блок-схем
Приемы интервьюирования
Методы оценки улучшения бизнес-процессов (затраты, длительность цикла, производительность, эффективность)
Имитационное моделирование
Методы устранения видов деятельности, не добавляющих цен­ности
Приемы упрощения процессов и документации

Упражнение организационными изменениями
Методы прогонки процесса
Анализ затрат и длительности цикла






10 усложненных приемов улучшения бизнес-процессов


По мере осуществления мероприятий по улучшению бизнес-процес­сов команда по улучшению процесса может использовать более сложные приемы для получения еще более высоких результатов.

Среди этих при­емов:
Реализация функции качества (QFD)
Составление схемы программы оценки и пересмотра планов
(PERT)
Планирование бизнес-систем (BSP)
Метод анализа процесса (PAT)
Структурированный Анализ/Структурированный Дизайн (SA/SD)
Анализ/управление ценностями
Инжениринг информации
Идентификация и применение инструментов
Сравнительный анализ
Документирование видения

С самого начала члены команды по улучшению процесса должны быть уверены в возможности (в отношении трудовых ресурсов и разработки организационной структуры) изменения административных бизнес-про­цессов. Если потенциальные изменения ограничены предварительными условиями, то суть этих условий необходимо объяснить тем, кого они ка­саются. Руководство должно обеспечить команду по улучшению процес­са детальной информацией, определяющей границы и пределы, которым должно удовлетворять для получения одобрения рекомендуемое наибо­лее выгодное нацеленное на будущее решение.
Наконец, с самого начала должно быть ясно, кто в организации не­сет ответственность за управление отдельными подразделениями в рам­ках административной организации. Структура и содержание справоч­ника административной организации должны отражать ответственность перед управлением в рамках административной организации. Таким об­разом, проект набирает силу. Структура проекта подчиняется структуре управления и пользователи будут рассматривать результаты проекта как свои собственные. В главе 7 обсуждается организация и управление спра­вочником административной организации.






Административные бизнес-процессы


Административные бизнес-процессы - это серия последовательных мероприятий по выполнению административных задач. Эти процессы охватывают всю организационную структуру. Они определяют инструменты и методики, способы, последовательность и процесс, в рамках которого выполняются эти мероприятия. Административные бизнес-процессы объединяют базы данных и саму организацию.
Определение   Инструмент - это технические или организационные средства/ресурсы, которые позволяют выполнить задачу, мероприятие, процесс. Примерами технических инструментов являются персональные компьютеры, копировальная техника, децентрализованная обработка данных, голосовая почта (автоответчики) и т.д. Примерами организационных инструментов являются интенсификация, самоменеджмент, коммуникации, образование и т.д.
Поскольку отдельные системы часто оказывают влияние на множество различных процессов, мы довольно быстро стали осознавать необходимость анализа самих процессов наряду с анализом систем, частью которых эти процессы являются. В 90-х годах мы узнали, что системы, которые связывают процессы, играют критическую роль в улучшении деятельности организации в целом, так как именно они определяют организацию и функционирование ее основных процессов.
Определение   Система - совокупность компонентов (аппаратное и программное обеспечение, процедуры, действия персонала и другие ресурсы), объединенных некоторой формой регулируемых взаимоотношений для формирования организации как единого целого. Это группа связанных процессов, которые могут функционировать как вместе, так и по отдельности. (См. Рисунок 1.B)

Бизнес-процессы, происходящие в рамках организации, можно подразделить на две большие группы:
1. Улучшение производственных бизнес-процессов (УПБП)
2. Улучшение административных бизнес-процессов (УАБП)






Анализ своевременности выполнения и длительности цикла


Методики, учитывающие элемент времени, можно разделить на две группы:
Методики, измеряющие своевременность выполнения административных бизнес-процессов.
Методики, анализирующие длительность цикла.

Проводить анализы такого рода следует в том случае, когда существует свидетельство того, что процессы не завершаются в срок, задерживаются операции обработки. Это становится очевидным из-за отложенных сроков поставки, аннулирования заказов клиентами или частого использования ава­рийных и временных процедур (в случае автоматизированной платеж­ной ведомости отдел выплачивает вансы или обновляет обширные наборы данных вручную, поскольку регулярная компьютерная инфор­мация появляется позже). Кроме того, потребность в проведении анали­за может возникать в результате анализа маршрутизации в Разделе 4.7.
Анализ своевременности выполнения процессов должен быть прове­ден в первую очередь. Если результаты этого анализа говорят, что задер­жек практически нет, то, соответственно, нет прямой необходимости в расширении анализа и в проведении анализа длительности цикла.


Анализ своевременности выполнения и длительности цикла

Рисунок 4.G   Пример анализа своевременности выполнения и длительности цикла


Если процессы выполняются с отставанием, следует проанализировать марш­рутизацию соответствующих процессов.


На основе анализа можно опре­делить, происходит или не происходит следующее:
Большое количество отделов вовлечено в процесс, в ходе которого документы часто перемещаются из одного отдела в другой.
Всего несколько отделов вовлечены в процесс, в ходе которого документы часто перемещаются из одного отдела в другой.
Всего один-два отдела вовлечены в процесс, в ходе которого документы часто перемещаются из одного отдела в другой.

Если всего один-два отдела вовлечены в административный бизнес-процесс, причины запаздывания можно выявить быстро. В других случа­ях следует провести анализ длительности цикла в каждом отделе, особен­но если в процесс вовлечено большое количество сотрудников и/или если существуют исправленные циклы, внедренные в процесс. Анализ должен разрабатываться в форме целенаправленного изучения длительности цик­ла в отдельных отделах и между ними. Так бывает, когда происходят мно­гократные передачи документов/информации между отделами. Время, ко­торое документы проводят в различных отделах, и время, необходимое для проведения различных мероприятий, должно быть задокументировано (в терминах запаздывания и времени обработки), так же как время, необходимое для перемещения документов (к примеру, система внутрен­ней почты).
Различие между этими двумя видами анализа показано на Рисунке 4.G. Общая схема процесса представляет обработку информации о вновь при­нятых на работу. Своевременность выполнения измеряется при помощи регистрации количества вновь принятых на работу в начале и в конце процесса (обозначено А). Кроме того, замеры (измерения) своевременно­сти выполнения процесса измеряют длительность цикла (обозначено В).
Проведение анализов такого рода - процедура достаточно трудоем­кая. Результаты наблюдений стоит обрабатывать при помощи специаль­но разработанных для этой цели персональных компьютеров и программ­ного обеспечения.





Анализ своевременности выполнения процессов


В ходе этого вида анализа составляется график отрезка времени между:
Моментом начала процесса (начальной границей). В процессе набора и отбора сотрудников этот момент может начинаться с принятии решения о необходимости привлечения нового сотруд­ника. В процессе обработки информации о людях, недавно при­нятых па работу, этот момент возникает, когда по почте отправ­ляется письмо с предложением работы. В процессе управления заказом начало может определяться моментом получения заказа.
Моментом завершения процесса (конечной границей). Для при­веденных выше примеров в качестве времени завершения может рассматриваться момент отправки по почте письма с предложе­нием работы, момент завершения обработки данных о людях, недавно принятых на работу, в платежной ведомости и отделах кадров и момент отправки проданных товаров и соответствую­щих им счетов (накладных).
Для каждого анализируемого процесса уже установлено действие или событие, с которого начинается процесс и действие, которым процесс пред­полагается завершить. Необходимо определить мероприятия, формиру­ющие компоненты процесса, который должен быть проанализирован (по­лучение подтверждения страхования на случай болезни или страхование пенсии могут относиться к административной обработке информации о людях, недавно принятых на работу).
Анализ может проводиться двумя методами: выполнением исследо­вания случайной выборки и регистрацией наблюдений за процессами, которые необходимо выполнить.
Если исследование случайной выборки выполняется в отношении уже завершенных процессов, следует искать связи с документами, созданны­ми как часть этих процессов, и данными, содержащимися в этих докумен­тах. Изучение должно проводиться с учетом приведенных ниже шагов.
Определить масштаб исследования случайной выборки. Для изучения методов исследования случайных выборок рекомендуется обратиться к ссылкам в конце книги.
Решить, какие части совокупности подлежат более детальному изучению.
Стандартизировать требуемую длительность цикла. Стандартизация может основываться на количестве дней от начала цикла, за которые процесс должен быть завершен (к примеру, в случае обработки заказов на закупку) или может основываться на определенных данных, при помощи которых процесс должен быть завершен (информация о недавно поступивших на работу должна быть обработана до того момента, когда начинается обработка следующей платежной ведомости).

Проведение исследования случайной выборки. Для каждого наблю­дения необходимо зафиксировать дату начала, фактическую и планируемую дату завершения. Если процесс должен быть завер­шен к определенной дате, то следует указать планируемую дату завершения. Дата начала позволяет определить, что является при­чиной возможного запаздывания: медленная обработка или поздняя дата начала.
Определение количества рабочих дней, необходимых на каждое наблюдение. Количество рабочих дней,  необходимых на каждое наблюдение, может быть рассчитано на основе даты начала и завершения и для дополнительного времени - между нормати­вом и датой завершения.

Рассчитать:
Среднюю продолжительность выполнения процесса
Сколько раз была превышена норма
Среднее превышение (нормативный период и количество раз, когда он превышался за определенный период сгруп­пировать по классам)





Бенчмаркинг процесса


Бенчмаркинг процесса - давно известный метод, получивший второе рождение, когда компания «Ксерокс» воспользовалась им для радикального изменения своей стратегии и получила премию Малкольма Болдриджа (Malcolm Baldrige Award). В наше время этот подход многими понимается неверно. Большинство людей думают, что бенчмаркииг процесса - это сравнение показателей деятельности своих процессов с показателями деятельности процессов другой организации. Однако сравнение показателей - лишь один из первых шагов эталонного тестирования процесса. Этот вид деятельности правильнее было бы назвать сравнительным анализом.
Определение   Бенчмаркинг (Benchmarking) процесса - систематический метод определения, понимания и творческого развития товаров, услуг, проектов, оборудования, процессов и процедур (установившихся принципов) более высокого качества для улучшения текущей деятельности организации, посредством изучения того, как разные организации выполняют одинаковые или похожие операции.
Сравнительный анализ - сравнение некоторых наборов показателей схожих элементов.
Обычно бенчмаркинг процесса снижает затраты, длительность цикла и уровень ошибок на 20-50%. При осуществлении типичного проект беичмаркинга процесса разработка наиболее выгодного нацеленного на будущее решения (Best-Value Future-State Solution (BFSS)) занимает от 4-х до 6-ти месяцев. Исходя из нашего опыта, этот подход имеет смысл использовать для 5-20% основных процессов организации.
Конечно, существует множество различных видов бенчмаркинг процесса. Некоторые из них включают сравнительное изучение продукта, бизнес-процесса, производственного процесса и оборудования. Бенммаркинг бизнес-процесса -подход, имеющий непосредственное отношение к предмету нашего разговора.
При бенчмаркинге бизнес-процесса ключевые процессы идентифицируются, уясняются и сравниваются с лучшими эквивалентными процессами для определения нежелательных расхождений. Обычно, основываясь па сравнительном анализе, определяют несколько организаций, которые функционируют лучше, чем организация, проводящая это исследование. После что го команда, проводящая бенчмаркинг, оценивает процессы другой организации для того, чтобы определить, почему они фупкциопнру ют лучше, чем процессы в организации, проводящей это исследование. Команда, проводящая бенчмаркинг, использует полученную информацию для разработки и внедрения улучшенных процессов, сочетающих в себе лучшие черты процессов «эталонных» организаций, и при этом часто создавая процессы, которые оказываются лучше, чем любой из изучаемых ими ранее. Эта концепция проектирования процессов часто называется концепцией наиболее выгодного нацеленного на будущее решения (BFSS). Зачастую BFSS - не самая лучшая из доступных методик. К примеру, возможно, лучшим бизнес- решением будет улучшение на 30% в течение 90 дней, чем 40%-е улучшение в течение 18 месяцев.
Определение   Нацеленное на будущее решение (Future-State Solution (FSS)) - сочетание корректирующих воздействий и изменений, которые могут быть применены к изучаемому предмету (процессу) для увеличения его ценности для акционеров.
Наиболее выгодное нацеленное на будущее решение (Best-Value Future-State Solution (BFSS)) - это решение, которое приводит к наиболее выгодному перепроектированию предмета с точки зрения акционеров. Представляет собой наилучшую комбинацию требуемых затрат, длительности цикла внедрения, риска и результатов (к примеру: возврат к инвестициям, удовлетворение потребителя, доля рынка, риск, добавленная ценность па одного работника, сроки внедрения, затраты па внедрение и т.д.)






Бухгалтерская диаграмма


Бухгалтерская диаграмма - подходящая методика документирова­ния для проведения быстрого и детального обзора системы учета органи­зации. Для не очень опытного читателя схема может даже служить в каче­стве руководства по системе учета. Схема особенно полезна для получе­ния информации о последствиях возможных изменений в системе учета.
Схема рисуется в форме таблицы. Столбцы представляют различные счета, а строки - различные действия, отраженные в проводках. Разноска проводок по счетам обозначается символами, связанными линиями. Схе­ма системы бухгалтерского учёта также обсуждается в Приложении X.





Цели и факторы


В этой главе рассматривается процесс выбора методики (комбина­ции методик) для документирования административных бизнес-процес­сов: цели документирования определяют факторы и уровень детализации. Приведены методики документирования, которые адекватно представля­ют эти элементы на требуемом уровне детализации.
На практике имеют значение другие, нетеоретические факторы (к примеру такие, как удобство для пользователя, удобство эксплуатации и время, которое занимает выполнение схемы). Более того, оказывается, что доступная документация так же, как и субъективные факторы, имеет боль­шое значение.





Детальная схема процесса


Детальная схема процесса дает точную картину последовательности рабочих инструкций и каналов движения документов в административном бизнес-процессе. Для каждой процедуры могут быть указаны доку­менты или файлы рабочих инструкций. Однако последовательность ра­бочих инструкций определяет их положение в схеме. Также может быть указан отдел или отдельное лицо, выполняющее рабочие инструкции.
Детальная схема процесса особенно подходит для анализа админист­ративных бизнес-процессов в связи с маршрутизацией, избыточными про­цессами и группировкой мероприятий. Большое количество факторов может быть представлено достаточно детально. Не так ясны будут отно­шения между отделами, некоторые стороны внутреннего контроля, документопотоки, факторы периодичности и времени. Детальная схема про­цесса также обсуждается в Приложении VI.





Документирование, анализ и разработка улучшенного административного бизнес-процесса


В этой книге обсуждаются пути определения, понимания и улучше­ния ваших бизнес-процессов. Однако работа заканчивается лишь тогда, когда процессы хорошо задокументированы. Необходимо обеспечить до­ступность информации по этим процессам для любого человека, которому нужно разобраться в них или использовать. Кроме того, документальное сопровождение должно обеспечить непосредственную отслеживаемость свя­зей, начиная с задач и кончая бизнес-планом организации и критическими факторами успеха организации. Это может быть выполнено лишь при ус­ловии использования эффективной иерархической структуры докумен­тирования. Рисунок 1.Е показывает пять ярусов, составляющих типич­ную систему документирования. Данная структура документирования будет использована в этой книге.
Ряд факторов приводит к потребности понимать, документировать и улучшать все процессы, существующие в организации.

Среди основных факторов, побуждающих организацию сосредотачивать свое внимание па улучшении процесса и/или системы можно выделить следующие:
Установка новой компьютерной системы
Слияние двух или более организаций
Необходимость сертификации в системе качества по стандартам ИСО серии 9000
Необходимость сертификации в системе по защите окружающей среды по стандартам ИСО серии 14000
Внедрение программы тотального управления качеством
Необходимость снижения затрат или длительности цикла
Необходимость подготовки к финансовому аудиту
Необходимость реагирования на требования, предъявляемые потребителями и государством

Документирование, анализ и разработка улучшенного административного бизнес-процесса

Рисунок 1.Е Разбивка (классификация) документации

Документирование также полезно при изменении существующих процессов для сравнения существующих и предлагаемых методов. Еще одним доводом в пользу документирования является потребность в передаче знаний от одного человека к другому в рамках проекта или по его окончании. Даже если проект не был выполнен, наличие документации полезно для целей анализа или изменения текущих процедур, особенно для составления инструкций и контроля качества процесса. Эта концепция утвердилась с принятием во всем мире спецификаций ИСО серии 9000.






Документирование процессов


Для описания административных бизнес-процессов используют сле­дующие шаги.
A.           Инвентаризация существующей документации
B.            Изучение текущих процедур
C.            Документирование в соответствии с выбранными методиками
D.            Обеспечение обратной связи с вовлеченными лицами и получение их одобрения
E.            Введение описаний процесса в набор документов
F.            Выбор процессов, которые будут анализироваться в ходе следующей фазы
G.            Выбор окончательных целей и методик анализа
Н.            Планирование фазы анализа
I.             Предоставление отчёта команде по управлению проектом






Документирование в соответствии с выбранными методиками


Если документирование не было проведено в ходе интервью, то на­блюдаемые процедуры должны быть установлены в соответствии с выб­ранными методиками документирования. Необходимо убедиться, что до­кументирование всех процессов (даже если оно было проведено разными людьми) осуществлено в одном ключе и с соответствующим уровнем де­тализации. Для каждого процесса, группы степень детализации может от­личаться в зависимости от целей проекта. Таким образом, рекомендуется проводить обмен документированными процессами среди команд, про­водящих документирование. В любом случае документы должны быть одобрены в части правильного применения стандартов и методик доку­ментирования лидером проекта и желательно также командой по оценке качества, выбранной для нужд проекта.
Если для документирования подходят различные методики, то реко­мендуется начинать его с наиболее общепринятых. После одобрения ме­тодики документирования могут быть определены детали.





Документы


Необходимо также рассмотреть концепцию документов, поскольку данная концепция включает в себя все элементы, которые могут обеспе­чить знания в письменной, графической или вербальной форме.

Таким образом, следует более подробно остановиться на следующем:
формы
схемы
записи
компьютерный список
информация, отображаемая на экране
фотографии
графики
книги
аудиопленки
измерительные машины
кассовый аппарат
инструменты
устная речь и т. д.

Устная речь занимает особое место в этом списке документов. Хотя устные утверждения при общении людей (прямые или опосредованные, например, по телефону) не рассматриваются напрямую как документы, они составляют часть административных бизнес-процессов. Необходимо включить их в документации по процессам. При дальнейшем анализе и оценке административного бизнес-процесса оказывается, что устные ут­верждения формируют слабую связь в процессе. Однако хотя устная речь и не признается документом, но без нее точный анализ процесса невозможен. При использовании документов необходимо также заранее опреде­лить, какие характеристики нас интересуют. Достаточно ли обозначить общую концепцию документов или обязательно надо изучить точное со­держание, формат, сферу, толщину бумаги и число копий? Как только определена цель создания документа, можно проанализировать его эф­фективность. Иногда документ имеет значение лишь для отдельного ме­роприятия, однако часто он выполняет некоторую функцию в серии пос­ледовательных мероприятий.
Apache + Perl + PHP3 + MySQL для Windows 9x

Эффективность управления информацией


Административные бизнес-процессы - это процессы, посредством ко­торых уточняются данные. Важно, чтобы не только процессы были эф­фективно организованы, но и информация, вытекающая из этих процес­сов, также была эффективна. Это означает, что информация должна быть необходимым средством для выполнения функций, которые должны осу­ществляться организацией. Это, в свою очередь, определяет, в каком объе­ме и как поставляется информация для процессов принятия решений от­носительно отдельных сотрудников, изделий и факторов, относящихся к этим решениям.

Важными для анализа вопросами являются:
Для всех ли существенных структурных единиц (отделов, секторов, функций и т. д.),
субъектов (работников, поставщиков, потребителей и т. д.) и
изделий (конечных продуктов, сырья и материалов, средств производства и т. д.) поставляется информация?

Являются ли поставляемые данные исчерпывающими и вполне достаточными?
Оптимальна ли периодичность и непрерывность, с которой по­ставляются данные?
Являются ли данные достаточно критическими (ценными) и возможно ли сравнение их со стандартом (цифры из бюджета (также за предыдущие периоды), код штата (города), и т. д.)?

Эффективность управления информацией

Рисунок 4.В   Обзор источников недостатков


Достаточно ли имеется данных о различных фазах бизнес-про­цесса ( экономическое положение, оценки требований, текущая работа и т. д.)?
Все ли возможные аспекты (информация о месторасположении, источниках, крайних сроках, мощности и т. д.) отражены в сис­теме управления информацией?
Все ли данные достаточно надежны (см. Раздел 4.8)?
Адекватна ли скорость обработки и предоставления данных (см. Раздел 4.5)?
Для разных организаций наиболее благоприятная ситуация управ­ления информацией, учитывая предыдущие вопросы, будет отличаться. Практически невозможно описать универсальную модель информацион­ного управления организации. В конце концов, каждая организация от­личается от других, так как внешняя среда, в которой она действует, от­личается от других внешних сред, и так как внутренняя организация и управление приспособлены к различным ситуациям существующей внеш­ней среды.
Внешняя среда, внутреннее устройство организации и форма руко­водства ею являются важными факторами изменения для требуемой струк­туры информационной системы. Во-первых, внешняя среда организации характеризуется ролью, которую она играет при существующем статусе (некоммерческая, коммерческая, государственная). Различие между так называемыми некоммерческими организациями и организациями, кото­рые являются частью общественного строя на основе рыночного участия, оказывает влияние на фактор внешней среды. Во-вторых, внешняя среда различается по характеру вклада организации в экономический прогресс. Типичными важными соображениями являются: поставляет ли организа­ция товары и услуги или ее деятельность сконцентрирована в области торговли или производства. Должны быть определены характеристики наиболее важных первичных процессов организации, они (характеристи­ки) должны быть актуальны. Кроме того, внешняя среда характеризуется отраслью, в рамках которой действует организация. Наконец, важным классифицирующим фактором внешней среды является структура рын­ков купли-продажи, а именно: действует ли организация па одном, на нескольких или на большом количестве разных рынков.
Внутренние организационные факторы, которые изменяют инфор­мационную систему, формируются под влиянием масштаба организации, ее структуры (подразделений, отделов и т. д.) и организационного клима­та, такого как стиль руководства (формы контроля и регулирования ис­полнения контракта, применение побудительных мотивов управления), методы коммуникации и т. д.
Информационная система определяется не только характеристика­ми внешней среды и внутренней организацией. Информационная сис­тема является также продуктом своего времени, и это означает, что на проектирование также влияют такие факторы, как общая экономичес­кая ситуация, рост фирмы и возможности информационной технологии. Наиболее благоприятные ситуации также будут различаться для всех анализов, которые должны быть проведены.
Хорошие результаты достигаются путем анализа различных процес­сов управления, которые происходят в организации.

Это относится к про­цессам управления, что включает в себя:
стратегическое управление организацией (разработка и управ­ление стратегиями).
управление организацией и ее деятельностью (структурирование функций, задач, методов работы, методов управления и т. д.).
операционная деятельность (выполнение мероприятий в облас­ти закупок, продаж, администрации (ведения хозяйственных дел), управление поставками и т. д.).

Эффективность управления информацией

Рисунок 4.С   Схематическое представление цикла управления

Эти направления важны, поскольку различные процессы управления предъявляют различные требования к информации, используемой в рам­ках процесса. Эти требования могут касаться того, насколько использу­ется внутренняя и внешняя информация, предоставления отчетов, степень агрегирования и детализации и т. д.
На Рисунке 4.С представлены все три процесса управления. Первым шагом является определение требуемого результата, который называет­ся стандартом или нормой. Стандарт используется для сравнения с на­блюдаемыми результатами. Определяется отклонение от стандарта и ука­зывается настройка процесса. Указанная настройка может выразиться в изменении стандарта и/или корректировке мероприятий. Это модифици­рованное мероприятие наблюдается снова и сравнивается со стандартом. Указанная настройка может также привести к изменению стандартов па уровне подпроцессов или ресурсов. Если в ходе оценки процессов управ­ления принимается решение о выходе на определенный рынок (на долю рынка) или отказе от него, такое решение должно сопровождаться опре­делением организационных стандартов па открытие или закрытие фили­ала, как он должен управляться, кому менеджер должен предоставлять отчет.


Эффективность управления информацией

Рисунок 4.D   Иерархия подсистем
Показатели необходимости в peгулировании на уровне контролиру­ ющих мероприятии могут оказывать воздействие на цикл управления опе­рационной деятельностью. Иерархия различных циклов управления пред­ставлена на Рисунке 4.D. Информация играет важную роль и отдельных циклах управления и между подциклами.


Следует изучить управление информацией на каждом из грех уров­ней, упомянутых для фаз процесса управления. Для осуществления поли­тики должен быть доступен достаточный объем информации в форме цифр, характеризующих состояние рынка, прогноза результатов для каж­дого продукта/рынка или оценки ликвидности для разработки стандар­тов/норм (политики). Инструкции руководства относительно политики должны включать в себя стандарты, определяющие объем контроля, ко­торый должен осуществляться в организации. Это должно состоять из хо­рошо проверенных групп персонала, финансовых смет отделов, предпи­санной валовой прибыли и полномочий по осуществлению закупок. Ин­струкции руководства на этом уровне должны включать стандарты уров­ня операционной деятельности. Этот уровень должен быть продиктован ценой, установленной для каждого продукта, кредитными условиями по­ставки или стандартами, касающимися времени, потраченного па про­дукт.
Огромное значение имеют стандарты, используемые для сравнения с фактическими результатами и метод обозначения отклонений. Стандарт может основываться на финансовых сметах, оцененных для каждой зада­чи, или на соотношении цены и калькуляции затрат. Он может также ос­новываться на нефинансовых стандартах, таких как время ожидания, про­цент отказов или цифры по текучести производственных кадров. Иногда может оказаться, что вы не контролируете стандарты, соответствующие определенной задаче. В этом случае сравнение осуществляется на основе данных прошлого периода. Интересно заметить, каким образом выража­ются отклонения наблюдаемых результатов от стандарта. Следует также обдумать представление процентных отклонений.
Следует придерживаться сбалансированного распределения инфор­мации финансового и нефинансового характера. Финансовая информа­ция необходима для оценки нормы прибыли и финансового состояния. Кроме того, финансовое сравнение полезно для анализа проблем, кото­рые хотя и отличаются по сущности, но все же взаимосвязаны.
Количественная информация обычно необходима для управления организациями с различных специфических позиций. К примеру, вы мо­жете анализировать доли рынка, цифры по продуктивности, сравнение с конкурентами или информацию относительно персонала.





Элемент времени


Элемент времени может быть подразделен на вопросы, касающиеся крайних сроков, отрезков времени, последовательности. Под крайними сроками подразумеваются сроки начала и завершения мероприятия. При рассмотрении отрезков времени возникают вопросы относительно дли­тельности, минимальной и максимальной. Последовательность основы­вается на распределении во времени событий или мероприятий, длитель­ности цикла мероприятий и взаимозависимостью других мероприятий. Под взаимозависимостью мы понимаем то, что процедура может произой­ти только после того, как другая была начата или завершена. Ключевую роль в осуществлении улучшений играет анализ критического пути.






Факторы документирования


Фактор - любой элемент (к примеру, окружающая среда, деньги, труд, технология, расстояние, размер и т. д.), оказы­вающий воздействие на функционирование процесса.
Для правильного выбора методики документирования необходимо принять решение относительно того, какие факторы процесса должны быть документированы. Методика или комбинация методик документи­рования, которые необходимо рассмотреть, основываются на факторах, важных для анализа. Далее приведено несколько факторов, определяе­мых как различные подходы, которые могут быть использованы. Дан­ный список не претендует на охват всех возможных вариантов, однако знакомит читателя с наиболее часто используемыми подходами.





Факторы и уровень детализации: в теории и в практике


Использование принципов факторов и уровня детализации обычно вызывает теоретические дискуссии разного рода. В отношении Рисунка 3. А часто возникает вопрос, существует ли четкая разница между процес­сом, мероприятием, задачей и операцией. Различие между ними не очень значительно, поскольку существует иерархическая связь, соединяющая цели организационной единицы с целями верхнего уровня и цели рабо­чих инструкций с целями нижних уровней. Основной целью является со­ставление хорошего и полного перечня функций, мероприятий и задач для документирования процессов в соответствии с требуемым уровнем детализации (в зависимости от цели). В основном на верхнем уровне схемы важно выявить, что делается (процессы и мероприятия, такие как «ввод на­кладных», «отслеживание дебиторской задолженности»), а на нижнем уров­не схемы - как это выполняется («печатается», «рассылается по почте»).
Управление уровнем детализации необходимо также рассмотреть с другой стороны. В принципе, каждая методика документирования кажется подходящей для представления любого уровня детализации. В данном случае правильный выбор методики документирования не определяет требуемый уровень детализации. Для этой цели необходимы дополнитель­ные руководящие указания. Таким образом, должна быть проведена оцен­ка документирования специально назначенным для этой цели редакто­ром или техническим автором. Однако выбор определенной методики документирования действительно контролирует использование факторов (масштаба документирования).





FAST (Методика быстрого анализа решения)


Методика быстрого анализа решения основывается на способе улучшения, впервые использованном IBM в середине 80-х. В 90-х этот подход был усовершенствован компанией «Дженерал Электрик». Компания «Форд Мотор» продолжила развитие этой концепции, назвав ее «RАРEТ». Сегодня компания E&Y широко использует этот подход (который они называют Экспресс (Express)) в работе с клиентами по всему миру. Этот подход часто используется и другими организациями по всей Америке.
Определение   Методика быстрого анализа решения - «прорывной» подход, который концентрирует внимание группы па определенном процессе в ходе одно- двухдневного совещания для определения способов, которыми группа может улучшить этот процесс в течение следующих 90 дней. Перед окончанием совещания руководство одобряет или отвергает предложенные улучшения.
Методика быстрого анализа решения может применяться к мероприятиям любого уровня, начиная с основных процессов и кончая уровнем мероприятий. FAST-подход к улучшению бизнес-процессов сосредотачивается на отдельной одно- или двухдневной встрече, в ходе которой определяются источники проблемы и/или мероприятия, не добавляющие ценности, содержащиеся в данном процессе. Типичными улучшениями при применении FAST-подхода являются снижение затрат, длительности цикла и уровня ошибок на 5-15% за 3-месячный период. Выявление возможностей для улучшений и одобрение их внедрения осуществляется за 1 -2 дня, поэтому данный подход и получил свое название FAST2.

Подход FAST реализуется в ходе следующих 8 этапов:
1.         Определяется проблема или процесс, кандидат на FAST
2.         Заказчик высокого уровня соглашается поддержать инициативу проведения FAST в отношении процесса, который предполагается улучшить. (Процесс должен быть в рамках компетенции заказчика.)
3.         Назначается команда FAST, подготавливается набор целей и одобряется заказчиком.
4.         Команда FAST собирается в течение одного- двух дней для раз работки обобщенной блок-схемы процесса и определения мероприятий, способных улучшить показатели процесса. Все рекомендации должны быть в рамках компетенции членов команды, причем рекомендации должны быть такими, чтобы их можно было полностью внедрить в течение 3-х месяцев. Все другие предложения должны быть переданы заказчику для дальнейшего рассмотрения в будущем.
5.         Члены команды FAST должны признать свою ответственность за внедрение всех рекомендаций, переданных заказчику.
6.         По истечении 1 -2-х дневного совещания заказчик присоединяется к совещанию и команда FAST представляет ему свои выводы.
7.         Перед окончанием совещания заказчик одобряет или отвергает предложенные улучшения. Крайне важно, чтобы заказчик не откладывал принятие решения относительно предложений, в противном случае данный подход достаточно скоро становится не эффективным.
8.         Одобренные решения внедряются назначенными членами команды FAST в течение следующих 3-х месяцев.







Финансовый план


План работы персонала показывает, сколько времени сотрудники (категории сотрудников) тратят па участие в проекте в течение каждого пе­риода. Умножая число рабочих дней на индивидуальную дневную став­ку, получаем ориентировочную стоимость рабочей силы за различные периоды. Кроме того, в финансовый план также включается стоимость различного программного, аппаратного обеспечения и других ресурсов. В ходе проекта эти затраты могут быть также распределены по различ­ным периодам.






Географическое месторасположение


В отношении географического месторасположения в описании необ­ходимо делать упор на определение:
Места или местоположения, где происходят операции
Времени или расстояния, которые необходимо преодолеть. В качестве примера можно привести подпроцессы, которые происходят в отдельных географических местоположениях и время обращения документов.
Фактор географического месторасположения имеет особое значение при анализе того, насколько подходящим является процесс. Анализ мо­жет включать анализ маршрутизации или длительности цикла.





Характеристики методик документирования


Общие характеристики
Перед тем как переходить к обсуждению реальных методик докумен­тирования (Раздел 3.9), представляется интересным сперва изучить неко­торые общие характеристики методик.
Принцип составления схемы можно описать как наглядное изобра­жение, целью которого является предоставление картины организации, структуры, процессов, систем, процедур и внешних связей анализируемо­го элемента. Символы используются в схеме для наглядного изображе­ния. Символы - это фигуры, линии, знаки и комментарии, которые рас­сматриваются как изображение представленных процедур, конкретных сотрудников или отделов, документов, информации, времени, периодич­ности или инструментов. Часто проводят различие между свободными и связанными схемами.





Характер процедур


Характер процедур (мероприятий) показывает, какие (администра­тивно-организационные) процедуры выделяются и почему. Уровень де­тализации процедур сильно зависит от целей проекта. В то время как при изучении задач в административном отделе продаж будет достаточным лишь обозначить «контроль накладных», документация по проекту ад­министрирования продаж, которая содержит детальные инструкции, дол­жна содержать больше деталей, таких как сопоставление и ввод заказов, по­вышение цен, контроль точности накладных и т. д. (см. Рисунок 3.А в Разде­ле 3.5).
Кроме уровня детализации в документации по процессу также может быть указан уровень вовлеченности персонала. Уровень вовлеченности дает дальнейшее описание процедур (мероприятий). К примеру, концеп­ция накладных включает в себя управление, установление, обоснование, проверку и техническое выполнение.
Иногда анализ вовлеченности приводит к дальнейшему исследова­нию. К примеру, каждый раз, когда в административном бизнес-процессе вызывается процедура проверки, необходимо также определить процеду­ры, вытекающие из удовлетворительной или неудовлетворительной про­верки (так называемые непредвиденные процедуры). Если процедура проверки не дает удовлетворительных результатов, то должен быть назначен человек, который, в конце концов, должен произвести исправления.





Иерархическая схема


Иерархическая схема обеспечивает понимание структуры и сочета­ния общей административной системы. Она позволяет увидеть иерархию административных бизнес-процессов.
В иерархической схеме предпринимается попытка отделить админи­стративные бизнес-процессы от бизнес-процедур, с тем чтобы выделить нижний уровень детализации административных бизнес-процессов и изу­чать его по частям.
Структура схемы включает в себя деятельность, начиная с верхнего и кончая нижним уровнем, от общего к частному, и таким образом осуще­ствляется дальнейшее разделение. Эта разбивка на подразделения про­должается до тех пор, пока это полезно и необходимо. Иерархическая схема используется для обеспечения понимания процесса передачи знаний об административном бизнес-процессе. Она представляет группиров­ки и связи процедур в форме наброска и не подходит для детальною пред­ставления процессов. Иерархическая схема также обсуждается в Прило­жении III.

Общий обзор процессов и схема подразделений
Общий обзор процессов и схема подразделений обеспечивает пони­мание связей между всеми исследуемыми административными бизнес-про­цессами и организационными единицами. Сущность вовлечения подраз­делений (и/или сотрудников) в каждом административном бизнес-процессе представлена в общих терминах, в то время как могут быть указаны ис­пользуемые методы сбора данных. Общая схема реализуется в форме мат­рицы, в колонках которой представлены правила административных биз­нес-процессов, а в строках - организационные единицы. На пересечении строк и столбцов находятся символы, указывающие, существует ли связь между отделами и процессами, и если она существует, то какова природа (сущность) этой связи.
Общая схема может быть важна при проведении анализа группиров­ки мероприятий, маршрутизации, внутреннего контроля организации. Общая схема может сочетаться с другими методиками схематического изображения. Она может представлять несколько факторов: наброски и связи процедур, отношения между подразделениями или сотрудниками, документы и файлы. Общая схема также обсуждается в Приложении IV.






Информация


В основном информация (данные) связана с тем, как функционирую­щий процесс отражен в формах. Обычно незаполненные формы включа­ются в документацию. Формы определяют, какая информация (данные) должна быть записана и специально оставляют свободное место для этой информации, поскольку они обычно используются для сбора данных в различной последовательности, пока процесс работает.

К примеру, документ «счет-фактура» может содержать следующие эле­менты данных:
наименование/адрес поставщика
наименование/адрес клиента
дату поставки
дату выписки счета
количество изделий
цена за единицу
условия поставки
код изделия
процент скидки
описание изделия
сумма (по изделию)
чистая сумма по счету
налог с продаж
общая сумма счета

Кроме этой структурированной информации, обычно включаемой в документы, необходимо знать, какая существует неструктурированная организационная информация.







Инвентаризация существующей документации


На этом этапе собираются все доступные материалы, касающиеся ад­министративных бизнес-процессов, которые должны быть документиро­ваны. Следует рассмотреть такие материалы, как описание системы бух­галтерского учёта, функций и задач, инструкции, формы, документация по процессу и т. д. Существующая документация, пусть даже немного ус­таревшая, может оказаться очень полезной при проведении работы.
Собранные материалы исследователи используют для определения процессов, которые должны быть документированы. Кроме того, мате­риалы определяют, все ли этапы анализируемых процессов будут изучаться и представляться схематически. Не стоит, однако, думать, что сбор ин­формации заканчивается на этой фазе. Каждый раз, когда действительно изучаются текущие процедуры, появляются новые формы и другие доку­менты.






Изучение текущих процедур


В начале фазы анализа мы уже привлекали ваше внимание к проблем­ным областям и спорным вопросам в различных процессах, таким как: сколько времени должно уделяться каждому процессу, параметры, кото­рые имеют значение, периодичность и т. д. Текущие процедуры исследу­ются посредством проведения интервью. Рекомендуется рассматривать весь процесс от начала до конца. Информация, полученная на предыду­щем этапе, необходима для обеспечения полноты исследования. Получен­ная при интервьюировании информация может быть частично собрана в ходе наблюдений, проводимых исследователями во время осуществления проекта.
Необходимо помнить, что любое перемещение процесса из одного отдела в другой сопровождается перемещением форм. Все формы, исполь­зуемые в ходе процесса, откуда-то приходят и куда-то уходят. След копий форм может иметь большое значение, и каждый применяемый набор дан­ных должен быть обновлен. В Приложении XII обсуждается ряд момен­тов, которые должны учитываться при проведении интервью.





Какие аспекты и какой уровень детализации могут быть представлены выбранной методикой документирования?


На Рисунке 3.D показано, какие факторы могут быть представлены посредством одной из рассмотренных методик документирования. Иног­да методика документирования может отражать большее количество фак­торов, чем то количество, для которого эта методика первоначально предназначалась. К примеру, в детальной схеме процесса, рассмотренной в Разделе 3.9.6, полноту документации обеспечивает не только колонка с текстом, но и схема процесса без текста. В текстовую колонку могут быть введены такие факторы, как периодичность, количество и время.
На Рисунке 3.D показано, может ли методика документирования представлять определенный фактор. Если эта вероятность велика, в колонке ставится х. Если вероятность умеренная, в колонке ставится (х). Последняя колонка показывает, соответствует ли методика документирования детальному (d) или общему (g) описанию процесса.


Легенда:
d: представляет детальное описание фактора
g: представляет общее описание фактора
- фактор не представлен

Рисунок 3.С   Отношения между факторами и целями анализа



Легенда:
x: методика документирования подходит для представления фактора
(х): методика документирования умеренно подходит для представления фактора
d: детально описывает фактор
g: описывает фактор в общих чертах




Рисунок 3-D   Отношения между факторами и методиками документирования





Какие методики документирования могут быть скомбинированы (набор методик документирования)?


При обсуждении, какие методики документирования могут приме­няться в комбинации с другими методиками, оказывается, что все мето­дики комбинируются между собой. В конце концов, каждая методика может описать несколько факторов административного бизнес-процес­са, не оказывая при этом влияния на содержание остальной документа­ции. Большинство комбинаций не заслуживает внимания. Большая часть методик частично совпадают в описании факторов, и, следовательно, если выбрана комбинация схожих методик, будет выполнен большой объем дублирующей работы. Сильно пересекаются методики обращения и уп­равления формами. Каждая из них может достичь приблизительно од­ного и того же уровня детализации и описать одни и те же аспекты. На уровне глобального описания общая схема, общая схема процесса и иерархическая схема нацелены на создание картины процессов, хотя каждая методика действует с различных точек зрения. В зависимости от уровня детализации описания процесса при помощи методик документи­рования, методики могут быть разбиты на три категории (см. Рисунок 3.F).


Какие методики документирования могут быть скомбинированы (набор методик документирования)?

Легенда:
х: методика документирования подходит для представления фактора
(х): методика документирования умеренно подходит для представления фактора
d:   детально описывает фактор
g: описывает фактор в общих чертах

Рисунок 3.Е   Отношения между целью анализа и методиками документирования






Какие методики документирования подходят для каких целей?


Комбинация двух предыдущих рисунков («факторы для каждой цели» и «факторы для каждой методики документирования») обеспечивает об­зор методик документирования, которые могут быть использованы для достижения определенных целей. В зависимости от того, обладает ли со­ставитель документа реальным опытом применения методик документи­рования, будет возможно сразу определить, подходит эта методика для цели документирования или нет. Рисунок 3.Е отражает основные направ­ления анализа, который будет обсуждаться в главе 4. (X) говорит о том, что методика подходит для данной цели, (х) - о том, что она подходит в меньшей степени.
Говоря о Рисунке 3.Е, важно заметить, что может оказаться необхо­димым объединить объектно-ориентированные методики с упоминавши­мися выше методиками схематического изображения для достижения оп­ределенных целей анализа. К примеру, анализ длительности цикла про­цесса требует понимания длительности цикла каждого мероприятия, а также понимания административного бизнес-процесса, которое достига­ется посредством использования детальных схем процесса (см. также Раз­дел 4.5).





Команда по улучшению процесса -команда, работающая над проектом


Реальное выполнение проекта осуществляет команда, работающая над проектом, ее часто называют «команда по улучшению процесса». Чис­ло участников команды по улучшению процесса зависит от размера орга­низации и от времени, отведенного на осуществление проекта. Одной или нескольких команд обычно бывает достаточно, особенно если для доку­ментирования и анализа процессов по этому проекту привлечено менее пяти-шести сотрудников. Если анализируется очень крупный процесс в крупной территориально рассредоточенной организации, то количество людей, которые должны быть вовлечены в оценку, может оказаться так велико, что потребуется разбить команду по улучшению процесса па под­группы, которые будут заниматься отдельными подпроцессами. Подгруп­пы команды по улучшению процесса обычно формируются в том случае, если в команду входит более 15 человек или если анализируемый процесс сильно рассредоточен в пространстве. Меньшим организациям с менее обширными проектами можно посоветовать сделать команду по улучше­нию процесса подгруппой команды по управлению проектом. В этом слу­чае все члены команды по улучшению процесса будут одновременно вхо­дить в состав команды по управлению проектом. Для больших проектов это оказывается невозможным, поскольку возрастает число людей, вов­леченных в проект.
Если лидер проекта обладает специальными знаниями по организа­ции проекта и применяемым методам, методикам, инструментам, то ос­тальные члены команды по улучшению процесса должны обладать зна­ниями, касающимися организации (ее функций, формальной структуры, методов работы и т.д.). Они являются сотрудниками отдела администра­тивного управления организации или сотрудниками, вовлеченными в административные бизнес-процессы. В более крупных проектах эти со­трудники могут принадлежать ряду различных отделов. Таким образом, следует обратить внимание па их подготовку в области методов доку­ментирования и анализа, которые будут применяться. Часть подобной подготовки будет иметь место до начала осуществления проекта, а часть будет осуществляться во время проекта в ходе работы под руководством лидера проекта. Если команда по улучшению процесса перепроектирует процесс или осуществляет его реинжениринг, то в нее должны входить люди, не вовлеченные в процесс. Эти сторонние члены команды по улуч­шению процесса часто обеспечивают свежий взгляд, приносящий основ­ные «прорывные» улучшения.

Обязанности команды по улучшению процесса могут быть класси­фицированы следующим образом:
Составление схемы (графика) административных бизнес-процес­сов и сопутствующей документации в соответствии с выбран­ными методиками и стандартами документирования
Выполнение анализа, проведение дальнейших исследований и предоставление отчета по ним

Составление проекта предложений, определяющего наиболее ценное нацеленное на будущее решение и внедрение одобренных предложений по процессам. Уровень детализации этих предложений зависит от роли, которую играет компьютеризация при их составлении. Если большее внимание уделяется компьютеризации, то команда по улучшению процесса будет ограничиваться представлением экспертной оценки пригодности. Кроме того, команда по улучшению процесса может быть привлечена к определению требований пользователей. И то и другое пока сильно зависит от структуры проекта, которой необходимо придерживаться в ходе выполнения проектов по компьютеризации организации. Разработка проектов обсуждается в главе 5.
Если организация хочет, чтобы проект успешно продвигался вперед, члены команды по улучшению процесса должны иметь возможность ра­ботать над проектом в течение всего рабочего дня. Если же члены коман­ды по улучшению процесса смогут уделять проекту только часть своего рабочего времени, то команда по управлению проектом и менеджеры отделов должны подготовить четкие формальные соглашения относи­тельно минимальных и максимальных затрат времени по работе над проектом.
Однако все же нет гарантий, что люди, вовлеченные в проект, смогут уделять ему все свое рабочее время. Может оказаться, что со временем участник проекта отдаляется от своего отдела. Чтобы предотвратить это, желательно по ходу выполнения проекта поддерживать его контакты с отделом, например, посещением периодических совещаний в отделе. Кроме того, срок полной занятости в проекте должен ограничиваться несколь­кими неделями и не должен превышать нескольких месяцев.






Команда по управлению проектом по улучшению бизнес-процессов


Команда по управлению проектом по улучшению бизнес-процессов является высшей инстанцией в организационной структуре проекта. Руководство делегирует полномочия по проекту по улучшению бизнес-процессов команде по управлению проектом. Иногда управленческая коман­да будет исполнять роль команды по управлению проектом. Команда по управлению проектом ответственна за качество результатов по всему про­екту, лидер команды по управлению проектом является ответственным сотрудником.
Члены команды по управлению проектом должны иметь полномо­чия для принятия управленческих решений. Этих полномочий должно быть достаточно для выполнения задач, перечисленных в этом разделе. Организация должна приступать к осуществлению проекта по улучше­нию бизнес-процессов, только если нет сомнений в том, что ему обеспече­на полная поддержка со стороны высшего руководства.
Лидером команды по управлению проектом обычно становится пред­ставитель руководства. Кроме того, членами этой команды должны быть ключевые функциональные менеджеры. Если в проект вовлечено менее четырех-пяти отделов, в него также могут быть включены менеджеры от­делов. В проекте может также принять участие менеджер отдела персонала. Если в административных бизнес-процессах используется или будет использоваться компьютерная обработка данных, желательно, чтобы в команде были представлены отделы управления информацией и разра­ботки систем. Если в организации существует административный отдел, он также должен быть представлен в команде. Иногда оказывается полезным включить в состав команды одного или нескольких представителей команды по улучшению процесса (см. Раздел 2.4). Рисунок 2.В" представляет пример объединения команды по управлению проектом и контактных групп.
В обязанности команды по управлению проектом входит выбор целей проекта и контроль за их реализацией. Команда по управлении проектом несет ответственность за управление затратами и временем в рамках проекта, а также занимается внедрением проекта в организации и связанными с ним последствиями, которые включают как исполне­ние проекта (управление временем служащих), так и внедрение результа­тов (управление тем, как действующая организация принимает усовер­шенствованные процедуры). Другим важным аспектом управления про­ектом является создание условий, при которых проект может оптимально функционировать.

Дата:
11-30-1992
Код документа:

Проект:
Адм. организация
Фаза проекта:
Предложения по проекту
Команда, работающая над проектом:
Персонал
Предметная область:
Укомплектование персоналом различных команд
Составитель документа:

Предмет:
Формирование управленческих и контактных команд


Команда по управлению проектом по улучшению бизнес-процессов
 
Рисунок 2.B  Пример комплектования команды по управлению проектом и контактных групп
Важнейшими задачами команды по управлению проектом являются:
Организация проекта
Планирование фаз проекта
Принятие окончательного решения относительно предложений, внесенных командой по улучшению процесса на различных фа­зах проекта (включенная в процесс принятия решения, она оп­ределяет административные бизнес-процессы, которые должны быть улучшены, выбирает методы и методики, которые будут использованы, устанавливает приоритеты и т.д.)
Одобрение окончательного предложения по проекту
Распространение информации о проекте в рамках организации
Формирование и управление командой (командами) по улучше­нию процесса и контактной группой (группами) (команда по управлению проектом определяет функции и задачи этих групп)
Отслеживание хода работ
Управление возможностью сотрудника участвовать в проекте
Определение бюджета и процедуры аудита
Одобрение предложенного наиболее ценного нацеленного на бу­дущее решения
Согласование проекта с повседневной операционной деятельно­стью и другими проектами, осуществляемыми в рамках органи­зации (такими, как проекты компьютеризации)




Контактные группы


Если в команду по управлению проектом должно быть включено слишком большое количество отделов и менеджеров, вовлеченных в про­цесс, иногда оказывается полезным создание специальных контактных групп. Контактная группа состоит из сотрудников отделов, которые вов­лечены в определение и анализ процесса. Обычно они являются менеджерами этих отделов. Контактные группы должны быть организованы по подразделениям (см. Рисунок 2.В). Менеджер подразделения будет лиде­ром контактной группы. Кроме того, члены команды по улучшению про­цесса, специально вовлеченные в анализ части процесса, относящегося к отделу (отделам), будут принимать участие в совещаниях. В зависимости от ситуации, совещания могут посещать лидер проекта, бухгалтер (вне­шний), а также сотрудники.  Команда по управлению проектом прини­мает окончательное решение в отношении разногласий, возникающих между контактными группами и командами по улучшению процесса.

Перед контактными группами стоят следующие задачи:
Предоставление информации членам команды по улучшению процесса как часть процедуры идентификации (это делается по­путно со сбором информации членами команды по улучшению процесса посредством проведения интервью, анализа докумен­тов и т.д.)
Одобрение документации по административным бизнес-процес­сам, составленной членами команды по улучшению процесса
Обсуждение и критика результатов анализа процессов, подго­товленных командой по улучшению проекта
Обсуждение и критика рабочих предложений, подготовленных членами команды по улучшению процесса с целью их модифи­кации или наладки новых процессов
Контроль над модификацией существующих процессов или вне­дрением недавно разработанного процесса






Критерии выбора методик документирования


Оставшаяся часть главы концентрирует внимание на методиках до­кументирования административных бизнес-процессов. Мы не приводим исчерпывающего описания всех возможных методик документирования, поскольку число этих применяемых методик настолько велико, что их детальное обсуждение совершенно изменило бы направленность этой кни­ги. Более того, те, кто хотят продолжить изучение всего диапазона мето­дик документирования, могут воспользоваться ссылками. Методики, об­суждаемые в этой главе, формируют базовые знания, необходимые для достижения практически всех возможных целей документирования. На­бор применяемых методик документирования, приведенный в конце этой главы, показывает, как методики могут эффективно сочетаться на практике.
В последующих разделах термины «методика документирования» и «методика схематического изображения» будут использоваться равноцен­но. В действительности документирование административных бизнес-про­цессов не обязательно должно выполняться путем составления схемы про­цесса. Однако все методики документирования, обсуждаемые в этой гла­ве, принадлежат к категории методик схематического изображения.
Определяя, какие факторы имеют значение при выборе методики до­кументирования, мы увидим, что теория и практика зачастую находятся в противоречии.





Лидер проекта


Основной задачей лидера проекта, часто называемого хозяином про­цесса, является управление командой по улучшению процесса. Лидер про­екта делегирует обязанности членам команды по улучшению процесса и моменты, определенные командой по управлению проектом. Он является обычно автором предложений по проекту (см. Раздел 2.6.1.). В любом слу­чае, обязанности также передаются в конце каждой фазы проекта.
Лидер проекта не обязан уделять своим обязанностям все свое рабо­чее время. Время, затрачиваемое лидером на проект, зависит от количе­ства членов команды по улучшению процесса, их квалификации, от мас­штаба улучшаемого процесса, а также от того, в какой срок должна быть закончена разработка наиболее ценного нацеленного па будущее решения.
Лидер несет ответственность за выполнение проекта в соответствии с руководящими указаниями команды по управлению проектом.

Перед ним стоят следующие задачи:
Обеспечение ежедневного руководства проектом
Отслеживание хода работ по проекту
Управление бюджетом проекта
Контроль за использованием методов, приемов, инструментов
Координирование различных команд по улучшению процесса
Инструктирование, обучение членов команд по улучшению процесса и руководство ими
Информирование и консультирование контактных групп
Отчет перед командой по управлению проектом и принятие ре­шений от ее имени

Выбор хорошего лидера проекта является важнейшим фактором ус­пеха проекта. Лидер проекта должен обладать специальными знаниями в области проекта и организации в целом. Такие знания должны основы­ваться как на теоретической образованности, так и на практическом опыте. Практический опыт особенно полезен при выборе и применении прикладных методов и методик не только в административной/органи­зационной деятельности, но и при сборе информации (интервью и т.д.).
Поскольку специальные знания и навыки управления так важны при выборе хорошего лидера проекта, совсем не обязательно, чтобы лидер был сотрудником организации. Требуемые знания об организации могут быть получены в начале или в ходе проекта. Лидером проекта иногда назначается человек, не имеющий отношения к улучшаемому процессу. Выбор объективного лидера может обеспечить преимущество при оценке административных бизнес-процессов. Наконец, «сторонний» лидер про­екта отвечает временной природе самого проекта.
Другим важным качеством лидера проекта является способность уп­равлять командой по улучшению процесса и мотивировать сотрудников, которые каким-либо образом связаны с проектом (контактные группы). Он должен обладать опытом управления подобными проектами, ведения совещаний, разрешения конфликтов, оказания помощи и т.д. Кроме того, он должен уметь пользоваться методами планирования и составления бюджета (финансовое планирование, бюджетирование), применяемыми и данном проекте.







Местоположение организации


Концепция местоположения организации (местоположения в орга­низационной структуре, в которую входят мероприятия) тесно связан с фактором отдельных лиц и отделов, которые выполняют определенные операции. Важными также являются каналы предоставления отчетности отделами или сотрудниками, их полномочия и ответственность, а также многие другие соображения.






Методика


Методика показывает как, с помощью каких инструментов выпол­няются процедуры. В особенности это относится к методике и методу сбора данных, их обработке и распространению.
В рамках этой книги список факторов будет иметь значение при оп­ределении того, какая методика документирования подходит для какого объекта (см. Раздел 3.10). Как уже было отмечено, этот список не является закрытым, факторы могут добавляться в него по мере необходимости.

Например, для анализа административных бизнес-процессов важными являются следующие факторы:
затраты
прибыль
финансовый риск и значимость
продукты
количество

Для анализа административных бизнес-процессов значительную роль могут играть также факторы, в меньшей степени поддающиеся количе­ственной оценке. Сюда могут быть включены такие факторы, как эргономичность, степень свободы в процессах, удовлетворение сотрудников и даже определенные элементы этики и культуры.
Как указано в Разделе 3.10, каждая методика документирования под­ходит для точного описания конкретного фактора. Количество факто­ров, которые могут быть понятно описаны с помощью методики доку­ментирования, ограничено четырьмя или пятью. Зачастую необходимо выбрать комбинацию нескольких методик документирования, если ко­личество факторов, которые необходимо принять во внимание в конк­ретной ситуации, превышает это число.
Unix Man (Справочное руководство)

Методы планирования и мониторинга


Проект состоит из ряда мероприятий, которые должны быть выполнены последовательно или параллельно к определенной дате и в рамках установленного бюджета.

Для достижения этого необходимо осуществ­лять руководство следующими четырьмя элементами:
Временем, отведенным на проект (в человеко-часах)
Фактором времени (ходом проекта)
Расходами на проект
Планом управления организационными изменениями

Эти четыре элемента включаются в план проекта, и план сравнивает­ся с результатами по ходу осуществления проекта.

Четыре плана, соот­ветствующие этим элементам:
Подробный календарный план;
план работ;
финансовый план;
план управления организационными изменениями.






Мониторинг прогресса и затрат


Прогресс проекта и затраты на его осуществление отслеживаются с помощью ряда показателей. Во-первых, члены команды по улучшению процесса будут отчитываться по времени, потраченному на проект (и со­ответствии с выполняемой ими работой) и на процесс, над которым они работают. На основании этих данных может быть определено общее вре­мя, необходимое для завершения мероприятия. Подготавливаемые отче­ты по ходу проекта и по потраченному времени будут схожи с приведен­ными на Рисунке 2.К.
Каждую педелю необходимо проводить оценку всех мероприятий для определения их статуса (процент выполнения). Эта оценка производится членами команды по улучшению процесса при содействии лидера проек­та. На Рисунке 2.К. ожидается, что мероприятия по «документу 43» к кон­цу пятой недели будут завершены на 50%. Данные мероприятия должны были быть выполнены на 47% (32/68 х 100%). Это процент называется стандартным процентом выполнения. Таким образом, время выполнения мероприятий на 3% или на два часа меньше планового значения.
Эффективность мероприятий измеряется при помощи вычисления процента потраченного времени. По тому же примеру Р. де Вит провел 41 час в конце 5-й недели, работая над «документом 43». Процент потрачен­ного времени показывает, что 10% (или семь часов) общего запланиро­ванного времени было дополнительно потрачено на эти мероприятия.


Дата:
02- 15    1992
Код документа:

Проект:
Адм. организация
Фаза проекта:
Документирование
Команда, работающая на
ад проектом:  ...
Предметная область:
Отчет по прогрессу в конце пятой недели
Составитель документа:
Лидер проекта
Предмет:
Р. дв Вит и др.


Мероприятие
Дата планируемого завершения
Планируемые часы
Потрачено часов
% выпол­нения
Прогресс
Производитель­ность
Приме­чания


всего
на период

опере­жение
отста­вание
выиг­рыш
убы­ток
Р. де Вит
Документ 41 Документ 42 Документ 43 анализ 41 анализ 42 анализ 43 С. Джансен
Документ 44 Документ 49 анализ 44
Документ 48 анализ 48 анализ 49 Р. де Корте
Документ 47 Документ 45 Документ 46 анализ 45 анализ 47
анализ 46
Неделя 4 Неделя 6 Неделя 7 Неделя 10 Неделя 10 Неделя 11
Неделя 4 Неделя 4 Неделя 12
Неделя 4 Неделя 12 Неделя 12
Неделя 7 Неделя 7 Неделя 10 Неделя 11 Неделя 11
Неделя 12
44 44 68 30 30 44
58
44 44
58 44 44
58 92
44 60
44
30
44 38 32
58 44
58 16
50 92
46 30 41
50 42 10
70
50 90
100% 80% 50%
100% 100% 25%
100% 0%
90% 100%
2
11 2
3 16
5
8 2
1
2 2
2 7
12

Промежуточный итог Общий итог

880 434
432 200
429 190
49%
15
19
20 10
21

Итого

1314
632
619
49%

4
9



Рисунок 2.К    Пример отчета о прогрессе

Девять часов разницы между запланированным и фактическим временем приводят к потере семи часов рабочего времени и двух часов опережения. Должны быть указаны причины этого расхождения. Лидер проекта дол­жен определить, скажется ли это впустую потраченное рабочее время на графике выполнения проекта и на его бюджете.





Набор методик документирования: пример часто используемых комбинаций


Как сказано выше (Раздел 3.6), перед началом проекта по анализу административной организации полезно путем краткого предваритель­ного изучения выявить существующие в административном бизнес-про­цессе проблемы. Выбор методики документирования, которая будет при­меняться в дальнейшем, может определенным образом базироваться на цели анализа. Не всегда, однако, просто определить концепцию цели ана­лиза. Это значит, что существует дилемма документирования: использо­вать избыточный или недостаточный объем информации. Решение этой проблемы заключается в создании прочной основы, которая будет разви­ваться в дальнейшем. На первом этапе необходимо убедиться в том, что определена верная иерархия методик документирования (см. Рисунок 3.G).
Далее представлены часто используемые комбинации методик. На­чиная с иерархических схем (Раздел 3.9.3) и организационной структуры (Раздел 3.9.1), разрабатывается полный обзор процедур и отделов (Раз­дел 3.9.4), так называемая матрица. Эту матрицу (строки матрицы) мож­но использовать в качестве хранилища общих схем процесса, которые бу­дут в дальнейшем разрабатываться (Раздел 3.9.5). Общие схемы процесса используются для получения первого впечатления о процессах. Блоки или элементы общей схемы процесса могут быть (в зависимости от цели ана­лиза) в дальнейшем описаны подробно с использованием детальных ме­тодик. Глубина анализа будет зависеть от его целей.

Набор методик документирования: пример часто используемых комбинаций

Рисунок 3.G   Пример набора или комбинации методик документирования
Также используется метод разработки детальных схем процесса (Раз­дел 3.9.6) на базе каждой горизонтальной строки матрицы (см. Рисунок 3.G). Эти детальные схемы процесса можно использовать в качестве хра­нилищ детальных методик. Схема инструкций (Раздел 3.9.7) также часто применяется наряду с детальной схемой процесса. Процедурные символы в детальных схемах процесса описывают действия более детально. При разработке справочника административной организации эта комбинация оказывается более эффективной, если детальная схема процесса находит­ся на левой странице, а сопутствующая схема инструкций на правой стра­нице (mutatis mutandis, внося необходимые изменения). Аналогичным образом применяется оформление экрана.
Для анализа административных бизнес-процессов не требуется при­ведения полного описания процессов в схеме инструкций. Достаточно де­тально описать только те действия, которых требует ситуация (контекст) анализа. К примеру, в ситуации оценки внутреннего контроля организа­ции детально описываются только действия по осуществлению контроля.







Новые международные стандарты фокусируются на процессах


Требования потребителей и правительства все настойчивей подталкивают многие организации к анализу своих процессов и систем. Международная организация по стандартизации выпустила свою систему стандартов качества ИСО серии 9000, которая охватила более 95 стран по всему миру. В первую очередь ИСО серии 9000 была ориентирована на определение, понимание и документирование системы качества, ее процессов вплоть до уровня задач. Международная стандартизация делает эффективным использование сторонних аудиторов, которые оценивают и сертифицируют системы качества производственных предприятий и предприятий сферы услуг. Многие потребители во всем мире сейчас включают в свои заказы требования о том, чтобы организация была сертифицирована по стандартам ИСО 9000.
Некоторые люди считают, что стандарты качества неприменимы для их вида деятельности, но в действительности при изучении системы качества оказывается, что она проникает в работу каждого члена организации, охватывая большинство процессов, протекающих в организации, и все процессы, относящиеся к полному производственному циклу. Организации, у которых нет понятной, документируемой и работающей системы качества, теряют шансы на успех в борьбе за получение заказов клиентов.
Стандарту ИСО серии 9000 наступает на пятки другой ориентированный на процесс международный стандарт, именуемый ИСО серии 14000, который определяет требования, предъявляемые к системам управления охраной окружающей среды. По оценкам специалистов, воздействие нового стандарта в десять раз превысит воздействие, оказанное ИСО серии 9000 на международный бизнес. Этот стандарт также предусматривает использование сторонних аудиторов. Официально стандарты ИСО серии 14000 были опубликованы в середине 1996 года.





Обеспечение обратной связи с вовлеченными лицами и получение их одобрения


Все описания должны быть одобрены сотрудниками, участвующими в рассматриваемом процессе. Для этого документация по различным эле­ментам процесса предоставляется сотрудникам, отвечающим за эти элементы. После этого документация по процессу в отделе будет представле­на менеджеру отдела для получения дальнейшего одобрения. Если про­цессы выполняются рядом отделов и если были созданы контактные груп­пы, вся документация по процессу будет представлена соответствующей контактной группе для получения одобрения. Документация будет моди­фицирована с учетом полученных замечаний.






Общая схема процесса


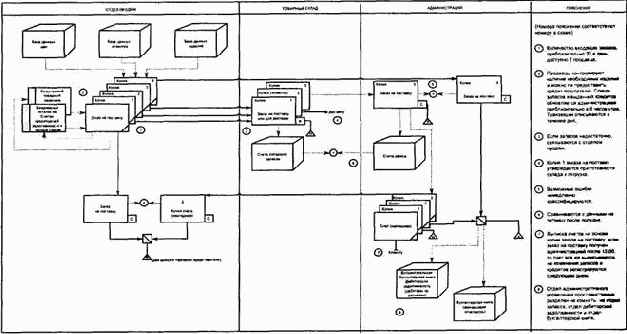
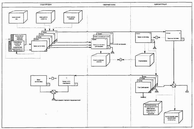
Общая схема процесса предназначена для представления общих тем в рамках административного бизнес-процесса. Схема не годится для пред­ставления процедур или информационных каналов, однако ее можно ис­пользовать для описания компонентов, составляющих административный бизнес-процесс. Схема представляет основные модели отношений между различными компонентами административного бизнес-процесса. Общая схема процесса особенно полезна, когда компоненты могут быть пред­ставлены в определенной последовательности, представляющей мероп­риятия/задачи каждой организационной единицы без детального описа­ния задач.
Общая схема процесса полезна при проведении анализа внутреннего контроля организации, маршрутизации, группировки мероприятий. Не все факторы можно описать детально. Возможно описание факторов, та­ких как последовательность и связи процедур и подразделений, отдельных лиц, вовлеченных и процессы. Общая схема процесса также обсужда­ется в Приложении V.





Обсуждение результатов анализа с вовлеченными сотрудниками


Необходимо провести обсуждение отчета с соответствующими адми­нистративными сотрудниками и менеджерами отделов. В зависимости от широты выполняемого анализа, обсуждение можно провести в форме со­вещаний, проводимых с каждым отделом или с контактными группами.
В ходе этих совещаний участники должны внести свои замечания. Обсуждение не всегда приводит к выработке коллективного решения. Однако исследователи должны запротоколировать результаты анализа.





Обсуждение выбранных методик документирования


Ниже приведено краткое описание десяти методик документирова­ния. Описание для каждой методики указывает, какая цель наилучшим образом ею достигается, какие факторы и какой уровень детализации может быть представлен. В этом разделе будут обсуждаться следующие методики документирования.
Схема организационной структуры
Принципиальная схема административного бизнес-процесса
Иерархическая схема
Общий обзор процессов и схема подразделений
Общая схема процесса
Детальная схема процесса
Схема инструкций
Схема управления формами
Схема обращения форм
Бухгалтерская диаграмма






Обзорные методики, которые обеспечивают понимание всего административного бизнес-процесса


Детальные методики, которые детально документируют административный бизнес-процесс
Консультативные методики, которые документируют определенный фактор административных бизнес-процессов
Кроме консультативных методик сюда можно также включить докумен­тацию, которая направлена на достижение определенной цели анализа процесса.
Для того чтобы не быть слишком строгими в установлении правил комбинирования методик документирования, можно дать следующие ре­комендации.
Как только проведено детальное документирование, развер­нутое описание административных бизнес-процессов требует полного обзора. Этот обзор особенно важен для получения воз­можности определения того, как структурирована вся адми­нистративная система и какие средства взаимодействия или связи существуют между отдельными процессами. Рекоменду­ется комбинировать обзорную методику с методикой докумен­тирования, ориентированной на детали. Если все предваритель­но отобранные факторы не могут быть документированы при помощи этих методик, то можно воспользоваться необходимой консультативной методикой.
Старайтесь творчески подходить к использованию консульта­тивных методик. Документирование административных бизнес-процессов может осуществляться при помощи одной или несколь­ких ориентированных на факторы методик документирования.
В качестве примера можно привести поуровневый план офиса, который удобно использовать при описании фактора географического месторасположения и таблицы, которые удобно исполь­зовать при описании длительности циклов. Анализ процессов в Главе 4 включает в себя использование схожих, специфических или ориентированных на неизменный фактор методик.
Всякий раз, когда комбинируются обзорные и детальные мето­дики, рекомендуется для начала использовать методики, как можно лучше дополняющие друг друга. Комбинируйте общие и детальные схемы процесса, общую схему обзора со схемами об­ращения и управления формами, иерархическую схему со схемой процесса. Поскольку взаимодополняющие методики исполь­зуют одинаковые подходы, комбинирование общих и детальных методик не должно вызывать проблемы.






Оценка эффективности организации файлов, используемых одним или несколькими административными бизнес-процессами


Эта оценка выявляет ненужные дублирования, связанные с вводом данных в один или несколько файлов в рассматриваемом процессе, а так­же в других процессах в рамках организации. Списки покупателей явля­ются хорошей иллюстрацией ненужного дублирования. Также необходи­мо провести анализ ненужного дублирования и других непроизводитель­ных мероприятий при использовании и обновлении файлов. Оценка дол­жна включать в себя файлы, которые хранятся в оборудовании по обра­ботке данных как в больших универсальных ЭВМ, так и в микроЭВМ. Необходимо учитывать, что неэффективность дизайна наборов данных не всегда можно легко исправить. Часто для усложненных приложений отсутствует возможность изменения компьютеризированных файлов в краткосрочном периоде, поскольку все эти файлы связаны с трудоемки­ми перестройками программы. С другой стороны, пространственные (гео­графические) или функциональные расстояния (к примеру, файлы, нахо­дящиеся в разных отделах), которые основываются на соображениях, не связанных с производительностью, не единственные соображения, относящиеся к местоположению файла (к примеру, доступность информации, если возможности (способности) обработки данных или файлы данных не доступны).

Оценка эффективности организации файлов, используемых одним или несколькими административными бизнес-процессами

Рисунок 4.Е    Схема содержания наборов данных
Проведение такого рода анализа не всегда целесообразно. Рекомендуется перед началом проведения анализа сформировать широ­кую схему возможностей изменений.
Оценку организации файла можно найти на Рисунках 4.Е и 4.F. На Рисунке 4.Е сравниваются друг с другом различно применяемые файлы по первичной записи или первичному вводу информации (критерий вы­бора), элементы, к которым относится файл (такие как данные о персона­ле, данные об акциях и т. д.), и характеристики (информация) о каждом из этих элементов, хранящиеся в файлах. Рекомендуется составлять план отдельного обзора для каждого элемента. На Рисунке 4.F для каждого мероприятия указаны наборы данных и характеристики, связанные с ме­роприятием. Система кодирования отмечает, был ли файл обновлен, зап­рашивались или заимствовались из него данные, файл истощился или данные были удалены из него. В схеме мероприятия по сортировке пред­ставлены кружками, квадратами и т. д. Файл, относящийся к мероприя­тиям, обозначен буквами А, Б, В и т. д. Эти буквы соответствуют коду файла на Рисунке 4.Е.
В сфере бизнес-консалтинга для заполнения схем используются микрокомпьютеры. Преимуществом использования микрокомпьюте­ров является то, что они снимают ограничения физических рамок форм, представленных на Рисунках 4.Е и 4.F. Кроме того, можно применять автоматизированный подсчет, немедленно будут выявляться дублиро­вания и пропуски. Также из-за использования автоматизированных сим­волов и простых процедур коррекции снижается время обработки.
На основе Рисунков 4.Е и 4.F, а также на основе документации по процессу (в соответствии с методиками, описанными в главе 3), можно сформировать мнение результативности и эффективности дизайна и при­менения различных методик. Возможности комбинации файлов и концен­трации мероприятий могут быть проанализированы на основе этого мне­ния. На основе этих рисунков можно сделать вывод о том, что существу­ют значительные дублирования между информацией в анкете (форме) пер­сонала, графике работы персонала и в форме компьютерного ввода ин­формации. Далее целесообразно рассмотреть:
Можно ли исключить график работы персонала, поскольку ан­кета персонала и компьютерные данные могут использоваться как справочная информация.
Может ли небольшое количество данных, которые задокументированы в анкете персонала, а в не в графике работы персона­ла, быть записаны в графике работы персонала или в компью­тере, или требуемую справку надо брать в других файлах.

Оценка эффективности организации файлов, используемых одним или несколькими административными бизнес-процессами

Рисунок 4.F    Схема использования наборов данных

Могут ли образовательный план и график поездок быть ском­бинированы с оставшимся набором данных.
Могут ли данные, занесенные в различные формы и графики (обучение, путешествия, затраты, выходные и данные о персо­нале), быть записаны вместе в одном файле в микрокомпьютере, предназначенном для этой цели (объединения всех этих дан­ных с файлом платежной ведомости).
Объединение файлов должно приводить к снижению количества ме­роприятий, соответствующих наборам данных (таким образом, меньше данных нужно будет документировать и вводить). Документация по про­екту должна использоваться наряду с этими методиками для того, чтобы выяснить, не препятствуют ли географическое или функциональное рас­положение вышеупомянутым изменениям. Если одна и та же информация необходима различным отделам (к примеру, график поездок находится в различных отделах), следует определить, возможно ли будет работать с терминалами или микрокомпьютерами, которые связаны друг с другом или с копиями или с машинописными экземплярами оставшейся докумен­тации, полученными при помощи копировальной бумаги графики рабо­ты персонала, анкеты (формы) персонала или компьютерная информация.








Оценка результативности эффективности дизайна отдельных файлов


Оценка результативности и эффективности дизайна отдельных набо­ров данных происходит в ходе трех подэтапов:
Оценка схемы расположения данных на экране и на распечатке ком­пьютеризированных файлов. Эта оценка направлена на эффектив­ную и четкую организацию набора компьютерных распечаток. Элементы документов, которые необходимо оценивать, рассмат­риваются в Приложении XI.

Оценка структуры файла. Эта структура может основываться на ряде записей:
Название
Кодовый номер
Дата выпуска
Географическое местоположение
Категория
Многие файлы не поддаются классификации в соответствии с выделенными критериями, однако они организованы в соот­ветствии с первоначальной категорией (Географическое место­положение), которое затем разбивается на вторичные критерии (к примеру, Название). Для оценки структуры файлов необходи­мо оценить затраты на проведение следующих мероприятий:
Хранение элементов в файле
Поиск элементов в файле для ссылки или обновления
Обновление файла
Очистка файла

Оценка затрат производится за некоторый период времени. Затраты на файлы определяются периодичностью, с которой про­исходят описанные выше мероприятия, временем, которое тре­буется каждый раз на выполнение мероприятия, и затратами за период времени на оплату труда работников, которые выполня­ют эти мероприятия (почасовая ставка оплаты). Частью оценки результативности организации является обзор последствий изменений организационных методов на затраты по управлению файлом. Этот обзор должен быть проведен путем рассмотрения альтернативных организационных методов и сравнением связан­ных с ними затрат с затратами существующей системы. Компью­теризация файлов с помощью баз данных (как на больших ком­пьютерах, так и на микрокомпьютерах) решает большинство про­блем с поиском и сортировкой. Однако значение затрат па па­мять и обработку возрастает с развитием компьютеризации.

Оценка физической емкости файла. В ходе этой оценки необходимо отслеживать влияние изменений на физическую организацию файла. Следует рассмотреть, является ли целесообразной компь­ютеризация ручных картотек. Что касается использования ком­пьютерных распечаток или форм, то следует рассмотреть приме­нение методов микропамяти (микрофиша, микрофильм и т. д.), приводящие к экономии. Эта экономия достигается в областях

производства, поиска и храпения (экономия места) наборов данных. Помимо этого, следует обдумать замещение документов, которые должны быть сохранены на основе требований закона и подпадают под ряд ограничений. Может потребоваться пра­вительственное одобрение. Одним из условий получения этого одобрения является наличие управляемых процедур, которые гарантировали бы полное и точное документирование данных.
Постоянное снижение стоимости персональных компьюте­ров дает все больше оснований для компьютеризации файлов дан­ных. Она также может затрагивать файлы для личного исполь­зования. Недавно выпущенные пакеты программ управления файлами использовать очень легко, они предлагают диапазон до­полнительных возможностей сортировки и выбора.
Иногда рекомендуется менять физическую структуру фай­лов без применения передовых методов; к примеру, путем вне­дрения специальных методов выбора или преобразования набо­ров данных на бумаге в файлы документов. Следует обдумать тот факт, что наиболее важными затратами в управлении набо­рами данных являются затраты на персонал. Затраты на управ­ляемый (регулируемый) материал обычно играют меньшую роль.






Определение целей документирования процессов


Перед началом проведения документирования процесса важно опре­делить, для каких целей будет использована эта информация. Каждая за­дача и цель предъявляют различные требования к содержанию докумен­тации. Следовательно, выбор цели влияет на определение соответствую­щей комбинации методик документирования. Раздел 3.9 обращается к тому, как осуществляется выбор среди различных комбинаций методик документирования.

Можно выделить следующие цели документирования:
обеспечить понимание административных бизнес-процессов
обеспечить основу для анализа и оценки административных бизнес-процессов
помочь в передаче знании при личных контактах во времени






Определение деталей проекта


При определении деталей проекта осуществляется дальнейшая про­работка предложений по проекту, составляется окончательный план про­екта, состоящий из восьми конкретных шагов:
Определение стандартов документирования
Определение порядка подходов и установка приоритетов при документировании и анализе процессов
Определение лиц, ответственных за выполнение мероприятий
Управление обучением и подготовкой
Обеспечение информированности отделов и сотрудников
Представление проекта членам организации
Составление детального плана проекта
Разработка плана управления организационными изменениями

В ходе Фазы I детальный план проекта еще не будет завершен. План проекта определяет, что нужно сделать, когда это должно быть сделано и кто это будет делать. По мере прохождения оставшихся фаз план проек­та будет корректироваться до тех пор, пока не будет представлять собой полный архивный файл проекта.







Определение лиц, ответственных за выполнение мероприятий


Для каждого процесса оценивается время, необходимое для его опи­сания, анализа, модифицирования и внедрения новых процессов. На ос­нове этой оценки и с учетом времени, которое могут уделить проекту раз­личные сотрудники, формируются подгруппы команды по улучшению процесса для работы с различными частями исследования. В рамках од­ной команды по улучшению процесса полезным будет существование ряда подгрупп, которые будут работать с различными подразделениями. Если число членов команды по улучшению процесса превышает 12-15 человек (включая лидера проекта), то следует разбить команду по улучшению процесса на две или более подгрупп.






Определение масштаба и уровня детализации на практике


Каждый раз, когда необходимо провести документирование адми­нистративного бизнес-процесса, требуется знать заранее, какие факторы должны быть документированы и до какого уровня детализации. В кон­це концов, непрактично и бессмысленно предлагать проводить докумен­тирование всех аспектов на всех уровнях детализации.
Если целью документирования административных процессов явля­ется достижение образовательных, подготавливающих и связующих це­лей, то вполне возможно определить масштаб (также называемый широ­той документирования) так же, как и уровень детализации (степени или глубины). Важнейшими факторами понимания процессов являются сущ­ность процедур, документов, информационных каналов.
Если целью документирования является также проведение анализа, то возникает дилемма. В идеале понимание проблем административных бизнес-процессов должно быть обеспечено до начала проведения мероп­риятий по документированию. К примеру, если существует проблема с длительностью цикла, то необходимо провести документирование таких факторов, как: периодичность, количество, время начала и время завер­шения. Конфликт возникает из-за того, что понимание проблемы должно быть достигнуто при помощи анализа, хотя это заблаговременное пони­мание существует только в редких случаях (или не существует вовсе). Воз­никновение этой проблемы можно предотвратить, проведя короткое ори­ентировочное исследование, которое выявит основные проблемы в ад­министративных бизнес-процессах до начала этапа документирования. В ходе этого предварительного исследования проводится интервьюиро­вание руководства вовлеченных организаций и анализ соответствующей документации (такой как служебные записки бухгалтеров, внутренние от­четы, описания процессов). Интервью проводятся по стандартному опроснику. (Соответствующая методика документирования для целей ана­лиза может быть определена с помощью рисунков в Разделе 3.10.). Ана­логичное предварительное исследование должно быть предпринято для получения оценки времени и ресурсов, необходимых для осуществления проекта. Эти величины будут зависеть от числа административных биз­нес-процессов, их сложности, количества вовлеченных сотрудников и от­делов.





Определение порядка подходов и установка приоритетов при документировании и анализе процессов


Установка приоритетов и определение порядка подходов обычно ха­рактеризуется:
Степенью, до которой проблемы вырастают в различных процессах
Сезонными факторами, влияющими на масштаб работ по каждому процессу
Ожидаемым масштабом мероприятий по документированию различных процессов
Сложностью процессов и их взаимосвязанностью






Определение стандартов документирования


Во-первых, определение стандартов включает в себя общепринятые нормы методик документирования и анализа, которые будут использо­ваться. Для каждого метода в стандартах должно быть отражено сле­дующее:
Описание методики
Описание символов, которые будут использоваться и объясне­ние того, как эти символы должны использоваться
Образец формы (как она выглядит на экране компьютера), которая будет использоваться для каждой методики
Описание глубины детализации, которая должна поддерживаться при использовании метода (должны ли детали определяться на уровне подпроцессов, мероприятий, задач; см. Раздел 3.4)
Указание объема информации, который должен быть занесен в каждую форму (должен ли быть весь процесс описан в одной форме или для описания одного процесса нужно использовать несколько форм в зависимости от отдела)
Инструкции по заполнению формы
Образец заполненной формы
Во-вторых, стандарты документирования должны указывать, как в проекте регистрируются различные описания.

Каждой форме присваива­ется пятизначный код, который представляет:
Название проекта
Фазу, на которой документ был создан
Номер темы
Порядковый номер документа в данной теме
Номер версии
Каждый документ должен также содержать дату и имя составителя документа.

Документы, которые возникают в ходе проекта, регистрируются в файле проекта. Файл проекта ведется для каждого номера темы и в ходе каждой фазы. Для каждого номера темы документы регистрируются в со­ответствии с их порядковым номером.
В-третьих, стандарты документирования содержат описание методи­ки, с помощью которой вся документация по административным бизнес-процессам (документация по текущему положению, а также по предло­женным изменениям) регистрируется в справочнике административной организации (или в справочнике административной информационной системы управления). Частью пего метода является кодирование всех ад­министративных бизнес-процессов, отделов, подотделов и форм. Кроме упомянутого выше пятизначного кода, документам, созданным в ходе осуществления проекта и зарегистрированным в справочнике, также при­сваиваются справочные коды. Дальнейшее описание справочника адми­нистративной организации можно найти в главе 7.
Кодирование всех документов проекта, а также отделов, подотделов, процессов и форм кажется неосуществимым.

Однако применение этой системы кодирования крайне важно для:
Систематической группировки всех документов, обеспечения легкого сохранения и восстановления из файла проекта и из спра­вочника административной организации существующих между ними логических связей
Достижения четкой и точной коммуникации между участника­ми проекта
Наличия простых и четких ссылок на различные документы






Определение возможностей для улучшений


Причиной документирования процесса обычно становится потребность в проведении анализа административного бизнес-процесса. Причина анализа процесса и методика анализа не могут рассматриваться независимо (как указано в Главе 3). Эти два фактора являются основными соображениями при выборе методики документирования. Для проведе­ния анализа методики схематического изображения документации административного бизнес-процесса часто оказываются неадекватны. Должны быть осуществлены дополнительные мероприятия для получения и документирования данных, необходимых для проведения анализа.

Анализ состоит из трех следующих шагов:
A.           Проведение анализа
B.            Обсуждение результатов анализа с вовлеченными сотрудниками
C.            Предоставление отчета команде по управлению проектом






Организация улучшения процесса


Проект по улучшению бизнес-процессов должен быть разработан в соответствии со структурой организации. В проект вовлекается большое количество отделов и направлений (линейный менеджмент, члены адми­нистративного аппарата, эксперты по административной организации). Эффективным подходом организацию временной отдельной структуры проекта делают два момента: требуемая вовлеченность сотрудников в про­ект (сотрудники должны иметь возможность полностью посвятить себя проекту) и случайный выбор характера мероприятий.
Определение       Команда по управлению проектом по улучшению бизнес-процессов (Project Management Team - РМТ) создается для управления и координации мероприятий по улучшению биз­нес-процесса, которые проводятся в рамках организации.
Команда по улучшению процесса (Process Improvement Team - PIT) - команда, работающая над проектом по улуч­шению определенного процесса. В такую команду обычно входят люди, представляющие различные отделы. Команда по улучшению процесса отчитывается перед командой по уп­равлению проектом для управления и поддержки.

Контактные группы не являются частью проекта по улучше­нию бизнес-процессов организации, они служат своего рода «резонатором» для команды по улучшению процесса. Для оценки работы команды по улучшению процесса контакт­ная группа будет рассматривать наиболее ценные нацелен­ные на будущее решения, разработанные командой по улуч­шению процесса, а также сопроводительную документацию, результаты проведенного анализа, запланированные улучше­ния, прибыль на инвестированный капитал. Они могут так­же давать технические рекомендации, относящиеся к опреде­ленному инструменту.
Работа по организации проекта происходит в ходе его реализации и прекращается сразу по его завершении. В процессе организации проекта создается команда для контроля и отслеживания всего проекта по улучшению бизнес-процессов.


Организация улучшения процесса
Рисунок 2.А   Организационная структура улучшения административного бизнес-процесса

 Эта команда называется « команда по управлению проектом по улучшению бизнес-процессов» (Project Management Team (РМТ)). Кроме того, каждый раз для изучения нового административно­го бизнес-процесса создается новая группа, работающая над проектом, называемая «команда по улучшению процесса» (PIT) (см. Рисунок 2.А)




Основа для анализа и оценки административных бизнес-процессов


Настоятельная потребность в тщательном документировании суще­ственных факторов относится также к анализу и оценке административ­ных бизнес-процессов. Проведение анализа и оценки возможно только в том случае, если факторы, которые должны анализироваться и оценивать­ся, включены в документацию по процессам. К примеру, если анализиру­ется и оценивается распределение задач в отделах и между ними, то нет особого смысла работать с методиками документирования, которые свя­заны с обращением документов.
Адаптируемость - мера гибкости элемента при манипулиро­вании меняющимися потребностями и ожиданиями потреби­теля при удовлетворении требований приемлемой эффектив­ности и производительности.
Результативность - степень, в которой элемент обеспечива­ет необходимый результат в необходимом месте, в необходи­мое время, за необходимую цену. Результативность часто сравнивают с качеством, но используют другие измерители. Требования к результативности определяются внешним и/или внутренними клиентами и потребителями.
Эффективность - мера того, насколько хорошо процесс ис­пользует ресурсы. Она включает все ресурсы: людей, время, площади, оборудование. Она часто соотносится с произво­дительностью.
Своевременность - мера того, насколько долго результат ос­тается невостребованным до того момента, когда он будет потреблен в следующем мероприятии или насколько приос­танавливается следующее мероприятие из-за недостатка ре­сурсов на входе. К примеру, комплектующие могли бы быть доставлены в производственный отдел за три недели до их использования.
Цели анализа и оценки административных бизнес-процессов могут быть ориентировочно разбиты на четыре категории: результативность, эффективность, адаптируемость и внутренний контроль.

Если мы будем разбивать эти категории дальше, то сможем выделить следующие виды анализа.
A.           Результативность управления информационными потоками.В этом виде анализа изучается, является ли существенной информация, полученная на выходе административных бизнес-процессов, и удовлетворяет ли она предъявляемым требованиям качества. Иначе говоря, анализ определяет, является ли информация необходимым средством реализации операций, которые должны быть выполнены в рамках организации.
B.            Эффективность и результативность файлов данных. В этом виде анализа изучается эффективность и пригодность создания, использования и обновления файлов данных. Также рассматривается потребление ресурсов при создании, использовании и обновлении файлов данных.
C.            Анализ своевременности и длительности цикла. В этом виде анализа измеряется своевременность завершения административных бизнес-процессов путем проверки норм, а также проводятся исследование и оценка длительности циклов.
D.            Взаимосвязь функций и задач с административной организацией. Анализ этих отношений направлен на нахождение способов эффективного сбора данных и различных административно-технологических инструментов распределения различных функций между сотрудниками различных отделов с точки зрения схожести, образования, опыта, требуемого для выполнения задач.
E.            Эффективность и результативность маршрутизации административного бизнес-процесса. При анализе маршрута или пути административного бизнес-процесса (как компонента логистического анализа) важно отметить последовательность, в которой выполняются мероприятия, как и в какой  последовательности происходит физическое перемещение документов, какие документы перемещаются. Исследование маршрута административного бизнес-процесса может быть направлено на снижение времени обработки и уменьшение количества ошибок в результате перемещения или потери документов, а также на снижение затрат за цикл.
F.            Точность, основательность и надежность операций по обработк е данных. Этот анализ направлен на внутренний контроль обработки данных (также называется информационным контролем).
G.            Продуктивность административного бизнес-процесса. Посредством данного анализа делается попытка сформировать суждение о связи между затратами и продуктивностью различных административных бизнес-процессов.
Н. Использование возможностей стандартизации. Анализ и оцен­ка возможностей стандартизации административных бизнес-процессов могут быть сконцентрированы на оборудовании, тре­бованиях офиса и процессах, посредством которых выполняют­ся схожие задачи.
I. Дублирование и избыточные процедуры. Исследование, направ­ленное на выявление дублирования и избыточных процедур, может обеспечить возможности для устранения дублирующих и избыточных операций в области использования сбора и созда­ния документов. Более того, проверяется, существует ли необ­ходимость в каждой из процедур.
J. Адаптируемость административного бизнес-процесса. Этот ана­лиз направлен на определение того, какие входные отклонения может выдержать процесс, не оказывая неприемлемого негатив­ного воздействия на эффективность и результативность.
К. Результативность и пригодность технологических инструмен­тов. Этот анализ и оценка в первую очередь нацелены на инст­рументы, которые используются в ходе бизнес-процессов, такие как микро ЭВМ, система обработки текстов, копировально-мно­жительная техника, телекоммуникационное оборудование, микро(фото)съемка и т. д. В ходе этого анализа также рассматрива­ется использование оборудования для автоматической обработ­ки данных и оптимизации административно-технологических инструментов (включая все формы инструментов информаци­онной технологии).

Эти 11 вопросов для анализа и оценки бизнес-процессов будут под­робно рассмотрены в Разделах 4.3 - 4.12. К ним будут обращаться в терминах выше упомянутой цели для достижения понимания админис­тративных бизнес-процессов. Понимание эффективности информации, маршрутизации, функции, структуры задач, степени стандартизации, дуб­лирования и избыточных процедур, длительности цикла, точности, пол­ноты, надежности обработки данных (внутренний контроль) и т. д. мо­жет быть также получено без проведения анализа и оценки процессов.

Для каждого случая необходимо точно определить, какие факторы, влияющие на процесс, должны учитываться. К примеру, концепция внут­реннего контроля может пониматься по-разному. Анализ типа мероприя­тия или распределения задач в организации и анализ финансового или производственного контроля требуют совершенно разных методик доку­ментирования.






Основные процессы


Основные процессы

Рисунок 1.А Иерархическая структура процессов

Подпроцесс - это часть основного процесса, которая выполняет специфическую роль в обеспечении функционирования основного процесса.
Мероприятия (также используется термин Процедуры) -действия, выполняемые в рамках процесса или подпроцесса. Мероприятия обычно осуществляются одной структурной единицей организации (одним работником или одним отделом). Мероприятия обычно описываются в инструкциях. Инструкции содержат перечень задач, которые решаются в рамках мероприятия.
Задачи - отдельные элементы и/или подгруппы элементов мероприятия. Обычно задачи определяют то, как структурная единица выполняет определенную функцию.






Отделы и сотрудники


При рассмотрении географического и организационного местополо­жения возникает вопрос, какие отделы и конкретные сотрудники участву­ют в процессе. Изучение отдела включает в себя изучение функций отде­ла, различных мероприятий, разделения задач, числа сотрудников и т. д. При изучении конкретных сотрудников важными моментами являются должность, должностные обязанности и их совокупность, требуемый уро­вень компетентности, уровень образования и опыта.
При изучении отделов и конкретных сотрудников особое внимание следует также обратить на рабочие взаимоотношения между отделами и между конкретными сотрудниками, вовлеченными в различные админис­тративные бизнес-процессы. Эти взаимоотношения могут быть разного рода (обмен данными, последовательность участия в процессе, сотрудни­чество в рамках процесса и т. д.)





Передача знаний


Определение
Можно установить различия между методиками документирования, используемыми для передачи знаний при личных контактах и методика­ми, используемыми при передаче знаний во времени. Часто комбинация этих методов оказывается не только возможна, но и желательна.
После того как были рассмотрены существующие административные бизнес-процессы, следует проведение документирования, причем таким образом, чтобы специалисты, создающие эту документацию и/или другие люди смогли эффективно использовать содержание документации. К при­меру, это можно представить как эффективную передачу информации между различными командами по улучшению процесса в ходе проекта по компьютеризации или как периодическое представление бухгалте­ром информации о настройках системы бухгалтерского учета в орга­низации.
Специальная форма передачи знаний при личных контактах - это про­фессиональное обучение, проводимое в организации. Инструкция предъяв­ляет особенно высокие требования к методикам документирования, по­скольку, не внося путаницы и различий в интерпретацию, каждая инст­рукция годится для консультации только по одному вопросу (может иметь в виду только одну вещь).
Передача знаний во времени в общем означает средства подготовки документации, доступной для консультаций и ссылок. Конкретные тре­бования, необходимые для осуществления передачи знаний во времени, будут обсуждаться в главе 7. Передача знаний также важна для эффектив­ной поддержки или обновления существующей административной систе­мы и для поддержки непрерывности функционирования этих систем.
Цели административных бизнес-процессов определяют, какие мето­дики документирования будут применяться. Выбор этих методик - не такая уж простая задача. В зависимости от целей, преследуемых доку­ментированием, будут определяться факторы, которые должны быть до­кументированы. Другими словами, должны использоваться только те методики документирования, которые могут адекватно представлять факторы, необходимые для достижения цели.

Цели документирования обычно недостаточно хорошо продумываются заранее, что приводит к неверному выбору методики документиро­вания. В некоторых случаях оказывается, что хотя цель и была определе­на заранее, выбиралась неподходящая методика. Это происходит из-за неадекватности анализа того, могут или не могут данные факторы быть представлены данной методикой документирования.






Перепроектирование процесса (Концентрированное улучшение)


Подход к перепроектированию процесса концентрирует усилия Команды по Улучшению Процесса (Process Improvement Team (PIT)) на совершенствовании существующего процесса. Перепроектирование процесса обычно применяется к тем процессам, которые достаточно успешно работают и в настоящий момент. Обычно перепроектирование процесса снижает затраты, длительность цикла и количество ошибок на 30-60%. При перепроектировании процесса определение BFSS занимает от 80 до 100 дней. Правильно будет использовать этот подход для приблизительно 70-90%) основных бизнес-процессов. Такой подход используется в том случае, если улучшение показателей деятельности организации на 30-60% сможет обеспечить ей конкурентное преимущество.
При перепроектировании процессов строится имитационная модель текущего состояния (as-is).

После этого применяются следующие рационализирующие средства:
Устранение бюрократии
Анализ добавленной ценности
Устранение дублирования
Упрощение методов
Сокращение длительности цикла
Защита от ошибок (анализ текущих проблем)
Модернизация процесса (реструктуризация организации)
Простой язык
Стандартизация
Партнерские отношения с поставщиками
Автоматизация, механизация, применение информационных технологий

Вы заметите, что информационно-технологические инструменты применяются только после того, как оптимизированы входящие в процесс мероприятия. Как только мероприятия, входящие в данный процесс, оптимизированы, в ход пускаются наилучшие наработки в области информационных технологий и компьютеризации для поддержки оптимального процесса.
Все это действительно делает информационные технологии скорее инструментом, чем движущей силой процесса. Согласно концепции перепроектирования, Команда по Улучшению Процесса (PIT) не создает новые пути применения информационной технологии, но использует преимущества уже опробованных методик. Часто сравнительный анализ процессов проводится параллельно с перепроектированием мероприятий, чтобы гарантировать, что перепроектированный процесс будет не хуже или лучше соответствующего эталона.







Периодичность


Периодичность показывает, как часто что-либо происходит. Этот фактор особенно важен, если относится к производительной мощности
отделов и конкретных сотрудников или административно-технологических инструментов.





План проекта


Цель деятельности по планированию заключается в том, чтобы сде­лать проект более управляемым. Количество мероприятий, входящих в проект, зависит от целей проекта.
Прогресс может отслеживаться при помощи регулярных плановых обзоров проекта, при этом проверяется, приносит ли проект желаемые результаты и соответствуют ли результаты ожиданиям. При необходи­мости проект может также модифицироваться. Эти модификации могут относиться и к широте охвата (количество процессов и отделов, которые должны быть рассмотрены), и к глубине проекта (степень детализации). Кроме того, может оказаться желательной модификация плана или бюд­жета. План проекта должен подготавливаться командой по управлению проектом для общих организационных мероприятий. Для каждого про­цесса индивидуальный план проекта должен разрабатываться специально назначенной командой по улучшению процесса.

План проекта, подготовленный типичной командой по улучшению процесса, должен включать в себя следующие моменты:
Разработка предложений по проекту
Определение деталей проекта
Составление предложений по проекту
Документирование процессов
Разработка Плана управления организационными изменениями
Анализ процессов
Модификация существующих, а также введение новых процес­сов (формулировка, внесение предложений)
Интеграция, оценка модифицированных или внедренных процессов

В принципе, любая деятельность начинается с того, что команда по управлению проектом определяет/одобряет проект по оценке каждого процесса. Одобрение процесса должно включать в себя список мероп­риятий, которые должны быть выполнены, бюджет и временные рам­ки. В ходе деятельности по внедрению проект может быть разбит на более мелкие проекты, которые осуществляются параллельно. Такое разбиение стоит проводить, если различные. Подпроекты являются от­носительно независимыми. Наконец, каждая фаза проекта завершается отчетом, который команда по улучшению процесса предоставляет команде по управлению проектом. На основании этих отчетов команда по управ­лению проектом выносит решение относительно достигнутого прогресса и вносит необходимые поправки (корректировки). Следующая фаза дол­жна начинаться не ранее, чем команда по управлению проектом одобрит заключительный отчет по предыдущей фазе. Последовательность мероп­риятий показана на Рисунке 2.С.





План работ


В плане работ во временных рамках проекта составляется календар­ный план мероприятий, которые будут осуществляться в ходе проекта. Планирование заключается в уточнении: кто из персонала будет вовле­чен в осуществление проекта. В этом может помочь Рисунок 2.G. Такая форма заполняется для каждого члена команды по улучшению процесса, если проект небольшой, и для каждой категории сотрудников, если про­ект большой.

Дата:                                     02 - 15 - 1992                       Код документа: Проект:                                 Адм. организация                 Фаза проекта:               Определение деталей проекте Команда, работающая над проектом: ...                         Предметная область: Планирование трудовых ресурсов
Составитель документа:    Лидер проекта                      Предмет:                      Планирование рабочего времени по неделям



Номер недели


Итого
1
2
3
4
5
6
7
8
9
10
11
12
Лидер проекта
280
32
24
24
24
24
24
24
24
24
24
16
16
Члены команды, работающей над проектом К. Дженсон
192
32
32
32
32



32
26


6
Р.  de  Bum
320
32
32
16
16
32
32
32
32
32
32
16
16
Дж. Питере
180
20
20
20
20
20
20
-
-
-
20
20
20
Р. де Корте
416
16
16
32
40
40
40
40
40
40
40
40
32
Итоги по команде, работающей над проектом
1108
100
100
100
108
92
92
72
104
98
92
76
74
Общие итоги
1388
132
124
124
132
116
116
96
128
122
116
92
90
Рисунок 2.F    Пример плана доступности персонала
Проведение мероприятий, показанных на Рисунке 2.D, по­ручается различным членам команды по улучшению процесса. Команде по улучшению процесса следует всегда учитывать время ожидания и тот факт, что некоторые мероприятия могут выполняться только последова­тельно или периодически (к примеру, получение одобрения на совещани­ях команды по управлению проектом и контактных групп). Эти факторы влияют на назначение сотрудников ответственными за проведение ряда мероприятий в согласованное время и определяют, сколько времени они должны потратить в действительности на мероприятие в течение рассмат­риваемого периода.


При заполнении таблицы, показанной на Рисунке 2.G необходимо учитывать две переменные величины: количество доступных членов ко­манды по улучшению процесса и окончательная форма проекта. Взвеши­вание этих переменных называется балансированием. Если проект не мо­жет быть завершен к утвержденной окончательной дате, то необходимо сделать выбор между увеличением времени работы членов команды по улучшению процесса, привлечением в команду по улучшению процесса дополнительных людей и переносом окончательной даты.

Дата:
02 • 15- 1992
Код документа:
Проект:
Адм. организация
Фаза проекта:
Определение деталей проекта
Команда,
работающая над проектом: ...
Предметная область:
График работы персонала
Составит
эль документа:     Лидер проекта
Предмет:
График работ Р. дв Вит

дата

02    15    1992
Код документа:

Пров
Адм. организация
Фаза проекта:
Определение деталей проекте
Команда, работающая
над проектом: ...
Предметная область:
График работы персонала
Составитель документ;
Лидер проекта
Предмет:




Сотрудники
Номер недели

Итого
1
2
3
4
5
6
7
8
9
10
11
12
Р. дв Вит













доступно
320
32
32
16
16
32
32
32
32
32
32
16
16
Всего
26
4
4
2
2
2
2
2
2
2
2
2

Документ 41
44
28
12
2
2








Документ 42
44

16
12
5
5
6






Документ 43
68



7
25
24
12





анализ 41
30






18
5
4
3


анализ 42
30







25
1
4


анализ 43
44








25
14
5

Итого
286
32
32
16
16
32
32
32
32
32
23
7
0
Осталось
34
-
-
-
-
-
-

-
-
9
9
16

Рисунок 2.G   Пример графика работы персонала


Результаты этого планирования можно представить наглядно (см. Ри­сунок 2.Н). Стрелками обозначена длительность соответствующих мероп­риятий и указано, кто из сотрудников (групп сотрудников) отслеживает выполнение мероприятий. Для нумерации плановых совещаний коман­ды по улучшению процесса, команды по управлению проектом и контак­тных групп могут использоваться коды.
По ходу развития проекта необходимо корректировать планы. Это особенно важно для поддержки фаз анализа (Фаза III) и разработки (Фаза IV).

Рисунок 2.Н   Пример плана работ

Составление планов в соответствии с приведенной системой не пред­ставляет сложности. Процесс планирования должен быть модифициро­ван в соответствии с особенностями конкретного проекта. Такие методы планирования системы, как Метод оценки и пересмотра планов (метод PERT) и Метод критического пути (СРМ) могут использоваться для боль­ших проектов. Однако обсуждение этих методов выходит за рамки дан­ной книги.







План управления организационными изменениями


План управления организационными изменениями должен состоять из трех частей.

Эти части соответствуют периодам, в которые:
Процесс перепроектируется (подготовка)
Внедряется наиболее ценное нацеленное на будущее решение (преобразование)
Уже внедрено наиболее ценное нацеленное на будущее решение (стабилизация)

Управление организационными изменениями - метод, раз­работанный для минимизации естественного для любой орга­низации сопротивления изменению статуса кво (настоящего положения) и снижающий до минимума затраты и длитель­ность цикла, связанные с принятием организацией изменений. Управление организационными изменениями - метод, наце­ленный на саму организацию, и команде по улучшению про­цесса необходимо понимать, что это за метод и как им пользо­ваться.

Центральными задачами мероприятий по управлению организаци­онными изменениями являются:
Достижение глубокого понимания потенциальных инструмен­тов и барьеров, стоящих на пути успешного внедрения наиболее ценного нацеленного на будущее решения
Применение этого знания для осуществления широкого внедрения процесса планирования
Вовлечение людей на всех уровнях организации в процесс оценки и планирования для создания необходимого уровня заинтересованности

Без адекватного понимания того, какие инструменты и барьеры (люди, процессы, технологии) будут скорее всего изменены, планы изме­нений будут менее полезными и реалистичными. Кроме того, люди будут с меньшим желанием двигаться вперед. Планы эффективного управления изменениями разрабатываются с участием всех групп, которые будут затро­нуты этими изменениями, что приводит к значительному снижению риска.
Ключевым моментом в мероприятиях по оценке и планированию из­менений является вовлечение максимального количества людей, которых эти изменения коснутся в процессе работ. Мероприятия по оценке и пла­нированию состоят из оценки готовности организации к изменениям, определения инструментов изменений и способов устранения барьеров, стоящих на пути этих изменений. Основная часть этой стадии состоит и разработке и осуществлении процесса сбора данных по определению по­следствий грядущих изменений. Эти последствия (изменения оказывают влияние на людей) рассматриваются как инструменты или барьеры па пути изменений.
В результате мероприятий по оценке и планированию изменений орга­низация будет иметь возможность прогнозировать и управлять рисками внедрения, а также утверждать и вырабатывать соответствующий уро­вень участия, необходимый для обеспечения результатов бизнеса. Резуль­таты этой деятельности объединяются в подробный план управления изменениями, который руководит ходом процесса изменений. План уп­равления изменениями должен содержать описание стратегии и такти­ки управления рисками внедрения.
Полный план управления организационными изменениями должен быть подготовлен в ходе этого мероприятия, но часто оказывается, что необходимо проведение дополнительной оценки и во время других ста­дий работ по улучшению бизнес-процессов для корректировки плана управления организационными изменениями. Индивидуальные планы внедрения и периода, следующего за внедрением, должны быть детали­зированы вместе с планом внедрения наиболее ценного нацеленного на будущее решения. Причиной такого различия является то, что планы изменений каждого проекта должны основываться на оценке факторов риска при его специфических изменениях. Использование принципов уп­равления изменениями имеет тенденцию быть теоретически наилучшим до тех пор, пока не начинают осуществляться конкретные изменения. Па этом этапе некоторые риски перестают быть чисто теоретическими и ста­новятся вполне ощутимыми. Для проведения бенчмаркинга, перепроек­тирования и реинжениринга процесса следует провести оценку факторов риска, связанных с планируемыми изменениями.


Ниже приведены наибо­ лее часто встречающиеся риски, связанные с внедрением:
Затраты па поддержание статус-кво
Четкость представления
Участие спонсора
Навыки агента изменений
Сторонники изменений - их поиск и их навыки
Реакция людей, подвергаемых изменениям
Согласование культуры организации
Внутренние и внешние события в организации
Структура внедрения
Улучшенные показатели деятельности
Затраты на поддержание статус-кво

Это затраты, обусловленные несовершенством текущих процессов, а также дополнительные затраты из-за упущенных возможностей по причине не изменения процесса (к примеру, если организация не получит серти­фикаты ИСО 9000, она не сможет получить в будущем многие контракты).
Четкость представления
Насколько определение наиболее выгодного нацеленного на буду­щее решения понятно на стратегическом и тактическом уровне? Опреде­лены ли будущие требования к людям, процессу и технологиям?
Участие спонсора
Насколько активно участие людей, которые обладают властью для утверждения и изменений?
Навыки агента изменений
Насколько агенты изменений квалифицированны в разработке пла­на управления передвижениями? Обладают ли они достаточными знания­ми и опытом для учета человеческого фактора в управлении изменениями.
Сторонники изменений - поиск и навыки
Были ли выявлены и подготовлены сторонники изменений, необхо­димые для их поддержки?
Реакция людей, подвергаемых изменениям (объектов изменения)

Сопротивляются ли изменениям работники, которые должны будут изменить методы своей работы? Насколько успешно организация внедряла изменения в прошлом? Если прошлые попытки провалились, возможно, в организации существует сильное противодействие этим изменениям.




Подходы к улучшению бизнес-процессов


Три из четырех подходов (бенчмаркинг процесса, перепроектирование и реинжениринг процесса) были описаны в книге «Performance Improvement» («Улучшение деятельности», McGraw-Hill, 1991). Методика быстрого анализа решения является новейшим подходом, разработанным для нахождения и быстрого «пожинания» самых доступных «плодов», произрастающих «на ниве» наших бизнес-процессов. Поскольку подходы к улучшению бизнес-процессов (за исключением FAST) широко обсуждается повсюду, в данной работе они будут только обобщены.






Подробный календарный план


Проект подробного календарного плана составляется в соответствии с Рисунком 2.D. Процессы, которые должны быть проанализированы, за­носятся в колонки. Различные мероприятия на различных фазах проекта отмечаются в строках. К моменту прохождения фазы регистрации проек­та, известными уже считаются процессы, которые должны быть описаны, число вовлеченных отделов (на один процесс) и методики документиро­вания, которые предполагается применить.

Для каждого процесса извест­ны мероприятия, которые в будущем должны получить дальнейшее разви­тие, такие как:
Сбор исходных материалов
Изучение текущих процедур
Документирование в соответствии с выбранными методиками
Установление обратной связи и получение одобрения от людей, вовлеченных в проект
Составление окончательной документации и включение ее в ус­тановленный набор документации

Для каждого из этих мероприятий нужно оценить время, необходи­мое для его выполнения. Требуется также рассчитать процент времени, потраченного командой по управлению проектом и командой по улуч­шению процесса на консультирование, времени, потраченного лидером проекта на руководство, составление планов и т.д. На основе схемы (см. Рисунок 2.D) можно увидеть различные степени сложности процессов. Они требуют различное количество часов, показанное на Рисунке 2.D.
Проблемой может стать определение времени, необходимого для за­вершения фазы анализа процесса. В конце концов, не всегда известно, ка­кие методики будут использоваться при анализе. Можно рассмотреть ме­тоды, которые стали известны в течение фазы по разработке проекта.


Дата: 02- 15- 1992
Код документа:
Проект: Адм. организация
Фаза проекта: Определение деталей проекте
Команда, работающая над проектом: ...
Предметная область: Планирование трудовых ресурсов
Составитель документа: Лидер проекта
Предмет: Почасовой план для каждой группы процессов


Номер
Мероприятие
Процессы, которые должны быть проанализированы


Итого
Главный
41
42
43
44
45
46
47
48
49
V.
Документирование:











V1.
исходные материалы
82
40
4
4
6
4
8
4
4
4
4
V2.
запас
160
20
12
12
20
16
24
12
16
18
12
V3.
регистрация
164
20
12
12
20
16
28
12
16
16
12
V4.
получение обратной связи
76
8
6
6
8
В
12
6
8
8
0
V5.
итоговый вариант (версия)
76
8
6
6
8
8
12
6
8
8
в

промежуточный итог
558
96
40
40
62
52
84
40
52
52
40
V6.
консалтинговый файл и т.д.
88
40
4
4
6
6
8
4
6
в
4
V7.
файл лидера проекта
128
128










Итог по документированию
774
264
44
44
68
58
92
44
58
58
44
A.
Анализ:











A1. A2.
члены команды, работающей над проектом лидер проекте
420 120
50 120
30
30
44
44
60
30
44
44
44

Итог по анализу
540
170
30
30
44
44
60
30
44
44
44


(отведено 880 часов)

Итого по документированию и по анализу
1314
434
74
74
112
102
152
74
102
102
88

Рисунок 2.D   Пример подробного календарного плана


Для планирования этой фазы можно воспользоваться процентным соотношением времени, которое требуется для описания этих процессов. В зависи­мости от выбранной модели проведения консультаций (привлекаются или не привлекаются контактные группы) и от целей проекта (анализ проце­дур в форме математической оптимизации займет значительно больше времени, чем анализ внутреннего контроля), основываясь на опыте, бу­дет выбрано процентное соотношение в диапазоне от 50% до 100%.
На фазе разработки проекта планирование времени, необходимого для формулирования предложений по модификации процессов, для но­вого проектирования процессов и для интеграции этих процессов представляет собой нелегкую задачу.

Процесс
Количество вовлеченных (под)отделов
Количество этапов (мероприятия) (под)отделы
Количество перемещений из одного в другой
Найм новых работников
7
140
35
Увольнения
7
60
15
Повышение квалификации
7
40

Продвижения
7
40
20
Возмещение расходов на образование
7
20
10

Рисунок 2.Е Пример обзора передвижений (маршрута)

Бывает также, что уже сформировалось определенное мнение о том, стоит ли частично модифицировать существу­ющие процессы или же следует разрабатывать новую систему админист­ративной организации. В зависимости от этого в ходе этой фазы будет так­же использовано процентное соотношение для планирования времени.
Необходимо в принципе оценить общее время, нужное на осуществ­ление проекта. Разумеется, подробный календарный план потребует кор­ректировки и внесения улучшений в ходе реализации различных фаз про­екта (по мере продвижения проекта, команде по улучшению процесса будет легче планировать последующие фазы). Первый раз улучшения бу­дут вноситься в подробный календарный план в конце фазы детализации проекта.
Следующим шагом должно стать планирование наличия рабочей силы. Это может быть сделано на основе Рисунка 2.F. Для каждого меся­ца, в течение которого будет осуществляться проект (это могут быть не­дели для небольшого проекта), на этом рисунке будут отмечены сотруд­ники, доступные для участия в проекте, и время, которое они могут по­святить проекту. Достаточно получить общее представление о том, кто из сотрудников собирается принять участие в проекте. Члены команды по управлению проектом и контактных групп отвечают лишь за относи­тельно небольшую часть общего объема работ.





Поймет ли это читатель, или нужен текст с пояснениями?


Понятны ли применяемые символы?
Подчеркнуты ли важные факторы?
Опущены ли незначительные факторы?
Добавляет ли схема что-то повое к знаниям читателя или же она избыточна?
Примерами свободной схемы являются схемы принципов админист­ративного бизнес-процесса и глобальная схема процесса.






Понимание административных бизнес-процессов


Для достижения хорошего понимания того, как организованы адми­нистративные бизнес-процессы, часто оказывается недостаточным про­стое описание процессов и их взаимодействий. При составлении описа­ния от исследователя не требуется систематически обращать внимание на факторы, которые следует принимать во внимание при составлении до­кументации. Кроме того, не устанавливаются критерии для определения завершенности описания. Схематическое документирование имеет свои преимущества перед простым описанием, поскольку использует символы и знаки и имеет определенный формат. Исследователь, знакомый с соответствующей методикой, сможет достичь хорошего понимания организа­ции актуальных процессов без повторного изучения логистики, которая по существу не присутствует в вербальных описаниях.
При описании административных бизнес-процессов необходимо чет­ко определить, что требуется понять. Критическим является понимание общих концепций, таких как процедуры, длительность цикла, крайние сро­ки, требуемые формы, периодичность и финансовый интерес. Более точ­ное представление о факторах, понимание которых необходимо, опреде­ляет выбор эффективных методик документирования.





Постоянное улучшение (Процесс постоянного улучшения)


Кроме четырех подходов, используемых для радикального улучше­ния бизнес-процессов, значительные усилия направляются также на по­стоянное улучшение подпроцессов, мероприятий и задач. Хотя в этой книге не будут широко обсуждаться подходы к постоянному улучшению, важ­но, чтобы к моменту завершения проекта по улучшению бизнес-процес­сов для   них был разработан план постоянного улучшения.
К сожалению, слишком часто после того, как полученное с помощью концепции улучшения бизнес-процессов решение внедрено, руководство забывает о процессе, полагая, что он и так хорошо функционирует, что, возможно, соответствует действительности. Проблема в том, что стоя на месте, на самом деле вы не стоите на месте. В действительности вы отка­тываетесь назад, поскольку ваши конкуренты постоянно совершенству­ются. Процесс, который был вчера превосходным, сегодня всего лишь удовлетворительный, а завтра уже не будет отвечать требованиям време­ни. И это означает, что необходимо предпринимать усилия по постоян­ному улучшению, которые могут осуществляться обычными рабочими ко­мандами и отдельными людьми, вовлеченными и процесс. Если организация хочет удержать стратегическое преимущество, достигнутое в резуль­тате применения методологии улучшения бизнес-процессов, необходимо улучшать их ежегодно на 10-15%. Для ознакомления с более подробным описанием улучшения бизнес-процессов мы рекомендуем вам прочесть книгу H.James Harrington (Джеймса Харрингтона) «Total Improvement Management» («Управление Тотальным Улучшением») (McGraw-Hill, 1991).
Часто выражается желание использовать документацию, результаты анализа и/или разработки проекта для административных процессов на постоянной основе, после того как процесс завершен, и это хорошая де­ловая практика. Потребность в этом понятна, так как документация мо­жет быть использована для инструктирования и обучения персонала. Ре­зультаты также дают эффективное средство для оценки воздействия на процесс будущего потенциального улучшения.




Минимизация затрат на хранение путем


Минимизация затрат на хранение путем применения методов формирования запасов just-in-time и непрерывного производства
Подход постоянного улучшения оказался очень эффективным. Пре­красным примером использования данного подхода для позиционирова­ния страны на мировом рынке является Япония. Однако подход имеет пять основных недостатков:
80% проблем могут быть решены только руководством
Данный подход концентрирует внимание на конкретных задачах или мероприятиях, приводя к локальной оптимизации внутри организации
Затраты по реализации программы велики, так как требуется участие каждого члена организации
Подход лучше реализуется в производственной отрасли
Подход не требует наличия внедренной системы тотального управления качеством к моменту начала реализации программ по улучшению

Эти недостатки обусловили вторую волну улучшений (которая про­должается до сих пор). Огромным прорывом стало признание руковод­ством того факта, что производственные рабочие способны производить продукцию с уровнем дефектов один на миллион изделий, в то время как вспомогательный персонал работает на уровне «один на единицу продукции».
Первоначально руководство пыталось решить эту проблему с помо­щью использования информационных технологий. Однако такой подход с треском провалился, поскольку автоматизация или компьютеризация неэффективного процесса лишь дает возможность делать ошибки быст­рее и больше. Поэтому появилась новая методология, называемая Улуч­шение бизнес-процессов (Business Process Improvement).
Концепция улучшения бизнес-процессов базируется на 4-х различных подходах, направленных на повышение производительности, эффектив­ности и адаптируемости бизнес-процессов. Согласно этой новой концеп­ции, организация достигает значительных успехов в улучшении деятель­ности путем анализа сотен мероприятий и задач с целью оптимизации общих показателей деятельности за относительно короткий период вре­мени (см. Рисунок О.А). Впервые к этой второй волне улучшения показа­телей деятельности обратился Джеймс Харрингтон в теоретической ра­боте «Business Process Improvement» («Улучшение бизнес-процессов») (McGraw-Hill, 1991), где определил основную методологию улучшения бизнес-процессов.


Основываясь на «Улучшении деятельности», паша кни­ га представляет технические процедуры, необходимые для внедрения концепции улучшения бизнес-процессов в организации.


Минимизация затрат на хранение путем

Рисунок 0.А Постоянное улучшение в сравнении с «прорывным»

 Она рассчитана на специалистов по улучшению бизнес-процессов, определяющих пути перепроектирования и реинжениринга деятельности. Данная книга является скорее практическим пособием, чем теоретической работой (описывает, скорее, не Что надо сделать, а Как надо делать).
Также мы обратимся и к третьей волне, популярность которой начинает быстро расти. Назовем ее «Улучшение бизнес- систем» (УБС). Главным достижением концепции улучшения бизнес-процессов была концентрация внимания на процессах, которые являются значительными элементами организации. УБС в свою очередь фокусируется на еще более крупных элементах организации, поскольку данная концепция предусматривает оценку интегрированности процессов для поддержки ключевых операционных систем в рамках организации.


Данная методология продолжает развиваться до сих пор, и уже явно наметились два следующих подхода:
1.         Применение систем предотвращения ошибок
2.         Усовершенствование и модернизация бизнес- систем

Среди типичных бизнес- систем, которые в данный момент переосмысляют, модернизируют и усовершенствуют, можно выделить следующие:
Системы управления качеством
Системы управления защиты окружающей среды
Системы управления финансами
Системы управления ценными бумагами
Системы управления программным обеспечением
Системы управления безопасностью
Системы управления информацией
Системы управления проектами

Многие организации - государственные, частные или профессиональные объединения - устанавливают собственные стандарты для своих бизнес-систем. К примеру, для финансовых систем, принадлежащих государству, применимы международные стандарты, системы управ­ления качеством (ИСО 9000), системы защиты окружающей среды (ИСО 14000). Международная Организация по Стандартизации в ближайшем будущем приступит к разработке стандарта системы управления безо­пасностью. Большинство этих стандартов устанавливают минимальные требования, на внедрение которых во всем мире должны уйти годы. К сожалению, эти стандарты не рассматривались топ-менеджерами как приоритетные, поскольку руководство не осознавало влияние, которое эти критические бизнес-системы оказывают на деятельность организации и целом.
Эти стандарты возвели новые преграды перед организациями, стре­мящимися выйти на международный рынок. Сегодня большинство орга­низаций во всем мире стараются удовлетворить минимальные требова­ния, предъявляемые к их бизнес-системам. Лишь некоторые организации исследуют, как процессы, составляющие критические бизнес-системы, вза­имосвязаны между собой и какое влияние оказывают на организацию ин­формационные системы, обеспечивающие маршрутизацию знаний. Мы полагаем, что эта область станет следующим этапом в движении по улуч­шению деятельности организации.


Этот учебник создавался для читателей, обладающих практическим опытом анализа и улучшения критических административных бизнес-про­цессов и связанных с ними систем. Для начала читатель ознакомится с четырьмя подходами к улучшению бизнес-процессов, которые оказались наиболее полезными для радикального совершенствования процессов. За­тем читатель познакомиться с процессом, состоящим из шести фаз, кото­рый ведет к внедрению наилучшего решения (см. Рисунок 0.В).

Рассмот­рим шесть фаз процесса.
Фаза I. Организация: Организация улучшения процесса
Фаза II. Документирование: Выбор подхода
Фаза III. Анализ: Определение возможностей для улучшений
Фаза IV. Проектирование: Проектирование нового административного бизнес-процесса
Фаза V. Внедрение: Реализация решений, направленных в будущее.
Фаза VI. Управление: Управление административными бизнес-про­цессами для постоянного улучшения

Минимизация затрат на хранение путем

Рисунок 0.B Шесть фаз улучшения административного бизнес-процесса
Мы также надеемся, что паша книга поможет вам разобраться в концепции улучшения бизнес-процессов и убережет вашу организацию от совершения ошибок, которые уже были сделаны многими организациями, внедрявшими концепцию улучшения бизнес-процессов.







Предложение по проекту


В предложении по проекту описываются причины инициирования проекта и его цели. Предложение также включает набросок структуры проекта, которая предоставляется команде по управлению проектом. В предложении должны быть выдвинуты рекомендации относительно со­става команды по улучшению процесса и кандидатура лидера проекта.
Обычно планирование предложения по проекту инициируется одним или несколькими сотрудниками.

Предложение по проекту

Рисунок 2.С   Обзор проекта


Основанием для этого может быть любая из следующих причин:
Изменения внутри организации и/или изменение метода управ­ления бизнес-процессами, что отражается на управленческой ин­формационной системе и она более не удовлетворяет существу­ющим требованиям
Требования, которые должны быть переопределены вследствие изменения отношений рынок/конкуренция
Вопросы внешнего бухгалтера в отношении внутреннего контроля административных бизнес-процессов. (Эти вопросы могут быть обусловлены необходимостью схематически изобразить системы внутреннего контроля. С другой стороны, они могут вытекать из желания улучшить внутренний контроль в рамках административных бизнес-процессов)
Требования, предъявляемые к административной организации внешними властями (например, правительством) или оконча­тельные результаты административных бизнес-процессов
Претензии к выполнению процессов, возникшие из-за невыпол­нения заказов в срок, аннулирований, длительного времени до­ставки и т.д.
Потребность в улучшении методов работы (причиной для этого может стать расширение масштаба деятельности, потребность в увеличении производительности или возможность применения информационных технологий)
Требуемое составление описания административных бизнес-процессов как часть проектов компьютеризации

Предложение по проекту пишется перед тем, как принимаются реше­ния относительно структуры проекта и целей фазы. Это означает, что пред­ложение часто пишется будущим лидером проекта или другими сотруд­никами, которые хотели бы быть вовлечены в проект. Основываясь на предложении, руководство решает, будет ли создана и включена в бюд­жет команда по улучшению процесса.
Часто в качестве консультанта или лидера проекта привлекаются вне­шние эксперты. Если эксперт привлекается на ранних стадиях проекта, он может внести свой вклад в разработку проекта и выбор применяемых методов, методик и инструментов. На этом этапе часто назначается экс­перт по процессу.





Предоставление отчета команде по управлению проектом


После проведения обсуждений с отделами и контактными группа­ми команда по улучшению процесса представляет команде по управле­нию проектом окончательный отчет. Кроме результатов анализа отчет может содержать предложения по запуску новых административных бизнес-процессов и описание того, как должны быть изменены существу­ющие административные бизнес-процессы. Эти рекомендации форму­лируются в общих чертах. Команда по управлению проектом должна одобрить эти рекомендации перед окончательным определением изме­нений, которые необходимо внести в существующие процессы и в план запуска новых процессов.
После получения одобрения команды по управлению проектом и рас­смотрения всех заключений и рекомендаций групп в одобренные планы изменений будут занесены данные о всех необходимых приготовлениях для модификации процессов, о выполнении дальнейших детальных изу­чений, о начале новых процессов и т. д. Нa основании этого плана-соглашения команда по управлению проектом сможет отслеживать последовательное выпол­нение мероприятий.

При помощи анализа (который также называют информационный аудит) необходимо достичь понимания одного или нескольких из следующих факторов:
Результативность управления информационными потоками.
Результативность и эффективность файлов данных.
Длительность цикла административного бизнес-процесса, ограниченного по времени его выполнения (эффективность процесса).
Способ, посредством которого различные мероприятия административного бизнес-процесса объединяются в группы.
Результативность и производительность маршрутизации административного бизнес-процесса.
Внутренний контроль, связанный с операциями по обработке данных.
Продуктивность административного бизнес-процесса.
Возможности стандартизации операций.
Наличие дублирования (мероприятий или баз данных) и/или избыточных действий.
Результативность и эффективность используемых инструментов.


Целью анализа может также быть оценка конечных результатов ад­министративного бизнес-процесса. В этом случае может анализироваться эффективность данных по административному бизнес-процессу как часть процесса принятия решений (оценка эффективности управления инфор­мационными потоками). Также могут оцениваться структура калькуля­ции затрат или система финансового планирования.
Помимо факторов, в которых стоит разобраться, необходимо также выбрать одну или несколько из обсуждаемых в этой главе целей анализа. В этой главе вы найдете ограниченное обсуждение использования набора данных как инструмента для выполнения административного бизнес-про­цесса. Целью обсуждения является изучение возможностей комбинации (сочетания) наборов данных. В ходе этого изучения также обсуждаются результаты компьютеризации наборов данных.
Каждый анализ начинается со сбора исходной информации. Эта ин­формация состоит из документации по анализируемому административ­ному бизнес-процессу и документов, являющихся частью документации. Кроме того, важно рассмотреть и другие доступные записи и описания, касающиеся процесса. Важную роль могут также играть различные на­блюдения, сделанные и снабженные комментариями в ходе схематического изображения административного бизнес-процесса. Во-первых, необ­ходимо определить анализируемый административный бизнес-процесс (см. Раздел 3.2). Необходимо начать сбор детальной информации и до­полнение к уже имеющимся исходным материалам. После этого прово­дится анализ.
В ходе сбора детальной информации потребуется использование вы­борок. К примеру, при анализе длительности цикла заказов на закупку не всегда возможно, а порой и просто невозможно использовать все заказы на закупку. Достаточно будет провести случайную выборку среди зака­зов на закупку.
Важно, чтобы человек, выполняющий анализ, обладал полномочия­ми и достаточным опытом для анализа административных бизнес-про­цессов. Эти специальные знания и опыт должны относиться к области целей анализа. Анализ эффективности инструментов, используемых в ад­министративных бизнес-процессах, требует специальных знаний относи­тельно возможностей компьютеризации существующих мероприятий, а также других технологических инструментов. Кроме того, анализ надеж­ности административных бизнес-процессов требует наличия знаний прин­ципов внутреннего контроля и контроля информационных потоков.
В Главе 2 рассматривается, как анализ организационно связан с дру­гими мероприятиями, требуемыми для выполнения проекта (такими как документирование и моделирование процесса). После обсуждения целей анализа (Разделы 4.3 и 4.12), в Разделе 4.13 представлено несколько прак­тических рекомендаций по управлению этими целями. В Разделе 4.2 рас­сматривается вопрос о том, как возникают недостатки в административ­ных бизнес-процессах.





Представление проекта организации


Крайне важно предоставлять информацию о проекте не только лю­дям, вовлеченным в него. Информация о цели проекта, о его структуре, о квалификации команд, о значении проекта для различных подразделе­ний должна распространяться в зависимости от роли, которую другие чле­ны организации играют в процессе принятия решения.
Секретность, окружающая проект, должна быть сведена к миниму­му. Отсутствие надлежащего представления о проекте может привести к внутреннему сопротивлению, срыву сбора информации в ходе проекта и возникновению ненужных волнений.
Не стоит думать, что ним удастся скрыть от сотрудников тот факт, что руководство перепроектирует или осуществляет реинжениринг процессов, в которые они (сотрудники) вовлечены. Стоит хотя бы одному слову просочиться, как линейные менеджеры и служащие начинают пред­ставлять себе самые неблагоприятные варианты. Всегда есть кто-то, кто слышал или читал о том, как перепроектирование процесса снизило чис­ленность работающих на 90%. Скоро поползет слух: «Если вы будете под­держивать этот проект, то только один из десяти сохранит свою работу по окончании внедрения проекта». Такое отношение лишит вас всякой надежды на сотрудничество между служащими и командой по улучше­нию процесса. И как результат, линейные менеджеры и служащие будут рассматривать команду по улучшению процесса как врага, будут возникать сильные подводные течения, единственной целью которых будет доказательство того, что перепроектированный процесс не сможет рабо­тать.
В Европейских организациях обеспечением информирования в рам­ках организации занимается также совет предприятия (работники, орга­низованные в профсоюзы). При осуществлении структурных изменений необходимо провести консультации с этими представителями в соответ­ствии с правовыми требованиями.





Причины дефектов административных бизнес-процессов


Существует тенденция проникновения со временем дефектов в адми­нистративные бизнес-процессы, делая их тем самым менее эффективны­ми или результативными и вызывая определенную неудовлетворенность работой. Причин этого может быть несколько. Вот некоторые из них: Со временем меняются требования, предъявляемые к админист­ративной организации. Эти изменения могут быть вызваны из­менениями в государственном регулировании или изменениями на рынках, которые обслуживает организация. Кроме того, из­менение организационной структуры и связанных с ней обязанпостен приводит к необходимости модифицировать операции по обработке данных.
Изменение факторов, существенных для управления орга­низацией (к примеру, если учет затрат становится важнее уров­ня обслуживания или качества), также приводит к модифика­ции операций по обработке данных. Выбор критических факто­ров успеха и связанных с ними управляющих переменных биз­нес-процессов напрямую влияет на требования, предъявляемые к административной организации (см. также Раздел 5.3.2). В то же время правовые условия и регулирование будут постоянно предъявлять меняющиеся требования к информационной систе­ме (к примеру, в областях секретности и законодательства об охране окружающей среды). Система управления информацией и окончательная настройка административных бизнес-процес­сов будут требовать постоянного регулирования из-за этих фак­торов. Это регулирование можно будет реализовать с помощью изменений или дополнений существующей системы управления информацией. Изменения или дополнения будут применяться к административным бизнес-процессам, наборам данных, инфор­мационным потокам. Поскольку существующая система посто­янно меняется, может сложиться ситуация, когда операции по обработке данных не будут больше удовлетворять требовани­ям, предъявляемым к системе. Это могут быть требования, предъявляемые к системе с точки зрения эффективности, а так­же возникающие в результате изменений результативности, внут­реннего контроля, безопасности и т. д.
Достижения в области автоматизированных офисных проце­дур и оборудования, или в области систем автоматической обра­ботки трансакций. При самом благоприятном стечении обстоя­тельств произойдет последовательная адаптация организации к этим достижениям, выражающаяся в последовательном росте производительности и эффективности. Однако эта адаптация не происходит гладко. Кроме того, не всегда оптимально исполь­зуются различные технические возможности. Таким образом, могут постепенно начать возникать признаки неэффективности и нерезультативности.
Признаки роста автономности. Отдельные лица, определяющие возможности процессов, соответствующее вспомогательное обо­рудование и компьютерные программы, имеют склонность к рас­ширению процессов, поскольку степень престижности и личного удовлетворения, связанного с развитием новой информационной системы, больше, чем стремление к развитию вспомогательных систем.
Сотрудники сами определяют, какие наборы данных должны об­новляться. Под этим часто понимается, что административные бизнес-процессы будут постоянно расширяться и выполнение мероприятия будет занимать больше времени. Кроме того, это может привести к тому, что схожие мероприятия будут выполнять­ся в разных точках организации, приводя к созданию схожих наборов данных, которые должны быть добавлены в систему. Как узнать, что возникли проблемы? Дефекты административных биз­нес-процессов проявляются по-разному. Одним из признаков может быть возникновение задержек при операциях по обработке данных. Задержка может выражаться в увеличении опозданий или увеличении срока выпол­нения заказа, в потере клиентов или в частом использовании дублирую­щих процедур.
Другим признаком нерезультативности может быть подготовка схо­жих отчетов, подводящих итоги одинаковых процедур в разных точках организации. К примеру, руководство одним нефтепроводом получает три разные цифры относительно количества баррелей нефти, доставляемою каждый день на их склады. Помимо этого, данные разных отчетов полу­чаются на основании разных наборов данных, что подразумевает приме­нение разных исходных допущений и определений. Это приводит к появ­лению ненужного дублирования. Кроме того, процесс обновления раз­личных наборов данных одинаковыми данными является деятельностью, ие добавляющей ценности.
Недостатки могут проявиться в существовании информационной си­стемы, производящей недостаточно используемую оперативную инфор­мацию. Это становится очевидным в том случае, когда пользователи либо немедленно отбрасывают полученную информацию, либо накапливают, но никогда больше не используют. Иногда это относится ко всей получа­емой информации, а иногда только к ее части или части отчета. Подтвер­ждением этого может быть то, что менеджеры тратят много времени на дополнительную обработку информации или на анализ отчетов.
Недостатки могут также появляться из-за того, что информация не была удалена из базы данных после окончания срока ее полезной служ­бы. Эта избыточная информация без необходимости увеличивает базу данных, делая ее более усложненной и требующей много времени на про­ведение анализа.
Другим признаком существования недостатков может быть введение нелогичных количественных связей. К примеру, эта связь может быть меж­ду административными продуктами, производимыми отделом (наклад­ные, уведомления, записи в компьютерной главной бухгалтерской книге и т. д.) и рядом сотрудников отдела. Эти недостатки могут также про-

явиться, если затраты па обработку данных будут расти без адекватного роста производства.
Полное понимание результативности или эффективности админист­ративных бизнес-процессов может быть достигнуто только путем прове­дения соответствующего анализа самих процессов. Эти ключевые меры определяют важнейшие характеристики, относящиеся к административ­ным бизнес-процессом. Учитывая бесконечное количество возможных причин неэффективности и нерезультативности в большинстве процессов, должно быть понятно, что компьютеризация не предлагает решения всех наблюдаемых проблем. Несмотря на то что компьютеризация может предложить организации некоторые меры, которые помогут решить, со­ответствует ли функционирование процессов ее ожиданиям, обычно ком­пьютеризация не может определить коренные причины несоответствия ожиданиям. Это еще раз подчеркивает важность тщательного анализа и соответственно критической оценки административных бизнес-процес­сов (см. Рисунок 4.В).






Принципиальная схема административного бизнес-процесса


Принципиальная схема разработана для представления сути адми­нистративного бизнес-процесса, системы или всего предприятия. Важно отметить, что эта схема компактно и понятно представляет необходимые или наиболее важные факторы.
При схематическом изображении основных факторов администра­тивного бизнес-процесса факторы, которые должны быть изображены в схеме не должны определяться заранее. Это может быть свободная схема, поскольку не существует установленной модели, общей для каждой сле­дующей схемы. Таким образом, в принципиальной схеме могут быть пред­ставлены все факторы, однако каждая схема должна ограничиваться при­близительно четырьмя факторами. Принципиальная схема администра­тивного бизнес-процесса также обсуждается в Приложении II.





Проведение анализа


Роль, которую сотрудники (члены команды по улучшению процесса, контактных групп и административные сотрудники) играют в проведе­нии анализа, сильно зависит от выбранного направления анализа. Край­не важно вовлечь в анализ соответствующих административных сотрудников. Административными сотрудниками являются те люди, на кото­рых отразятся изменения. Они находятся близко к выполняемым мероп­риятиям и могут внести полезные предложения. Кроме того, вовлечен­ность на ранних стадиях людей, выполняющих отдельные мероприятия, облегчает внедрение грядущих изменений. Таким образом, команда по улучшению процесса должна убедиться в наличии необходимого уровня вовлеченности. Это можно обеспечить, если члены команды по улучше­нию процесса, основываясь на результатах проведенного ими анализа, выберут ряд тем для обсуждения и проведут такое обсуждение с соответ­ствующими сотрудниками. На основе этих обсуждений команда по улуч­шению процесса может подготовить проект отчета, в котором будут от­ражены сделанные выводы.






Разработка набора методик документирования


В этой книге мы не сможем охватить все методики, используемые на практике. В Разделе 3.9. обсуждается 10 наиболее важных методик. Этот набор методик может удовлетворить большую часть целей документиро­вания административных бизнес-процессов.
В Разделе 3.7. обсуждается, какие критерии играют роль при выборе методики документирования. Кроме связей между целями и методиками, ограничивающими факторами также являются удобство для пользовате­ля, существующий опыт, удобство эксплуатации, интенсивность труда и субъективные соображения. В дальнейшем удобство для пользователя, существующий опыт и субъективные соображения обсуждаться не будут. Эти критерии различаются в разных случаях и должны определяться для каждой конкретной ситуации. К удобству эксплуатации и интенсивности труда мы обратимся при обсуждении отдельных методик (см. Раздел 3.9. и Приложения 1-Х).
Данное исследование ограничивается рассмотрением связи между це­лями и методиками документирования. Цель документирования админи­стративных бизнес-процессов определит, какая методика будет исполь­зоваться. В зависимости от цели, ради которой проводится документиро­вание, должны быть определены факторы и уровень детализации.
Для выбора подходящей методики документирования (или их ком­бинации), необходимо определить, какие факторы и уровень детализа­ции могут быть представлены выбранной методикой документирования. Ответ на эти четыре вопроса поможет вам лучше разобраться в вышеска­занном.

Какие факторы и какой уровень детализации должен быть пред­ставлен для достижения цели?
Какие аспекты и какой уровень детализации могут быть представлены с помощью выбранной методики документирования?
Какие методики документирования подходят для каких целей?
Какие методики документирования могут быть скомбинирова­ны (набор методик документирования)?
Какие факторы и какой уровень детализации должен быть представлен для достижения цели

Число выбранных целей может оказаться так велико, что полный и систематический анализ не принесет никакой пользы. Следуя выводам, сделанным в Разделе 3.3, цели, направленные на анализ административ­ных процессов, оказываются наиболее подходящими для дальнейшего изучения. Формулировки цели «понимание», «передача знаний» слишком широки для определения того, описание каких конкретных факторов тре­буется. В действительности, каждый фактор (комбинация факторов) мо­жет быть нацелен на понимание и передачу знаний. Однако если опреде­лены желаемые факторы понимания и передачи знаний, то можно с помо­щью Рисунка 3.В определить подходящую методику документирования.

Анализ административных бизнес-процессов направлен на изучение:
результативности управления информационными потоками
результативности и эффективности файлов данных
ограничения по времени и длительность цикла
отношения задач и функций к административным бизнес-про­цессам
результативности и эффективности маршрутизации административных бизнес-процессов
точности, основательности и надежности операций по обработке данных
эффективности административных бизнес-процессов
возможностей стандартизации
дублирования и избыточных процедур
результативности и эффективности применяемых инструментов (см. Раздел 4.1.3 об отношениях и установлении приоритетов це­лей анализа)


Разработка набора методик документирования

Рисунок 3.В   Выбор методик документирования

На Рисунке 3. С перечислены факторы, которые должны быть представлены для конкретной цели анализа. Буква d обозначает, должен ли фактор описываться детально. Буква g обозначает, что достаточно общего описания фактора. Факторы, перечисленные в Рисунке 3.С, обсуждаются в Разделе 3.4.





Разработка проекта


При разработке проекта дополнительно определяются структура про­екта, методы, методики и инструменты, которые будут использованы в проекте.
Определение структуры проекта связано с созданием и объединени­ем команды по улучшению процесса и контактных групп. Обсуждение времени, которое отдельные сотрудники могут потратить на участие в проекте, условий включения и проект сотрудников, дальнейшее совер­шенствование структуры совещаний (периодичность, обсуждаемые вопросы и т.д.) могут оказать значительное влияние на организацию коман­ды по улучшению процесса.. Замена процесса может также привести к фор­мированию команды по улучшению процесса.
Большое внимание уделяется отношениям между различными мето­дами и важность методов для целей проекта. В то же время определяются все процессы, которые должны быть описаны, проанализированы и/или развиты. Наконец, для каждого административного бизнес-процесса не­обходимо определить, какие отделы и люди будут вовлечены в процесс. Практически это может быть сделано с помощью матрицы, где на пе­ресечении линий отделов и процессов ставятся условные символы.
Одним из элементов разработки процесса является выяснение отно­шений между проектом по улучшению бизнес-процессов и другими про­ектами, с ним связанными. В этих случаях подготавливается глобаль­ный план процесса, который представляется команде по управлению проектом.





Реинжениринг процесса


Реинжениринг процесса - наиболее радикальный из всех четырех подходов к улучшению бизнес-процессов. Его также часто называют инновацией процесса, поскольку его успех в основном основывается па инновациях и творческих способностях команды по улучшению процесса. В некоторых организациях этот подход называют «Анализ общей картины» или «Разработка нового процесса». Мы предпочитаем термин «Разработка нового процесса», поскольку этот подход аналогичен тому, который организация использует при первоначальной разработке процесса. Такой подход обеспечивает свежий взгляд на цели процесса и полностью игнорирует существующий процесс и структуру организации. Все начинается с чистого листа бумаги, также как если бы вы только начинали разрабатывать этот процесс.
Реиижениринг процесса, если его проводить правильно, снижает затраты и длительность цикла на 60-90% и уровень ошибок на 40-70%. Данный подход очень полезен в тех случаях, когда процесс к настоящему моменту настолько устарел, что не стоит даже пытаться его сохранить или воздействовать на него посредством BFSS. Реинжениринг процесса является правильным шагом для 5-20% основных процессов, протекающих в рамках организации. Если вы решите, что данный подход будет полезен для более чем 20% основных процессов, это должно крайне обеспокоить организацию, так как может быть сигналом того, что основная проблема синзана с управлением в самой организации. Проблема управления должна решаться в первую очередь, перед тем как значительные усилия будут направлены на улучшение процесса, который будет утвержден.
Данный подход позволяет Команде по Улучшению Процесса максимально приблизить его к идеалу. Команда по Улучшению Процесса отходит назад и оглядывает процесс свежим взглядом, задавая себе вопрос, как бы она спланировала этот процесс, если бы не было никаких ограничений. Подход использует возможности, предоставляемые доступными инструментами процесса, включая самые последние достижения в области механизации, автоматизации и информационных технологий и одновременно улучшает эти инструменты. Часто этот процесс стимулирует команду по улучшению процесса к разработке принципиально нового проекта процесса, который становится настоящим прорывом.
Реннжениринг процесса обеспечивает максимальные улучшения, но, тем не менее, остается наиболее дорогостоящим из всех подходов к улучшению бизнес-процессов и требует много времени. С ним связана также наибольшая степень риска. Часто подход реинжениринга процесса включает в себя организационную перестройку и может быть крайне разрушительным для организации. Большинство организаций могут единовременно эффективно внедрять не более одного изменения такого масштаба.

Подход реинжениринга процесса для реализации BFSS состоит из четырех задач
Задача № 1. Анализ общей картины
Задача № 2. Теория единиц (of ones)
Задача № 3. Имитация процесса
Задача № 4. Моделирование процесса



Первое знакомство с CorelXARA 2

Рекомендации по использованию методик схематического изображения


В Разделе 3.9 при обсуждении отдельных методик схематического изображения будут представлены требования, предъявляемые к каждой методике. Несмотря на то что существуют большие различия между от­дельными методиками, все же можно дать несколько общих рекоменда­ций, которые подходят для всех методик схематического изображения.
Количество факторов, отражаемых в одной схеме, должно быть ограничено. Избыточное количество факторов усложняет схему. Желательно, чтобы число факторов не превышало максимум четырех-пяти. Если факторов больше, то предпочтительней ис­пользовать комбинацию нескольких методик схематического

изображения. Крайне важно заранее определить, какие факто­ры будут представлены в схеме. Документация должна также ограничиваться этими факторами.
Документация должна ориентироваться на нужды пользователя. В зависимости от опыта работы пользователя с определен­ной методикой схематического изображения методика может быть более или менее подходящей для пользователя. В некото­рых случаях, когда необходимо провести документирование одних и тех же процессов с помощью различных методик схема­тического изображения, каждая из них направлена на различ­ные группы пользователей. В качестве руководящих указаний: число деталей, с которыми выполняется документирование, дол­жно возрастать на нижних уровнях до уровня инструкций для изображаемой организации (к примеру, процесс можно описать, исходя из того, как взаимосвязаны мероприятия, и схема пото­ка мероприятий также представлена на другой картине, кото­рая следует за информационным потоком - схема информаци­онного потока).
Документация должна быть как можно более удобна для пользо­вателя. Удобство схемы для пользователя определяется исполь­зованием текста, четкой организацией, эффективным располо­жением и наглядностью.
Использование символов должно быть ограничено, особенно для менее опытных пользователей. Если пользователи обладают не­ достаточным опытом работы с определенной методикой, то разумно использовать меньшее количество символов. В качестве руководящих указаний для неопытного пользователя: работа с восемью-десятью символами не является недостатком. Симво­лы должны быть легко различимы и должны быть оформлены в одном формате. Иначе у человека, читающего схему, может сложиться впечатление, что символ, имеющий другой формат, имеет другое значение. Следует стараться придерживаться еди­нообразия при использовании символов. Постарайтесь так­ же работать с символами, которые говорят сами за себя.
Текст в схеме обеспечивает ясность, однако избыток текста нежелателен. Текст часто выполняет вспомогательную функцию по отношению к нарисованным схемам. Как только объем тек­ста угрожает подавить саму схему, он должен быть помещен от­дельно как приложение или дополнение.
Схемы должны быть попятно и наглядно организованы. Четкое наглядное размещение схемы обеспечит ее доступность.
Схемы должны как можно ближе придерживаться одного фор­мата. Поскольку схемы, нарисованные в одном формате, могут храниться одинаково, это может привести к снижению издер­жек. По этим причинам для схем рекомендуется использовать формат А4 (Европейский формат бумаги: 21x25 см).
Схемы должны читаться слева направо сверху вниз. Должны легко отслеживаться линии, соединяющие символы. Следует из­бегать пересекающихся линий. Должны использоваться только горизонтальные и вертикальные линии.
Документ должен содержать легенду (условные знаки и поясне­ния). Символы, используемые в схеме, должны быть объяснены в легенде.






Результативность и эффективность файлов данных


В этом разделе особое внимание будет уделено оценке результатив­ности и эффективности создания, обновления и использования файлов, а также созданию и дальнейшему использованию документов. В отноше­нии оценки результативности и эффективности используемых файлов ре­комендуется проводить различие между:
Файлами, хранящимися в оборудовании по обработке данных. Могут включать в себя файлы, хранящиеся в больших централь­ных компьютерах (ЭВМ) и доступные (или недоступные) пользо­вателям через терминалы, а также файлы, хранящиеся в микро­компьютерах.
Ручными картотеками. Включает в себя все массивы (файлы), которые могут быть обновлены вручную и в которых информа­ция располагается в определенных формах для удобства адми­нистративных бизнес-процессов (к примеру, в форме систем кар­точек или наборов форм, которые могут быть использованы пер­сональными компьютерами).
Наборами документов для хранения. Под данную категорию под­падают наборы документов, которые первоначально создаются и сохраняются для целей накопления (к примеру, для удовлетво­рения требований, предъявляемых законом). Иногда из них мо­гут появиться вещи, полезные для административных бизнес-про­цессов.
К оценке применения файлов можно подходить с двух различных позиций: с позиции настройки отдельных файлов и с позиции настройки всех файлов, используемых одним или несколькими административными бизнес-процессами.






Роль информационной технологии в улучшении административных бизнес-процессов


В 70-е - 80-е годы информационные технологии использовались как двигатель процесса, который придавал новую форму нашим бизнес-процессам, основанным на программах информационных технологий и доступном оборудовании. Это привело к внедрению большого количества новых систем на базе информационных технологий, которые никогда не приносят обещанных результатов. В 90-х годах нашего века информационная технология используется скорее как инструмент, чем как движущая сила процесса. Организации определяют и улучшают спои процессы перед тем, как начать применение информационных технологий для оптимизации общих показателей деятельности процессов. Этот подход перекладывает ответственность за процессы и системы с плеч менеджеров информационных систем на плечи линейных менеджеров, где она и должна быть всегда.
Применение информационной технологии как инструмента, а не движущей силы процесса значительно увеличивает прибыль на инвестированный капитал, зачастую даже до 1000%.

Административная система управления информацией (также называемая административной организацией или системой управления информацией) основывается на:
Информации, требуемой для выполнения различных функций на стратегическом, тактическом и оперативном уровнях
Требованиях к качеству информации в плане актуальности, надежности, представления и эффективности: рамки качества информации
Требованиях внутреннего контроля и специфических процедурах, необходимых для получения надежной информации

Эти требования формируют основу для разработки информационной системы. Эта система будет по необходимости состоять из структурированных данных об окружающей среде и комплекса организационных процессов, которые вместе и составляют информационную систему. Для целей этой книги разделены данные и знание архитектуры процесса, хотя на практике они неразделимы и должны развиваться сообща и одновременно.
Отдел информационных систем является, или по крайней мере должен являться, вспомогательным отделом. Обычно считается, что этот отдел не добавляет реальной ценности. Скорее считается, что результат работы отдела информационных систем увеличивает коммерческую ценность, а иногда вообще не добавляет ценности. Однако это совсем не значит, что он не важен. На самом деле, этот отдел является неотъемлемой частью организации, который помогает превращать данные в информацию.







Схема инструкций


Схема инструкций предназначена для того, чтобы обеспечить сотруд­никам организации понимание административных мероприятий и инст­рукций, которые должны выполняться и которым необходимо следовать. Схема инструкций - особая часть инструментов по передаче знаний. Схе­матически изобразить функцию коммуникации достаточно сложно, по­скольку каждая инструкция может подходить только для одной цели, и она не должна быть двусмысленной или оставлять простор для вообра­жения.
Схема инструкций позволяет изобразить большее количество факто­ров, чем любая другая методика схематического изображения. Помимо процедур (глобальных и детальных), формы и отделы могут быть описа­ны в тексте или в специально предназначенной для этого колонке факто­ров схемы, таких как крайние сроки, периодичность и применяемые ме­тодики. Схема инструкций также обсуждается в Приложении VII.





Схема обращения форм


Схема обращения форм предоставляет информацию по использова­нию и маршруту движения форм административного бизнес-процесса. Эта схема в общем рассматривается как связанная. Схема устроена таким об­разом: обращение форм изображено с помощью символов и форм, сгруппированных в разных колонках по отделам или сотрудникам. Процедуры обозначаются символом, близким к форме, на основе которой выполня­ется соответствующая процедура. Схема обращения форм особенно под­ходит для развития понимания административного бизнес-процесса. Схе­ма обращения форм необходима для анализа маршрута движения, адми­нистративно-организационной функции и структуры задачи, точности, основательности обработки данных в организации. В схеме акцент дела­ется на обращение форм, общую презентацию действий, относящихся к каждой форме и действиям в различных отделах. Этот последний фактор может быть особенно важен, когда в организации проводится анализ раз­деления задач и функций.
Схема обращения форм выделяет ряд других факторов. Хотя могут быть представлены действия, относящиеся к каждой форме, эти описания мероприятий ограничены (к примеру, сравнительные, контрольные, раз­делительные и соединяющие формы). Методика не позволяет осуществ­лять дальнейшую детализацию этих действий (хотя можно указать, что накладная сравнивается с формой заказа, невозможно указать, какие ча­сти форм сравниваются). Факторы времени, периодичности, географического месторасположения и используемой методики в схеме не приводят­ся. Схема обращения форм также обсуждается в Приложении IX.





Схема организационной структуры


Схема организационной структуры обеспечивает понимание струк­туры организации. Схема фокусирует внимание на формальных отноше­ниях между отделами. Эти отношения могут быть по своей природе как иерархическими (полномочия), так и функциональными (правила и ру­ководящие указания).

Схема организационной структуры не годится для представления административного бизнес-процесса. Схема служит исходной информацией об административных бизнес-процессах и направлена на достижение понимания.
Схема организационной структуры может использоваться для раз­личных целей анализа, таких как анализ административно-организаци­онной функциональной структуры и структуры задач. Схема организа­ционной структуры эффективно представляет факторы месторасположе­ния организации и отношений между отделами и отдельными сотрудни­ками. Схема организационной структуры также представлена в Прило­жении I.





Схема управления формами


Схема управления формами показывает использование и маршрут движения форм административного бизнес-процесса. В этом контексте не следует рассматривать концепцию форм слишком узко. Она часто оказы­вается необходимой для описания маршрута движения и использования всех видов документов. Кроме форм сюда можно также включить книги, предметные указатели, регистры, компьютерные распечатки, информа­цию с экрана, всевозможные технические инструменты, фотографии, зву­ковоспроизводящие устройства, световые сигналы и коммутаторы. Схе­ма управления формами также известна как схема «крестики-нолики».
Схема управления формами относится к категории связанных схем. Целью этого анализа может быть эффективное и производительное ис­пользование форм. Схема демонстрирует, как формы обращаются внут­ри отделов, какие формы (копии форм) избыточны, какие файлы данных находятся в процессе развития, какие из этих файлов значащие, а какие нет. Представление соответствующих каждой форме процедур или рабо­чих инструкций также дает возможность для проведения анализа сущно­сти этих процессов и определения того, какие процедуры дублируются, какие отсутствуют и как различные процедуры сгруппированы по отде­лам и сотрудникам. Последовательность процедур и их связи, докумен­тооборот, отделы и конкретные сотрудники могут быть представлены очень детально. Схема управления формами также обсуждается в Прило­жении VIII.





Система


Система


Рисунок 1.В Группировка системы

(В конце этой главы приведен список типичных административных бизнес-процессов.)
Улучшение производственных бизнес-процессов направлено на совершенствование процессов, связанных с производством товаров и услуг, таких как, к примеру, производство лодки или прохождение чека в банке. Улучшение административных бизнес-процессов направлено на совершенствование всех вспомогательных процессов, таких как разработка нового продукта, обработка заказов и расчеты с кредиторами.






Согласование культуры организации


Насколько изменения согласуются с существующей организационной культурой? Насколько согласуются существующие системы поощрений, признания заслуг, управления деятельностью, компенсаций, найма работ­ников и механизмов коммуникаций с целями изменений?
Внутренние и внешние события в организации
Насколько организация готова к перелому в экономическом разви­тии, изменениям на рынке, изменениям правил, изменениям в лидирова­нии, к слиянию/поглощению и к спаду, которые происходят в отрасли? Что может произойти в ближайшем будущем и как это может отразиться на внедрении изменений?
Структура внедрения
Насколько подробны планы и структуры поддержки управления людьми, процессом и технологическими целями?






Составление детального плана проекта


Детальный план проекта может составляться па основе полученных ранее данных. Для этой цели рекомендуется использовать стандартные формы. План должен отражать работу различных сотрудников и возможных инструментов как всего проекта в целом, так и его отдельных частей. Для различных частей указываются крайние сроки. Мероприятие завершается предоставлением отчета команде по управлению проектом. Ко­манда по управлению проектом должна одобрить отчет до начала следу­ющей фазы.
Разработка плана управления организационными изменениями
В ходе Фазы 1 должен быть подготовлен план управления opганизационными изменениями, связанными с переменами в управлении, кото­рые должны произойти в течение Фаз II - IV. По ходу продвижения про­екта в план будут добавляться детали, связанные с изменением управления.





Субъективность


Субъективные соображения также играют роль при выборе методи­ки документирования. Субъективные соображения - определенное исполь­зование знаний по какой-либо методике документирования. Существуют также и не совсем рациональные причины, такие как «одна методика до­кументирования просто лучше, чем другая». За этими соображениями часто прячутся другие причины.

Для иллюстрации представлен пример организации, в которой суще­ствует определенная путаница между пятью отделами (такими как отдел внутрифирменного учета, вычислительный центр, административный отдел, организационный отдел и отдел кадров). Эта путаница возникает из-за того, что во всех отделах используются одни и те же методики доку­ментирования, но каждый отдел работает с разными символами.





Свободные схемы


Свободные схемы не связаны заранее установленными правилами в отношении формата и особенно удобны, поскольку они дают пищу для размышлений, компактны и могут эффективно передавать знания для обеспечения быстрого понимания. Обычно свободные схемы включают в себя несколько символов. Акцентировать внимание на существенных фак­торах можно путем опущения менее важных аспектов.
Классификация и использование символов определяются разработ­чиком, следовательно, читатель должен ознакомиться с характеристи­ками методики, применяемой в каждой схеме. В этом случае существует опасность того, что схема, абсолютно понятная разработчику, будет не­понятна читателю, если нет дальнейших пояснений. Свободные схемы подходят для иллюстрирования или разъяснения текстов или пояснений. Трудно понять основной смысл схемы, если к ней не приложен текст с пояснениями. При создании свободной схемы каждый разработчик дол­жен постоянно задавать себе следующие вопросы:






Связанные схемы


Для связанных схем формат, классификация и используемые симво­лы описываются заранее. Схема разбита на несколько вертикальных и горизонтальных колонок (столбцов и строк), в которых представлены кон­кретные сотрудники, документы, информационные каналы и процедуры. Связанная схема является эффективным средством для описания и анали­за административных бизнес-процессов, поскольку построение вынуждает ее тщательно описывать представленные (существующие) аспекты. Осо­бенно важно работать с заранее предопределенными и принятыми мето­диками в проектах, в которых занято большое количество людей.
Примерами связанных схем являются схемы управления и обраще­ния форм, а также схема системы бухгалтерского учета.
Однако метод, которым определяются спецификации и правила, го­раздо более важен, чем разница между свободными и связанными схема­ми. Он может варьироваться от твердой договоренности (заданное ис­пользование языка, заданные символы, твердо установленная классифи­кация, использование стандартных форм) до полного отсутствия каких-либо договоренностей.





Трудоёмкость


Понятие трудоёмкости тесно связано с количеством усилий, необ­ходимых для разработки и поддержки процесса. Если описание процес­са при помощи некоторой определенной методики документирования занимает больше времени, ее считают менее привлекательной. Трудоём­кость - это фактор, который не следует недооценивать. Некоторые ме­тодики так просты и убедительны в отношении материально-техническо­го снабжения, что могут быть использованы в ходе интервью в качестве метода условных обозначений (см. Приложение VII). В качестве примера можно привести схемы иерархического обзора и схемы управления фор­мами. Другие методики дают желанную картину только после проведе­ния неоднократной перегруппировки.






Удобство для пользователя


Термин «удобство для пользователя» достаточно широко использу­ется в информационных системах. При развитии систем слово обознача­ет стремление к представлению конечным пользователям результатов и продуктов системы наиболее понятным (и приемлемым) способом. Это представление совершенствуется как можно чаще посредством методик документирования, которые обеспечивают пользователям адекватное по­нимание принципа, причем без особых усилий (то есть нет необходимос­ти в изучении специальных методик документирования и в детальном знании терминологии, используемой экспертами в вычислительной тех­нике).

В рамках этой книги принцип «удобство для пользователя» имеет второе значение: методика, которая проста как для составителя докумен­та, так и для пользователя, который будет ее применять. Однако стоит обратить внимание на тот факт, что то, что просто для одного человека, может быть сложно для другого.
Для составителя документа степень удобства методики зависит от ско­рости ее освоения, от скорости документирования процесса и от вклада методики в создание систематической и полной документации.
Для пользователя, изучающего документацию, удобство для пользо­вания будет определяться усилиями, которые необходимо затратить на понимание документации. Как только документация становится слиш­ком сложной, содержащей слишком много технических подробностей, или требует специальных знаний, пользователь теряет интерес к ее содержа­нию. К документации, приходящей из других отделов или направлений, которые используют другие методики, обычно заранее формируется не­гативное отношение. Крайне важно, чтобы документация была удобна для пользователя в первую очередь использованием терминов, с которы­ми он уже знаком (также см. Раздел 3.8.2).






Удобство эксплуатации


Очевидно, что легкость изменения существующей документации так­же является критерием выбора методики документирования. Как указа­но в Разделе 3.9, одни документы изменяются достаточно просто, в то время как для других это может оказаться достаточно сложно. Для цело­го ряда методик документирования незначительные изменения могут при­вести к необходимости корректировать большую часть документации.
Во многих организациях изменения могут затронуть организацион­ную структуру и сопроводительную документацию. Требование, чтобы схема организационной структуры постоянно отражала точную, реаль­ную ситуацию, является практически невыполнимым. Не удивительно, что в некоторых организациях перегруппировка организационной схемы ав­томатизирована с помощью специальных программ.





Улучшение административных бизнес-процессов


Во время первой волны мероприятий по улучшению деятельности в 70-х, 80-х годах основная часть проведенной работы была направлена ни снижение уровня дефектов на миллион изделий и максимизация эффективности производственных процессов. Во время второй волны мероприятий по улучшению деятельности большая часть усилий была направлена на улучшение административных бизнес-процессов. Методологии улучшения бизнес-процессов фокусирует внимание на улучшении административных и вспомогательных процессов, а не на производственных процессах, хотя концепции также хорошо применима и к производственным процессам. Эта книга сосредоточит свое внимание на административных и вспомогательных процессах. Рисунок 1.А изображает иерархию процесса.
Определение   Процесс - логичный, последовательный, взаимосвязанный набор мероприятий, который потребляет ресурсы поставщика, создает ценность и выдает результат потребителю.
Основной процесс - процесс, обычно включающий в себя несколько функций в рамках организационной структуры и выполнение которого оказывает значительное воздействие па функционирование организации. В случае, если основной процесс оказывается слишком сложным для изображения и виде блок-схем па уровне мероприятий, он часто разбивается на подпроцессы.







Улучшение бизнес-процесса


Определение   Организация - любая группа, компания, корпорация, подразделение, департамент, завод или отдел сбыта.
Концентрация усилий на улучшении бизнес-процессов проникла в самые отдаленные уголки организаций. Концепция и методы улучшения бизнес-процессов направлены на осуществление крайне быстрого, «прорывного» улучшения в рамках единичного бизнес-процесса. Работа по улучшению бизнес-процессов начинается с концентрации внимания па определении, понимании и улучшении мероприятий, протекающих и рамках основных процессов. Улучшение бизнес-процессов приводит в целом к снижению затрат, длительности цикла и уровня ошибок.

Концепция улучшения бизнес-процессов основывается на четырех подходах:
Методика быстрого анализа решения (FAST)
Бенчмаркинг процесса
Перепроектирование процесса
Реинжениринг процесса

Определение   Улучшение бизнес-процесса - это методология, разработанная для проведения пошаговых усовершенствований административных и вспомогательных процессов при помощи подходов, таких как методика быстрого анализа решения, бенчмаркинг процесса, перепроектирование и реинжениринг процесса.






Улучшенные показатели деятельности


Что будет делать организация с излишками (людей, пространства, времени и т.д.), которые появятся в связи с внедрением наиболее ценного нацеленного на будущее решения, как служащие отреагируют на это, ка­ким образом организация будет избавляться от этих излишков? Не жди­те, что менеджеры и служащие будут вносить творческие идеи, если эти предложения могут привести к сокращению их самих или их друзей.
Одним из ключевых решений команды по улучшению процесса в данной ситуации является решение об уровне детализации (необходимые инвестиции), соответствующий ответам, полученным на предыдущие воп­росы. Возможности ранжируются от минимальной оценки (члены коман­ды сами дают субъективные ответы на эти вопросы) до широкого интер­вьюирования с использованием контактных групп, оценкой сильных и слабых сторон предыдущих внедрений и тому подобное.
Степень необходимых изменений (количество обманутых ожиданий и изменений статуса кво) должна играть определяющую роль при приня­тии решений относительно вложений в исследования, которые необходи­мо осуществить. Компетентные консультанты, внешние и внутренние, должны иметь необходимый опыт работы и доступ к различным, имею­щимся в распоряжении инструментам для проведения тщательной оцен­ки в указанное время.

Возможности включают в себя:
Оценка готовности к изменениям
Оценка упорядоченности организации


ОЦЕНКА ГОТОВНОСТИ К ИЗМЕНЕНИЯМ. Возможность изменений создастся при помощи:
Обзора опыта организации по внедрению изменений
Проектирования воздействия изменений
Обзора сопротивления, культуры, синергизма, спонсоров, запас изменения и оценка приоритетов организации

ОЦЕНКА УПОРЯДОЧЕННОСТИ ОРГАНИЗАЦИИ. Эта оценка деталь­но рассматривает текущее состояния в свете будущей ситуации в области организационной структуры, пособий, привилегий и поощрений, управ­ления деятельностью, коммуникаций, использования людских ресурсов, образования и подготовки. Команда по улучшению процесса должна подготовить план управления организационными изменениями, который обеспечивает поддержку всех фаз улучшения бизнес-процессов.

План дол­жен соответствовать информации, полученной при оценке и, как мини­мум, включать:
карты ролей
отчет по анализу инструментов и барьеров
план информирования об изменениях
план изменения коммуникаций
анализ коммуникаций


КАРТА РОЛЕЙ. Карта ролей идентифицирует и описывает отношения между основными группами контрагентов (спонсорами, сторонниками, агентами и людьми, подвергаемыми изменениям), на которые окажут вли­яние изменения.

Карта ролей также идентифицирует отдельных менедже­ров всех уровней, поддерживающих (не поддерживающих) изменения и людей, выполняющих следующие ключевые роли:
Спонсор-инициатор
Поддерживающий спонсор
Агент изменений
Люди, подвергаемые изменениям (объекты изменений)
Сторонник изменений

Спонсор-инициатор - человек (группа людей), обладающий полномочиями для внесения инициативы и придания закон­ной силы изменениям для всех людей в организации, кото­рых эти изменения затронут.
Поддерживающий спонсор - человек (группа людей) поли­тически, логистически или экономически близкий к людям, которые в действительности должны измениться.
Обычно мы считаем, что спонсоры-инициаторы, :
это топ-менеджеры, а поддерживающие спонсоры,
это менеджеры среднего звена, что не всегда обязательно.
Часто спонсорами могут быть люди, не обладающие реальной властью, но оказывающие значительное влияние в результате их взаимоотношений с людьми, подвергающимися изменениям, нa людей, знания или власть.
Агент изменений - человек (группа людей), ответственный за внедрение изменений. Ответственность передается ему под­держивающим спонсором или сторонником изменений. Хотя агенты могут и не обладать полномочиями придания изме­нениям обязательной силы и для мотивирования членов орга­низации к изменениям, они, конечно, несут ответственность за то, чтобы это произошло.
Человек, подвергаемый изменениям (объект изменений) это человек (группа людей), который должен действительно из­мениться. Слово «объект» ничуть не умаляет достоинства людей. На самом деле, это скорее указатель того, куда необ­ходимо направить ресурсы в рамках определенного проекта для достижения успехов в изменениях.
Сторонник изменений - человек (группа людей), который желает изменений, но ему не хватает спонсорской поддерж­ки. Его роль состоит в консультировании, влиянии и лобби­ровании, направленном на поддержку изменений и помощи поддерживающему спонсору в фокусировке на изменениях.
Команде по улучшению процесса необходимо определить роль каж­дого отдельного человека, на которого окажет воздействие направлен­ное на будущее решение. В создании карты ролей может помочь фор­мальная организационная структура. Карта ролей представляет общую картину организации, которая выявляет слабые стороны процесса из­менений. Она также определяет необходимость подготовки и необходи­мый уровень квалификации для каждого члена организации.


Люди, вовлеченные в процесс изменений, часто одновременно выпол­няют несколько ролей, эти роли часто меняются по мере прохождения раз­личных фаз улучшения бизнес-процессов. К примеру, менеджер среднего звена может быть объектом изменений до тех пор, пока не станет частью наиболее ценного нацеленного на будущее решения, которая относится к его организации. Как только руководители среднего звена начнут пони­мать и соглашаться с необходимостью внедрения изменений, они могут стать поддерживающими спонсорами. Тот же менеджер среднего звена в то же самое время станет сторонником изменений для другого менеджера среднего звена, выполняющего другие функции.
Как только карта ролей составлена, она должна быть представле­на для обзора и одобрения людям, которые выполняют роли иниции­рующих или поддерживающих спонсоров, сторонников изменений или агентов изменений. Каждому из этих людей должна быть обеспечена со­ответствующая подготовка для ясного понимания ими своих ролей. (При­мечание: этот подход основывается на Организационном Развитии ре­сурсов и процессах изменения E&Y). На Рисунке 2.I. Мисс А является инициативным спонсором. Она одобряет и финансирует проект и прида­ет процессу обязательную силу. Как Спонсор-инициатор, она отвечает за превращение Мисс В, Мистера С и Мистера D из людей, подвержен­ных изменениям, в поддерживающих спонсоров и за обеспечение того, чтобы эти три поддерживающих спонсора не стали «черными дыра­ми». «Черные дыры» - люди, которые потребляют информацию, но не реагируют на нее и не распространяют ее. Мы все видели менеджеров, действующих как «черные дыры». К ним приходят большие объемы ин­формации, но они не используют ее эффективно для обеспечения того, чтобы проект был завершен вовремя, по графику и чтобы ей воспользо­валась та часть организации, за которую они несут ответственность.
Мисс А должна убедить Мистера D действовать в качестве сторон­ника изменений по отношению к Мистеру С. В этой роли Мистер С пос­ледовательно поддерживает изменения и подготавливает людей, подвер­женных изменениям 4, 5 и 6 к принятию и участию в изменениях. Мистер X оказывает ту же услугу Мисс В. Заметьте, что Мисс Е, агент изменений, не обладает организационными полномочиями для воздействия на лю­дей, подверженных изменениям, она очень неэффективна в примирении их с изменениями. Если Мисс В и Мистер С не узаконят мероприятия Мисс Е, изменения, возможно, провалятся. Как вы можете видеть, на Рисунке 2.I представлена простейшая структура изменений. Большинство улуч­шений бизнес-процессов требуют составления более сложных карт ролей.

ОТЧЕТ ПО АНАЛИЗУ ИНСТРУМЕНТОВ И БАРЬЕРОВ. Результатом является документ, в котором представлены результаты всех этапов оцен­ки и получения обратной связи, а также обращено внимание на выявлен­ные инструменты и барьеры.

ПЛАН ИНФОРМИРОВАНИЯ ОБ ИЗМЕНЕНИЯХ. План объединяет анализ информации каналов связи и рекомендации в один общий доку­мент, который описывает, какая информация, кому, когда и как должна передаваться, чтобы успешно оповестить о грядущих изменениях.

ПЛАН ИЗМЕНЕНИЯ КОММУНИКАЦИЙ. План должен представлять собой подробную инструкцию для управления специфичными для коммуникаций изменениями в ходе процесса постоянного улучшения, начи­ная с оповещения до празднования успешного достижения целей проекта.


Улучшенные показатели деятельности

Рисунок 2. I Карта ролей при управлении организационными изменениями


АНАЛИЗ КОММУНИКАЦИЙ. План объединяет оценки эффективнос­ти коммуникаций и рекомендации в один общий документ. Результаты этих оценок используются для коррекции плана изменений коммуни­каций.
План управления организационными изменениями должен быть пол­ностью разработан и принят к исполнению в ходе Фазы I, поскольку он по­может снять некоторое беспокойство, которое испытывают и руководство и служащие.

Улучшенные показатели деятельности

Рисунок 2.J    Диаграмма Ганта для управления организационными изменениями

 На Рисунке 2.. I приведена типичная диаграмма Ганта для управ­ления организационными изменениями, показывающая мероприятия но уп­равлению организационными изменениями, которые осуществляются и ходе каждой фазы в методологии улучшения бизнес-процессов.
Председатель, назначаемый для каждого документа, процесса или подпроцесса, должен подготовить индивидуальный план управления орга­низационными изменениями, который поддерживает мероприятия его ко­манды всякий раз, когда содержание и степень планируемых изменений достаточно ясны для углубленной оценки рисков и планирования, необ­ходимого для снижения этих рисков.
Методология управления организационными изменениями достаточ­но сложна, но как только вы разберетесь в ней, она обеспечит вам эффек­тивную поддержку в управлении процессом изменений. Как только ко­манда по улучшению процесса осознает, что изменения па самом деле представляют собой процесс, мероприятия по изменениям получают по­вое развитие. С этого момента команда управляет изменениями, а не из­менения управляют организацией.




Управление организационными изменениями


Применение вышеназванных четырех подходов к улучшению бизнес-процессов может создать больше проблем, чем следует, если ваша организация не управляет изменениями, вытекающими из мероприятий по улучшению бизнес-процессов. Такие подходы, как реинжеиирииг, будут успешными, только если мы будем подвергать сомнению и изменять наши парадигмы и культуру нашей организации. Ошибочно полагать, что можно изменить процессы, не меняя при этом характер поведения людей, ответственных за эти процессы или самих этих людей. Это означает, что организация должна управлять процессом изменений, определяя характер поведения, требуемый в изменившихся условиях, и не поддерживая старые модели поведения, нежелательные для поддержания нового процесса. Зачастую это значит, что должны быть пересмотрены стандарты оценки деятельности. Деятельность, оцениваемая как превосходная при использовании старого процесса, часто становится неудовлетворительной в условиях нового. Необходимо не только изменить уровень оценки деятельности, но и уменьшить количество вариантов оценки.
Теперь мы знаем, что изменение - это процесс, который может и должен быть управляем, для того чтобы основные проекты были завершены своевременно, в рамках одобренного бюджета, с достижением желаемых результатов. Это процесс движения от текущего состояния к состоянию будущему, разделенный переходным периодом. В настоящем люди, которым в будущем придется измениться, чувствуют себя очень комфортно. Никто не знает их работу лучше их самих. Хотя не всегда все идет как надо, они знают, чего можно ожидать, и чувствуют себя уверенными в том, что они способны справляться с проблемами по мере их возникновения. Они полностью контролируют ситуацию и чувствуют уверенность в том, что они могут работать на приемлемом уровне. Но перемены рассчитаны на то, чтобы все это разрушить. Перемены происходят, когда ваши ожидания оказываются не оправданы. Что происходит, когда наши ожидания не оправдываются? Как бы лично вы отреагировали, если бы пришли завтра на работу и обнаружили, что кто-то забрал ваш стол?

Что ж, возможно вы были бы:
Шокированы
Поражены
Расстроены
Непроизводительны
Взбешены


Люди, работающие в рамках улучшаемого процесса, часто теряют самообладание в начале переходной фазы изменения процесса. Все неожиданно выходит из-под контроля; они перестают управлять своей собственной работой. Они даже не знают, смогут ли они работать успешно в условиях нового процесса. Часто они стараются вернуть старые времена, пытаются остановить перемены. Если они не могут этого сделать, они будут стараться защитить себя от этих перемен.
Любой, кто должен измениться, считает: «Я думаю, что вы должны измениться, что она должна измениться, что они должны измениться, но почему я должен меняться? НИ ЗА ЧТО, у меня и так уже все под контролем. Вот если другие люди, которые делают все эти ошибки и тратят все деньги, изменятся, это будет именно то, что нужно». Но правда заключается в том, что мы все должны меняться и меняться быстро, если наша организация хочет выжить. На самом деле мы должны чувствовать себя неуютно, если мы не меняемся и не учимся выполнять нашу работу по-новому.
Существует ряд инструментов и методик, которые эффективны при управлении изменением процесса, такие как управление отрицательными ощущениями от процесса труда, составление карты изменений и синергизм3 . Важным моментом является то, что каждая программа по улучшению бизнес-процессов должна иметь очень подробный план управления изменениями, входящий в саму программу, и этот план должен эффективно осуществляться. Процесс управления организационными изменениями должен быть внедрен намного раньше, чем начнется изменение процесса. На самом деле, он должен начаться сразу после того, как принято решение работать над определенным процессом и обязательно до того, как команда по улучшению процесса начнет составлять схему процесса. Дальнейшее обсуждение методов управления организационными изменениями вы можете найти в разделе 2.7.4.





Управление подготовкой и обучением


Необходимо, чтобы сотрудники, вовлеченные в проект, говорили о применяемых методиках на одном языке. Кроме того, часто требуется по­вышение квалификации сотрудников по сбору информации (методикам интервьюирования и т.д.). Сотрудники должны также повышать квали­фикацию в области документирования административных бизнес-про­цессов с использованием выбранных методик и соответствующих средств компьютерного документирования. Кроме того, члены команды по улуч­шению процесса должны хорошо разбираться в методологии управления организационного изменения.
Обеспечение информированности отделов и сотрудников

Без сомнения, важно, чтобы все люди, вовлеченные в проект, получа­ли информацию о:
Структуре проекта
Квалификации других людей, вовлеченных в проект
Временных рамках проекта
Значении этих временных рамок для бизнеса, структуры организации и различных задач
Способе, которым осуществляется коммуникация в рамках про­екта
Причинах, по которым они были выбраны для участия в проекте
Степени вовлеченности в процесс принятия решения остальных участников

Важно, чтобы все участники проекта хорошо понимали, какое воз­действие на деятельность организации окажут результаты их работы. Это понимание может быть достигнуто в ходе одного или нескольких сове­щаний с участием команды по управлению проектом, контактных групп и команды по улучшению процесса .






Уровень детализации документации


После принятия решения относительно факторов, которые должны быть представлены (не забывая, что они должны соответствовать цели, для который проводится документирование бизнес-процесса), необходи­мо принять решение относительно уровня детализации. Каждый из фак­торов, упомянутых в Разделе 3.4, может быть документирован с большей или меньшей степенью детализации.

Если конкретная цель может быть достигнута с помощью общего опи­сания и при этом не требуется понимания деталей бизнес-процесса, то нет необходимости в дальнейшей работе с этим документом. На практике это случается достаточно часто, поскольку уровень детализации, необходи­мый для точного документирования бизнес-процесса, не задается зара­нее. Зачастую исследователи обеспокоены недостаточным пониманием процесса на этапе анализа и стараются провести документирование про­цесса как можно подробней. Это ведет к напрасной трате времени и уси­лий и может даже привести к срыву, как только они обнаружат, что было рассмотрено слишком много или слишком мало деталей.
Аналогично, требование к определению уровня детализации важно при выборе подходящей методики (методик) документирования. Хотя не­сколько методик подходит для представления одновременно и общих принципов и деталей, большинство методик годится для представления либо одного, либо другого. В Разделе 3.9 уточняется, какие методики до­кументирования представляют общие принципы, а какие представляют детали. Раздел 3.10 обращается к роли, которую уровень детализации вместе с целью и факторами играет в выборе подходящей методики доку­ментирования. Типичная организация имеет пять классов документации (см. Рисунок 3.А). Рисунок 3.А также показывает связь между иерархией процесса и иерархией документов.
Документы первого класса - Организационные требова­ния. Документы первого класса состоят из миссии орга­низации, ее ценностей, долгосрочных целей, факторов, критических для успеха, видения. Это документы, кото­рые определяют и направляют всю деятельность органи­зации и ее управленческую систему. Они разрабатывают­ся высшим руководством, поскольку его главной задачей является выбор направлений.
Документы второго класса - Руководства (справочники) - документы, определяющие, что должно быть сделано; кон­цептуальны по природе. Эти документы часто определяют перекрестно-функциональные стратегии и обязанности.
Документы третьего класса - Процедуры - документы, которые используются для определения основных процессов, существующих в рамках организации. Их часто называют операционными процедурами. Они отвечают на четыре воп­роса: что, когда, кто и где делает в отделе или на функцио­нальном уровне.

Уровень детализации документации

Рисунок 3.А   Уровень детализации документации


Документы четвертого класса - Инструкции - документы, которые используются для определения того, как выпол­няется задание. Они пишутся на уровне задач и дают де­тальные инструкции относительно того, как конкретные сотрудники выполняют мероприятие. Их называют по-раз­ному: рабочие инструкции, должностные инструкции, инструк­ции по наладке, описание рабочего задания и инструкции по мероприятию.
Документы пятого класса - Записи - документы, которые подготавливаются для обеспечения контроля результатов проверки, подтверждающие, что требуемая задача или ме­роприятия завершены. Также они часто определяют, насколь­ко эффективно и производительно выполняются задачи или мероприятия.
Структура документации - систематический и логический способ описания различных элементов Коммерческой адми­нистративной организации в Справочнике Административ­ной организации. Он также содержит описание процессов, используемых для обновления документации.
В качестве примера того, как уровень детализации может быть опре­делен заранее, здесь представлена схема процессов произвольного отдела дебиторской задолженности.

Для документации процессов, используемых при учете дебиторской задолженности, определены четыре уровня дета­лизации:
процедуры
мероприятия
задачи
рабочие инструкции

Основным процессом в рамках функции учета дебиторской задолжен­ности является ведение записей по дебиторской задолженности (см. Рису­нок 3.А). Этот процесс состоит из большого количества взаимодейству­ющих, связанных мероприятий; к примеру, поддержка исходной инфор­мации, поддержка ежедневных остатков, поддержка напоминания, ввод платежей. Эти мероприятия дальше подразделяются на задачи. К приме­ру, мероприятия по «обновлению напоминаний» могут быть подразделе­ны на такие задачи, как обновление текста, печать списка уведомлений, блокировка обновления напоминаний, печать и рассылка по почте напо­минаний (уведомлений напоминания). Рабочие инструкции содержат ин­формацию о том, как следует выполнять определенную задачу.

К приме­ру, рабочая инструкция для задачи «печать и рассылка по почте напоми­наний» инструктировала бы служащего следующим образом:
взять лист бумаги
вставить в принтер
подготовить принтер к печати
выбрать пункт меню

Операционные процедуры являются письменной блок-схемой, опи­сывающей мероприятия, связанные с определенным процессом. Рабочие инструкции используются для выявления определенных задач, связанных с каждым мероприятием и для объяснения того, как реализуется каждая из задач.
Мероприятие выполняется в рамках естественной рабочей группы (отдела) одним или более сотрудниками, реализую­щими различные части мероприятия.
Задачи являются отдельными элементами и/или подмноже­ствами мероприятия. Обычно задачи связаны с выполнением конкретным сотрудником поставленного перед ним задания.
В большинстве случаев необходимо также определить уровни дета­лизации, требуемые для других факторов, перечисленных в Разделе 3.4.
Это особенно важно для факторов информации и методики. К примеру, такие определения, как «при помощи компьютера» или «вручную» слишком туманны для выполнения административного процесса дол­жным образом.






Условия успешного выполнения проекта


Чаще всего организационные структуры в коммерческих, государ­ственных и некоммерческих организациях стремятся поддерживать и уп­равлять существующими методами с помощью существующих процедур. Структура таких организаций оставалась неизменной в течение некото­рого времени. Заведенный порядок и опыт сформировали способность организации к управлению повторяющимися мероприятиями и задания­ми. Разовая сущность проекта по улучшению бизнес-процессов предъяв­ляет особые требования к организации. Ниже приведены некоторые мо­менты, на которые следует обратить внимание.
Во-первых, огромное значение имеет участие руководителей высше­го уровня.
Проект предъявляет особые требования к ресурсам организации (трудовым ресурсам и деньгам), которые должны быть рассмот­рены и учтены. Разовая сущность проекта по улучшению биз­нес-процессов предъявляет специфические требования к управ­лению этими факторами.
Члены организации должны быть уверены в том, что проект поддерживается на высшем уровне руководства. Иначе существует опасность, что проект не будет воспринят серьезно.
Мероприятия, связанные с проектом, должны быть согласованы с общей политикой организации. Это особенно важно для выводов и рекомендаций, сделанных в ходе фазы анализа.
Проект должен охватывать все уровни организации для создания оптимальных условий для реальной модификации существующих административных бизнес-процессов или для внедрения новых.
Участие высшего руководства заключается во включении его пред­ставителей в состав команды по управлению проектом. В организации должно быть понимание необходимости реализации проекта и привле­ченными менеджерами отделов, и членами команды по улучшению про­цесса. Это значит, что обе эти группы должны быть заинтересованы в выполнении проекта. Заинтересованность должна поддерживаться в ходе проекта.

Для поддержания заинтересованности участвующих в проекте менеджеров отделов необходимо выполнение следующих требований:
Сотрудники должны быть вовлечены в проект с самого начала. Это означает, что они должны внести свой вклад в формулировку целей и разработку проекта.
Процесс принятия решении и ходе осуществления проекта должен быть предельно ясным. Необходимо поощрять активное участие сотрудников, связанных с проектом, особенно в ходе фазы анализа и организации нового процесса. Пути вовлечения сотрудников должны одобряться командой по улучшению процесса.
Неопределенность, возникающая всегда в отношении будущего вовлеченных отделов, работ, организации, статуса вовлеченных менеджеров и т.д., должна быть устранена.

Необходимо поддерживать равновесие между тем, что сотрудники дают, и тем, что они за это получают. Они долж­ны постоянно оценивать, какое воздействие окажет успеш­ное выполнение проекта на организацию с тем, чтобы поддерживалось позитивное отношение.
Для поддержания заинтересованности членов команды по улуч­шению процесса важна открытость и эффективность в рамках про­екта. Члены команды по улучшению процесса должны понимать и принимать цели проекта. Кроме того, каждый член команды по улуч­шению процесса должен чувствовать, что его вклад оценивается как значительный. Также важно, чтобы каждый член команды по улуч­шению процесса понимал и видел необходимость в потенциальном участии других. Необходимо уделять достаточное внимание обеспе­чению понимания членами команды по улучшению процесса того, какое влияние может оказать успешное выполнение проекта на их собственное будущее. Эти проблемы будут иметь большое значение, если члены команды по улучшению процесса вовлечены в процесс, который может оказать влияние на их будущее. Они же будут иметь меньшее значение, если проект выполняется постоянными сотруд­никами; к примеру, отдел административного управления организа­ции.
На проект должно выделяться достаточное количество време­ни. Для поддержки движущей силы проекта необходимо, чтобы ряд людей посвящал проекту все свое рабочее время. Если в проект вов­лечены люди, занятые в нем не полный день, следует обдумать конт­роль планирования и прогресса с тем, чтобы другие их задания не вступали в конфликт с приоритетами проекта. Следует также часто проверять количество времени, доступного для проекта.
Жизненно важным является выбор лидера проекта. Это человек должен пользоваться доверием всех людей, вовлеченных в проект. Следует тщательно продумать подготовку и обучение членов коман­ды по улучшению процесса в отношении применяемых методов. Су­щественно важным является хорошее руководство специалиста вы­сокого класса, особенно в начале.

Члены команды по улучшению процесса должны учиться работать и команде, понимать процесс, собирать и анализировать данные.

Каждый отдельный человек должен быть обучен применению основных приемом работы в команде и способов решения проблем, таких как:
Командный процесс
Мозговой штурм
Контрольные ведомости
Графики (диаграммы; графы)
Гистограммы
Диаграммы Парето
Диаграммы разброса (результатов анализа)
Методы условных групп
Метод Дельфи (метод экспертных оценок)
Анализ силового поля
Диаграммы причинно-следственных связей
Карта мнений
Статистический контроль процессов

Если члены команды не были обучены основным приемам работы в команде и решения проблем, то команда по улучшению процесса должна начать с курса обучения этим предметам. Недостаток подготовки всегда приводит к долгосрочным негативным результатам. В начале работы ко­манды уровень энтузиазма обычно настолько высок, что команда начи­нает активно действовать и даже может достичь некоторых результатов. Однако в долгосрочном периоде команда, которой не достает подготов­ки и опыта, не сможет полностью разобраться в ситуации, которую они стараются улучшить, и не сможет внедрить лучший набор решений.





Влияние различных подходов к улучшению бизнес-процессов


Рисунок 1.D показывает, как типичные методы бенчмаркипга, перепроектирования и реинжениринга сокращают длительность цикли процесса. Он наглядно иллюстрирует различные уровни улучшения типичного процесса, достигаемые за счет применения метода постоянного улучшения и комбинации с четырьмя подходами к улучшению бизнес процессов за 36-месячный период.

Влияние различных подходов к улучшению бизнес-процессов

Рисунок 1.D Сравнение четырех «прорывных» подходов по длительности цикла типичного процесса






Внедрение документирования, анализа и разработки проектов для административных бизнес-процессов


Предпочтительно проводить документирование, анализ и разработку административных процессов в форме проекта. Эта форма предпочтительна, поскольку состоит из разовых мероприятий, в которые вовлечены различные отделы, часто не имеющие действующих каналов коммуникаций, и чьи повседневные контакты друг с другом весьма ограничены.
В идеале проект прочно укореняется в структуре организации, поскольку руководители подразделений административной организации (административная система управления информацией) уже выполняют свои функции в процессе внедрения проекта. Следовательно, организация проекта соответствует требованиям управленческой ситуации.
Таким образом, результаты могут быть поддержаны и использованы немедленно (см. главы 6, 7). Внедрение проекта в организацию подробно рассматривается в главе 2.





Введение описаний процесса в набор документов


Окончательной подробно рассмотренной документации присваива­ется номер, и она включается в набор документации. Эти наборы подраз­деляются в соответствии с процессами и связанными с ними отделами.
Выбор процессов, которые будут анализироваться в ходе следующей фазы
В цели проекта уже определено, в какой части административных про­цессов существуют проблемы. На фазе разработки проекта происходит дальнейшее определение процессов, которые должны быть изучены. Сто­ит пересмотреть, остаются ли актуальными варианты, выбранные в нача­ле проекта. Кроме того, следует установить приоритеты в отношении пос­ледовательности подходов. Выбранные процессы и последовательность подходов определяются на основе списка процессов, созданного в соот­ветствии с рядом критериев.

В качестве этих критериев выступают:
Периодичность выполнения процесса. С увеличением периодичности повышается потребность в анализе.
Отделы, вовлеченные в проект. На основе информации о реорганизации, модификации функций и т. д. иногда определяется, какие изменения в первую очередь должны рассмотреть определенные отделы.
Финансовая значимость процесса. Эта значимость выражается долей, которую результат процесса имеет в структуре издержек организации (к примеру, величина финансовой операции как ре­зультат найма на работу новых работников по сравнению с ана­логичной величиной - результатом продвижения работников).
Требуемая эффективность системы управления информационны­ми потоками (см. Раздел 5.4).
Требуемая эффективность результатов администрирования.
Стоимость процесса. Стоимость обработки изделия в ходе биз­нес-процесса может быть так же важна для общей стоимости, как и себестоимость единицы продукции (к примеру, для про­цесса выписывания счета - стоимость одной накладной).

В рамках этой схемы рекомендуется отметить возможную экономию, которая может быть достигнута при перепроектировании процесса и про­ведении его реинжениринга.
Риск ущерба, связанный с неоптимальным функционированием административных бизнес-процессов в отношении первичного про­цесса. К примеру, при оформлении счета покупки это могут быть потери, понесенные до того, как был обнаружен факт двойной уплаты по счету; при оформлении заказа есть шанс, что прода­жа может быть сорвана из-за того, что заказ не был оформлен вовремя.
Скорость, с которой проводится анализ. Скорость зависит от доступности трудовых ресурсов для проведения анализа, от того, достаточно ли будет исследования случайной выборки, или нуж­ны широкомасштабные наблюдения, а также от того, должны ли наблюдения быть растянуты во времени.
Ожидаемые возможности для улучшения процесса.






Выбор окончательных целей и методик анализа


Выбор методик анализа в большой степени определяется характером исследуемой проблемы. К примеру, методики, используемые при реше­нии проблем в области внутреннего контроля, отличаются от тех, кото­рые используются для изучения продолжительности обработки. Описа­ние методик анализа и связанных с ними критериев, которые могут быть использованы для осуществления выбора, вы можете найти в Главе 4. Планирование фазы анализа
Выбрав процессы, которые будут анализироваться в дальнейшем, и направления этого анализа (мероприятия, которые будут изучаться да­лее), необходимо определить количество времени, которое займет осуще­ствление каждого мероприятия и отдельных сотрудников, которые при­мут участие в этих мероприятиях. На основе этого может быть составлен проект плана проведения аналитических мероприятий.
Предоставление отчётов команде по управлению проектом
Фаза документирования завершается предоставлением отчета коман­де по управлению проектом. Обычно отчеты для команды по управле­нию проектом составляются в ходе фаз, чтобы избежать потерь ее време­ни на ожидание отчета, пока все упомянутые выше этапы будут выполне­ны для всех анализируемых процессов. Эти отчеты делаются по каждой группе связанных процессов.

Для процессов, не подлежащих дальнейшему анализу, написание от­четов должно начаться сразу после завершения этапа Е, поскольку этапы F, G, и Н предназначены только для подготовки фазы анализа. Эти фазы должны ограничивать количество отчетов, предоставляемых команде по управлению проектом, включая отчеты по описательной фазе. Это не вызывает возражений, поскольку одобрение документированных процес­сов командой по управлению проектом все еще является формальным вопросом, так что внимание команды по управлению проектом может быть сконцентрировано на предложениях по проекту. Иногда рекомен­дуется предоставлять команде по управлению проектом предварительный отчет после завершения этапа С. Это необходимо в случаях, если в со­ставленные ранее планы должны быть внесены значительные изменения.







Выбор подхода


Для проведения организацией или компанией документирования ад­министративных бизнес-процессов может существовать несколько при­чин. В этой главе мы рассмотрим, что является целью документирования административных бизнес-процессов, документирование каких факторов должно проводиться и до какого уровня детализации следует доводить описание процесса. Цели, факторы и уровень детализации определят вы­бор методики документирования.
Методика документирования - это метод, с помощью кото­рого дается описание информационной системы, процесса или организации.
В этой главе будет продолжено обсуждение методик документирова­ния: использование диаграмм форм управления, схемы процесса, схемы организационной структуры. Для каждой методики будут также приве­дены инструменты документирования, такие как стандартные формы, диаграммы, макросы для персонального компьютера и т. д.
Последующие главы основываются на предположении, что докумен­тирование изучаемого процесса уже проведено. Для каждого случая необходимо провести обзор и дополнительные интервью, чтобы определить доступность описания административных бизнес-процессов. Вам необхо­димо начать с серии интервью и обзоров, относящихся к существенным факторам административных бизнес-процессов. Крайне важным факто­ром является определение момента начала работ, наиболее благоприят­ного для успеха дальнейшего исследования. Как только будет получена необходимая документация, следует рассмотреть возможность привлечения к руководству человека, опытного во внедрении такого рода проектов.
Основы работы в Photoshop

Выбор подходящих методик


Одного описания административных бизнес-процессов и их взаимодействий обычно оказывается недостаточно для получения полного представления о том, как эти процессы организованы. В связи с этим часто используются специальные методики документирования. Число такого рода методик достаточно велико. Одна из таких популярных методик основана на использовании диаграмм. Цель схематического изображения -дать пользователю ясную и точную картину ограниченного ряда факторов, влияющих на административные бизнес-процессы с короткими пояснениями или без них. Мероприятия, отделы, сотрудники и объекты представлены в схемах стандартными символами.
Выбор методики или комбинации методик должен, в первую очередь, определяться целью, поставленной при документировании процесса. Для того чтобы правильно выбрать методику, необходимо тщательно обдумать поставленные цели. Важно отметить, что кроме задач, которые необходимо решить с помощью конкретного метода, в выборе методики могут помочь другие критерии (такие как простота, удобство для пользователя, существование дополнительной документации, поддержка, доступность технологических инструментов и т.д.). Даже если цель документирования была определена заранее, зачастую выбранная методика оказывается не оптимальной.
Помимо выбора оптимальной методики огромное значение имеет правильное отношение к такому проекту. Многие проекты терпят поражение, поскольку не отвечают потребностям организации. Они плохо воспринимаются и поддерживаются этой организацией. Соответственно, такие проекты не приносят желаемого результата и от них часто просто отказываются.
На практике многие улучшенные административные бизнес-процессы могут разрабатываться (а также документироваться и анализироваться), оставаясь при этом внутренне противоречивыми. При установлении приоритетов требуется настоящее искусство, чтобы определить, какой из подходов или их комбинаций является наиболее выгодным решением для конкретной организации.





Задача № 1. Анализ общей картины.


При решении этой задачи ко-мнпдп но улучшению процесса не ограничена рамками своего видения. Результаты мероприятий по реинженирингу процесса должны соответвовать корпоративной миссии и стратегии. Кроме того, они должны yсиливать ключевые возможности и компетенцию организации. Все другие парадигмы могут и должны быть оспорены. Прежде чем команда по улучшению процесса начнет разрабатывать новый процесс, необходимо попять, в каком направлении движется организация, как развиваемые процессы поддерживают будущие потребности бизнеса и какие изменения дадут организации наибольшее конкурентное преимущество.
Когда вся вышеописанная информация проанализирована, команда по улучшению процесса может разработать «сформулированное представление» о том, каким, по их мнению, должен быть наилучший процесс и как он должен функционировать. При разработке сформулированных представлений команда по улучшению процесса должна выйти за рамки установившейся практики и оспаривать все предположения, ограничения и очевидные вопросы, выявлять технологические и организационные структуры, которые ограничивают процесс, определять пути их улучшения для создания процессов, которые будут лучше сегодняшних эталонов. Сформулированное представление определяет, что должно быть сделано, а не то, что делается. Обычно сформулированное представление занимает 10-30 страниц и, на самом деле, больше напоминает спецификацию нового процесса. Этот документ охватывает все инструменты процессов, информационных технологий, а также организационные и человеческие инструменты, которые можно использовать при разработке нового процесса.





Задача № 2. Теория единиц.


Как только сформулированное представление готово, команда по улучшению процесса должна определить необходимые действия в рамках процесса, начиная с ресурсов па входе и закапчивая отгрузкой продукции потребителю. Необходимо задаться вопросом: почему процесс не может быть выполнен в ходе одного мероприятия одним человеком на одном рабочем месте или, еще лучше, за один момент времени без человеческого вмешательства? Команда по улучшению процесса должна быть крайне осторожна при добавлении в процесс мероприятий и ресурсов. (См. Рисунок 1.С)
Для использования «теории единиц» команда по улучшению процесса устанавливает минимальное количество элементов, которое вы хотите оптимизировать. К примеру, если команда по улучшению процесса заинтересована в оптимизации длительности цикла и предыдущее значение длительности цикла было 5 дней, она может задаться вопросом: «Что, если бы мы должны были выполнить это за одну секунду? Какие инструменты надо было бы использовать и какие парадигмы должны быть отброшены для выполнения этого?»
В основном используются четыре набора инструментов:
Инструменты процесса
Инструменты информационных технологий
Инструменты персонала
Инструменты организационные


Задача № 2. Теория единиц.

Рисунок 1.С. Теория единиц

После того как команда по улучшению процесса рассмотрела каждый из инструментов и определила, как можно модифицироваить текущую схему процесса для выполнения требуемой функции, полученный процесс сравнивается со сформулированным в ходе решения Задачи 1, представлением. Если команда по улучшению процесса получает приемлемый ответ, она движется дальше. Если нет, продолжает цикл до тех нор, пока не достигнет своей цели - осуществление всего процесса за одну минуту. В какой-то момент процесс и сформулированное представление совпадут. Как видите, реинжениринг представляет собой итеративный процесс.






Задача № 3. Имитация процесса.


Когда проект нового процесса теоретически согласуется с целями, установленными в сформулированном представлении, строится имитационная модель. Затем на имитационной модели проверяется, как будет функционировать новый процесс. Если имитационная модель окажется нестабильной или даст результаты, неудовлетворяющие сформулированному представлению, команда по улучшению процесса должна вернутся к этапу 2, «Теории единиц». Затем команда по улучшению процесса подготавливает и намечает новую имитационную модель. Этот цикл повторяется до тех пор, пока не будет создана приемлемая имитационная модель.






Задача № 4. Моделирование процесса.


Как только имитационная модель показывает, что вновь разработанный процесс соответствует сформулированному представлению, теоретическая модель реализуется физически для подтверждения концепции.

Обычно проектирование нового процесса оценивается следующим образом:
Моделирование в конференц-зале (без помощи компьютера) для подтверждения обоснованности проекта нового процесса
Пилотное моделирование на одном рабочем месте или в небольшой части организации для подтверждения деталей концепции
Пилотное моделирование всего процесса в рамках небольшой части организации







Заранее проведенное документирование


Иногда вы можете заметить, что не используется оптимальная ком­бинация методик документирования. Для упрощения коммуникации между различными направлениями во многих организациях одна или несколько методик разрабатываются как стандартные методики. Когда стандартные методики отвечают желаемым целям, то проблем с ними относительно немного. Настоящие проблемы возникают, когда доступ­ные стандартные методики оказываются неприменимы. Потребность во введении новой, более подходящей методики документирования гово­рит сама за себя, однако часто приходится сталкиваться с противодей­ствием, поскольку внедрение другой методики слегка усложняет про­цесс внутренних коммуникаций.
Более важным является тот факт, что часто большой объем докумен­тации бывает уже подготовлен при использовании стандартных методик. Таким образом, введение новой, лучшей методики может означать, что часть существующей документации потребует адаптации. Однако можно предусмотреть удобство для пользователя и в этой ситуации. Нет смысла постоянно ставить пользователей документации перед необходимостью применения различных методик документирования. Это относится к до­кументации, которая существует в компании в форме детальных инструк­ций. Исходя из практических соображений, выбирается путь наименьше­го сопротивления. Применяются обычные стандартные методики, а факторы, которые не могут быть представлены должным образом, поясня­ются при помощи приложений и примечаний. Необходимо учитывать, что большое количество ненужных дополнений отнюдь не повышает удоб­ство для пользователя.





Оптимизация бизнес процессов. Анализ своевременности выполнения процессов

Примеры


В качестве примеров схемы принципов административных бизнес-процессов на Рисунке II.А приведена схема администрации больницы и на Рисунке П.В. - схема агентства по временному трудоустройству.

Примеры

Рисунок II.В   Агентство по временному трудоустройству. Схема администрирования
















Мероприятие 3: Внедрение плана на первые 90 дней


Теперь команда внедрения должна сосредоточиться на внедрении плана на первые 90 дней. Это, вероятно, самая важная часть проекта внедрения, так как она задает темп для всего остального процесса внедрения. Обычно улучшения, вносимые в течение первых 90 дней, представляют собой быстрые переделки и наименее сложные решения по улучшению. Главные технологические изменения очень редко внедряются в течение первых 90 дней, потому что они требуют обширного планирования, составления графика выполнения и моделирования. С другой стороны, мероприятия по управлению организационными изменениями в первые 90 дней имеют решающее значение не только для успешного внедрения начальных улучшений, запланированных на 90 дней, но и для внедрения всего нацеленного на будущее решения. Необходимо много усилий и внимания для того, чтобы с самого начала создать функциональную систему открытых коммуникаций. Первый месяц является началом переходной фазы и периодом повышенного напряжения для всех объектов процесса. В этот период на месте должна оказываться постоянная (финансовая) поддержка, а любые «черные дыры» следует тут же выявлять и затыкать.
Помимо уровня напряжения, это еще и период, когда темп улучшений обычно достигает максимума. Кроме того, это период, когда широко применяются мероприятия по исполнительному наблюдению, т. к. в ходе этих мероприятий определяется точность оценок команды по улучшению процесса. Успешное завершение проектов за первые 90 дней в значительной степени облегчит нагрузку на команду внедрения во время оставшегося цикла.
По мере внедрения каждого изменения и измерения его влияния, необходимо обновлять план проекта и базу данных. С особой тщательностью следует подходить к обновлению блок-схем и имитационных моделей.





Мероприятие 4: Внедрение долгосрочных улучшений


Долгосрочный (более чем на 90 дней) план внедрения представляет собой техническую часть нацеленного на будущее решения. Именно здесь в процесс вводится новое оборудование и программное обеспечение. Новое применение информационной технологии, других компьютерных приложений и автоматизированных методов требует очень тщательной оценки и моделирования перед тем, как его можно будет адаптировать для обеспечения совместимости с существующими видами деятельности и культурой организации. Отдельное улучшение может проходить следующие этапы оценки:
Оценка на уровне документов. Сравнение спецификаций работы компьютерной системы или автоматического оборудования с требованиями приложения. Это часто приводит к необходимости модернизировать программное и аппаратное обеспечения перед моделированием.
Имитационное моделирование. Очень часто можно подготовить компьютерную имитационную модель, изображающую вертикальную картину улучшения. Затем эту модель запускают, что бы выявить потенциальные проблемы, связанные с предлагаемым улучшением.
Моделирование в конференц-зале. Запускается модель, которая воспроизводит предлагаемое решение. Эта модель используется для того, чтобы убедиться, что решение даст желаемые результаты, и определить дополнительные изменения, которые могут потребоваться. Как правило, это полностью ручной процесс, где множество людей носится за кулисами, имитируя аппаратное и программное обеспечение.
Натурный эксперимент. Для осуществления предлагаемого улучшения используется часть организации. Этот ограниченный эксперимент разработан для выявления любых непредвиденных проблем и проверки эффективности решения до того, как оно будет внедрено по всей организации.
По мере внедрения нацеленного на будущее решения, долгосрочный план внедрения будет детализироваться и включаться в очередной 90-дненный план. Этот процесс будет повторяться каждые 30 дней, пока внедрение не будет завершено.






Анализ административных бизнес-процессов


Существует ряд практических рекомендаций относительно управле­ния различными целями анализа. Существует много различных способов для анализа того, в какой степени административная организация удов­летворяет критерию, как это описано для цели анализа (Разделы 4.3 - 4.12). Практика показывает, что опытный сотрудник может сформировать пол­ное впечатление о качестве процессов уже в ходе фазы документирования (оно должно подкреплять впечатление, полученное в ходе предваритель­ного исследования; см. Раздел 3.6). Менее опытному работнику требуется подходить к анализу более систематически, оценивая каждую цель анализа.
Независимо от того, когда или как проводится анализ, всегда необходимо помнить о следующих моментах. Вам следует обдумать, как и с какой целью проводится документирование. К примеру, в проекте «Справочник административной организации», в котором описания составля­ются для целей инструктирования или передачи знаний, документация может быть моделью реальных результатов. Справочник не должен опи­сывать все возможные факторы. Цели анализа направлены на изучение проблемных вопросов, а не на адекватное представление существующего состояния. Эти проблемные вопросы включают в себя оценку условий, фактических экономических показателей или продуктов административ­ного бизнес-процесса (см. Раздел 4.13.3). Необходимо заранее сделать выбор среди различных целей анализа и установить приоритеты. Комп­лексный анализ обычно не дает вам из-за леса увидеть деревья.





Автоматизированные инструменты


Кроме автоматизированных инструментов, подходящих для создания описания (обычно при помощи персональных компьютеров) административных бизнес-процессов (см. Раздел 7.5), теперь также существуют программы, в которых можно получать автоматические обзоры для анализа (в дополнение к документированию). Эти программы начинают с полного обзора процессов/отделов (матрица, см. Раздел 3.4.9), в ходе которого в каждую ячейку матрицы вводится ряд факторов, которые будут использованы при проведении анализа. В качестве заголовок ячеек следует рассмотреть такие факторы, как процедуры, каналы движения документов и информационные каналы, временное участие (затраты времени на участие, время, которое может быть отведено па участие в проекте), периодичность, параметры, организационные связи и т. д. Помимо разработки различного типа обзоров, автоматически можно также провести все типы требуемых обзоров анализа (горизонтально или вертикально в матрице).
На практике эти инструменты, по-видимому, делают документирование и особенно работу по анализу намного более эффективной и производительной, особенно если применяются соответствующие перечни стандартных вопросов. Это отнюдь не значит, что проведение интервью не является необходимой частью проекта. Большинство организации не используют автоматизированное документирование (не позволяют себя втянуть в документирование автоматизированным способом).









Цели и средства информационного управления


Основные меры информационного управления (также называемого внутренним контролем) (g) направлены на надежность сбора, документирования и обработки данных. Целью этих мер является обеспечение требуемой степени надежности информационного управления. Кроме того,

Управление формированием ожиданий:
Управление ожиданиями
Управление реальными событиями в бизнесе:
Управление управлением
Управление полномочиями
Управление результатами производства
Управление достижениями
Управление производительностью
Управление качеством
Управление реальными ситуациями в бизнесе:
Управление хранением защита -   отчеты по счетам управление контрактами на поставку материалов, включая деловые вопросы продажи в убыток и приобретения инвентаризация

Управление обработкой данных:
Информационное управление -    включая управление использованием контрактов на поставку материалов управление техническими функциональными подразделениями управление полномочиями вспомогательные меры определение количественных значений проверка ожидаемых (ex ante) данных дублирование документации и дальнейшая обработка наблюдение и руководство формулируются требования к информационному управлению, вытекающие из требований клиентов или выпущенных законов и правил.

Управление стандартами, используемыми в средствах контроля:
Управление стандартами
Управление проектированием и следования внутренней системе управления:
Составляют ли правила эффективное и производительное целое?
В достаточной ли мере выполняются правила?

Рисунок 5.Е  Факторы информационного управления

Точное определение основных мер информационного управления часто происходит позднее, уже в ходе разработки процессов. Однако важно еще на ранней стадии выявить меры информационного управления, так как они оказывают влияние на архитектуру данных (например, создавая избыточную документацию данных из опасения, что ее будет недостаточно) и архитектуру процесса (например, путем объединения контрольных операций).
Меры, которые необходимо выбрать для информационного управления, должны быть отлажены в соответствии друг с другом. Меры информационного управления иногда называются системой (см. также Раздел 4.8). Необходимо учитывать и факторы информационного управления, представленные на Рисунке 5.Е.






Детальная схема процесса


Детальная схема процесса обеспечивает понимание последовательности мероприятий/действий и документопотока административного бизнес-процесса. Схема процесса особенно подходит для достижения понимания и проведения анализа административных бизнес-процессов. Второе название схемы процесса, также используемое в этой книге, - блок-схема.






Диапазон качества необходимой информации


Что касается заданных требований к информации, следует установить требования к ее качеству (f) в плане актуальности, надежности, формы представления и эффективности (см. Рисунок 5.D).
Требования к качеству в плане актуальности определяются несколькими критериями. Актуальность информации определяется, помимо других факторов, скоростью доставки данных, периодом, в течение которого доставляется информация (длиной информационного интервала), и полнотой данных.
С помощью столбцов «Информационное управление», «Обработка данных» и «Сбор данных и документирование» можно документировать информацию о требованиях, предъявляемых к набору данных, начиная с требований к управлению информацией. Схему можно читать слева направо. Если пользователь нуждается в подробной информации, то информацию следует детализировать.
Следует отметить, что требования, которые можно предъявить к обработке данных сточки зрения актуальности, являются лишь следствием скорости обработки данных. Первичные требования к обработке данных основаны главным образом на надежности и эффективности.





Документация административной организации


Для документирования административной организации требуется иная система. Сначала, важно, чтобы к документации обращались в соответствии с категорией ответственной организационной единицы (подразделение, отдел) и в соответствии с категорией административного бизнес-процесса или групп процессов. Не имеет значения, в каких проектах разрабатывались процессы или как эти проекты были выполнены.
Сначала мы рассмотрим цели системы документирования для административной организации, называемой Справочником по административной организации. В справочнике записана вся документация по административной организации. Кроме описаний процессов, в него должны быть также включены распределения задач, правила, стандарты, информация о предпосылках и объяснения.
Различают несколько целей Справочника по административной организации.
Справочник помогает яснее понять структуру административной организации. В справочнике четко документируется, как организованы административные бизнес-процессы и какие руководящие принципы следует соблюдать. Таким образом, документация служит основанием для обзора работы административных бизнес-процессов.

Документация также помогает поддерживать существующие системы административной организации.
Справочник дает базу для анализа и оценки административных бизнес-процессов.
Документация в справочнике служит для сравнения существующих и предлагаемых проектов процессов на случай модификации.
С помощью справочника возможна передача знаний между отдельными людьми (см. также Раздел 3.3) как во времени, так и в пространстве. Справочник может использоваться как вспомогательное средство обучения и помощи новому персоналу в понимании процессов. В то же время, благодаря ясной интерпретации принятой документации процесса, во всей организации может быть введен единый метод работы. Регистрируется также формальное общение между сотрудниками, вовлеченными в административный бизнес-процесс: указывается когда, кому, как и что было сообщено.
Определяются функции, задачи и обязанности в пределах административных бизнес-процессов. Хорошо определенная задача особенно необходима для тех процессов, в которых различные отделы организации должны последовательно или вместе выполнять определенные задачи.
Для управления справочником важны некоторые критерии, также учитывающие цели. Эти критерии должны быть сформулированы для каждого отдельного случая более или менее детально. Можно заключить, что в силу роста и усложнения организации (больше отделов, больше сотрудников, больше процессов, и т. д.) работа должна выполняться более детально.
Существуют следующие критерии управления справочником:
Управление постоянными системами.
Кодирование всех документов. В Разделе 2.6.3 (определение детализации проекта) утверждается, что кодирование всех документов, отделов, подразделений, процессов и форм требует чрезвычайно много времени, однако реализовывать цели Справочника по административной организации все равно необходимо.
Следует использовать процедуры обновления, предназначенные для обеспечения контроля за документацией (см. Раздел 7.4.3).
Организация управления справочника (см. Раздел 7.6).
Связь степени детализации с ее использованием. В зависимости от      того, как используется справочник, необходимо определить уровень детализации документации в справочнике (см. Раздел 3.5).
Организация распространения разделов справочника среди пользователей (см. Раздел 7.4.3).







Документация проекта


Документация проекта охватывает всю документацию, образующуюся в ходе выполнения проекта. Документация проекта частично удовлетворяет следующим целям:
Коммуникации. С помощью документации все люди, связанные с проектом, могут быть проинформированы о развитии процесса от начала до конца.
Инструктирование. С помощью документации проекта задания могут передаваться от команды по управлению проектом к команде по проекту и пользователям, от команды по проекту к контактной группе и т. д.
Назначение обязанностей и осуществление контроля. Документация проекта существует как средство назначения обязанностей по мероприятиям, которые должны быть проведены сотрудниками по проекту. Документация проекта может помочь руководителю проекта и команде по управлению проектом установить, введены ли в действие принятые решения, а также позволяет осуществлять контроль за достигнутыми результатами, затратами и качеством мероприятий.
Хронология. При оценке проекта документация может использоваться как справочная информация.
Для каждой фазы проекта документация проекта включает:
Обзоры мероприятий в фазе проекта, таких как планы мероприятий, подробные планы-графики и планы пригодности (см. Раздел 2.7.1).
Планы работ и финансовые планы, включая мероприятия на различных фазах проекта (см. Раздел 2.7.2 и Раздел 2.7.3). А     Отчеты о достигнутых результатах по времени и затратам на каждую фазу проекта (см. Раздел 2.7.5).
Сдача отчетов и одобрение соответствующих документов по проекту контактной группой и командой по управлению проектом.
Документация по административным бизнес-процессам (сюда относится документация процесса, аналитическая документация, предложения об изменении или перепроектировании процессов и заключительные предложения).
Отношения между различными документами по проекту рассматриваются в обзоре проекта в Разделе 2.6.1.
Документация проекта хранится в различных файлах внутри каждого конкретного проекта. Эти файлы разработаны для каждого проекта и организованы в соответствии с фазами. Структура файлов проектов может соответствовать типу проекта. На Рисунке 7.А изображены четыре файла проекта (см. ниже).
Файл управления проектом, в который занесена работа, детальное время, доступность, пригодность и финансовые планы вместе с отчетами о достигнутых результатах.
Файл принятия решений, в котором задокументированы формулировки назначений, одобрения контактной группой (группами) и командой управления проектом, а также принятые решения.
Файл разработки, в котором содержится информация относительно документирования, анализа и оценки процессов.
Пользовательский файл, в котором зарегистрированы документы, одобренные пользователем. Эти документы включают заключительное описание измененных или только что разработанных административных бизнес-процессов. Эти описания зафиксированы в Справочнике по административной  организации вместе с используемыми формами, функциями и описаниями задач, списком используемых концепций и т. д.
Кроме того, как указано в Разделе 2.6.3 (определение детализациия проекта), различные документы, возникающие в ходе проекта кодируются и регистрируются в соответствии с проектом, фазой и предметом.


Документация проекта

Рисунок 7.А   Соответствие между Справочником по административной организации и документацией проекта

Всем документам по проекту присваивается код из пяти чисел, в котором отражается следующее:
Название проекта.
Фаза, во время которой составлен документ.
Номер предмета.
Порядковый номер документа в пределах предмета.
Номер версии.
Документы в Справочнике по административной организации, в которых документируются административные бизнес-процессы, закодированы в соответствии с организационной единицей и процессом; таким  образом, содержание справочника не пересекается с содержанием документации по проекту. Документация для справочника может все же появиться в течение проекта. Помимо кода проекта из пяти номеров, документации должны быть также присвоены коды, необходимые для регистрации документа в справочнике.
Соотношения между документацией по проекту и Справочником по административной организации представлены на Рисунке 7.А. В двух левых колонках таблицы схематически изображены последовательные фазы проекта и документирование, проводимые во время этих фаз для произвольного проекта. Документация по проекту содержится в четырех различных файлах проекта. Источником документации для Справочника по административной организации является в основном пользовательский файл.

Dreamweaver 4

Другие элементы процессов


Для каждого процесса необходимо указать событие, положившее начало административному бизнес-процессу, и точку, на которой процесс считается завершенным. Началом может послужить получение заказа, счета-фактуры, формы ходатайства или истечение договора о найме. Конечной точкой процесса может стать отправка заказа, отправка платежа, объявление об истечении срока ходатайства или отправка компенсации уходящему работнику. Иногда административный бизнес-процесс расширяется. Какое-либо мероприятие может так и не быть завершено. С поступлением заказа будет зарегистрирована информация об отправке, товары будут отправлены, счет будет составлен, но из-за ошибки в бухгалтерии счет может оказаться посланным не в ту организацию и в результате так и не быть закрыт.
Для каждого процесса следует определить периодичность, с которой процесс должен выполняться. Для этой цели нужно использовать частотную таблицу. Для каждого процесса должна также быть сделана количественная оценка. Для этого необходимо провести количественный обзор.
Следует подумать об использовании специальных инструментов в административных мероприятиях в ситуациях, когда они увеличивают производительность, улучшают надежность или сокращают длительность цикла процедур обработки данных. При оценке мероприятий, для которых эти инструменты могут эффективно использоваться, рекомендуется применять количественный обзор и частотные таблицы. Один из возможных инструментов относится к автоматизированной/компьютеризированной обработке данных. В Разделе 5.8 описана связь между рассмотренным ниже проектом и разработкой системы.






Эффективность административных бизнес-процессов


Эффективность (продуктивность) - это мера того, насколько эффек­тивно используются ресурсы (люди, деньги, пространство, компьютер­ная память и т. д.). При измерении производительности предпринимается попытка сформировать суждение о пропорциональном соотношении меж­ду затратами и объемом производства в различных административных бизнес-процессах. Результатом анализа должно стать представление ве­личины контрольных цифр или относительных показателей, которые дают представление о производительности изучаемого элемента.

Анализ проводится посредством осуществления следующих мероп­риятий:
Определить, какие продукты административного бизнес-процесса должны быть изучены. Возможными продуктами административ­ного бизнес-процесса являются завершенная обработка данных о принятом на работу сотруднике, обработка счета, уведомления на номинация/гарантии, заполнения заказа и т. д. Важно для каждо­го процесса (если можно, для каждого отдела) определить неболь­шое количество продуктов. Продукты должны быть признаваемы сотрудниками. Продукт должен быть независимой единицей, что означает, что производство этого продукта можно остановить, не воздействуя при этом на другие продукты, которые зависят от результата изучаемого процесса. Продукты не обязательно долж­ны иметь физическую природу. Следует также учитывать такие продукты, как участие в оказании консультационных услуг или управление персоналом.
Определить единицы измерения для каждого продукта. Этот этап определяет, каким образом измеряется производство. Для продук­тов, приведенных в мероприятии 1, это может быть количество нанятых сотрудников, количество счетов, количество уведомле­ний напоминания, количество заполненных заказов, количество часов участия и количество персонала, которым управляют. Еди­ницы измерения должны быть выбраны таким образом, чтобы они указывали на величину производства.
Определить, каким мероприятиям в административном бизнес-про­цессе соответствует какой продукт. Если мероприятие осуществ­ляется для нескольких продуктов, то следует указывать, какое со­отношение затрат должно соответствовать каждому из продуктов.
Определить затраты на административные продукты. Затраты (на персонал, производственные ресурсы, исходные материалы, жи­лищное строительство и т. д.) должны быть поставлены в соответ­ствии мероприятиям, и затраты по мероприятиям и по продуктам должны быть просуммированы. Если затраты не могут быть рас­считаны напрямую, то следует использовать методики разбивки затрат. Если затраты на персонал не могут быть рассчитаны на­ прямую, необходимо при помощи карточек табельного учёта, хронометрирования и оценки продолжительности определить время, потраченное на каждое мероприятие. Затраты на персонал следует пропорционально разделить и распределить.
Определить масштаб производства. Масштаб производства опре­деляется в этом мероприятии делением количества обработанных единиц на общие затраты по продукту. Таким образом, могут быть определены затраты на принятого на работу сотрудника, на счет, или на уведомление напоминания.
В каждом случае следует изучать количественную информацию о ка­честве процессов. Эта информация может относиться к количеству сде­ланных ошибок (к примеру, ошибки кодирования и ввода, а также количестно отсутствующих документов или инструментов). Этот анализ час­то выявляет непроизводительное использование ресурсов, которое ока­зывает негативное воздействие на эффективность последующих процес­сов. Также может оказаться необходимо провести количественное описа­ние длительности цикла (см. Раздел 4.5).






Эффективность и производительность применяемых инструментов


Примерами применяемых инструментов являются:
Документы и формы
Компьютеры
Сети
Факсы
Голосовая почта
Электронная почта
Анализ применяемых инструментов различается для следующих мо­ментов:
Реорганизация документов и формы
Оценка возможностей автоматизации административных биз­нес-процессов
Оптимизация степени использования административных техни­ческих инструментов






Финансовая служба и административная организация


Часто Отдел административной организации является частью организационной структуры финансовой службы.

Финансовая служба в данной ситуации несет ответственность за:
Экономический анализ предприятия и рекомендации.
Прогнозы, оценки и бюджеты.
Расчеты.
Обзоры финансирования и кредитов.
Казну.
Налоги.
Страхование.

Мероприятия по административной поддержке могут также включаться в функции финансовой службы. Такой тип организационной структуры объединяет всю административную информационную систему управления внутри одной функции. Финансовая служба может использовать различные отделы, имеющие опыт в какой-либо конкретной области (такие, например, как Отдел административной организации). В литературе представлены разнообразные интерпретации в отношении сочетания положения и задач финансовой службы.
Замечание: в зависимости от организации, ответственность за Справочник по административной организации может возлагаться на многие различные функции. (Например, мы рассматривали обязанности трудовых ресурсов, информационных систем, обеспечения качества, контроля производства или бухгалтерских функций). Мы продемонстрируем то, как следует вести справочник в организации, на примере случая, когда эта обязанность включена в функции финансовой службы.






Формулировка принципов


Далее необходимо определить, какие именно результаты будут достигнуты благодаря изменениям процесса.

Для каждого (под)процесса нужно сопоставить следующие моменты:
Степень, в которой цели достигаются в текущей ситуации (модель «как есть»).
Описание расхождения, обнаруженного между желаемой и действительной ситуацией.

Следует сформулировать цели, которые можно достичь путем изменений. При этом определяются не только цели изменений (в отношении улучшения точности и полноты обработки данных, уменьшения длительности цикла и т. д.), но и устанавливаются конкретные стандарты. При работе над желаемым изменением процедур обработки данных необходимо будет укачать те данные, для которых производится улучшение, а также назвать конкретные используемые критерии (в отношении полноты, точности и т. д.). В случае, если желаемое улучшение относится к длительности цикла, необходимо задать длительность цикла, которую планируется реализовать (в часах или рабочих днях).
Изменение процесса подвержено влиянию многих организационных условий. Эти условия могут относится к месту, где должны проводиться мероприятия (например, файлы личных дел сотрудников должны вестись в регистратуре), к выбранной комбинации мероприятий (например, отдел кредиторской задолженности должен санкционировать поставки), к занятости в процессе конкретных сотрудников (например, менеджер должен утверждать расходы) и т. д. Условия могут также включать использование наборов данных и применение средств компьютеризованной обработки данных (например, если выписка счетов-фактур для различных отделов продаж производится на одном центральном компьютере и к вводимым документам и процедурам применяются очень строгие правила). Такие организационные условия, составляющие часть формулировки базовых принципов, необходимо корректировать. Иногда организационные условия являются настолько строгими, что их невыполнение влечет за собой невозможность достижения намеченных целей. В этом случае продолжение разработки модификаций, очевидно, будет бессмысленным. Перед тем как тратить на планирование модификаций дополнительные усилия, необходимо изменить либо организационные условия, либо цели процесса.
После согласования целей процесса и организационных условий можно продолжать дальнейшую разработку модификаций. Сначала определяются те существенные компоненты текущих процессов, которые нужно менять, а затем те, которые нужно оставить без изменения.






Функциональное разделение 


Это распределение меропри­ятий между отдельными людьми и/или отделами с точки зре­ния противоположных интересов.
Функциональное разделение может быть также введено между раз­личными фазами цикла обработки операций, с тем чтобы провести раз­граничение между функциями управления, исполнения, хранения, доку­ментирования и контроля. Функция распоряжения принимает решения, которые оказывают влияние на административные бизнес-процессы, та­кие как закрытие заказов на продажу, закрытие заказов на приобретение и недопущение найма новых работников. Примерами функции исполне­ния являются мероприятия, осуществляемые в отделе отгрузки продук­ции, отделе приёмки или в отделе набора персонала. Функция хранения относится к накоплению запасов товаров на торговом складе. В то же

время, функция хранения может включать и себя депонирование и хране­ние претензий и долгов и даже такие вопросы как патенты, ноу-хау, ли­цензии и т. д. Контрольная функция включает в себя действия по контро­лю функционирования. Они представляют собой контрольные действия, встроенные в административный бизнес-процесс (отдел отгрузки продук­ции сравнивает складские документы, подтверждающие получение груза покупателем, и первоначальный заказ, полученный отделом продаж), а также контрольные действия, выполняемые независимой структурной единицей (отделом контроля).
Функциональное разделение может быть введено между различными фазами потока (движения) товаров или услуг через организацию. В про­изводственной организации функциональное разделение может относить­ся к распределению мероприятий между отделами материально-техничес­кого снабжения (отдел закупок), производственным отделом и отделом продаж. В банке функциональное разделение может включать в себя раз­мещение регистрации и вложение фондов на определенном рынке в двух разных отделах.
Третьей возможностью введения функционального разделения фор­мируется дроблением мероприятий по разным товарам или услугам, ко­торые организация производит или закупает. В торговой организации про­дажа различных неоднородных частей может осуществляться двумя раз­ными отделами. Дробление задач в организации происходит на основе коммерческих или других соображений. Содействие развитию хорошего внутреннего контроля является всего лишь одним из определяющих фак­торов.

Использование автоматизированных систем в организации предъяв­ляет особые требования к показателям внутреннего контроля из-за следу­ющих факторов:
Документирование исходных данных в ряде наборов данных (ручных и размещенных в разных местах) не проводится многократно, а происходит путем однократной записи в один или несколько взаимосвязанных (компьютеризированных и концент­рированных в определенном месте) наборов данных (см. также Рисунки 4.N и 4.0 в Разделах 4.13.2 и 4.13.3).
Интеграция (объединение в одно целое) наборов данных снижа­ет возможность того, что ряд сотрудников будет обрабатывать одни и те же данные и сравнивать полученные результаты.

Интеграция последовательных административных действий сни­жает вмешательство человека в административный процесс и таким образом снижает возможности для построения функцио­нального разделения. Это может привести к снижению количества связей (форм и т. д.), которые должны пониматься сотрудниками или быть ясными для них. Иногда необходимость в функциональном разделении исключается, так как процесс полностью автоматизирован; к примеру, в ходе обмена данными или магнитными лентами между организациями.
Концентрация мероприятий в компьютерном центре (разработка программ, ввод данных, наблюдение за выходными данными и т. д.) может побудить к использованию специальных мер по контролю.


В отношении внутреннего контроля необходимо гарантировать, что:
Используемые программы приводят к желаемым результатам.
В компьютер вводятся точные и полные данные.
Используются правильные программы и наборы данных.
Оборудование хорошо функционирует без нежелательного вмешательства во время работы программы.
Наборы данных защищены от аварийных ситуаций.
В наборы данных не вводятся неправильные или недопустимы исправления.
Возможно восстановление в случае выхода из строя компьютера.

Эти гарантии могут быть также реализованы путем:
Введения функционального разделения между проектируемыми требованиями системы, спецификациями пользователей, разработкой технических систем (программирование), оценкой разработанных систем и фактической обработкой данных. Пользователи должны быть убеждены в том, что разработанные программы приведут к желаемым результатам. Установка функционального разделения, упомянутая выше, должна помочь в выявлении несанкционированного использования программ.
Введения при обработке данных функционального разделения между вводом, контролем и хранением наборов данных, компьютерных программ и обработкой данных при помощи компьютера.
Внедрения специальных контрольных мер в компьютеризированные процессы обработки, такие как программное управление, использование контрольных чисел, процедурное peгулирование, периодическое проведение проверок электронной обработки данных и т. д.      

Часто в небольших организациях невозможно или неэффективно проводить строгое распределение функций. В этих небольших организациях
один человек может отвечать за весь процесс, поэтому будет неэффективно проводить добавляющий стоимость внутренний контроль по завершении отдельных подпроцессов или мероприятий. К примеру, в очень маленькой организации один человек может полностью отвечать за разработку про­дукции и он является единственным, кто способен проанализировать эффек­тивность отдельных мероприятий в рамках цикла разработки новой про­дукции.
Часто имеют место сочетание различных функций. Следует избегать этого, с тем чтобы не оставлять незамеченными ошибки в обработке дан­ных. Необходимо пересматривать и попутно оценивать установившееся функциональное разделение и контрольные меры, чтобы выяснить, отве­чают ли они требованиям, описанным на этапе А. Следует указать недо­статки и их причины.

Оценить полную систему внутреннего контроля (для всех административных бизнес-процессов вместе)
Система внутреннего контроля должна быть спроектирована на ло­гическом уровне. Даже если внутренний контроль отдельных процессов может быть оценен как достаточный, это не исключает возможности оши­бок отдельных сотрудников (пример: неполные, неточные, недопустимые, записанные или обработанные с опозданием операции). Следует осветить подобные разрывы в общей системе контроля путем оценки организации общей системы внутреннего контроля. Это можно эффективно реализо­вать на основе общего обзора, обсуждаемого в Приложении IV и конт­рольных действий, перечисленных на Рисунке 4.К. Общий обзор мер внут­реннего контроля будет рассмотрен в Главе 5 (Рисунок 5.Е).
Сформулировать основные принципы изменения процессов и/или системы
На основе результатов этапов В или С определяется способ улучше­ния интеграции внутрифирменных средств контроля в административном бизнес-процессе.





Функционирование системы внутреннего контроля


Подтверждение того, что система внутреннего контроля хорошо ус­тановлена, еще не значит, что она действительно функционирует так, как это предполагалось. Всегда существует возможность, что административ­ный бизнес-процесс будет функционировать не так, как это описано в схе­мах. Часто игнорируется выполнение регулирующих воздействий. Таким образом, время от времени необходимо оценивать фактическое функцио­нирование системы внутреннего контроля.
В этой книге не представлены методологии оценки функционирова­ния системы внутреннего контроля, поскольку потребовалась бы глубока обработка этих методов и методик. Такая обработка выходит за рамки данной книги. Мы ограничимся описанием ряда средств, которые могут применяться для оценки функционирования системы внутреннего конт­роля. Это описание предлагается вниманию читателей для того, чтобы' заинтересовать их вопросами, касающимися внутреннего контроля, предлагает помощь в оценке фактического функционирования систем!' внутреннего контроля.
Контроль глобальных отношений применяется для сравнения между собой ряда операций (сделок) за определенный период. Примером этого является сравнение затрат отдела дебиторской задолженности за опреде­ленный период с кредитом счетов реализации за тот же период. Когда оба счета объединяются отдельными процессами при помощи отдельных исходных данных, в которой объединен ряд контрольных точек, при по­мощи контроля глобальных отношений может сформироваться мнение размере зарегистрированных сумм. Контроль глобальных отношений не дает детальной иллюстрации того, точно ли выполнены различные inf рационные процессы.
Проверка процедуры - исследование, в котором полностью прослеживается развитие административного бизнес-процесса для одной или нескольких операций от начала до конца. На основе документов, созданных в ходе процесса, и учитывая информацию, которая содержится в наборах данных, применяемых в документах, вы можете изучить, точно ли операции выполняются в соответствии с инструкциями. Вам следует об­ратить внимание на то, правильно ли выполняются контрольные действия. Это можно проверить, повторив контрольные действия и пересмотре документы с тем, чтобы убедиться, что на документах присутствуют все необходимые (контрольные) подписи.
При детальном контроле детально анализируется мероприятие административного бизнес-процесса, который используется многими операциями. К примеру, детальный контроль процесса обработки заказов может включать в себя обзор того, правильны ли расчеты по накладным, осуществляется ли контроль накладных в соответствии с инструкциями и т. д.
При выполнении численной оценки команда по улучшению процесс, информирует численное мнение о приемлемости представленного численного материала. Ценность такой оценки заключается в том, что она указывает на внутренние расхождения между различными группами цифр оценивает их. Численная оценка может проводиться путем сравнения финансовых смет с фактическими результатами или путем оценки границ колебания цены, которые устанавливаются при продаже различных категорий изделий. Численная оценка может также быть очень важна при ана­лизе различных компаний или частей компании.
Отчёты об остатках на счетах используются для контроля правиль­ности записи сальдо счетов отдела дебиторской задолженности, отдела кредитов. Баланс предоставляется владельцам счета. При позитивном результате контроля баланса владельца счета просят подтвердить точ­ность его составления. При негативном результате владельца его просят ответить только в случае несоответствия баланса его собственным расче­там.
Контроль пригодности применяется для контроля пригодности доку­ментированных активов. Его примером является инвентаризация сырья и материалов.
Случайное наблюдение означает, что в ходе административного биз­нес-процесса процессы могут быть проверены анонимными группами или отдельными людьми. Эти отдельные люди обычно будут пересматривать операцию с тем, чтобы определить, правильно ли выполняются меропри­ятия. Примером случайного наблюдения является проведение проверки в различных отделах магазина (склада) для измерения того, насколько точно и полно кассиры вводят данные о продажах (для получения дополнитель­ной информации о разработке внутреннего контроля информационных систем см. Раздел 5.3).






Горизонтальная схема


Эта форма схемы привлекательна с точки зрения использования места (особенно когда организация достаточно широка). Для экономии места по длине страницы самостоятельные отделы представлены с помощью линий, а не квадратов (см. Рисунок I.D).
На практике также используется третий тип размещения, круговое размещение, в котором равные иерархически упорядоченные позиции расположены в концентрических кругах.

Правила составления чертежей
Количество правил изображения схем организационной структуры в общем ограничено.

Горизонтальная схема

Рисунок I.E    Схема организационной структуры

Чертёжник должен как можно точнее придерживаться следующих правил:
Сотрудники, находящиеся выше по иерархии, должны быть изображены над нижним (в вертикальной схеме) и слева над нижним (в горизонтальной схеме).
Следует разрешать конкретизацию имен, «веса» отделов, классификационных позиций, возраста сотрудников и т. д.
Комиссии и консультативные подразделения должны изображаться на том уровне, на котором они возникли.
Отдел кадров должен изображаться рядом с отделами, к которым прикреплены сотрудники.
Квадратами обозначаются отделы и сотрудники; кружками -консультативные подразделения.

Следует заметить, что в некоторых фирмах различие между линейными отделами и отделами кадров часто не может быть задокументировано соответствующим образом. Все отделы, независимо от их природы, затем группируются в как можно более крупные группы и изображаются рядом друг с другом в схемах. Рисунок I.E представляет пример этого путем группировки отделов по так называемым операционным, функциональным и вспомогательным мероприятиям организации.















Иерархический обзор административных бизнес-процессов


Иерархический обзор административных бизнес-процессов (i) может дать понимание структуры и состава административной системы. Он демонстрирует внутреннюю иерархию административных бизнес-процессов в связи с функциями этой системы. В связи с этой функцией проводится целенаправленный обзор целей информационного управления (см. также Приложение III).
Мы сейчас рассмотрим тот факт, что исходя из бизнес-процессов, можно описать организованную иерархию процесса обработки данных с целью сформировать ожидания о приложении информации (описание см. в Разделе 5.4). Также выделяются процессы, являющиеся компонентами па-бора средств информационного контроля (описанных в мероприятии 2).





Инструкции для Справочника по административной организации


Цели Справочника по административной организации (см. Раздел 7.3)-создание единообразной структуры различных разделов и одинаковое использование символов. Введение такой единообразной структуры и подготовка управления и распространения справочника являются наиболее важными целями инструкций для Справочника по административной организации. На практике, они описываются главным образом в Разделе 0. Содержание Раздела 0 представлено на Рисунке 7.D. Ниже по каждой главе будет сделано несколько комментариев.
Глава 2 Раздела 0 содержит оглавление полного Справочника по административной организации.

В этой главе рассматривается следующее:
Содержание по разделам
Структура, используемая в главах и разделах.
Содержание глав

Так как административная организация постоянно корректируется, желательно оформить справочник в виде скоросшивателя или компьютеризировать его. В случае изменений руководству не придется каждый раз рассылать полный экземпляр справочника. Достаточно будет разослать измененные части. Поэтому каждая страница должна иметь уникальный идентификатор. Для этого служит заголовок каждой страницы. Содержание заголовка, как показано па Рисунке 7.Е, идентифицирует каждую страницу единственным образом, по возможности независимо от выбранной структуры справочника.
Необходимо обновлять оглавление справочника, чтобы отразить изменения, зарегистрированные в течение фазы документирования. По этим изменениям можно быстро узнать, какие изменения были внедрены и соблюдались ли предписанные процедуры. Если стандарты документирования не регистрировались больше нигде в организации, то их следует внести в справочник, в Главу 7 Раздела 0 (правила изменений).
В Главе 3 Раздела 0 указывается, как управление административной организацией и справочник включаются в организацию. Это будет далее обсуждаться в Разделе 7.6, посвященном подробному изучению управления.
В Главе 4 Раздела 0 описывается подготовка к распространению справочника. Распространением справочника занимается отдел, ответственный за ведение справочника. Имена сотрудников, получивших копню справочника, должны быть занесены в список распределения. Затем измененные варианты выдаются сотрудникам в соответствии с этим списком.
Возможно, что сотрудники получат только некоторые разделы справочника. В этом случае выданные разделы должны быть отмечены в списке распределения, и затем следует распространять лишь изменения к соответствующим разделам.

Вместе с обновленными вариантами справочника распространяется сопроводительный список, в котором, помимо прочего, указывается следующее:
Страницы, которые будут добавлены.
Страницы, которые будут удалены.
Дата рассылки.
Дата предыдущих изменений.
Количество текущих изменении.
Количество предыдущих изменений.

Справочник по административной организации




Страница:
1
Раздел:
0. Инструкции для Справочника
Версия:
2
Глава:
2. Содержание Справочника
Автор:
Noordam
Параграф:
4. Идентификация страниц
Изменено:
06-10-1991
Подпараграф:
Дата:
01-13-1992

Рисунок 7. Е Заголовок страницы Справочника по административной организации

Во всех случаях рассылается новое оглавление справочника. Возможно также ступенчатое распространение, при котором множество экземпляров справочника выдается начальникам отделов, которые по своему собственному усмотрению могут распределять их среди сотрудников. При использовании справочника следует соблюдать несколько условий, а именно: содержание должно быть надежным и использовать его следует только в ходе осуществления мероприятий организации. Таким образом, сотрудники обязаны вернуть справочник после того, как закончат свою работу. Способ, при котором справочники распространяются по комнатам, нежелателен, если на сотрудников не возложена ответственность за распределение копий в каждой комнате.
Несколько правил для документирования описаний в справочнике приведены в Главе 5 Раздела 0. Эти принятые правила схематического изображения должны быть увязаны с выбором ширины и глубины документирования (см. Разделы 3.4 и 3.5). В приложении читатель найдет примеры правил использования методик документирования. Компьютеризированные инструменты, используемые для документирования (см. Раздел 7.3), могут по роду своего действия оказывать влияние на разработку правил. В Разделе 7.6 описывается применение компьютеризированных инструментов из Главы 6 Раздела 0.
Глава 7 Раздела 0 содержит правила внесения изменений в справочник. В принципе, всем пользователям справочника дается право вносить предложения об изменениях или дополнениях к административным бизнес-процессам. Для осуществления изменений необходимо использовать хорошие процедуры, включающие достоверную проверку всех возможных последствий.

Очень важными являются следующие действия:
Регистрация предложения об изменении или дополнении к административным бизнес-процессам в центральном отделе - Отделе административной организации.
Ориентировка инициаторов, задействованных менеджеров отделов и Отдела административной организации в отношении изменения/адаптации.
Исследование результатов изменения в отношении других административных бизнес-процессов, производительности, внутреннего контроля, автоматизированных систем и т. д.
Назначение сотрудника, который должен одобрить изменение и составление предложения к дате завершения (делается Отделом административной организации).
Создание концептуального описания административного бизнес-процесса, в котором основное внимание уделяется связи с другими процессами, результативности и эффективности, фи к торам управления и автоматизации.
Оценка концептуального описания (начальниками отделов, а также внутренними и внешними экспертами).
Предложение заключительного описания процесса (Отделом административной организации).
Отправка описания в отдел документации. (Этот отдел подтверждает соответствие описания требованиям формы, отвечает за регистрацию его в справочнике, а также за доставку описания в организацию.)
Представление административного бизнес-процесса участвующим в нем отделам (под руководством Отдела административной организации, если это необходимо).
В целях контроля за завершением всех этапов внедрения изменении, можно, начиная с момента возникновения инициативы по изменению, регистрировать их в файле изменений, где может быть отмечено завершение каждого этапа.

Таблицы файлов изменений могут содержать следующие колонки:
Номер.
Описание инициативы.
Номер процесса.
Дата одобрения.
Дата внедрения.
Одобрено (кем).
Регистрация в справочнике.
Оценка.
Окончательная виза.

В Главе 8 Раздела 0 представлены правила обработки текстов для справочника. Здесь можно рассматривать определение размера текстов, макета страницы, использование различных типов шрифтов, заранее определенных макросов в программном обеспечении текстовых процессоров, а также использование специальных видов бумаги. В этой главе может также описываться подготовка, изменение и сортировка текстовых файлов и файлов компьютеризированных средств.
В Главе 9 Раздела 0 формулируются определения и концепции терминов, применяемых в разделе 0, а также рассматривается их связь с другими терминами и концепциями.




Использование преимуществ возможностей стандартизации


Анализ возможностей стандартизации административных бизнес-процессов будет направлен на изучение применяемого оборудования, по­требностей офиса и способов, которыми выполняются различные мероп­риятия.
Для компьютеризации офиса важными условиями достижения успе­ха являются стандартизация методов работы, системы кодирования и т.д. Примером выполнения различных мероприятий в различных местах яв­ляется агентство временного трудоустройства, в котором проводится ре­гистрация новых временных работников и запись запросов потребителей временных работников.
Где выполняются мероприятия?
В какой части административного бизнес-процесса выполняются мероприятия?
Зачем выполняются мероприятия?
Что является желаемым результатом мероприятий?
При каких условиях должны выполняться мероприятия?
Используя этот подход, команда по улучшению процесса может ана­лизировать, нужны ли различия между отделами в отношении цели ме­роприятия, требуемых результатов и предварительных условий. Таким образом вы сможете определить, существуют ли возможности для стан­дартизации мероприятий.






Категории


Взаимосвязи. Это означает, что существует взаимодействие между рядом мероприятий, мероприятия могут влиять друг на друга. К примеру, клиент заказывает изделие по телефону, проверяется наличие этого изделия на складе, клиента информируют, что данного изделия в настоящий момент нет в наличии, клиент заказывает другое изделие и т. д. При существовании взаимосвязи сильна связь между мероприятиями.
Последовательные связи. Различные мероприятия осуществляются в определенной последовательности. К примеру, заказ написан на бланке заказа, изделия, перечисленные в бланке заказа, возвращены с торгового склада и т. д. Связи между мероприятиями, выполняемыми различными отделами или сотрудниками, могут варьироваться от слабых до относительно сильных. Связь между мероприятиями в смежных отделах должна становиться сильнее, если увеличивается частота обмена сообщениями или документами между отделами. В качестве примера можно привести отношение процедур управления кадрами и задач управления хранением в крупной организации. Для каждого мероприятия в процедуре найма на работу нового сотрудника задача управления хранением включает в себя изъятие записи данных о персонале. После того как это мероприятие было выполнено, запись помещается на место. Это происходит восемь раз для каждого приема на работу нового сотрудника. Связь между задачами в обоих структурных подразделениях классифицируется как сильная.
Целью анализа является достижение понимания степени, в которой тесно связанные между собой мероприятия распределены между рядом отделов и работников. Это распределение требует дополнительных ме­роприятий по получению одобрения в устной форме, обмена формами, обмена наборами данных и т. д. Кроме того, следует собрать и изучить данные, относящиеся к затратам на получение одобрения, для минимиза­ции этой не добавляющей ценности деятельности.
Улучшения в отношении затрат и длительности цикла могут быть реализованы путем перегруппировки мероприятий таким образом, что-бы группировка лучше отвечала тесноте связей.
Способ, которым функции управления, исполнения, хранения, доку­ментирования и контроля распределены в рамках одного административ­ного бизнес-процесса или в рамках группы административных бизнес-про­цессов между различными отделами, может также формировать содержание анализа для оценки внутреннего контроля. Большее внимание этой теме уделяется в Разделе 4.8.
Вы должны учитывать, что менеджер профессиональных сотрудни­ков может работать эффективно, только если под его руководством нахо­дится не меньше пяти и не больше двенадцати человек (норма управляе­мости). Если их меньше пяти человек, то слишком мало задач по управ­лению на целый рабочий день, если больше двенадцати - менеджер дол­жен опасаться слишком большой нагрузки, поскольку у него не будет вре­мени для того, чтобы в достаточной степени обдумывать все свои обязан­ности.
Различные, только что упомянутые точки зрения, часто противоре­чат друг другу. Стремление добиться оптимального набора задач с точки зрения удовлетворения условиями труда противоречит критерию стрем­ления к схожести задач. При оценке группировки административных за­дач следует учесть тот факт, что улучшение группировки по одному кри­терию часто приводит к ухудшению группировки по другому критерию. К примеру, если все инженеры работают в одном отделе, а производствен­ный персонал исполняет совершенно другие функции, производственная функция оказывается не обеспечена достаточным уровнем технической поддержки. Следовательно, при проведении оценки имеет смысл учиты­вать все эти критерии. Группировка мероприятий должна реализовываться таким образом, чтобы соображения различных критериев как можно луч­ше согласовывались между собой или, по крайней мере, не сильно проти­воречили друг другу.






Компьютеризация Справочника по административной организации


С точки зрения качества и продуктивности, рекомендуется компьютеризировать Справочник по административной организации. Это может быть сделано на персональном компьютере.

В связи с этим важными являются следующие программы:
Текстовые процессоры для работы с текстом справочника.
Программы построения схем с помощью методик документирования, описанных в приложении.
Текстовые процессоры дают возможность заново компоновать части текста, изменять его и т. д. Средства текстовой обработки упрощают быстрое внесение изменений в текст справочника в случае изменений в административной организации.
Схемы, включенные в Справочник по административной организации, могут быть начерчены вручную. При этом используются распечатанные ранее шаблоны и формы. Однако ручное построение схем имеет ряд недостатков: оно требует много времени, схемы сложнее обновлять, а также приходится вручную отслеживать соблюдение соответствия между различными схемами.
Существуют компьютерные программы, которые автоматизируют построение схем. Эти программы используются в персональных компьютерах или сетях. Построение схем с помощью такой программы имеет множество преимуществ.
Для опытных пользователей построение занимает намного меньше времени.
Схемы можно сохранять в виде компьютерных файлов данных и обновлять позднее.

Оформление чаще всего имеет очень высокое качество, так как можно распечатывать схемы на лазерном принтере, подбирать тип букв под размер схем, а также управлять различными функциями форматирования, например центрированием текста и символов.
Простота обновления текста или схем является важным преимуществом компьютеризированной версии справочника перед ручной. При документировании, анализе или разработке проектов окончательная схема получается не с первого раза, а путем последовательных улучшений. Использование компьютеризированных инструментов документирования может привести к существенному увеличению производительности.
Применение компьютеризированных инструментов документирования имеет также некоторые недостатки. Чтобы освоиться с принципами работы программы, требуется определенное время. Однако доступные па рынке программы имеют удобный для пользователя интерфейс и обычно управляются при помощи мыши. Вторым недостатком является необходимость инвестиций в аппаратное и программное обеспечение. Безусловно, в наши дни персональные компьютеры стали общедоступным средством. Однако, несмотря на это, вложения в необходимое программное обеспечение могут быть весьма существенными, особенно если речь идет о наиболее современных инструментах. То, насколько оправдано это вложение, зависит от преимуществ, которые оно дает в каждой конкретной ситуации.
Приближенно можно выделить три группы компьютеризированных инструментов документирования:
Программы рисования в свободном стиле. Они дают пользователю полную свободу в выборе иллюстраций. С помощью этих программ можно нарисовать как иерархическую схему-обзор, так и дома с деревьями. Тот факт, что эти программы предназначены для рисования в свободном стиле, несколько затрудняет их использование для построения схем административной организации.
Программы структурного или специализированного рисования. Эти программы специально разрабатывались для построения конкретных видов схем. Они содержат стандартные символы, которые можно использовать снова и снова. Программы специализированного рисования имеют ряд преимуществ перед программами рисования в свободном стиле. В них можно задать фиксированную разметку, определяющую положение символов (всегда друг под другом или рядом друг с другом), а затем управлять ею. Ограничение возможностей пользователя по свободному рисованию помогает обеспечивать однородную структуру схем. Структурирование повышает производительность документирования.


Комбинированные (интегрированные) инструменты документирования. Они представляют собой особую категорию структурированных или специализированных программ рисования.
Комбинированные инструменты документирования специально предназначены для построения интегрированной модели административной организации. Комбинированные инструменты документирования принадлежат к автоматизированным инженерным средствам (CASE). В этих программах схемы являются промежуточными блоками. С помощью схемы пользователь вводит символы в энциклопедию. Эта энциклопедия сохраняется  в центральной базе данных. При вызове схемы она не считывает с диска, а составляется из символов и связей, хранимых в энциклопедии При сохранении схемы символы и связи, содержащиеся в ней, считываются в энциклопедию. Каждый символ представлен в энциклопедии лишь однажды. Каждый раз, при вызове схемы, содержащей этот символ он копируется из энциклопедии и вставляется в схему (см Рисунок 7 F)

Компьютеризация Справочника по административной организации

Рисунок 7.Р  Свободные, структурированные и комбинированные инструменты документирования

Таким образом, если изменяется имя документа, то изменение переносится и в энциклопедию. Имя документа изменяется также но всех других схемах, где фигурирует документ.

Конкретные преимущества комбинированных инструментов:
Способность документировать крупные и сложные административные организации как единое целое, не теряя при этом общего представления. Это особенно важно при высокой степени интеграции административных процессов.
Для каждого символа можно сохранять любые свойства, определения и комментарии.
Повышение производительности, поскольку данные и их изменения необходимо вводить только один раз.
С помощью инструмента документирования проводится отслеживание соответствий внутри сложной документации.
Простота составления отчетов об административной организации в целом.





Менеджер по информации и административная организация


Обязанности административной организации до сих пор находятся в процессе разработки, в частности из-за влияния компьютеризации процессов, офиса и т. д Среди должностей, частично ответственных за административную организацию (таких как внутренний бухгалтер, внутренний отдел контроля, эксперты административной организации, системные разработчики, финансовая служба) появилась и новая должность менеджера по информации.

Менеджер по информации несет ответственность за:
Отслеживание соответствия между организацией, информационной политикой и информационными планами (и последующими автоматизированной политикой и планами).
Изменяемые аспекты вышеозначенного.
Описание будущих информационных потребностей в свете долгосрочной информационной политики.
Разработка и управление концептуальной схемой административной информационной системы управления (с акцептом на пользовательскую спецификацию системы).
Отслеживание конфликтов между отдельными проектами (частично определяемого системой информационного управления).

Менеджер по информации на абстрактном уровне занимается аспектами информационной системы, ориентированной на пользователей. Мы рекомендуем, чтобы должность менеджера по информации не была административной и зависимой от пользователей и возможного компьютерного центра. Часто эта должность вообще не является управленческой. Встречается также совмещение должностей начальника финансовой службы и менеджера по информации.






Мероприятие 1 (2)


Мероприятие 1 (2)
 
Рисунок 5.А Логический процесс при проектировании административных бизнес-процессов

Эти измерения будут использоваться для определения ключевых целей процесса.
Ключевыми факторами успеха (КФУ) называются факторы, имеющие решающее значение для выполнения бизнес-плана организации.






Мероприятие 1: Формирование команды по внедрению нацеленного на будущее решения


На Фазе IV команда по внедрению нацеленного на будущее решения может набираться как из тех же самых людей, что создавали нацеленное на будущее решение, так и из других людей. (Замечание: наилучшее нацеленное на будущее решение (BFSS) было выбрано в ходе предыдущей фазы. В оставшейся части книги наилучшее нацеленное на будущее решение BFSS будет использоваться наряду с просто нацеленным на будущее решением.)

Очень часто от специалистов требуется:
Определить проект процесса.
Предоставить требуемое программное обеспечение и оборудование для информационных технологий.
Провести подготовку (обучение).
Завершить детальное документирование.

В результате команда по внедрению нацеленного на будущее решения набирает дополнительный вспомогательный персонал. Команда по внедрению нацеленного на будущее решения (далее называемая командой внедрения) несет ответственность за три задачи, а именно:
Внедрение нацеленного на будущее решения.
Внедрение плана по управлению организационными изменениями.
Измерение влияния будущих изменений.
В большинстве случаев члены команды являются отличными агентами технических изменений, но они редко осознают свою роль как агентов изменений в процессе по управлению организационными изменениями.
Первым мероприятием, которое должна провести команда внедрения, является обучение ее членов процессу улучшения, только что завершенному командой по улучшению процесса, так, чтобы у команды внедрения было полное понимание утвержденного нацеленного на будущее решения. Следующим этапом их подготовки является обучение управлению организационными изменениями, в котором особенно подчеркивается их роль как агентов изменений, связанных с людьми. Каждый член команды внедрения должен научиться содействовать изменениям в организации. Во время этого обучения будет подготовлена ролевая карта изменения проекта и определены следующие роли (см. главу 7):
Спонсоры-инициаторы.
Поддерживающие спонсоры.
Агенты изменений.
Объекты изменений.
Сторонники.






Мероприятие 1: Определение начальной позиции организации


Задание базовых организационных принципов
Целью административных бизнес-процессов является создание инфор­мации, требуемой для функционирования, выполнения и управления те­кущими делами организации и связанными с ними обязанностями. Од­ним из первых требований к формулировке базовых организационных принципов является требование продумать, как информация используется в ежедневной деятельности.

Такое использование информации зависит от:
Первичных процессов (а)
Метода управления (контроля) (с)
Организационной структуры (d)
Определение
Первичным процессом (ключевым процессом) называется ос­новной процесс, который имеет решающее значение для ус­пешной деятельности всей организации.
Первичные процессы

Схема на Рисунке 5.А начинается с бизнес-процессов (а) организа­ции. Результатом этих первичных процессов являются продукты, выпус­каемые в ходе ежедневной деятельности. Для каждого продукта можно указать, каким требованиям по эффективности он должен соответство­вать, чтобы удовлетворить требованиям потребителей и/или закона (b). Точно так же возможно установить, каким требованиям по производи­тельности должен соответствовать первичный процесс при заданных внут­ренних целях, таких как затраты и уровень запасов. Измерения, относящиеся к первичным процессам, образуются из глинных целей организации и ключевых факторов успеха.






Мероприятие 2: Определение применения информации


Содержание системы информационного управления в организации может быть определено на основе управленческих решений, организаци­онной структуры, а также методов управления и работы.

Это включает:
Информацию, которая используется для функционирования, выполнения и управления текущей деятельностью и связанных с ней обязанностей.
Критерии качества для этой информации.
Подходящий набор средств внутреннего контроля.






Мероприятие 2: Разработка плана внедрения


Хотя план внедрения в общих чертах часто подготавливается во время Фазы IV, детальный план внедрения должен быть подготовлен командой внедрения на данной фазе.
Команда внедрения должна сосредоточить свои усилия на разработке детального плана на последующие 90 дней. Затем готовится менее подробный план на оставшуюся часть проекта. Важно умело соединить внедрение и детальные планы по управлению организационными изменениями, совмещая как технические мероприятия, так и мероприятия по управлению организационными изменениями. Особенно тщательно следует проверить объединение и согласованность мероприятий, причисленных к различным функциям. В большинстве проектов каждая функция стремится работать как автономная единица. Однако при внедрении нацеленного на будущее решения такой подход неприемлем.

Ниже приведен контрольный список, который следует заполнить для каждого изменения.
Были ли сотрудники предупреждены об изменении заранее и на все ли их вопросы был дан ответ?
Какие эксперименты были проведены для доказательства того, что изменение принесет желаемый результат?
Есть ли отрицательные побочные эффекты?
Если да, то какие?
Была ли обновлена вся документация перед внедрением изменения, чтобы отразить изменение?
Была ли разработана программа подготовки работников и составлено ее расписание для поддержки изменения?
Как будет команда внедрения измерять эффективность обучения?
На какие измерения будет оказано влияние, как положительное, так и отрицательное?
Имеются ли данные об этих измерениях до внедрения изменения?
После внедрения изменения как долго придется ждать команде внедрения до момента, когда можно будет оценить эффект от изменения?
Какие мероприятия по управлению организационными изменениями требуются для поддержки изменения и составлено ли расписание этих мероприятий?
В течение какого времени после внедрения изменений потребуется внешняя поддержка и какого рода должна быть эта поддержка?

Долгосрочный план внедрения используется для постоянного обновления детального плана на последующие 90 дней. Каждый месяц мероприятия на первый месяц 90-дневного детального плана изымают, а часть долгосрочного плана, рассчитанную на очередной месяц, детализируют и вносят в детальный 90-дневный план с целью его обновления. Например, если детальный 90-дневный план включает июнь, июль и август, то и начале июля опускают июньскую часть плана и добавляют к нему легализированную сентябрьскую часть, получая тем самым скользящий детальный план на 90 дней.







Мероприятие 3: Проектирование логической структуры


В данном мероприятии проектирования проводится обзор административно-организационной системы. Использование информации, требования, предъявляемые к системе информационного управления, и соответствующие средства информационного управления определяют окончательный проект процесса. Мы займемся вопросом обработки требований для их использования в проектировании административной системы. Логическое проектирование включает следующие элементы, начиная с указанных на Рисунке 5. А:

Концептуальную модель данных (h).
Иерархический обзор административных бизнес процессов (i).
Дополнительный, более подробный анализ связей между моделью данных и административными бизнес-процессами (j).
Концептуальная модель данных

В Разделе 5.4 указывается, как составлять определения данных (h). Составление этих определений будет продолжено в фазе логического проектирования. В то же время, в течение этой процедуры будут установлены свойства приложений, для которых нужны данные, и отношения между этими приложениями. Для целей данной книги нет необходимости рассматривать вопросы моделирования данных в большом объеме; по этому предмету опубликовано достаточно много хорошей литературы.







Мероприятие 4: Проектирование физической структуры


Проектирование физической структуры административных бизнес-процессов (см. Рисунок 5. А.) включает следующие вопросы:
Какие организационные единицы должны осуществлять мероприятия по обработке данных.
Какие мероприятия должны быть включены как часть административного бизнес-процесса и какова должна быть последовательность действий в административном бизнес-процессе.
Какие файлы и формы данных являются необходимыми.
Подробное описание процесса, соответствующих рабочих инструкций и разметок форм и файлов.
Затраты и длительность цикла проектируемого процесса.

Для физической разработки административных бизнес-процессов важно иметь хорошую иллюстрацию различных аспектов подхода (переменных проекта). Решения, упомянутые выше, непосредственно влияют на выполнение заданных требований. Полный спектр возможных переменных проекта достаточно велик. На Рисунке 5.G представлена выборка, которая, по-видимому, работает на практике. Эти переменные являются результатом мероприятий 1, 2, и 3 (см. раздел 5.2).
Постоянно создается впечатление, что различные переменные проекта противоречат друг другу. В этом случае необходимо сделать правильный выбор приоритетов, которые будут применяться к различным переменным проекта. Разумно также указать минимальные требования в отношении других переменных проекта. Набор приоритетов будет зависеть от требований клиента и требований, установленных законом, характера процесса управления, организационной структуры, и т. д.






Мероприятие 5: Измерение и составление отчета по результатам улучшения


Регулярно, через заданные промежутки времени (около месяца),  команда внедрения должна готовить отчет о состоянии дел. Отчет должен содержать:
Текущие достижения по сравнению с планом.
Обновленный детальный 90-дневный план.
Результаты улучшения по сравнению с прогнозами. Важно понимать, что многие из улучшений имеют связанную с ними кривую обучения, характер которой таков, что максимум уровня улучшения не может быть достигнут до максимума операционной эффективности.
Расходы по сравнению с запланированным бюджетом.
Результаты всех исследований по управлению организационными изменениями.
Любые непредвиденные проблемы.
Эти отчеты о состоянии дел следует представить исполнительной команде и постоянным спонсорам.






Мероприятие 6: Проведение периодических обзоров


Команда внедрения должна проводить очень краткие периодические обзоры достижений с постоянными спонсорами и заинтересованными членами исполнительной команды. В начале процесса внедрения эти обзоры должны проводиться ежемесячно. По прошествии первых 90 дней они должны проводиться сразу после выполнения очередного основного этапа или как минимум раз в 90 дней. На этих совещаниях внимание должно быть сосредоточено на достижениях во внедрении нацеленного на будущее решения и измеренных результатах.






Мероприятие 7: Сравнение результатов с целями


По завершении процесса внедрения, результаты следует сравнить с целями проекта улучшения. Кроме того, нужно детально вычислить трехлетнюю прибыль на инвестированный капитал. В это время команда по улучшению процесса и команда внедрения должны провести финальное обсуждение и анализ завершенного административного проекта по улучшению бизнес-процессов. Финальный анализ должен быть сосредоточен на определении творческих подходов, использованных той или иной командой, которые могли бы быть применены к другим административным бизнес-процессам, а также ошибках, которые были совершены в течение процесса улучшения. Результаты анализа должны быть задокументированы.






Мероприятие 8: Поощрение членов команды


Очень важно поощрять желаемое поведение, если администрация хочет, чтобы это поведение повторялось в будущем.

В большинстве книг по тотальному управлению качеством говорится о поощрении людей с помощью трех П:
Почетных грамот на стенку.
Похлопываний по плечу,
Представлений руководству.

Это все неплохо, но в проектах по улучшению бизнес-процессов необходимо добавить четвертое П - похлопывание по бумажнику. Проект по улучшению бизнес-процессов должен привести к существенному улучшению долларовой прибыли, и эти вновь полученные суммы следует разделить между организацией и двумя командами, которые сделали это возможным.
Вознаграждение должно быть выдано как можно ближе ко времени, когда наблюдалось желаемое поведение, так как именно в этот момент вознаграждение наиболее эффективно. Имея это в виду, необходимо вознаградить команду по улучшению процесса непосредственно после утверждения нацеленного на будущее решения исполнительной командой. Проблема с финансовым поощрением команды по улучшению процесса в этот момент состоит в том, что исполнительная команда еще не знает, насколько хорошо это решение. Таким образом, обычно для поощрения команды по улучшению процесса сразу после утверждения нацеленного на будущее решения используют одно или более из первых трех П, а финансовое вознаграждение выдается сразу после оценки решений па первые 90 дней. Команда внедрения обычно получает вознаграждение в конце цикла внедрения; при этом первые три П используются после успешного завершения каждого основного этапа.






Методики анализа длительности цикла


Анализ длительности цикла связан с измерением своевременности вы­полнения процессов. Если предыдущий анализ выявляет, что процессы не выполняются в срок, то при помощи анализа длительности цикла может быть проведено более детальное изучение областей, в которых возника­ют запаздывания.

Методики анализа длительности цикла

Рисунок 4.Н   Пример результатов анализа времени


Другой причиной проведения этих видов анализа является необходимость в определении маршрутизации рабочих потоков в ходе административных бизнес-процессов, как описано в Разделе 4.7.
Анализ длительности цикла следует начинать сперва с составления схемы маршрутизации (блок-схема мероприятия). В этих схемах необхо­димо зарегистрировать различные отделы, занятые в административных бизнес-процессах и первичные мероприятия отделов. На основе этого и при помощи изучения документов, используемых в ходе процесса, могут быть определены точки измерений.

В качестве точек измерений выступа­ет следующее:
Данные, содержащиеся в отсылаемых и получаемых внешних документах.
Данные, задающие начальные условия.
Данные, содержащиеся в путевых листах.
Данные записей, относящихся к реестрам (к примеру, книги, содержащие записи почтовых отправлений.
Принятые и отправленные по почте данные, такие как информация, проштампованная на документах различными отделами.


Методики анализа длительности цикла

Рисунок 4.I Пример обзора длительности цикла

Имеет смысл связывать точки измерений с прибытием (выбытием) документов в (из) отделов. В рамках отделов точки измерений следует связывать с выполнением или завершением основных мероприятий. Для определения масштаба и периодичности исследования случайной выбор­ки необходимо принимать во внимание сложность изучаемых элементов и соответствующих им точек измерений. Сумма средних по точкам изме­рений значений длительности цикла и связанное с ним время ожидания определяют общую длительность цикла процесса. В некоторых случаях строится график средней длительности цикла и используется метод ана­лиза Монте-Карло для определения средней длительности цикла процес­са. Для каждого наблюдения должно быть рассчитано количество рабо­чих дней между точками последовательных измерений. Полное число ра­бочих дней между первой и последней точкой измерения представляет собой длительность цикла за период наблюдения. Среднее число дней между двумя точками измерений по всем наблюдениям представляет со­бой среднюю длительность цикла между этими точками измерений.
Иногда кажется, что некоторый процесс выполняется в соответствии с рядом переменных. К примеру, заказ на поставку на сумму, меньшую $1000, может быть написан и одобрен любым менеджером и отправлен прямо для приобретения. Заказ на поставку на сумму между $ 1000 и $ 10000 требует получения одобрения менеджеров первого и второго уровня. За­каз на поставку на сумму больше $10000 требует получения одобрения менеджеров первого и второго уровня, а также руководителя финансоной службы компании перед тем, как быть принятым отделом материаль­но-технического снабжения. В этих случаях необходимо проводить от­дельно количественное описание каждой переменной. При проведении количественного описания необходимо учитывать влияние сезонных ко­лебаний.
На основе полученного количественного описания и связанных с ним расчетов, может быть составлен обзор длительности цикла. Пример та­кого обзора приведен на Рисунке 4.I. Для изучения выводов, сделанных с учетом Рисунка 4.I, см. пояснения к Рисунку 4.J.


Хотя рисунки, отражающие средние запаздывания и длительность цикла, обеспечивают достаточный объем информации, средние величи­ны часто создают ложное чувство безопасности. Организации теряют по­купателей скорее из-за непредвиденных ситуаций, чем из-за ориентации на средние величины. Именно поэтому собирается информация о распре­делении данных и используется отрицательная величина две сигмы для определения аварийной (ненормальной) длительности цикла, которые могут повлиять на клиентов организации. Сложность большого количе­ства узловых точек, которые позволяют только части последовательнос­ти процессов развиваться через различные ветви, может очень затруднить расчет длительности цикла и затрат. Чтобы преодолеть эти трудности раз­рабатываются имитационные модели для проведения анализа по методу Монте-Карло, проводя процесс через тысячи циклов для определения сред­них и наихудших возможных критических путей, длительности цикла и затрат. Для получения более подробной информации об имитационном моделировании см. главу 5.
Имеется в виду количество дней, которые проходят между моментом завершения мероприятия по этому направлению и моментом завершения предыдущего мероприятия
На основе обзора длительности цикла могут быть выявлены мероп­риятия, которые приводят к возникновению запаздываний. Сам по себе анализ еще не дает понимания причин этих запаздываний. Таким обра­зом, необходимо провести более детальное изучение отделов и задач, в которых возникают запаздывания.
Во-первых, необходимо найти связь между запаздываниями больше средних и запаздываниями, превышаю­щими разработанные нормы. Для этих запаздываний должны быть изу­чены причины, кроющиеся за долгой продолжительностью обработки, и как результат должны быть проведены обзоры того, как часто проявля­ют себя различные причины запаздывания.
Если изучение причин запаздывания оказывается невозможным из-за того, что процессы уже завершены, необходимо отдельно рассмотреть мероприятия в вовлеченных (принимающих участие) отделах, а также вов­леченные (связанные с этим) задачи.
Как и анализ своевременности выполнения административного биз­нес-процесса, изучение длительности цикла административного бизнес-процесса также может использовать методы наблюдения за процессами, которые все еще должны быть выполнены (см. Раздел 4.5.1). Недостатки, указанные в Разделе 4.5.1, могут проявляться и здесь. Преимуществом это­го метода является то, что наблюдение может полностью концентриро­ваться на требуемых результатах анализа. При проведения исследования случайной выборки уже завершенного процесса необходимо отыскать связи между данными, которые, возможно, не всегда абсолютно подхо­дят, но зато всегда имеются в распоряжении.


Управление сценариями просмотра Web-страниц

Методы, технологии и документация при проектировании административных бизнес-процессов


Проектирование новых или уже измененных административных про­цессов часто рассматривается очень поверхностно. На практике, регуляр­но наблюдаются случаи, когда кому-нибудь дают задание «модифициро­вать административный бизнес-процесс так, чтобы устранить проблемные области» или же «улучшить эффективность административных бизнес-про­цессов и/или эффективность основного процесса». Вероятность того, что в таких ситуациях существующие проблемные области будут устранены с помощью модификаций, есть. Но часто при этом появляются другие про­блемы из-за неясностей в различных рассматриваемых подходах к проек­тированию.
Проблемы могут также возникать при рассмотрении совершенно но­вого проекта (реинжениринге) административных бизнес-процессов. По­стоянный обзор всех новых аспектов как в целом, так и между организаци­ей, процессами управления, файлами данных, документами, информацией, подлежащей распространению, и т. д., требует гораздо больших усилий, чем это кажется на первый взгляд. Проблемы, возникающие при проекти­ровании административных бизнес-процессов, могут быть облегчены или даже устранены совсем, если используется нисходящий подход, при кото­ром сначала производится грубое, приближенное проектирование, а затем оно детализируется. На каждой фазе команда, занимающаяся проекти­рованием улучшенного процесса, возвращается к точным принципам и целям.
Специальные методики используются в проектировании с целью точ­ного описания существенных аспектов административных бизнес-процес­сов. С помощью методик проектирования документации модель админи­стративной системы строится таким образом, чтобы при ее разработке обеспечивалось выполнение описательных требований.
Административной системой называется совокупность административных бизнес-процессов и организации.
Подход к проектированию административных бизнес-процессов рассмат­ривается в последующих разделах. Вы узнаете; что перед проведением проектирования должны быть установлены начальные позиции и отно­шения. При проектировании логическая структура определяется до пост­роения физической структуры. Весь этот процесс опирается на набор со­ответствующих методик.
Подход к проектированию административных бизнес-процессов со­стоит из четырех мероприятий, а именно:
Определение начальной позиции организации.
Определение применения информации.
Проектирование логической структуры.
Проектирование физической структуры.
На Рисунке 5.А изображен логический процесс, который послужил основой для подхода. Буквы, изображенные на Рисунке 5.А, будут исполь­зоваться в ссылках в последующих параграфах.






Наилучшее по ценности нацеленное на будущее решение


В сегодняшних условиях конкуренции, при перепроектировании административного бизнес-процесса трудно выбрать наилучшее решение из-за возникновения множества возможных вариантов. Если бы у команды по улучшению процесса было только одно измерение для принятия решения, то ее работа была бы относительно несложной. Если бы команда по улучшению процесса должна была бы всего лишь спроектировать процесс с минимальным временем цикла, не учитывая никаких других факторов, то проект был бы тоже довольно простым. Они бы просто уделили основное внимание автоматизации, механизации и информационной технологии, которые минимизировали бы длительность цикла. Проблема в том, что процессы достаточно редко проектируются с целью оптимизации только одного измерения, без учета других измерений, связанных с процессом. В действительности, необходимо учесть целый ряд факторов, прежде чем организация сможет понять те выгоды, которые извлечет акционер из отдельного нацеленного на будущее решения.

Далее приведены некоторые из наиболее распространенных измерений, которые необходимо учитывать:
Результативность нацеленного на будущее процесса.
Эффективность нацеленного на будущее процесса.
Адаптируемость нацеленного на будущее процесса.
Затраты на внедрение нацеленного на будущее процесса.
Длительность цикла, необходимая для осуществления нацеленного на будущее процесса.
Риски, связанные с нацеленным на будущее процессом.

Становится очевидным, что имея эти шесть факторов, оказывающих влияние почти на все нацеленные на будущее решения административных бизнес-процессов, очень трудно определить, является ли отдельное нацеленное на будущее решение действительно наилучшим для организации, если в анализ включается только оно. Если удалить из процесса бюрократию, то сократится длительность цикла и затраты, что может оказать негативное влияние на качество продукта, получаемого в процессе. Более сложный пример: нацеленное на будущее решение, которое полностью автоматизирует процесс, уменьшая длительность цикла и уровень ошибок, но требует 3 миллиона долларов и 24 месяца на его реализацию, в то время как улучшенный ручной процесс мог бы быть реализован за 50 тысяч и в течение шести месяцев. Ручной процесс обеспечил бы 80% от выгод автоматизированного будущего решения. Так какое же из этих двух нацеленных на будущее решений следует внедрить организации? Честно говоря, единственно верного ответа не существует. Все зависит от того, какой процесс улучшается, и какое влияние окажет изменение на всю деятельность организации. Что правильно для одной организации, часто оказывается неправильным для другой.
Можно разработать ряд нацеленных на будущее решений, основанных на различных целях. Типичными примерами формулировки различных целей для одного и того же процесса являются следующие вопросы:
Насколько улучшатся показатели по длительности цикла и затратам, если нацеленное на будущее решение необходимо реализовать в течение 90 дней?
Насколько улучшится качество продукта при уменьшении длительности цикла и затрат минимум на 20%?
Насколько улучшатся показатели по длительности цикла, затратам и качеству продукта, если пренебречь затратами и длительностью цикла внедрения?
Насколько улучшатся длительность цикла и качество продукта, если прибыль на инвестированный капитал составляет минимум 12 к 1 на последующие три года?
Насколько улучшатся все показатели, если рационализировать настоящий процесс при текущих проверенных методиках?
Какое нацеленное на будущее решение даст наилучшую прибыль на инвестированный капитал за трехлетний период?
Ценность, как и качество, оценивается окружением. Однако при оценке ценности в расчет принимается намного больше факторов, чем при оценке качества. Нацеленные на будущее процессы, представляющие большую ценность для одной организации, часто являются неприемлемыми для другой организации. С приходом понятия наилучшего по ценности будущего состояния, понятие хорошей практики вытесняется более широким взглядом на административные бизнес-процессы. В настоящее время лишь очень редко хорошая практика, а то и вовсе никакая, является наилучшим по ценности решением для большинства ситуаций.






Оборудование


Оборудование для стандартизации (такое как персональные компь­ютеры, стандартные программы для обработки текстов, копировальное оборудование и т. д.) может дать ряд важных преимуществ; к примеру, упрощение эксплуатации, поддержки и ремонта. Меньше усилий потре­буется от вспомогательного персонала, поскольку устраняются различия в требованиях по обслуживанию. Меньше рабочего времени требуется на изучение того, как действует различное оборудование. В то же время, упрощается и ускоряется процедура переключения при поломке с одной ма­шины па другую.
Изучение начинается с составления перечня всех видов оборудова­ния, которое используется в масштабах административных бизнес-про­цессов. Необходимо указывать процесс, отдел и мероприятие, в которых используется это оборудование. Если в ходе этих мероприятий использу­ется разное оборудование, необходимо изучить положение дел в различ­ных отделах. Следует просматривать цель мероприятий, скорость, с ко­торой они должны выполняться, и степень использования оборудования. На основе этой информации можно сформировать общее представление о том, возможна и желательна ли стандартизация применяемых инстру­ментов.
Анализ происходит посредством изучения производительности при­меняемых инструментов, упомянутой в Разделе 4.12, и мероприятий, опи­санных в Разделе 4.6 как часть изучения группировки мероприятий по отделам и сотрудникам.

Потребности офиса
Стандартизация потребностей офиса (документов, таких как формы, графики, системы хранения и т. д.) нацелены на снижение их изменчивос­ти и увеличение продуктивности. Возможными станут снижение запасов, упрощение процедур оформления заказа и крупных закупок. Анализ дол­жен проводиться таким же образом, что и анализ стандартизации приме­няемых инструментов.

Методы работы
Часто меняющиеся методы работы используются для выполнения схожих мероприятий в различных местах. Могут возникать проблемы с заменой персонала (в случае отсутствия кого-либо из сотрудников) и с контролированием хода мероприятий. Кроме того, мероприятия, выпол­няемые в различных местах, могут различаться. Это может создать пре­пятствия для стандартизации оборудования и потребностей офиса.






Общая схема процесса


Общая схема процесса предназначена для представления основных концепций административного процесса. Схема не подходит для воспроизведения информационных потоков, однако может использоваться в качестве основы для описания частей (подпроцессов), которые составляют административный бизнес-процесс.






Оценка организации системы внутреннего контроля


Оценка организации системы внутреннего контроля должна быть про­ведена в соответствии со следующими этапами:
A.           Сформулировать систему внутреннего контроля.
B.            Оценить систему внутреннего контроля.
C.            Оценить полную систему внутреннего контроля (для всех вместе взятых административных бизнес-процессов).
D.            Сформулировать основные принципы изменения процессов и/ или системы.

Сформулировать систему внутреннего контроля
Организация системы внутреннего контроля должна в достаточной степени гарантировать, что:
Используемые исходные материалы являются точными и пол­ными. Эти исходные материалы должны состоять из форм (бланков) заказа для отдела продаж, табелей для агентств по времен­ному трудоустройству, прихода (приходных ордеров), достав­ленных на товарный склад грузов, кассовых счетов и т. д.
Исходные материалы обрабатываются точно и тщательно. Эта обработка влечет за собой выполнение расчетов, (перегруппи­ровки и т. д.)
Исходные материалы регистрируются в административном бизнес-процессе и далее обрабатываются вовремя.
В рамках, определенных для этой цели, принимаются решения и проводятся мероприятия, касающиеся административного биз­нес-процесса. Эти рамки определяются применяемыми ограни­чениями и правилами.
Эти требования должны быть ясно и четко сформулированы коман­дой по улучшению процесса. Для каждого административного бизнес-про­цесса должны быть определены гарантии, представляемые для обеспече­ния точности и основательности данных, и т. д.

Оценить систему внутреннего контроля
Система внутреннего контроля должна быть настроена таким образом, чтобы выявлять неумышленные и умышленные ошибки и расхождения и сво­евременно устранять их. Исследование структуры функционального раз­деления обеспечивает независимый контроль и регулирование системы. Функциональное разделение не должно ограничиваться сотрудниками отделов реальной организации. Можно также успешно использовать интересы и действия третьих лиц (к примеру, контроль баланса счетов банка владельцами счетов формирует элемент внутреннего контроля бан­ка, а регистры ИСО 9000 обеспечивают оценку третьих лиц).






Оценка возможностей автоматизации административных бизнес-процессов


При анализе использования наборов данных и документов можно увидеть, что внедрение компьютеризации и/или информационной тех­нологии дает целый ряд преимуществ. Общая оценка возможностей при­менения и распространения компьютеризации будет проведена в ходе дальнейшего изучения. Эта будущая оценка будет определять, следует ли рассматривать компьютеризацию различных мероприятий, состав­ляющих административные бизнес-процессы.

Это изучение будет скон­центрировано на количестве действий, масштабе действий и на времени, необходимом для осуществления этих действий на основе следующих ка­тегорий мероприятий:
Вычисления.
Сортировка графиков и/или форм.
Передача информации от одного документа к другому.
Подведение итогов по данным, содержащимся в различных до­кументах.
Сравнение данных и впоследствии принятие стандартных реше­ний и проведение стандартных мероприятий.
Передача носителей информации (дисков, документов и т. д.).
Хранение и поиск документов.
Обработка текста.

Анализ будет концентрироваться на возможностях осуществления ин­теграции различных действий. Обычно только в некоторых ситуациях бу­дет приемлемо функционирование автоматизированного оборудования по обработке данных для стимулирования производительности только одного мероприятия в рамках административного бизнес-процесса.
В ходе этой фазы изучения будет проведена общая оценка возможно­стей для компьютеризации. Если потребуется, будет проведено более де­тальное изучение возможностей для компьютеризации. Следует отметить, что описанные исследования могут указать только на две возможные при­чины необходимости компьютеризации: снижение стоимости и увеличе­ние скорости обработки данных. Кроме того, очевидно, что может суще­ствовать большое количество других причин для проведения дополнительного, более детального изучения (к примеру, необходимость в улуч­шении качества системы управления информацией и потребность в сни­жении длительности цикла). Только после завершения изучения может сформироваться определенное мнение о возможности и желательности вне­дрения компьютеризации.






Ограничение возможностей для анализа из-за методологии документирования


В проекте административной организации процессы, которые долж­ны быть задокументированы и проанализированы, могут выбираться пу­тем последовательного составления иерархического обзора (см. Раздел 3.9.3), составления полного обзора процессов и отделов (матрица; см. Раздел 3.9.4) и выбором ячеек из матрицы для дальнейшего изучения и анализа.
В соответствии с этим, анализ процесса происходит на уровне ячейки (или столбца горизонтально ограниченных ячеек) матрицы. При самом документировании отношениям с другими отделами или процессами по практическим соображениям уделяется меньше внимания.

Отделы
Процессы   "   —
А
В
С
D
1
А1
81
С1

2
А2
В2
С2

3

ВЗ

03

Рисунок 4.N   Матрица отношений отдел/процесс

В ходе анализа эти отношения должны быть также включены в оценку, с тем чтобы рас­смотреть проблему субоптимизации. Уровень анализа административной организации в этом случае происходит на слишком низком уровне ячей­ки (ячеек). Для пояснений смотри Рисунок 4.N.
Определение Субоптимизация определяется как дополнительные ресурсы, затрачиваемые организацией на изменение одного меропри­ятия и ориентированное на экономию ресурсов на этом ме­роприятии, но приводящие к негативному воздействию на об­щее количество ресурсов, потребляемых процессом.

На Рисунке 4.N ячейка В2 имеет следующие внешние связи:
Связи (отношения) данных с ячейками А2 и С2 (они относятся к одним и тем же административным бизнес-процессам).
Организационные связи с ячейками в колонке В (одна и та же организационная единица).
Существующие между организациями связи требуют, чтобы коман­да по улучшению процесса постоянно задавалась вопросом: все ли суще­ственные факторы документации показаны. Другими словами, выполня­ется ли оценка, основывающаяся на выбранной цели анализа, на выбран­ном уровне ячейки. В конце концов любое описание фактических резуль­татов сознательно или бессознательно игнорирует многие их аспекты, хотя в принципе, все эти результаты могут быть важны при проведении тщательного анализа.






Определение детализации процесса, нацеленного на будущее


Исходя из информации, полученной в ходе предыдущих мероприятий, можно разработать административные бизнес-процессы, изображенные на Рисунке 5.А.

Эта разработка будет состоять из:
Детальной схемы процесса. Здесь определяется детализация до уровня мероприятия/задачи. Для каждого мероприятия точно описывается необходимая для него информация, где ее можно найти и куда она поступит. Более подробно детальная схема процесса описана в Приложении VI.
Разработки формы и файла. Здесь более подробно задается компоновка наборов данных и документов, используемых в административном бизнес-процессе. Руководство по проектированию документов представлено в Приложении IX.
Других видов документирования по административному бизнес-процессу. Рекомендуется также составить схему инструкций (см. Приложение VII). Все другие возможные виды документирования нового административного бизнес-процесса также составляются во время этого мероприятия.







Определение необходимых файлов данных и форм


Если таблица на Рисунке 5.J заполнена, то документы, необходимые для обмена данными между различными мероприятиями, можно определить из таблицы на Рисунке 5.1. Данные, созданные в первом мероприятии, записываются в документе 1. Этот документ отмечен в столбце «выходные документы» (столбец 29 Рисунка 5.1). Кроме того, там, где применима информация из документа, это отмечается в столбце «входные документы» (столбец 28).

Определение необходимых файлов данных и форм

Рисунок 5.1     Пример начального анализа информационных свойств


Определение необходимых файлов данных и форм

Рисунок 5.J    Пример обзора последовательности мероприятий
Входные документы для всего мероприятия отмечены тем же способом, Если для конкретного мероприятия отмечены наборы данных, то эта информация должна также быть зафиксирована в столбце ввода. Существующие документы должны быть отмечены в обзоре всюду, где они используются в административном бизнес-процессе. Если в одном из входных документов приводятся более определенные данные (визы, дата мероприятия и т.д.), то число заполненных документов указывается в скобках в столбце 29. В мероприятии Е составляется письмо с предложением работы (Номер 4), дата письма отмечается в регистрационной форме (Номер 1), которая предоставила базовые данные для письма. В мероприятии L директор подписывает письмо, а дата подписания письма отмечается в регистрационной форме. Заполнение таблиц 5.1 и 5.J представляет собой итеративный процесс. Перенос разработки базовых положений из таблицы 5.G в таблицу 5.1 приводит к корректировке таблицы 5.J и наоборот. Часто это необходимо для того, чтобы еще раз заполнить таблицу 5.1 (на сей раз более детально). В принципе, порядок различных мероприятий, документов и используемых в них наборов данных должен быть ясен после завершения вышеупомянутой процедуры. На основе обзора в таблице 5.J можно проектировать глобальную схему административного бизнес-процесса. Приложение V далее описывает эту схему.





Определение последовательности мероприятий в процессе


Мероприятия, которые вызваны одним и тем же событием (инициирующим событием) и имеют одинаковую периодичность, могут быть включены в один и тот же административный бизнес-процесс в качестве его частей. В других случаях, более разумным с точки зрения длительности цикла является проектирование процессов таким образом, чтобы они проводились параллельно, а не последовательно.
Порядок административных бизнес-процессов может быть получен из логической структуры и обработки данных, введенных в мероприятие. Они могут быть представлены на Рисунке 5.Н. Порядок можно получить из схем информационных потоков. Если они достаточно сложны, то для каждой частоты и начального события необходимо внести мероприятия в схему, пример которой изображен на Рисунке 5.1.

Эффективное информационное управление:
актуальность
диапазон качества
Файлы данных
Структура задач и должностей
Эргономика

Внутренний контроль:
средства
меры

Маршрутизация
Возможности для автоматизации
Факторы производительности
Продуктивность
Инструменты
Степени свободы

Рисунок 5.Н    Основные принципы проектирования административных бизнес-процессов

Эта схема еще раз указывает, какие данные необходимы для конкретного мероприятия (О) и какие данные создаются или обрабатываются во время мероприятия (X). Порядок мероприятий теперь можно определить из Рисунка 5.G, так как фиксируется каждое мероприятие и каждое информационное свойство (с помощью X и О), при использовании как информации из предыдущего мероприятия, так и информации, не связанной с мероприятием.
Мероприятие может выполняться лишь после того, как факт завершения мероприятий, отмеченных О в столбце свойств, будет зафиксирован как X. Порядок мероприятий вводится в последний столбец Рисунка 5.J.






Определение сущности модификаций


Для определения сущности модификаций необходимо иметь документацию о существующих процессах, которые будут модифицироваться.

В документации должны быть указаны:
Мероприятия и задачи, составляющие процесс.
Порядок выполнения этих мероприятий и задач.
Место проведения мероприятия.
Данные, которые должны быть получены в результате процесса.
Информация, задействованная в процессе.
Нормативы процесса.

Все эти задачи будут зарегистрированы и процессе мероприятий по документированию процесса. На основе этих документов можно изучить изменения, вносимые в процесс, используя сформулированные проблемные области, основные предположения и цели.
Иногда из результата анализа мероприятий становится ясно, какие именно из упомянутых факторов нужно изменить. Если оценка средств информационного управления показывает непригодность функционального разделения, то мероприятия или задачи следует перевести из одного отдела в другой (или от одного сотрудника к другому).
Отношение между желаемым результатом и изменением, которое необходимо внести, не всегда ясно. Иногда для достижения желаемой цели сначала требуется провести дополнительное исследование характера вносимых изменений. Это в первую очередь относится к ситуациям, когда возможно несколько альтернативных изменений административного бизнес-процесса. При разработке нацеленного па будущее решения, нужно рассмотреть множество комбинаций подходов к улучшению (например, при поиске решения для увеличения возможностей обработки, эффекта от всех видов инструментов, показателей одновременного выполнения задач или мероприятий, при устранении мероприятий, и т. д.). В некоторых ситуациях разрабатываются и анализируются сразу несколько альтернативных нацеленных на будущее решений.
Для каждого потенциального нацеленного на будущее решения устанавливается степень вклада изменения в реализацию заданной цели. Кроме того, следует рассмотреть последствия задач и мероприятий (место, порядок и т. д.), использование информации (нужна ли другая информация или нужна ли данная информация на другой фазе), информацию, которую необходимо получить, а также затраты и длительность цикла, необходимые для внедрения потенциального решения.
Необходимо наметить организационные последствия изменений. В то же время, следует сделать попытку составления картины влияния изменений на затраты и скорость обработки.
Лучше всего будет разработать несколько концептуальных нацеленных на будущее решений.

Каждое потенциальное нацеленное на будущее решение может быть проанализировано путем построения предварительной модели процесса и апробирования ее с целью проверки того, что:
Нет проблем с взаимодействием.
Система работает в соответствии с ожиданиями.
Не появилось непредвиденных проблем.


Обычно построение модели на этом этапе представляет собой либо компьютерное, либо физическое моделирование или же комбинацию этих двух видов.
В современных условиях моделирование с помощью компьютерной имитации дает массу преимуществ. Существует большое количество отличных программ, которые помогут вам воспроизвести нацеленным n;i будущее процесс, не обработав при этом ни одной детали и даже не передвинув стола. Программы компьютерного моделирования в приложении к проектированию аппаратного обеспечения и производственным потокам стали популярными с середины 1970-х годов, но имитация бизнес-процессов завоевала популярность лишь в середине 1990-х.
Моделирование расположения позволяет разработчику построить правильную по масштабу трехмерную модель каждого мероприятия и соединить мероприятия вместе, различным образом варьируя входные переменные с целью определить работу процесса и выявить проблемы.
Как правило, имитация процесса представляет собой расширение процесса составления блок-схем, используемых для характеристики текущих элементов (элементов «как есть») и построения исправленных блок-схем, используемых для определения нацеленного на будущее процесса. Современные имитационные модели чрезвычайно сложны.

Для имитации хода процесса в них используются иконки, чтобы определить:
Препятствия, возникающие в ходе процесса.
Критические пути.
Длительность цикла.
Время обработки.
Проблемы, связанные с большой рабочей нагрузкой.

В таких имитационных моделях продукт изображается движущимся через процесс, в то время как иконки с изображением маленьких людей отвечают на телефонные звонки, отдыхают во время перерывов, посещают собрания и даже делают кое-какую работу. Большинство программ позволяют ускорять или замедлять ход (последовательность) процесса. Дни или месяцы хода процесса могут быть сведены к минутам в имитационной модели. Можно создавать наихудшие (пессимистичные) сценарии и анализировать их, не нанося вреда реальному процессу и не огорчая потребителя. Хорошо разработанная имитационная модель берет теорию и преобразовывает ее в суровую реальность ежедневной деятельности вашей организации. Вначале подготовка компьютеризированной имитационной модели может занять определенное время, но если изменение является существенным, то время будет потрачено не зря, и с помощью модели можно будет избежать начальных неудач.
Во многих случаях для подтверждения определенной концепции необходимо подготовить физическую модель нацеленных на будущее процессов. Это в первую очередь относится к процессам, которые представляют собой продукт или элемент, не поддающийся компьютерной имитации. Такие компьютерные программы, как автоматизированное проектирование (CAD) и автоматизированное производство (САМ) оказывают огромную помощь в сокращении времени, необходимого для построения аппаратных моделей. Как правило, эти аппаратные модели подвергаются серии тестов на эффективность функционирования и на нагрузки с тем, чтобы получить подтверждение для проектируемых показателей.
Административные бизнес-процессы могут моделироваться физически. Этот вид моделирования называется моделированием в конференц-зале. В таких случаях подготавливают макеты компоновки, терминалов, клавиатур, форм и оборудования. Если в нацеленное на будущее решение включено коммерческое программное обеспечение, то оно используется в ходе операции моделирования. Новое, некоммерческое программное обеспечение имитируется вручную, создавая лишь внешнюю иллюзию того, что оно уже написано. Моделирование процесса часто требует существенной скрытой поддержки для того, чтобы создать иллюзию нацеленного на будущее процесса.
В результате мероприятия моделирования определяются многие проблемы и возможности по улучшению, в соответствии с которыми следует обновить и улучшить нацеленное на будущее решение. К концу фазы моделирования должна быть четко определена целесообразность каждого будущего решения и риска, связанного с его физической реализацией.





Определение точности и тщательности операций по обработке данных


В этом контексте внутренний контроль, направленный на обеспече­ние точности и тщательности операций по обработке данных, понима­ется как всевозможные виды контроля и проверок информационной си­стемы, административной организации, управления бизнес-процессами, осуществляемыми руководством организации или от его имени. Это включает в себя меры внутреннего контроля, которые встроены в адми­нистративные бизнес-процессы и контрольные действия, выполняемые независимым контрольным офисом.

Определение точности и тщательности операций по обработке данных

Рисунок 4.К   Типичный перечень контрольных мероприятий


Отправной точкой этих видов анализа является оценка того, действи­тельно ли административные бизнес-процессы организованы таким об­разом, что получаемая система управления информацией достаточно точ­но и полно представляет те вопросы, которые информация затрагивает. Для оценки внутреннего контроля вам необходимо иметь ясное представ­ление об организации административных бизнес-процессов. Понимание, необходимое для проведения этой оценки, может быть частично получено при помощи схемы управления формами (см. Раздел 3.9.8) или схемы обращения форм (см. Раздел 3.9.9). Оба обзора нацелены па дальнейшее рассмотрение отдельных процессов. Крайне важный обзор всех процес­сов должен быть получен путем разработки перечня контрольных дей­ствий всех процессов. На Рисунке 4.К приведен пример такого перечня. Если добавляется дополнительная колонка, в которой указывается, что делать, если определенное мероприятие выполнено или выполнено час­тично, то это называется схемой управляющей структуры.
Понимание может также быть достигнуто путем изображения схемы общего обзора административного бизнес-процесса (Раздел 3.9.4); даже если подходит только общий обзор, а схема управления формами и схема обращения форм не применимы, все равно стоит составить эти схемы или добавить к общему обзору перечень контрольных действий, как показа­но на Рисунке 4.К.
На Рисунках 4.L и 4.М приведен план контроля. Он включает в себя отдел кадров и отдел труда и зарплаты. Полный план мероприятий по осуществлению контроля представлен на Рисунке 4.L, детальная разра­ботка управляющего воздействия С13 представлена на Рисунке 4.М.

Контрольный №
Описание контроля


С1

С2

СЗ

С4
С5

С6

С7
C8
С9
С10

С11
С12
С13

С14
С15
С16
Приложение
Введение
Формальный контроль точности, завершенности и оснований (причин) для предложенной операции
Программное управление вводом путем применения системы децентрализованного ввода данных
Контрольная проверка, осуществляемая контроллером введенных операций
Приёмочный контроль
Вероятностный контроль, осуществляемый централизованной компьютерной системой
Контроль, осуществляемый пользователем при помощи обзоров регистрационного журнала
Контроль суммарных контактов
Контроль суммарного маршрута
Контроль определенных операций
Контроль завершающихся операций, которые, однако, должны быть изменены
Контроль завершающихся списков сигналов
Контроль расчетов
Контроль управляющих кодов в информационных системах платежной ведомости и трудовых ресурсов
Контроль зарегистрированных данных
Контроль доступности (наличия)
Контроль функционирования и результат децентрализованных контрольных мер
Последовательность контроля
Схематический обзор последовательности контроля

Рисунок 4.L    Пример плана по контролю качества: отдел персонала и отдел труда и заработной платы


Контрольный №
Описание контроля
С13
Контроль управляющего кода в информационной системе платежной ведомости и трудовых ресурсов
Цели: Проверка использования кодов в платежной ведомости и в информационной системе управления трудовыми ресурсами
План: Коды проверяются ежемесячно на основе обзора записей
Операция: Использование кодов проверяется с помощью обзоров, упомянутых выше и таблиц, содержащихся в Справочнике трудовых ресурсов и списочного состава. Менеджер отдела кадров ин­формируется о выявленных отклонениях. Отдел кадров отве­чает за внесение исправлений. Внутренний контроль отдела кадров отслеживает реализацию исправлений посредством об­зоров в течение последующего месяца обработки. Для получе­ния дальнейшей информации смотри применимые процессы ад­министративной организации, касающиеся управления табли­цами.
Документация: Проверенные отклонения упоминаются в отчете таблицы управления командой, работающей над проектом. Этот отчет накапливается внутренним контролем отдела кадров в текущем и в следующем году.

Рисунок 4.М   Пример плана по контролю качества: отдел персонала и отдел труда и заработной платы





Оптимизация уровня использования административных технических инструментов


Этот анализ концентрируется на оценке уровня использования суще­ствующих административных технических инструментов, таких как пер­сональные компьютеры, копировальная техника, читальные аппараты для микрофиш, оборудование для обработки текстов и т. д. При централизо­ванном использовании этого оборудования возможно получение финан­совой прибыли, поскольку при уменьшении количества оборудования, уровень занятости увеличивается по сравнению с децентрализованным использованием.

Следует составить список, в котором для каждого элемента оборудо­вания устанавливается следующее:
Местоположение.
Цель использования (процессы/мероприятия).
Уровень занятости.
Возможности концентрации и комбинирования схожего, расположенного в разных местах, оборудования.
Последствия возможных изменений для персонала, занятости, обработки, времени транспортировки, затрат и т. д.
Воздействие на индивидуальные рабочие потоки, если сотруднику для того, чтобы воспользоваться требуемым оборудованием надо дойти до другого местоположение. (Даже в рамках свободного потока последовательности выполняемых действий.)

Этот вопрос необходимо тщательно обсудить до того момента, когда организация начнет осуществление централизации своего оборудования. Очень часто сильно недооценивается процент потерянной продуктив­ности, относящийся к воздействию производительности использования оборудования, расположенного на другом участке. Как правило, воздей­ствие на рабочие потоки в четыре раза больше действительного времени транспортировки. К примеру, хотя для того, чтобы дойти до копироваль­ного аппарата требуется 3 минуты, реальные потери времени составляют 12 минут.







Организационная структура


Выбранная организационная структура (d) также очень важна и яв­ляется основой всего рассмотрения. Она включает методы передачи пол­номочий и выработки правил. При передаче полномочий сотрудники па высших уровнях обязаны следить за передаваемыми видами деятельнос­ти и регулировать их по мере надобности. В случае передачи должны быть установлены стандарты (такие как финансовые сметы), которым должны удовлетворять показатели деятельности на низших уровнях.
После того как организационная структура определилась, она долж­на быть задокументирована в форме схемы организационной структуры (см. приложение 1). Схема организационной структуры помогает попить формальные взаимосвязи внутри организации. Схема организации про­ясняет отношения внутри организации, но почти не содержит информа­ции о функциях и мероприятиях внутри различных организационных еди­ниц. Эти функции и мероприятия описываются в дополнениях к схеме организационной структуры, часто в устной форме или же записываются в действующих процедурах и рабочих инструкциях.

Отношение между бизнес-процессами, организационной структурой и методом управления дает основную информацию, необходимую для про­ектирования логической структуры административной системы. Теперь стало возможным прямо указать, кто из сотрудников должен нести от­ветственность за риск, связанный с каждым бизнес-процессом. Отсюда можно извлечь информацию, требуемую для управления и распределения ответственности в бизнес-процессах.





Ответственность за административную организацию


Во всех задачах, рассмотренных в книге вплоть до настоящей главы, был упущен один момент: вопрос о том, кто в организации несет ответственность за системы административного информационного управления и административную организацию в целом, обсуждался лишь косвенно. В данной главе мы поговорим об Отделе административной организации, ответственном за управление, ведение и распространение Справочника по административной организации. Этот отдел может также нести ответственность за документацию, анализ и оценку административных бизнес-процессов. Это отдел, обладающий хорошим общим представлением об административной организации, в котором могут изучаться последствия возможных изменений. Однако данный набор задач не исчерпывает всей ответственности за административную организацию. Возникает также множество вопросов: насколько целесообразно использование Справочника по административной организации, насколько возможна отмена предыдущих шагов процедуры, каковы санкции в случае нарушения правил? Менеджер, ответственный за конкретные разделы и/или части справочника, отчитывается за содержание справочника, хорошее проектирование административных бизнес-процессов, а также за их внедрение, согласованность и функционирование. Отдел администрации несет ответственность за координацию, распространение и контроль содержания справочника, но не за его достоверность.
Энциклопедия создания сайтов







Правила


Размещение
Существует два варианта размещения схемы организационной структуры: вертикальные и горизонтальные схемы.
Вертикальная схема
В вертикальной схеме вертикальные линии отражают иерархическую подчиненность и горизонтальную координацию. Этот метод изображения традиционно широко применяется. На Рисунке I.A изображено управление секретарского отдела, которое напрямую отчитывается перед руководством. В кружке указан руководящий комитет.

Правила

Рисунок I.A    Схема организационной структуры (вертикальная): Тип 1


Правила
Рисунок I.B     Схема организационной структуры (вертикальная): Тип 2

В общем, комиссии, консультативные подразделения и команды, работающие над проектом, обозначены аналогичными кружком как часть организационной структуры. Этот кружок рисуется рядом с отделом или подразделениями, которые проявили инициативу по началу деятельности комиссии или консультативных подразделений. Внизу справа в квадратах подсчитано и записано количество персонала в каждом отделе, включая руководящий уровень. Приведенный выше пример занимает всю ширину страницы.


Для более сложных схем из- за недостатка места может потребоваться создание схемы таким образом, что сохранение равенства на горизонталях не будет соблюдено.

Правила

Рисунок I.C    Схема организационной структуры (вертикальная): Тип 3
Примеры таких менее точных (по необходимости) схем воспроизведены на Рисунках I.B и I.C. При взгляде на Рисунок I.B создается впечатление, что отделы Al-АЗ и С1-СЗ находятся на более высоком уровне в организации, чем отделы В1-ВЗ. На Рисунке I.C кажется, что А1, Б1, С1 занимают относительно более высокие позиции, чем A3, БЗ, СЗ.





Правила


На рисунке IX.D представлены символы, которые могут использоваться в типичной схеме движения форм. Следует подчеркнуть, что символы не имеют ничего общего с символами, используемыми в детальной схеме процесса. В принципе, символы могут обновляться как угодно. Эти символы не очень подходят для представления автоматизированных инструментов, компьютерной обработки и компьютерных файлов. Следует отметить, что среди них нет символа решения. В зависимости от ситуации в компании, возможно, потребуется использовать уникальный список символов.
Надо стремиться к тому, чтобы схема была составлена сверху вниз и слева направо. Поскольку это не всегда возможно, следует стараться избегать пересечения и обратного направления линий.
Составление схемы движения форм продвигается не слишком быстро. Построение хорошей схемы сложного административного бизнес-процесса обычно требует нескольких попыток.

Правила

Рисунок IX.D Определения символов, связанных со схемой обращения форм



Рисунок IX.D Продолжение






Правила


Схема изображена в форме таблицы, в колонках которой представлены различные расчеты, а в строках - различные действия, отраженные в проводках. Методы отражения проводок в расчетах представлены с помощью символов кредита и дебета, которые соединены линиями.
На практике можно выделить два вида схемы системы бухгалтерского учета. В схеме первого типа колонки дополнительно разбиты на колонки дебета и кредита для каждого счета. X или другой символ указывает, какой расчет дебетован, а какой - кредитован, тогда как другой символ используется, если расчет, в зависимости от обстоятельств, может быть дебетовым в одном случае и кредитовым в другом.
Во втором типе схемы нет дополнительной разбивки на дебет и кредит, однако при помощи символов указан вид проводки - дебетовая или кредитовая. Очевидно, что вторая схема занимает меньше места, но ее сложнее читать. Несмотря на то что набор применяемых символов может быть в случае необходимости адаптирован, удобно использовать три следующих символа:



Рисунок Х.А   Схема системы бухгалтерского учета: отдельные колонки для дебита и кредита счетов


Определение применяемых символов:
d: дебет
с: кредит
d/c: дебитовая или кредитовая проводка в зависимости от обстоятельств
d - дебитовая проводка с - кредитовая проводка
d/c - дебитовая или кредитовая ( в зависимости от обстоятельств, расчет добавляется дебет или кредит)

На Рисунках Х.А и Х.В представлены примеры этих видов схем. 11 схеме Х.В представлены по счету сомнительная дебиторская задолженность в компании, в который ежемесячно относится сумма за счет затрат и расхождения на конец года сравниваются с фактической дебиторской задолженностью с использованием сохраненных счетов. (Примечание: рассчитанная в течение года по счету 180 сомнительная дебиторская задолженность дебетуются для подтвержденных убытков).
Используемые номера счетов:
820 реализация.
105 дебиторская задолженность.
210 рассчитанное увеличение сомнительной дебиторской задолженности.
220 проверенное увеличение сомнительной дебиторской задолженности.
180 увеличение сомнительной дебиторской задолженности.
250 резерв по сомнительной дебиторской задолженности.
460 убытки по дебиторской задолженности.

Рисунок Х.В показывает те же самые проводки без использовав отдельных дебитовых и кредитовых колонок.







Правила


Правила использования схемы принципов, как свободной схемы, ограничены. Значение имеют руководящие принципы, которые применяются в общем для всех свободных схем.

Помимо всего прочего, они включают в себя:
Обеспечение четкого представления и удобочитаемости схемы.
Ограничение количества факторов, представленных в схеме, четырьмя-пятыо.
Адаптация схемы к уровню знаний читателя.
Использование простых символов, таких как квадраты, кружки, стрелки, причем каждый символ должен иметь только одно значение; символы разъясняются в схеме.
Ограничение использования в схеме текста.
Использование бумаги стандартного размера.






Правила


Следующие коды указывают сущность вовлечения отдела в бизнес-процесс. В случае оценки существующих функциональных подразделений и внутреннего контроля, код может читаться следующим образом:
М    У     =             управлять
D     P     =             располагать, размещать
S      X    =             хранить
С     К     =             контролировать
E      B     =             выполнять

Код дает возможность оценивать бизнес-процесс для целей внутреннего управления. Для этого необходимо знать функциональную комбинацию отдела и применять четкое разделение задач. Кроме того, в рамках отдела должны быть указаны различные сотрудники.
Рисунок IV.A представляет модель для процесса закупок в больнице. Процессы в этом примере представляют административный бизнес-процесс; применяемая система кодирования выглядит следующим образом:

Правила

Рисунок IV.A       Общий обзор модели процессов и отделов

I       =        Инициировать  
Е      =        Выполнять
О     =        Владеть


На Рисунке IV.В в базовую модель для представления применяемых файлов вводятся колонка и строка. По сравнению с системой кодирования на Рисунке IV.A, система кодирования характера вовлечения отдела в бизнес-процесс представлена более детально.

Эта система кодирования выглядит следующим образом:
S             Н =         Начало процесса
К             К =          Контакт, внешний или с сотрудниками
А            С =          Совет
D             Р =          Решение
Р             П =    Удостоверение
I              И =    Распространение информации
R             О =    Автоматизированная обработка
С             Ко = Контроль
Ма          По = Отправлять по почте или уничтожать
М            Ро =  Ручная обработка в формах и/или в файлах

Правила

Рисунок IV.В  Глобальный обзор процессов и отделов - расширенная модель


Пример (Рисунок IV.В) описывает несколько административных бизнес-процессов в отношении обработки счётов на приобретённые материальные ценности в организации. Административные бизнес-процессы заносятся в столбцы; отделы, вовлеченные в бизнес-процесс, заносятся в колонки. При помощи номеров документы, а также файлы, используемые процессом под номером 1, записываются в колонку 11. Внизу колонок 1-10 указаны документы, файлы и т. д., которые обновляются вовлеченным в процесс отделом.
Каждая М (ручная обработка в формах и/или в файлах) на Рисунке IV.В указывает отдел/функцию и процесс (процессы), которые были изменены. Соответствующая колонка (справа) и строка (внизу) с номерами файлов/документов показывает, какие документы были изменены.
Читателей, которых интересует пример приложения (использования), отсылаем к Разделу 4.8, в котором общий обзор играет определенную роль при анализе внутреннего управления, особенно при управлении техническими функциональными подразделениями организации.








Правила


Общая схема процесса принадлежит к категории свободных схем. Для нее, в общем, не существует обязательных правил в отношении размещения, методики, разработки, использования символов и т.д. Для того чтобы схема сохраняла ясность и хорошую организацию, мы рекомендуем использовать как можно меньше символов; в этой схеме не требуется представление детальных описаний. На практике обычно оказывается достаточно символов, приведенных на Рисунке V.B. Разделы (и базовые описания) также свободно номеруются. Следует стремиться к тому, чтобы код указывал на административный бизнес-процесс, на последовательность разделов и на отдел.

















Правила


ИСО разработала международный стандарт на символы, используемые при составлении блок-схем, которые мы также называем детальными схемами процессов. Этот стандарт- ИСО 1028, названный «Обработка информации. Символы, используемые в блок-схемах». Этот стандарт отмечает, что концепция блок-схем также включает в себя так называемые блок-схемы системы, блок-схемы программы, функциональные блок-схемы и блок-схемы конфигурации. Символы различаются в зависимости от типа и в соответствии с требованиями мероприятий/действий, информации, логического решения или связи между символами или инструментами, для изображения которых они используются (см. Рисунок VI.В).
В качестве общей рекомендации: схемы должны составляться таким образом, чтобы их можно было читать слева направо и сверху вниз.
При составлении схемы вручную желательно использовать стандартные шаблоны. Особенно удобны шаблоны, в которых наиболее часто используемые символы представлены в различных размерах, чтобы - когда это возможно - сэкономить место. Предпочтительней, конечно, проводить документирование при помощи автоматизированных инструментов.
Символы ввода-вывода следует помещать по возможности горизонтально, рядом с мероприятием, к которому они относятся. Существует большое количество руководящих указаний относительно изображения линий между символами.

Следующих правил, однако, должно быть достаточно:
Рисовать линии только горизонтально или вертикально.
Рисовать как можно более короткие линии; читателю должно быть просто проследить их направление.
Как только можно сократить количество пересечений и стрелок.
И, наконец, немного о соединительных символах (блоках объединения). Соединительные символы используются для обозначения разрыва линии связи (выходной блок объединения) пли продолжения разорванной линии связи (входной блок объединения).

Правила

Рисунок VI.В Символы детальной схемы процесса
 Выходной блок объединения и входной блок объединения связаны одним и тем же символом. Если взаимодействующие выходной и входной блоки объединения размещены на разных страницах, будет использоваться код, который ссылается па страницу, на которой находится парный ему код (к примеру, XX.X; первые две позиции указывают на страницу, а третий указывает на порядковый номер входного блока объединения на странице). Код выходного блока объединения может быть также добавлен в каждый входной блок объединения с целью указания ссылки








Правила


Схемы инструкций разделены в соответствии с требованиями организации. В зависимости от количества схем процесса и количества отделов, больше внимания надо уделить, к примеру, заголовку и коду схемы инструкций; в зависимости от сложности схем, следует оставить больше или меньше места для пояснений и т.д.
На Рисунке VII.А представлена схема инструкций по обработке изменений курса. На левой странице вы можете найти детальную схему процесса, соответствующую данной схеме инструкций. На Рисунке VII.A в заголовке схемы указан отдел, административный бизнес-процесс и версия, к которой относится инструкция. Каждое мероприятие/операция пронумерованы и в каждом случае указаны номер следующего мероприятия. Сами мероприятия кратко описаны в колонках, с тем чтобы дать возможность быстро получить представление об административном бизнес-процессе, не изучая дополнительную колонку с пояснениями для каждого мероприятия.

№ пп.
Сотрудник/ отдел
Мероприятия
Описание
Аварийное действие
1.
Бухгалтерия
Команда меню финансовой системы FDOPEN
Команда меню FDOPEN вызывает бухгалтерию и баланс счетов дебиторской задолженности и т. д. Бухгалтерия определяет величину кредиторской задолженности для каждого валютного курса.

2.
Бухгалтерия
Установить пределы изменения согласованного курса валюты
Контракты хеджирования заключены с банками: контракты фиксируют курс для определенного счета по курсу иностранной валюты. Для каждого контракта главная бухгалтерия определяет, в какой мере общие суммы дебиторской задолженности укладываются в пределы изменения курса валюты. Возможны два случая: пределы изменения курса могут быть больше или меньше применяемого курса валюты. В первом случае бухгалтерия выполняет мероприятие 9, во втором - мероприятие 4.

3.
Бухгалтерия
Определить средний валютный курс
Для каждого курса валюты может быть заключен один или более контрактов. В случае заключения одного контракта, курс расчетов берется прямо из контракта. В случае нескольких контрактов главная бухгалтерия определяет средний курс валюты следующим образом: остаток кредиторской задолженности, начиная с первого контракта, вычитается из контракта. Величина, определенная для каждого контракта, затем последовательно умножается на согласованный курс валюты, который применим для этого контракта.

4.
Бухгалтерия
Сделать ссылку на последний валютный курс
Когда курс валюты в соответствии с контрактом не покрывает курса валюты кредиторской задолженности, оставшаяся кредиторская задолженность рассчитывается в соответствии с ежедневным валютным курсом. Таким образом, весь счет для каждого валютного курса делится на величину соответствующего курса валюты. Это дает средний курс.

in
Бухгалтерия
Команда меню финансовой системы FDIVD
Бухгалтерия вводит валютный курс, рассчитанный в ходе мероприятий 4 или 9 при помощи команды меню финансовой системы FDIVD.


Рисунок VII.A Детальная схема процесса в сочетании со схемой инструкций


Определение применяемых символов:
X: проводка в соответствии с колонкой
О: в зависимости от обстоятельств -дебетовая или кредитовая проводка


Рисунок Х.В   Схема системы бухгалтерского учета: совмещение колонок для дебета и кредита счетов




Правила



Общие правила
При использовании схемы управления формами необходимо придерживаться ряда общих правил:
Использовать хорошую, заранее напечатанную форму. Заранее напечатанные линии не должны быть слишком толстыми, поскольку они должны отличаться от нарисованных линий. Гораздо предпочтительней использовать для форм бумагу стандартного размера. Возможно, также имеет смысл использовать бумагу большего размера, для того чтобы было легче рисовать, а затем уменьшить (с помощью фотокопирования) до стандартного размера.
Нумеровать объекты и действия. Это облегчает изменения. Номера объектов используются для согласования с закрытым набором целей (к примеру, форма или форма инвентаризационных списков, в которой указаны название, номер, количество копий, цель, вовлеченные отделы и т.д.).
Выбирать для объектов и действий четкие, состоящие из одного предложения названия.
Не повторяться. Объекты, которые не появляются на странице, если процедура занимает большое количество страниц, не должны повторяться: чем меньше объектов упомянуто на странице, тем легче использовать схемы. Используйте ссылки или блоки объединения в конце страницы для каждого объекта, для того чтобы указать страницу, на которой объекты снова появятся.
Составлять перечень компонентов всего административного бизнес-процесса. Выполнить это можно при помощи, например, общего обзора процесса (см. Раздел 3.9.5), если слишком увеличивается количество страниц.






Проектирование административного бизнес-процесса и разработка системы


С первого же взгляда создается впечатление, что между проектированием автоматизированных и ручных бизнес-процессов существует заметная разница. Эти различия присутствуют также при изучении физической разницы между ручной и автоматизированной обработкой данных.
При физическом проектировании ручных административных бизнес-процессов рассматриваются отделы внутри организации, географическое местоположение, маршрутизация, время передачи документов, картотеки и формы.
При физическом проектировании автоматизированных административных бизнес-процессов рассматриваются процессоры, терминалы, принтеры, кабели, операционные системы, системы управления базами данных, и т. д.
При разработке компьютерных систем и проектировании ручного административного бизнес-процесса проектировщик старается как можно больше использовать имеющиеся средства обработки. Физические характеристики людей и машин совершенно различны, и это необходимо учитывать во всем. Именно в этой точке цикла улучшения мероприятия по изменению организации начинают окупаться.
Однако также существуют явные схожие черты между ручными и автоматизированными административными бизнес-процессами. В обоих случаях у административного бизнес-процесса есть цель: распространение информации среди тех, кто в ней нуждается. Для пользователя способ создания этой информации не имеет значения. Другими словами, пользователю все равно, проводится сбор, документирование и обработка данных, на которых базируется информация, компьютерами или людьми; пользователь будет продолжать задавать все те же вопросы. (Конечно, одно различие заключается в том, что автоматизированные методики позволяют удовлетворить требованиям распространения информации благодаря более высокой скорости и более низким затратам на использование компьютеризованных информационных методик, в то время как при ручной обработке данных эти требования могут остаться невыполненными.) Неудивительно, что первые три мероприятия по проектированию административных бизнес-процессов почти не отличаются от аналогичных мероприятий в методе разработки систем.
При разработке автоматизированных систем в конце каждой фазы, называемой проектированием логической структуры, определяется так называемая граница между людьми и машинами. Детали того, что происходит внутри границы, определяются далее специалистами по системному анализу и программистами. Они специализируются в оптимальном использовании возможностей компьютера. Детали того, что происходит вне границы, определяются далее специалистами в области ручных административных бизнес-процессов. Они специализируются в области проектирования административных бизнес-процессов в организациях. Очень важной является внутренняя координация мероприятий в обеих областях знаний. Законченная административно-организационная система должна функционировать как единое целое.
Часто системные разработчики слишком поздно приглашают экспертов по проектированию прикладных административных бизнес-процессов. В результате экспертам приходится строить процессы вокруг уже установленной компьютерной системы. Не так уж редко это приводит к частичной оптимизации и разочарованию как разработчиков, так и пользователей административных бизнес-процессов. Именно разработчик процесса, а не программист, должен нести ответственность за все мероприятия по улучшению бизнес-процессов. После рационализации процесса следует использовать информационные технологии для дальнейшего улучшения процесса.








Проектирование нового административного бизнес-процесса


В данной главе представлены способы проектирования и улучшения бизнес-процессов. Перед началом фазы проектирования могут существо­вать две исходные ситуации:
Анализ существующих бизнес-процессов уже был проведен.
Рассматривается вопрос о построении новых или улучшенных процессов.

Исходя из предположения, что анализ существующих бизнес-процес­сов уже был проведен, описание проблемных областей может показать, является ли необходимым ввести совершенно новую организацию адми­нистративных бизнес-процессов (реинжениринг) или же достаточно бу­дет улучшить существующие процессы (перепроектирование).
Выводы, сделанные в Фазе III, дают основание для модификации ад­министративных бизнес-процессов или введения новых процессов. Очень полезным в перепроектировании процессов является понимание текущих процессов и их сопроводительная документация.

На базе этого могут быть разработаны следующие процедуры:
Разработка изменений в соответствии с выбранными методика­ми документирования.
Спецификация организационных условий, которые должны быть выполнены и организационных изменений, которые дол­жны быть произведены. В связи с этим необходимо продумать возможности доступа к техническим административным инст­рументам, рабочей силе, и т. д.
Спецификация различий между текущими и предлагаемыми про­цессами. Следует четко определить, как именно модифицирован­ный процесс решает проблемы, обнаруженные во время фазы анализа.
Утверждение предложений менеджерами отделов и соответству­ющими контактными группами.
Представление отчетов команде по управлению проектом (РМТ).
Окончательное утверждение предложений командой по управ­лению проектом.
При составлении совершенно новых административных бизнес-про­цессов очень легко потерять связь с текущей ситуацией. Поэтому проек­тирование новых процессов должно выполняться аналитически. Началь­ная точка проектирования будет определяться целями, сформулирован­ными в фазе анализа.

Проектирование административных бизнес-процес­сов может быть осуществлено с помощью следующих этапов:
Формулировка основных положений (переменных проектиро­вания).
Описание информации, которую следует получить.
Определение основных видов мероприятий.
Определение того, какая именно информация является необхо­димой.
Определение последовательности различных видов мероприятий.
Разработка деталей процесса.
Расчет затрат.
Определение организационных условий, которым необходимо удовлетворить для успешного перехода с одного администра­тивного бизнес-процесса к другому.







Распределение мероприятий по организационным единицам


Когда иерархический обзор объединяется со схемой организационной структуры, образуется полный обзор организационных единиц (см. матрицу в Приложении IV). С помощью этой матрицы можно определить степень причастности конкретной организационной единицы к конкретному административному бизнес-процессу.
Возможно, что в отношении конкретных мероприятий сформированы какие-либо административно-организационные условия. В первую очередь, эти условия могут быть связаны с местом проведения мероприятия..



п/п
Базовое мероприятие
Описание
Результаты
№ формы
Исполнитель
А
Заполнение регистрационной и налоговой форм
Регистрационная форма должна включать все данные, необходимые для обработки найма на работу новых сотрудников
Заполненные: - регистрационная форма для работника - налоговая форма
1 2
Труд. рее. Работник
В
Заполнение регистрационной формы и контракта
Ввести денные отдела и завизировать договор о трудоустройстве работника
Регистрационная форма, заполненная данными отдела и завизированная
1
Менеджер отдела
С
Проверка заполнения
Проверка заполнения регистрационной формы
Контрольная виза на регистрационной форме
1
Труд. рее.
D
Запрос на медицинский осмотр
Запрос на медицинский осмотр в медицинской службе компании
Форма запроса
3
Труд, рее
Е
Письмо-договор
Составить письмо-договор
Напечатанное, но еще не подписанное письмо и копия
4
Труд. рее.
F
Получение результатов медицинского осмотра
Возврат полученной формы запроса с результатами осмотра
Заполненная форма запроса
3
Труд. рее.
G
Заведение личного дела
Завести номер файла и приготовить файл
Файл личного вела
5
Труд. рее.
Н
Заявка на медицинскую страховку
Заполнение и отправка формы медицинской страховки
Форма страховки
6У7
Труд. рее.
I
Мониторинг финансовой сметы
Обновление таблицы должностей, проверка утверждения вакансии
Обновленная таблица должностей
8
Отдел финансово го планирова ния
J
Ввод в платежную ведомость
Заполнение карточки учета рабочего времени Запись в таблицу платежной ведомости
Карточка учета рабочего времени Таблица платежной ведомости
9 10
Отдел труда и зарплаты
К
Заявка на пенсионную страховку
Заполнение и отправка письма с заявлением
Письмо-заявление
11
Труд. рее.

Enz..





Рисунок 5.G   Пример обзора базового мероприятия

Следующие условия должны быть включены и заданы:
Конкретные мероприятия должны выполняться сотрудниками или отделами, определенными заранее.
Некоторые мероприятия должны быть объединены друг с другом в одном отделе.
Некоторые мероприятия не должны быть объединены в одном отделе или поручены одному сотруднику.
В административном бизнес-процессе определенные наборы да 11-ных необходимо обновлять или делать на них ссылки.

Кроме того, административно-организационные условия могут быть связаны с созданием, обработкой, ссылками и удалением каких-либо наборов данных.
Учитывая переменные проекта, матрица может указать, где именно (рабочее место [отдел]) будет выполняться упомянутое мероприятие. Место (отдел) выполнения конкретного мероприятия обозначено на Рисунке 5.С. Если заранее было определено, что мероприятия будут выполняться несколькими отделами, то на этой стадии происходит дальнейшее нетление мероприятий.
Чтобы указать место проведения мероприятий, необходимо уже иметь некоторое представление об их организационном группировании. При запуске нового процесса, который должен заменить ранее применявшийся процесс, следует рассмотреть связи в пределах существующей структуры. В полностью и вновь разработанной организации можно найти связи с описаниями характеристик бизнеса и на этом основании определить ожидаемую компоновку организационной структуры.

Существует несколько критериев, которые могут играть роль в определении места проведения мероприятий:
Достижение наиболее эффективного использования применяемых наборов данных.
Осуществление оптимального использования инструментов, применяемых в административных бизнес-процессах.
Размещение мероприятий таким образом, чтобы мероприятия с самой большой организационной взаимосвязью как можно больше проводились вместе.
Размещение задач, похожих друг на друга и требующих приблизительно равного уровня образования, по возможности вместе.
Разделение функций распоряжения, выполнения, хранения, документирования для реализации оптимального уровня управления.

Составление наборов задач так, чтобы достичь хорошей степени удовлетворения работой. Содержание и условия работы должны обеспечивать оптимальное количество разнообразия и самоуправления. Чтобы создать хорошую мотивацию для служащих, вы должны стремиться создавать комплексные наборы задач так, чтобы максимально использовать способности вовлеченных сотрудников. Также важно, чтобы группы были сформированы из людей, подходящих друг другу по интересам, характеру и образованию.
Различные критерии могут противоречить друг другу. Иногда преобладает один или несколько критериев. Следовательно, остальные играют меньшую роль в организации структуры. Если лишь немногие критерии преобладают или не преобладают никакие, то ищут баланс. Характеристики бизнес-процесса и требуемая информация для управления им в конечном счете определяют приоритет критериев.
Вы можете получить некоторое представление о том, как достигается баланс, оценивая степень выполнения каждого критерия для каждой из альтернатив. Альтернатива с самым высоким итоговым счетом является предпочтительной до тех пор, пока она не опускается ниже минимального уровня любого из индивидуальных критериев. Определение места проведения мероприятий носит предварительный характер, поскольку возможно, что оно будет определяться на основе следующих этапов проектирования.





Разделение функций


Между финансовой службой, администрацией и менеджером информационных систем в области административной организации
Как уже отмечалось в начале раздела, задачи по управлению административной организацией, которые необходимо выполнить, значительно обширнее задач по управлению одним лишь Справочником по административной организации. В управлении справочником рекомендуется различить функциональное управление и техническое управление. Функциональное управление занимается содержанием справочника и относящимися к нему понятиями и определениями. Техническое управление включает составление описаний к справочнику и его обновление.

Функциональное управление включает следующие задачи:
Разработка структуры Справочника по административной организации.
Определение терминов и понятий, используемых в Справочнике по административной организации и их обновление.
Контроль качества определений.
Мониторинг применения стандартов документирования.
Задание, документирование и улучшение стандартов документирования.
Задачи, связанные с техническим управлением справочником, можно суммировать следующим образом:
Предложение принципов текстовой обработки.
Проверка использования для документирования и анализа хороших компьютеризированных инструментов.
Обновление справочника (при изменении процесса).
Организация распространения справочника и его обновленных версий.
Поддержка инициализации и реализации изменений.
Безусловно, в отношении справочника можно выделить ряд дополнительных консультативных и исполнительных функций, например:
Выполнение описаний и анализа или обеспечение высококвалифицированной экспертизы.
Организация проектов описания и анализа.
Реальное осуществление улучшений в административной организации.
Задачи по управлению административной организацией также включают задачи, определенные для Справочника по административной организации. Кроме того, задачи управления (в самом широком смысле слова) административной организацией включают:
Определение информационной структуры организации.
Определение будущих информационных потребностей и указание, как им удовлетворить.
Определение и проектирование административной организации.
Мониторинг результативности, эффективности и надежности административной организации.
Проверка надлежащего функционирования административной организации.
Обеспечение достаточных знаний о структуре, проектировании и желаемых методах работы.

Вопрос о том, с помощью каких должностей в организации должны выполняться различные задачи административного управления, достаточно сложен, особенно когда организация растет, увеличивается специализация внутри организации в области административных информационных систем управления и возникает вопрос о целесообразности централизации и децентрализации задач.
Изначально административно-организационная должность была сформирована внутри финансовой функции организации. В небольших п средних организациях администрирование, компьютеризация, обработка информации и анализ большей частью по-прежнему совмещаются в одном отделе. Определение задач операционных (рабочих) отделов, таких как покупка и продажа, приводит к некоторым проблемам. Ответственность за задачи в области управления административной организацией, как указывалось выше, лежит на сотрудниках финансового отдела.
Разделение задач административной организации вообще имеет смысл, когда финансовые функции, из соображений производительности или внутреннего контроля, делятся на функции управления и повседневные обязанности финансовой службы. Так может существовать отдельный административный отдел, работающий в дополнение к отделу финансовой службы и продолжающий выполнять все задачи, кроме задач финансовой администрации, полностью рассмотренных в Разделе 7.6.1. Как только достигнут определенный размер организации, становится эффективным основать отдельную административную организацию. Эта организация будет определять структуру обработки данных внутри отделов и давать указания в отношении требований по единообразию к консолидации, которым должны удовлетворять отделы поставки.
Центральный отдел административной организации окажет поддержку в описании и анализе административной организации, хотя и не и форме рабочей силы, подготовки кадров и т.д. Менеджеру отдела, который готовит раздел в справочнике, обычно поручается определить, когда следует обновлять данный раздел справочника, а также нести ответственность за управление данным разделом.
Ситуация усложняется, если кроме финансовой службы и функции управления существует также должность менеджера по информации. Поскольку задача менеджера по информации не ограничивается административной организацией в плане финансового управления и систем его обеспечения, то менеджер по информации потоков включает в свою сферу полную обработку информации и системы ее распределения внутри организации. Другими словами, информационное управление для финансового офиса - это зачастую лишь одна из многих областей, требующих внимания. Здесь возникает вопрос о том, как следует распределить задачи между финансовой службой, отделом сотрудников административной организации (дифференцированно или нет), менеджером по информации и пользователями.
В сфере административной организации, задача менеджера по информации должна заключаться по крайней мере в создании общей схемы и обеспечении соответствия.

Это означает, что, помимо своих задач в других областях, в сфере административной организации менеджер по информации должен:
Указать общую структуру справочника административной организации.
Указать образец разделения функций и задач административной организации и описать соответствующие обязанности и потребности.
Поддерживать методы и технологии описания и анализа административной организации.
Управлять компьютерными системами для описания и анализа организации и поддерживать пользователей систем.
Подготавливать сотрудников в областях описания и анализа административной организации.
Поддерживать пользователей (обладающих рабочей силой).
Вести по крайней мере один полный экземпляр справочника по административной организации для всей организации, куда заносятся все описания.
Вести общее управление данными.
Указывать информационную структуру (информационную архитектуру) для всей организации.
Отслеживать последовательное использование предписанных методов и методик по всей организации.
Выявлять ненужные дублирования и/или частичные совпадения в организации, в рамках управления Справочником по административной организации. Это означает, что следует четко определить различные обязанности по управлению.

Предполагая, что для всей организации существует функция центральной финансовой службы, можно определить следующие задачи в области управления административной организацией:
Общая постановка и проектирование административной организации для функций, которые относятся к функциям финансовой службы (экономический анализ организации, планирование, расчеты, казна и т. д.). Сюда относится задание и проектирование функций внутри самого отдела финансовой службы, а также функции руководства, предоставляющего информацию.
Проверка обработки данных в соответствующих областях.
Ответственность за качество распространяемой информации. В этой области, финансовая служба также должна давать указания отделам и предоставлять информацию.
Имеет смысл, чтобы разделом справочника, и котором рассматриваются мероприятия, проводимые финансовой службой, -заведовал сам начальник финансовой службы. Это означает, что на практике начальник финансовой службы будет анализировать и описывать соответствующие отделы административной организации. Он также будет нести ответственность за анализ документов, составленных в отделах предоставления информации.
Что касается начальной структуры справочника, начальник финансовой службы должен установить очередность описания различных подразделений административной организации. Он также будет вести и распространять те разделы справочника, в которых рассматриваются его функции. Кроме того, он должен удостовериться, что отделы, предоставляющие информацию, действуют согласно принципам, указанным в справочнике. Путем такой организации работы финансовая служба выполняет и некоторые задачи, являющиеся частью внутренних процессов контроля.
На основе указаний и требований, заданных финансовой службой, отдел управления будет разрабатывать детальный план бизнес-процессов внутри него. В соответствии с правилами, заданными менеджером по информации потоков и финансовой службой, в этом отделе будет спроектирована и подробно описана административная организация внутри него. Кроме того, в офисе управления должны также убедиться, что обработка данных производится в соответствии в предписанными методами.
Все эти практические приемы приведут к разделению задач, в то время как менеджер по информации будет заниматься основными структурами, методическими правилами и полной поддержкой информационной системы. Она производит иерархический обзор, (основную) схему принципов административного процесса, контекстуальные схемы и полный обзор всей организации. Начальник финансовой службы несет ответственность за разработку административной организации с внутренними коммуникациями, а также отслеживает эффективность и описывает административную организацию на уровне глобальных схем процессов и детальных схем процессов для его собственного отдела. Он также пишет справочные руководства и инструкции для отделов, которым он поставляет информацию.
Офис управления описывает административную систему в своем собственном отделе в соответствии с детальными схемами процесса и необходимыми схемами инструкций. Кроме того, офис управления документирует свои собственные мероприятия по обработке информации для поддерживаемых им отделов и своих собственных работников.
Основы работы с XHTML и CSS

Различия в сути целей анализа


В этой главе подводятся итоги по следующим целям анализа:
A.           Результативность управления информацией.
B.            Результативность/эффективность файлов.
C.            Длительность цикла/своевременность выполнения.
D.            Группировка мероприятий.
E.            Маршрутизация.
F.            Внутренний контроль.
G.            Продуктивность.
Н.            Возможности стандартизации.
I.             Дублирование/избыточные процедуры.
J.             Результативность/эффективность инструментов.

Цели анализа можно подразделить в соответствии с проблемами ана­лиза. Предметом анализа являются:
Условия, в которых протекает административный бизнес-процесс (Цели анализа В, D, E, F и J).
Фактическое выполнение административных мероприятий (Цели анализа С, F, G, Н и I).
Конечный продукт административного бизнес-процесса (Цели анализа А, С и F).
Цели могут быть представлены таким же образом, как это представ­лено на Рисунке 4.О (буквы соответствуют целям анализа).

Неэффективно проводить исследование завершения административ­ной организации в целом, не дифференцируя характер и влияние целей, связанных с каждым мероприятием. Вы быстро заметите, что недостатки будут по-прежнему наблюдаться, если цели анализа не изменятся.

Различия в сути целей анализа

Рисунок 4.0   Предмет анализа

При взгляде на Рисунок 4. О возникает впечатление, что неадекватные предва­рительные условия часто приводят к неадекватной обработке и конеч­ных продуктов.
Пример иерархии анализа, при помощи которой возможно проведе­ние классификации целей анализа в соответствии с важностью, может быть представлен следующим образом:
Во-первых, определить конечный продукт (А, С и F) и эффек­тивность управления информационными потоками. Если все это в порядке, определить, стоит ли их изучать.
Если да, то определить, выполняются ли условия эффективного функционирования. (К примеру, в отношении использования файлов, следует рассмотреть возможность компьютеризации или в отношении структуры функций и задач, следует рассмотреть распределение мероприятий между организационными структур­ными подразделениями.)
После оценки эффективности выпуска и условий методов эффек­тивной работы, тем не менее, следует рассмотреть фактическое выполнение мероприятий и выяснить, возникает ли дублирование, адекватна ли маршрутизация в рамках отдела, используются ли возможности стандартизации и высока ли продуктив­ность.
Раздел 4.13.2 указывает, что не все данные, необходимые для анали­за, могут быть взяты из существующей документации. Это может создать необходимость в приоритизации анализируемых элементов и создании иерархии целей анализа. Предположим, к примеру, что возникает ситуа­ция, когда административной организации подходят только схема орга­низационной структуры (Раздел 3.9.1) и детальная схема процесса (Раз­дел 3.9.6). Как указано в Разделе 3.10, не все требуемые факторы могут быть представлены в виде схемы с помощью обеих методик документи­рования. В этом случае для каждой цели анализа могут быть представлены необходимые дополнительные данные, требуемые для адекватного анали­за (см. Рисунок 4.Р). Так, к примеру, анализ продуктивности администра­тивных бизнес-процессов потребует дальнейшей детализации различных параметров, затрат и стандартов. Обычно следует выходить за границы соответствующего административного бизнес-процесса.





Реализация решений, направленных на будущее


Вся работа команды по улучшению процесса окупает себя в течение Фазы V. Именно в это время все результаты анализа данных и творческого мышления, вложенного в разработку нацеленного на будущее решения, преобразуются в реальное улучшение деятельности. Несмотря па то что столько усилий и внимания было затрачено на проверку полноты нацеленного на будущее решения и правильности проектируемых затрат и сбережений, если решение будет плохо реализовано, то весь процесс может закончиться неудачей. В действительности, именно на этой фазе чаще всего происходят провалы проектов по улучшению бизнес-процессов. Создается впечатление, что энтузиазм и увлечение творческой частью административных мероприятий по улучшению бизнес-процессов (Фазы с I по IV) пропадает во время наиболее приземленной части - мероприятия по внедрению. Очень часто интересы руководства переключаются на новый проект, и из-за этого не соблюдаются правильные приоритеты для приведения процесса к завершению.
Другой фактор, приводящий к провалу проекта по улучшению бизнес-процессов во время мероприятия внедрения, состоит в том, что отдельные сотрудники, задействованные в текущем процессе, не были должным образом подготовлены к изменениям. И вновь мы хотим подчеркпуть значение мероприятий по управлению организационными изменениями (ОСМ), которые следовало проводить параллельно с Фазами с II по IV. Если команда по улучшению процесса затягивает начало мероприятий по управлению организационными изменениями в административных мероприятиях по улучшению бизнес-процессов вплоть до этого момента, то она сама напрашивается на проблемы, и теперь уже будет слишком поздно для того, чтобы получить реальную поддержку и помощь от людей, которые должны осуществлять изменения. Разницу между хорошей и плохой работой по управлению организационными изменениями можно заметить по отношению людей, которые будут жить с этими изменениями (т. е. объектов изменения). Если команда по улучшению процесса хорошо справилась с работой, то объекты изменения будут говорить: «Позвольте показать Вам, как сделать так, чтобы изменение заработало», а не «Позвольте показать Вам, почему это изменение никогда не заработает».
Модифицированные или новые процессы будут вводиться в действие соответствующими менеджерами или контактными группами. В течение этой фазы руководитель проекта будет играть опорную роль. Вначале следует убедиться в выполнении различных организационных условий.

Необходимо продумать следующие моменты:
Достаточно ли имеется рабочей силы для осуществления административных бизнес-процессов.
Достаточно ли имеется инструментов, таких как оборудование,
системы документирования и т. д.
Модификацию существующей организационной структуры.
Работу с сотрудниками, занятыми в процессе. (Следует заметить, что работа с сотрудниками, непосредственно вовлеченными в процесс, обсуждалась в предыдущих фазах. Здесь же рассматривается предоставление информации и инструкций сотрудникам, задействованным в процессе косвенно.)
Управление переходом от старого процесса к новому.
Предоставление отчетов внешним аудиторам, которые также задействованы в административном бизнес-процессе.


После внедрения процесса важно, чтобы менеджеры отделов, контактная группа и руководитель проекта провели мониторинг процесса с тем, чтобы убедиться в его правильном функционировании. Возможные непредвиденные проблемы должны решаться отдельной группой или подгруппой команды по улучшению процесса.
Во многих случаях, перед формальным началом функционирования нового процесса проводится фаза пробного запуска. В течение этой фазы работают одновременно и новая, и существующая системы (частично).
Если после выполнения приемных испытаний будущими пользователями системы новый процесс функционирует согласно ожиданиям, то старый процесс тут же прекращается. Все вопросы, касающиеся фазы пробного запуска, безусловно, должны быть уже рассмотрены во время фазы проектирования. На этой фазе на организацию будет оказано дополнительно давление из-за потребности в дополнительной рабочей силе и инструментах.
После того как новый процесс проработает некоторое время, необходимо провести оценку. Эта оценка, проводимая менеджерами отделов и контактными группами совместно с руководителем проекта, должна показать, удовлетворяет ли вновь начатый процесс всем ожиданиям. В случае необходимости процесс регулируется. Отчет о результатах оценки следует сдать команде по улучшению процесса.

Фаза V состоит из восьми мероприятий, а именно:
Формирование команды по внедрению нацеленного на будущее решения.
Разработка плана внедрения.
Внедрение плана на первые 90 дней.
Внедрение долгосрочных улучшений.
Проведение измерений и отчет о результатах.
Проведение периодических обзоров.
Сравнение результатов и целей.
Поощрение членов команды.





Реорганизация документов и форм


Команда по улучшению процесса должна теперь оценить формы и другие документы, используемые в рамках процесса для выявления по­тенциальных возможностей улучшения результативности и эффективно­сти административных бизнес-процессов.

Анализ оценивает, насколько оптимально используются:
Производственное и обрабатывающее оборудование, такое как персональные компьютеры, миникомпьютеры, микрокомпьютеры или терминалы, которые комбинируются или не комбинируются с формами телекоммуникаций.
Соответствующее программное обеспечение.
Методики, которые могут применяться для улучшения производительности создания текста, такие как компьютеризированная обработка текстов, магнитные карты и т. д.
Инструменты, которые дают возможность одновременно созда­вать ряд документов, таких как дублированные методики выво­да на печать, машинописные экземпляры, полученные через копировальную бумагу и т. д., печатное оборудование, соединен­ное параллельно и т. д.
Методики для размножения документов, такие как фотокопи­ровальное оборудование и т. д.
Возможности стандартизации документов (могут ли отдельные документы с более или менее похожим текстом объединяться для формирования одного документа).
Анализ потребности в непрерывном существовании всех применяемых форм, документов и копий является отправной точкой для этой оценки. Кроме того, команде по улучшению процесса потребуется определить, действительно ли нужны все действия, выполняемые в связи с применяе­мыми документами. Эти оценки могут, к примеру, осуществляется на ос­нове схемы управления формами (см. Приложение 7 и Рисунки 4.Е. и 4.F.) В этих рисунках описываются документы и файлы, применяемые в связи с ними.

Кроме того, обзор составляется с учетом специфики каждой катего­рии:
Цель документов.
Количество документов, создаваемое за период времени.
Время, необходимое для этого создания.
Связанные с этим затраты.
Стандартные или нестандартные документы.

Проведение анализа лучше всего начинать с изучения схемы управ­ления формами. При помощи этой схемы можно достичь понимания мес­та, где создаются документы, и основы, на которой они создаются, ис­пользуемые количества (параметры), для какой цели они используются и как они регистрируются и хранятся. На этой основе может быть состав­лен ряд предварительных заключений в отношении использования доку­ментов. Эти заключения должны быть соответственно скорректированы, и на основе Рисунков 4.Е и 4.F должны быть изучены потенциальные воз­можности для улучшения. Используя эти рисунки, команда по улучше­нию процесса может определить, какие комбинации документов могут быть выпущены одновременно. Также на основе этих рисунков команда по улучшению процесса сможет понять, могут ли быть объединены или упрощены действия, связанные с документами.
Этот анализ также завершается оценкой затрат, соответствующих ва­риантам различных альтернатив. Анализ выпуска различных докумен­тов должен включать в себя возможности для применения оборудования для обработки текстов. К примеру, оборудование для обработки текстов приведет к значительной экономии, если большое количество документов выпускается независимо и применение стандартных документов не­желательно или невозможно.






Результативность и эффективность маршрутизации административных бизнес-процессов


Разногласия, окружающие маршрутизацию административных биз­нес-процессов, особенно важны, если учитывать тот факт, что огромное влияние на административные бизнес-процессы может оказать физичес­кое местоположение документов. Это объясняется тем, что перемещение документов является мероприятием, требующим больших затрат време­ни, и, после того как документы были переданы, необходимо подвести итоги административных операций по обработке. Существует также опас­ность того, что перемещение документов и проведение обработки где-то в другом месте может привести к возникновению ошибок.

Иногда можно упростить маршрутизацию путем изменения последо­вательности мероприятий таким образом, чтобы снизить количество пе­ремещений. Это обычно снижает вероятность потери документа, а также снижает длительность цикла.
Иногда результаты могут быть достигнуты изменением маршрута раз­личных подпроцессов. К примеру, в крупной организации документы для обработки данных о недавно принятых на работу, продвижении, поощ­рении и платы за обучение следуют по маршруту, который проходит че­рез шесть отделов: отдел набора кадров, отдел образования, отдел подго­товки, отдел информации о жилищных условиях, отдел обзоров деятель­ности, отдел кадров и отдел труда и заработной платы. В большую части (под)процессов были вовлечены только один-два отдела. Построение про­екта схем индивидуальных маршрутов для каждого (под)процесса приве­ло к снижению длительности цикла, так как для каждого (под)процесса до­кументы стали пересылаться только в те отделы, которые их используют.
Первоначальная информация о маршрутах документов получается при изучении заполненных схем документирования. В этом случае могут использоваться схемы процессов, схемы управления формами и/или схе­мы обращения форм. На основе этих схем принимается решение о необхо­димости дальнейшего анализа. Указанные выше методики документиро­вания обеспечивают понимание потоков документов в каждом админист­ративном бизнес-процессе. Иногда для этой цели используется несколько страниц. Это означает, что данные методики - не самый лучший вариант для исследования совокупности потоков документов всех административ­ных бизнес-процессов. Для того чтобы разобраться в потоках докумен­тов, см. Рисунок 4.J. На этом рисунке подводятся итоги по ряду админис­тративных бизнес-процессов. В схеме перечисляются отделы и все этапы, которые выполняются для каждого административного бизнес-процесса. Кроме того, указано количество перемещений документов из одного от­дела в другой.

Процесс
Количество вовлеченных (под)отделов
Количество этапов (мероприятия) (под)отделы
Количество перемещений из одного в другой
Найм новых работников
7
140
35
Увольнения
7
60
15
Повышение квалификации
7
40
12
Продвижения (по службе)
7
40
20
Возмещение расходов на образование
7
20
10

Рисунок 4.J   Пример обзора маршрута

В строках для каждого процесса приведены количественные данные. Количество перемещений документа из одного отдела и дру­гой в сочетании с количеством отделов, вовлеченных в процесс, дают ин­формацию о возможном возникновении запаздывания длительности цик­ла процесса.
Таким образом, можно решить, требуется ли проведение дополни­тельного анализа длительности цикла. Это изучение может также указать, что в конечном счете предпочтительней: перегруппировывать мероприя­тия или объединять отделы.
В примере, представленном на Рисунке 4.J, был сделан вывод о жела­тельности проведения анализа своевременности выполнения процессов. Этот анализ проливает свет на существенные запаздывания (см. Рисунок 4.Н в разделе 4.5.1). Одним из предпринятых действий было внесение из­менений в маршрут вовлеченных процессов. Процессы были разбиты на подпроцессы, выполняющиеся параллельно. Количество вовлеченных от­делов было ограничено и каждый отдел стал получать только те доку­менты, которые необходимы для осуществления его собственных мероп­риятий. Максимальное количество последующих перемещений докумен­тов между отделами было снижено до 7.
При анализе маршрута движения документов следует рассмотреть производительность и затраты на применение и возможное привлечение альтернативных методов перемещения документов (пневматическая по­чта, компьютерные сети, телефонные почтовые системы и т. д.). При изу­чении вопроса автоматизации офиса следует принять во внимание воз­можности применения форм электронной почты (E-mail, Internet и т. д.).





Схема движения форм


Схема движения форм (иногда ее также называют схемой потока форм) помогает разобраться в использовании и маршруте движения форм административного бизнес-процесса. В этом отношении цель схемы движения форм совпадает с целью схемы управления формами, рассмотренной в Разделе 3.9.8. Однако выглядят эти схемы совершенно по-разному. Схема управления формами концентрируется на детальном представлении действий для каждой формы в хронологическом порядке; схема движения форм показывает поток форм в соответствии со структурными единицами или отделами.
Концепция формы в схеме управления формами должна пониматься широко; в схемах также могут быть представлены картотеки, реестры, книги, компьютерные распечатки или информация на экране.





Схема иерархического обзора


Схема иерархического обзора обеспечивает понимание структуры и связей во всей административной системе. Она показывает внутреннюю иерархию принципов административных бизнес-процессов. Иерархический обзор также получил название иерархическая схема, схема декомпозиции или структурная схема.






Схема инструкций


Схемы инструкций или формы инструкций существуют для того, чтобы помогать сотрудникам организации разобраться в административных бизнес-процессах, которые они должны выполнять, и в административных правилах, которым они должны следовать. Схема инструкций -уникальное средство передачи знаний: к этой документации предъявляются высочайшие требования, поскольку каждая инструкция должна иметь только один четкий смысл.






Схема общего обзора процессов и подразделений


Схема общего обзора процессов и подразделений обеспечивает понимание общих отношений между всеми административными бизнес-процессами и подразделениями, которые должны быть изучены. Характер вовлечения отделов (или сотрудников) в каждый из процессов при необходимости определяется применяемыми наборами данных.






Схема организационной структуры


Схема организационной структуры служит для обеспечения понимания структуры организации. Особенное внимание схема уделяет формальным отношениям между отдельными структурными единицами и отделами. Эти отношения могут быть по сути как иерархические (отношения с администрацией), так и функциональные (правила и руководящие указания).
Схема организационной структуры не подходит для схематического изображения административных бизнес-процессов; схема служит вспомогательной информацией для административных процессов и нацелена па обеспечение понимания. В частности, схема может представлять факторы месторасположения организации и отношений между отделами и отдельными сотрудниками.





Схема правления формами


Схемы управления формами показывают использование и маршрутизацию форм в рамках административного бизнес-процесса. Часто оказывается, что необходимо схематически изобразить маршрут и использование всех видов форм. Наряду с формами, книгами, картотеками, реестрами, распечатками, сюда входит информация с экрана, а также всевозможные технические инструменты, фотографии, звуковоспроизводящие устройства, световые сигналы и коммутаторы. На практике схема управления формами известна как схема «крестики-нолики».






Схема принципов административных бизнес-процессов


Схема принципов предназначена для изображения принципов административных бизнес-процессов. Важно, что схема дает четкое и быстрое представление существенно важных факторов. Схема принципов административных бизнес-процессов в общем не подходит для детального изображения факторов.






Схема системы бухгалтерского учета


Схема системы бухгалтерского учета - удобный документ для получения детального представления о системе обработки данных бухгалтерского учета компании.
Схема системы бухгалтерского учета обеспечивает понимание процессов бухгалтерского учета. В особенности она указывает, в какие счета были введены изменения и какова сущность этих изменений. Для более опытного читателя схема может служить инструкцией для осуществления бухгалтерского учета. Кроме того, эта схема важна для изучения последствий возможных изменений в бухгалтерском учете компании.
Хорошее понимание системы бухгалтерского учета компании обычно необходимо для полного понимания содержания административных бизнес-процессов. По существу схема системы бухгалтерского учета - недооцениваемый инструмент. Удивительно, что во многих случаях такие схемы не включаются в состав документов бухгалтерского учета, при подготовке годовых отчётов





Символы и их использование


Все стандартные символы присутствуют на обычной пишущей машинке:
X             объект подвергается описанному действию
О             объект используется в действии, нацеленном на другой объект
=             объект используется для контрольных действий
V             объект контролируется
Н (стоп) объект временно регистрируется или ожидает дальнейшего использования
В     (регистрация) объект окончательно зарегистрирован
S      (закрытие) объект уничтожается или покидает процесс
Т (пояснение) текстовые пояснения для каждой линии в правой части формы
Х-Х действие совершается над несколькими объектами

Примечание - это так называемые символы решения.
Заранее оговаривайте следующие руководящие принципы:
О всегда используется в строке в комбинации с X: новый объект (О) существует на основе другого (X)
Символы V и = всегда фигурируют в строке вместе (объект контролируется на основе другого объекта)
Каждая колонка объекта оканчивается символом S, Н или В, или ссылкой на другую страницу.











Содержание и компоновка


Справочника по административной организации
Вся документация по административной организации приведена в Справочнике по административной организации. Ниже обсуждается содержание и структура справочника, а также инструкции для него.

Содержание Справочника по административной организации
Справочник по административной организации играет важную роль как инструмент для управления административной организацией. Документация всех видов используется также при:
Анализе структуры административной организации.
Обзоре последствий предлагаемых изменений в административной организации.
Передаче знаний по административной организации.
Подготовке персонала.

Документация должна быть всеобъемлющей. Основное внимание следует уделять тому, что является необходимым для анализа (см. Главу 4), и при составлении справочника необходимо следовать логике, использовавшейся при проектировании административной организации (см. Глава 5 и, в частности, Рисунок 5.А). Такая комбинация требований приводит к созданию глав Справочника по административной организации; их содержание далее объясняется на Рисунке 7.В и приводится в нижеследующем списке.
Введение и индекс ключевых слов.
Общие сведения (контекст, бизнес-процессы, метод действия).
Организация.
Информационное управление (внутренняя связь).
Административные процессы.
Рабочие инструкции.
Внутренний контроль.
Различные аспекты (инструментальные методики).
Носители данных.
9. Определения данных.

Введение и индекс ключевых слов
-              общее краткое введение о содержании, организации, методах работы и основаниях для
создания справочника
- объяснение методов управления административной организацией внутри организации
- индекс ключевых слов для большего удобства пользования справочником
-              наставление (руководство по обучению), если необходимо быстро изучить содержание справочника


Общие сведения
-              ситуация (среда и окружение): местоположение организационных единиц / бизнес-процессов в окружающей среде
- краткое определение бизнес-процессов, например посредством иерархии целей способ организации контроля бизнес-процессов, а также отобранные средства контроля связь со стратегическим планом информационных систем организации анализ риска     

Организация
организационная структура и штатное расписание — отношения с другими организационными единицами
функции задействованных организационных единиц
должность, задачи, квалификация и обязанности вовлеченных сотрудников
правила ведения дел по доверенности и правила проектирования
связь с возможно существующим справочником по организации

Информационное управление (внутренняя связь)
-              обзор наиболее важной информации по управлению (относительно руководства и обязанностей) /внутренних сообщений, а также спецификация информационных систем/административных процессов, на базе которых они созданы

Административные процессы
иерархический обзор административных процессов
полный обзор (матрица) административных процессов и организационных единиц описание административных процессов, например, в форме общих схем процесса или детальных схем процесса
разъяснение административных процессов, если это необходимо

Рабочие инструкции:
Текстовой, в форме схем инструкций, разработанный набор рабочих инструкций для тех ситуаций, которые стоят затраченного труда в силу сложности процессов, их важности или неизбежности использования меняющегося или неопытного персонала. Эти рабочие инструкции обычно записываются на правых страницах справочника, напротив соответствующих детальных схем процесса на левой стороне справочника


Внутренний контроль:
Обзор зарегистрированных внутренних контрольных мер как для контроля, так и для обеспечения надежности информации. Одно от другого может отличаться по:
конкретным средствам относительного и полного управления
сетевому графику общего контроля
организационным мерам типа функциональных подразделений, и т.д.
квалификационным правилам
особым (уникальным) мерам (квази-товарам, файлу существования, файлам создания и поручения, и тд.)
-              детализацией управления в пределах административных процессов, например, в форме обзора действий по контролю

Различные аспекты (инструментальные методики):
расписание
таблица периодичности
планировка офиса
количественные обзоры
специфические финансовые факторы
специфические юридические факторы
специфические административные правила
правила бухгалтерского учета, например, в форме схемы использования счета

Приведенное содержание удовлетворяет определению базовой административной организации. Справочник обращается к систематическому сбору, документированию, обработке и распределению данных, нацеленных на производство информации, требуемой для управления ежедневными мероприятиями и выбора из альтернатив.
На практике, структура главы корректируется таким образом, чтобы удовлетворить каждой функции. В той части справочника, где документируются финансовые административные процессы, отводится специальное место для системы бухгалтерского учета, инструкций по внесению данных, повестки дня, периодических записей, финансовой сметы и ежегодного цикла учёта, правил оценки и т. д. В разделе, посвященном трудовым ресурсам и организации, отводится специальное место для правил обучения.
Помимо упомянутых выше исключений важно, чтобы структура глав для всех разделов Справочника по административной организации была по возможности одинаковой, если существуют различные подразделения организации, в которых производится управление административной организацией (или ее частью). Это дает возможность группировать различные предметы в различных разделах справочника. Так, комбинация всех пятых глав (административные бизнес-процессы) и третьих разделов (детальные схемы процесса) дает читателю понимание всех административных бизнес-процессов.





Структура Справочника по административной организации


Справочник по административной организации является важным инструментом управления. Поэтому структура справочника должна быть связана со структурой управления организации (см. Раздел 7.6). Справочник также задает направление разработчикам процесса (команде по улучшению процесса), тем самым помогая им построить общие модели, использующие единые данные с одинаковыми определениями, которые могут быть применены для всех административных бизнес-процессов.
Далее рассматриваются две структурных модели для Справочника по административной организации. Одна модель предназначена для ситуаций с относительно высокой степенью интеграции между административными бизнес-процессами, а другая - для ситуаций с относительно низкой степенью интеграции. Кроме того, в общих чертах описываются случаи, для которых эти модели считаются пригодными.
Организации с относительно высокой степенью интеграции административных бизнес-процессов представляют собой небольшие и средние организации, в которых взаимозависимость различных организационных единиц является достаточно сильной. Относительно сильная взаимозависимость между организационными единицами приводит к тому, что эти единицы достаточно часто обмениваются данными и используют одинаковые массивы данных. Именно поэтому в таких ситуациях многие аспекты административной организации координируются и управляются централизованно. Такая централизованная координация может быть необходима из соображений, связанных со стратегией, управлением, специальными знаниями, объединением и производительностью. Это приводит к введению центрального управления, а следовательно и к созданию Справочника по административной организации, в котором все организационные единицы описываются единообразно. Для удобства пользования разделами справочника, при его распространении между организационными единицами следует учитывать актуальность различных разделов для каждой из них.
На Рисунке 7.С представлена структура справочника в случае относительно высокой степени интеграции. На ней изображен справочник для руководства средней или крупной промышленной компанией с подразделениями материально-технического снабжения, продаж, отгрузки, производства 1 и 2, с торговым складом, лабораторией и отделом кот роля кадров управленческого персонала, бизнес- администрации, информационного управления, общим отделом, а также отделом трудовых ресурсом и организации. Рисунок 7.С показывает, что содержание разделок справочника, в которых описываются эти отделы, в основном одинаково, однако, несмотря на это, описания административных бизнес-процессом предоставляются только тем отделам, в которых они проводятся.
Совершенно иначе выглядит Справочник по административной организации для организации с относительно низкой степенью интеграции административных бизнес-процессов. Для этого второго типа характерно существование центральной, относительно небольшой системы управления с множеством фактически независимых бизнес-единиц. В этой ситуации вопрос заключается в том, что должно управляться централизованно и что может быть децентрализовано?
На Рисунке 7.D представлена структура справочника для организации с независимыми организационными единицами, такими как подразделения, организационные единицы и/или ориентированные на результат команды.
При такой структуре, Разделы 0, 1 и 2 справочника управляются централизованно (по Разделу 0 справочника см. Раздел 7.4.3). В Разделе 3 приведены указания от финансового руководства (так называемое руководство по бухгалтерскому учету). В Разделе 4 содержатся такие же инструкции отделов трудовых ресурсов и организации.


Структура Справочника по административной организации

Рисунок 7.С   Справочник по административной организации при относительно высокой степени интеграции административных процессов


В Разделе 5 менеджеры удаленных, децентрализованных организаций документируют все мероприятия своей административной организации, которые не управляются из центрального офиса. Сюда может входить документация удаленных частей плана информационной системы и концептуальной модели данных. Это означает, что для менеджера, ответственного за Раздел К), в Справочник по административной организации включаются Разделы 0-4 (заполненные и управляемые другими должностными лицами) и его собственный Раздел 10.

Раздел /
Глава
0
Справочное руководство
1 Управление данными
2 Носители данных
3
Финансовый отдел
4 Отдел кадров и организационные подразделения
5 Организационные единицы
6 и т.д. Организационные единицы
0
Введение
Введение
Введение
Введение/ ключевые слова
Введение/ ключевые слова
Введение/ ключевые слова
Введение/ ключевые слова
1
Общие сведения
Общие сведения
Общие сведения
Общие сведения
Общие сведения
Общие сведения
Общие сведения
2
Содержание справочника
Определения данных
Носители данных
Организация
Организация
Организация
Организации
3
Контроль
И т.д.
И т.д.
Информационное управление
Информационное управление
Информационное управление
Информа- ционное управление
4
Распределение


Административные процессы
Административные процессы
Административные процессы
Административные процессы
5
Методики документирования


Рабочие инструкции
Рабочие инструкции
Рабочие инструкции
Рабочие инструкции
6
Автоматизированные инструменты


Внутренний контроль
Внутренний контроль
Внутренний контроль
Внутренний контроль
7
Правила изменений


Различные аспекты
Различные аспекты
Различные аспекты
Различные аспекты
8
Правила
КОМПОНОВКИ


Носители данных
Носители данных
Носители данных
Носитепи данных
9
Термины и
ПОНЯТИЯ


Определения данных
Определения данных
Определения данных
Определения данных

Рисунок 7.D   Справочник по административной организации при относительно низкой степени интеграции административных процессов
На практике, для двух описанных ситуаций различают множество разнообразных переменных. Не следует путать ситуацию отдаленной, децентрализованной организации с ситуацией в филиале организации. В филиале ничего не говорится ни о децентрализации власти для управления и проектирования первичных процессов, ни о рассредоточении действий по выполнению центрально управляемых процессов или центрально управляемых административных бизнес-процессов. В этом случае мы имеем дело с относительно высокой степенью интеграции административного бизнес-процесса.
Возможны также промежуточные формы. В силу причин, связанных со специальными знаниями, стандартизацией, юридическим равенством и производительностью, может сложиться ситуация, при которой информационные системы обработки операций управляются централизованно, в то время как руководство проектированием рабочего метода является децентрализованным. В этом случае структура Справочника по административной организации будет представлять собой комбинацию Рисунков 7.С и 7.D. Должно быть ясно, что выделение раздела в справочнике имеет смысл только в том случае, если для этого раздела может быть указано централизованное или децентрализованное управление.





Свойства


Из всех возможных методик схематического изображения схема организационной структуры применяется наиболее широко. Почти в каждой организации существует необходимость в уточнении формальных иерархических и функциональных отношений; и, возможно, доступны некоторые формы документации по организационной структуре. Таким образом, воспроизведение организационной структуры первоначально не поотносительно того, какие сотрудники занимают те или иные должности и какие задачи они выполняют. Большее значение имеют взаимосвязи должностей. Для воспроизведения этих взаимосвязей часто бывает достаточно документировать взаимосвязи между различными отделами, подотделами, контактными группами, комиссиями или командами, работающими над проектом, не указывая индивидуальные позиции внутри каждой группы.
Цель изображения схемы организационной структуры ограничена: кроме формальных линий полномочий и ответственности она показывает группы, отделы или отдельных сотрудников, ответственных за определенные операции. Квадраты в этих схемах представляют эти единицы.
В схемах с помощью определений может быть передана некоторая информация относительно характера операций. Набор задач административного отдела в торговой компании можно подразделить, к примеру, на обновление информации по счетам, контроль счетов за приобретенные материальные ценности, отслеживание дебиторской задолженности, составление финансовых смет и управление отчетами, в которых фактические данные сравниваются с финансовыми сметами.

Свойства


Рекомендуется ограничивать схемы организационной структуры факторами, упомянутыми выше (иерархические связи, разбивка операций по отделам). Следует понимать, что схема может предлагать связи, которые в действительности не существуют: большое количество неформальных контактов и отношений не представлено. Организация информации в схемах не показана. Кроме того, хотя в схеме можно указать, что существуют некоторые иерархические связи между двумя подразделениями, все же степень, в которой эти связи имеют силу, не изображается схематически. В общем можно сказать, что схема организационной структуры не подходит для представления круга полномочий или ответственности различных должностей и отдельных сотрудников.
Хотя схема организационной структуры используется большинством компаний, она не всегда соответствует уровню современных требований. Количество изменений, регулярно реализуемых в некоторых организациях, делает почти невозможным каждый раз переделывать схемы. Однако все же в некоторых усложненных организациях предельно важно иметь точное представление о структуре организации. Для этих типов компаний можно также увидеть, что новые схемы или, по крайней мере, только те страницы, которые были изменены, публикуются достаточно часто и распространяются внутри организации. Схема организационной структуры обычно является частью руководства по организации, в котором кроме структуры организации записаны также имена и должности всех сотрудников, адреса и номера телефонов, а также географическая схема компании.
Для разрешения проблем с постоянным перерисовыванием схемы можно использовать простейшие прикладные компьютерные приложения. После внедрения изменений в файл организационной структуры (к примеру, кода должности, имени сотрудника, и непосредственного менеджера), компьютерные программы начинают немедленно изменять и перепечатывать схемы. (Приложения также могут быть частью компьютеризированных средств для описания административной организации.)
Это приложение может стать более интересным, если помимо иерархических отношений будут также схематически изображаться функциональные линии консультаций. В маленьких организациях обычно не рекомендуется использовать приложения, каждый раз будет необходимо изменять схемы вручную.


Операционная система Microsoft Windows XP

Свойства


Схема движения форм принадлежит к категории ограниченных схем: при использовании схемы размещение и символы определены в общих чертах заранее (см. Раздел 3.8.1). Схема построена таким образом, что поток форм представляется символами, при помощи которых формы для каждого сотрудника или отдела сгруппированы и независимые колонки.

Свойства

Рисунок IX.А Схема движения форм: процесс выписки счета по продажам


Действия представлены при помощи символа с формой, на которой они сконцентрированы.
Схема движения форм особенно подходит для быстрого получения представления об административных бизнес-процессах. Это также является одной из причин, по которой эта методика доказала свою особую пригодность (например, для действий бухгалтера с управленческими функциями). В разделе файла бухгалтерского учета, в котором описывается административная организация компании, часть этого описания можно хорошо реализовать в форме схем, в то время как схемы также проявляют себя хорошо при быстром составлении описания основных дел административной организации. Многие бухгалтерские службы также используют варианты методики схемы движения форм как стандарты документирования для контрольных файлов.
Учитывая важность этих методик документирования, имеет смысл также выяснить, какие факторы могут (или не могут) быть представлены с помощью этой методики. Акцент в этих схемах делается на поток форм, общее представление мероприятий для каждой формы и распределение форм и действий между отделами. Последний фактор может оказаться особенно важным при анализе существующего в компании разделения задач и функционального разделения.
Для примера на Рисунке IX.А приведена схема движения форм. Схема затрагивает простой административный бизнес-процесс продаж, доставки товаров и выписки счета в компании. Входящие заказы па продажу после сверки со списками поставок и отчетом по кредитам, проводимой отделом продаж, заносятся в форму заказа. Затем выполняется доставка товаров па товарный склад и выписка счета администрацией. Также обновляется информация в отделах складирования, дебиторской задолженности и в бухгалтерской книге.
Ряд факторов не может быть адекватно представлен при помощи схемы обращения форм.
Действительно, действие может быть представлено для любой формы, но это ограничено упоминающимися связями с другими действиями, такими как сравнение, контроль или утверждение. В общем, методика не позволяет развивать дальнейшее определение деталей (может быть указано, что счет сверяется с формой заказа, но не указывается, какие части этих форм сравниваются).
Хотя необходимо стремиться к тому, чтобы схема читалась слева па-право и сверху вниз, последовательность действий не всегда отражается в схеме. Также в целом схема не отражает такие факторы, как время, периодичность, интенсивность, пространственное местоположение и применяемая методика. В этой форме схема потока форм нацелена на представление детального описания маршрута форм и основных действий, и то и другое схематически изображается для каждого отдела. Возможности контроля за завершенностью окончательной схемы, которые в определенной степени существуют для схемы управления формами, для схемы движения форм ограничены.
На практике, существует ряд вариантов схемы движения форм, которые направлены на устранение упомянутых выше недостатков. Для представления в схеме большего объема информации о действиях часто справа резервируется широкая колонка для описания хронологической последовательности действий. Этот вариант вполне применим, если количество отделов, вовлеченных в процесс, не так велико, чтобы вся ширина страницы была занята этой колонкой. В схеме связь между самой схемой и текстовой колонкой обозначается, к примеру, при помощи кружка с номером внутри.
На Рисунке IX. В повторяется процесс выписки счета продажи и добавлена колонка с пояснениями. В обоих схемах стандартные символы схемы движения форм замещены символами из известных методик изображения блок-схем (см. Раздел 3.9.6). С помощью этих символов административный бизнес-процесс разделен между колонками, соответствующими отделам, представленным в схемах процесса, в которых указан поток форм и действий. Этот последний вариант на практике доказал свою пользу не только при проведении анализа процессов, но и как средство информирования других. Рекомендуется ограничивать число символов, используемых этим вариантом схемы движения форм. Исходя из нашего опыта, более чем достаточным оказывается количество символов, используемых в детальных схемах процесса (см. Раздел 3.9.6)


Рисунок IX. С представляет пример комбинации схемы движения форм и детальной схемы процесса; она описывает тот же административный бизнес-процесс, что и на Рисунках IX.A и IX.B. В качестве дополнения к символам, рассмотренным в Разделе 3.9.6, большая стрелка изображена в левом верхнем углу, которая указывает, откуда надо начинать читать схему. Можно заметить, что в нижнем правом углу формы маленький черный уголок указывает на то, что форма была подготовлена в вовлеченном отделе (черный уголок также принадлежит к стандартным символам схемы обращения форм). Как и на Рисунке IX.B приведено несколько ссылок на пояснения.
Как и на Рисунках IX.A и 1Х.В., Рисунок IX.C дает хорошую основу для дальнейшего анализа описанных административных бизнес-процессов.

Свойства
Рисунок IX.B Схема движения форм: процесс выписки счета по продажам




Рисунок IX.С Схема обращения форм в комбинации с детальной схемой процесса: процесс выписки счетов на реализацию
В зависимости от целей анализа, может быть задан ряд вопросов, таких как:
Как может администрации отдела продаж быть и курсе операций с дебиторской задолженностью и состоянием запасов сырья и материалов в результате продаж, о которых после 15 часов было доложено администрации и не зарегистрировано в дебиторской задолженности и балансе счетов сырья и материалов па следующий день?
Достаточен ли технический контроль функциональных подразделений, действующих в рамках отдела административного управления?
Возможно ли контролировать действия торгового персонала (минимальные и максимальные затраты, оценка кредитоспособности)?
Какие действия следует рассматривать на предмет компьютеризации?





Свойства


Схема принципов должна быть полностью самоочевидной, то есть не требующей дальнейших объяснений. Схема может дать хорошее представление о процессах.
Схема принципов - схема свободного формата в том смысле, что не существует постоянной модели, одинаковой для каждого последующего случая. Если требуется, можно заранее договориться относительно используемых символов, их количества, использования текста, максимального количества факторов, которое может быть представлено и т. д.
Каждая схема будет оцениваться в соответствии с личными предпочтениями. Главное: схема должна оставаться простой.

Свойства


Рисунок II.A   Больница. Схема администрирования


Кроме использования набольшего числа символов преимуществом может также считаться следующее:
Эффективная передача знаний.
«Заставляет задуматься».
Выразительность.
Представление основных концепций.
Эти преимущества имеют место, если схема принципов используется в правильных случаях. Не всегда целесообразно использовать схемы принципов как средства передачи знаний. В каждом случае рекомендуется задаваться следующими вопросами:
Действительно ли это добавляет знания к уже существующим описаниям или схемам?
Могут ли другая схема или текст быть более полезными для цели схематического изображения?





Свойства


В иерархическом обзоре стремятся разбить административные бизнес-процессы таким образом, чтобы на нижнем уровне детализации различались управляемые процессы, которые могут быть описаны поэтапно и впоследствии проанализированы и оценены.
При подготовке иерархического обзора необходимо следовать, начиная с верхнего и кончая нижним уровнем, от общего к частному (сверху - вниз), таким образом, чтобы описать требуемое и необходимое количество деталей. Начать следует с обозначения бизнес-процессов (первичных процессов) и подразделения их на бизнес-подпроцессы, если это возможно.

В принципе, можно выделить следующие виды процессов:
Первичные процессы.
Вспомогательные процессы, которые, если требуется, можно подразделить на два типа:
процессы предварительного/циклического характера, такие как проведение оценок, составление финансового плана, запросов или отчетов;
процессы, напрямую поддерживающие первичные, такие как отдел кадров, имущественные и финансовые операции и т. д.
Функциональная декомпозиция проводится до тех пор, пока вспомогательные административные бизнес-процессы могут быть идентифицированы определенным способом.

Рекомендуется первоначально выделять административные бизнес-процессы логически; другими словами, в соответствии с реальным содержанием процесса (путем обзора происходящего). В качестве примера мы взяли некоторую произвольную больницу. Глобальная иерархия административных бизнес-процессов приведена на Рисунке III.А. Производство (1) и управление (2) выделены как наиболее важные функции. Каждая из функций разбита на подфункции/задачи. Трудовые ресурсы подразделяются далее на Рисунке III.В.

Свойства

Рисунок III.А Иерархический обзор больницы


Свойства
Рисунок III. В Иерархический обзор процесов, связанных с персоналом

Иерархический обзор может в то же время служить основой документации административной организации. Иерархический обзор также может быть методикой, используемой в компьютерных системах разработки.
Иерархический обзор является основой для описания процессе». Иерархический обзор также называют содержанием. На основе обзора можно быстро определить местонахождение определенного подразделения без просматривания всей документации. Следует обратить внимание на нумерацию процессов: отдельные квадраты нумеруются вертикально таким образом, что становится возможным распределить процессы и па основе номера определить их иерархию.
Даже хотя подразумевается воспроизведение процессов только при помощи схем процессов или схем информационных потоков (см. Раздел 5.5), в зависимости от факторов, которые должны быть воспроизведены для цели изучения, также возможно применение других методик схематического изображения.








Свойства


Общий обзор не только обеспечивает понимание, но также актуален для анализа отделов и административных бизнес-процессов.

Общий обзор может применяться в дальнейшем для анализа:
Отношений между отделами и процессами.
Отделов, которые вовлечены в процесс.
Мероприятий в рамках каждого отдела.
Характера вовлеченности отделов в процесс.
Учитывая широкий характер общего обзора, в большинстве случаев может быть указано только основное направление дальнейшего анализа. К тому же общий обзор всегда используется наряду с другими методиками документирования, которые больше внимания уделяют деталям. В зависимости от факторов, которые должны быть изучены, можно также использовать, к примеру, схему обращения форм, схему управления формами или детальную схему процесса.
Общий обзор представлен в виде матрицы, в которой административные бизнес-процессы изображены на вертикалях, а отделы - на горизонталях. Символы на пересечении колонок и столбцов отражают отношения между отделами и процессами, а также характер этих отношений.
Общий обзор процессов и отделов составляется в начале документирования административной организации. Он может служить в качестве перечня всех описаний процессов. В нем перечисляются все процессы и отделы, которые должны быть изучены (что, в основном, не так уж легко сделать на практике). К тому же в матрице указывается (например, Х-ами), какие отделы заняты в каких процессах и наоборот, без углубления в изучение характера этих отношений.
Общий обзор может быть удобным инструментом при наблюдении за планом подхода к документированию административных бизнес-процессов организации. Если все необходимые отделы рассмотрены и не забыт ни один административный бизнес-процесс, это означает, что план подхода эффективен (к примеру, какие процессы может документировать какой интервьюер посредством проведения интервью в отделе).






Свойства


Общая схема процесса воспроизводит основную модель отношений между различными частями административного бизнес-процесса. Общая схема процесса особенно хорошо проявляет себя, когда части могут быть представлены в определенной последовательности. Если полностью отсутствует последовательная упорядоченность, тогда отношения различных частей могут быть лучше изображены схематически при использовании иерархического обзора (см. Раздел 3.9.3) или общего обзора (см. Раздел 3.9.4). В принципе, позиции/задачи для каждой организационной единицы представлены без углубления в детали (как на уровне детализации мероприятий или действий; см. также Рисунок З.А)

Свойства

Рисунок V.A   Общая схема процесса управления выплатами


Свойства

Рисунок V.A   Продолжение
На Рисунке V. A представлены способы управления издержками в произвольном филиале организации. Каждый раздел схемы обозначает часть операций в рамках отдела. Для каждого раздела приведено короткое пояснение. Разделам ставятся в соответствие три номера, которые отражают соответственно код отдела, код административного бизнес-процесса и порядковый номер. При помощи кода можно классифицировать базовые детальные описания как отделов, так и процессов.


Эти детальные описания для каждого раздела будут, в зависимости от цели документирования, отличаться схемами движения форм, управления формами, инструкциями или детальной схемой процесса (см. Раздел 3.9.3 - 3.9.9). Учитывая распределение мероприятий по отделам, можно применять эту схему процесса в качестве основы для набора схем инструкций (см. Раздел 3.9.7).
Естественно, количество факторов, которые могут быть представлены при помощи общей схемы процесса, ограничено: могут быть представлены основные принципы, последовательность и отношения действий, а также вовлеченные отделы и сотрудники.

Свойства

Рисунок V.B   Символы, применяемые в общей схеме процесса




Свойства


Детальная схема процесса показывает последовательность мероприятий/действий административного бизнес-процесса. Для каждого мероприятия/действия указаны имеющие значение документы или файлы, однако содержание схемы все же определяется последовательностью мероприятий/действий. Также может быть указан отдел (или сотрудник), выполняющий мероприятия/действия. Часто даже возможно нарисовать индивидуальную схему процесса в рамках административной системы таким образом, чтобы схемы отражали мероприятия/действия, приходящиеся на отдел. Однако как только это оказывается невозможным, (например из-за большого количества контактов или сильного документомежду отделами), необходимо провести общий обзор процессов и отделов для того, чтобы разобраться в каждом процессе отдельно для каждого отдела.
Хорошим шагом на пути к построению обзора всех индивидуальных детальных схем процесса может стать составление общего обзора. В этом случае каждый символ или раздел в общей схеме процесса должен соответствовать символу или разделу в детальной схеме процесса.
В наиболее часто применяемых формах (таких как схема процесса, которая в основном используется для проектирования компьютерных систем), может быть представлено ограниченное число факторов. Последовательность мероприятий/действий и соответствующие источники данных могут быть наглядно представлены в схемах процесса. Другие факторы, играющие определенную роль в рассматриваемом административном бизнес-процессе, должны быть задокументированы отдельно. Среди этих факторов можно назвать: количество, финансовую значимость, периодичность, элементы времени и т.д.
Рисунок VI.А на примере представляет административную организацию закупки продовольствия в больнице. На рисунке легко можно проследить, что поток мероприятий определяет способ составления схемы. Для каждого мероприятий указан отдел или сотрудник, они также могут быть упомянуты в схеме несколько раз.
Одним из преимуществ детальной схемы процесса является то, что степень детализации, с которой описывается административный бизнес-процесс, не влияет на схематическое изображение. Желание представить как можно больше факторов в схеме процессов часто приводит к представлению большего количества текста непосредственно рядом со схемой. Иногда выбирается детальная схема процесса, в которой схема приведена на левой странице, в то время как текст находится на правой. Текст соответствует мероприятиям и описывает как можно больше мероприятий, которые не могут быть изображены в схеме. Слева, рядом с мероприятиями, изображен отдел или сотрудник, вовлеченный в мероприятие, а также указан порядковый номер для каждого мероприятия.
На практике комбинация текста и схем часто дает хорошие результаты. Текст уменьшает количество проблем, связанных с пониманием схем теми, кто не привык работать со схемами процессов. Безусловно, как только текст становится избыточным (другими словами описывается то, что и так можно понять из схемы), процесс чтения схемы значительно облегчается.
В результате добавления текста часто увеличивается количество страниц, требуемых для изображения схем процесса. Из этого вытекает необходимость в создании хорошего оглавления (к примеру, составления проекта обшей схемы процесса; см. Раздел 3.9.5), но только больших размеров.



Рисунок VI.A  Рисунок VI.А  Пример детальной схемы процесса



Рисунок VI.A - Продолжение

Добавление текста позволяет увеличить количество представляемых в схеме факторов. Детальные схемы процесса, в описанной выше форме, также являются хорошей основой для описания административной организации. При изучении Справочника административной организации (см. Главу 7) также можно заметить, что детальные схемы процесса, которые находятся на левых страницах Справочника, объединены со схемами инструкций (см. Приложение 7), находящимися на правых страницах Справочника. Для получения вспомогательной информации проводится обзор задач каждого отдела, набора форм, схемы организационной структуры и обзор использования различных кодовых обозначений (см. Главу 7).




Свойства


В данном разделе, говоря о инструкциях, мы имеем в виду письменные инструкции. Конечно, в определенных случаях и в зависимости от уровня знаний пользователя, могут использоваться такие методики, как, например, схема инструкций. Особенно для этого подходят схемы движения форм, схемы процессов и схемы управления формами. На практике также встречаются комбинации этих схем с текстом. Однако предпочтительно применять схемы инструкций, которые содержат только текст, поскольку такие инструкции могут быть поняты человеком, не обладающим какими-либо знаниями в области методик схематического изображения.
Как только возрастает количество созданных схем инструкций, их необходимо ввести в полный набор схем. При этом могут оказаться полезны общая схема процесса или иерархический обзор.




Следует постараться, особенно при помощи кодирования отдельных схем, четко указать связи и последовательность различных административных мероприятий и собрать в простой форме инструкции для каждого отдела или сотрудника. Это означает, что часто необходимо разделить административные бизнес-процессы на части, для того чтобы схемы инструкций могли возникнуть и могли быть сгруппированы для каждого связанного набора действий и для каждого сотрудника (см. Главу 7). Количество факторов, которые можно представить с помощью этой методики, в целом больше, чем количество факторов, которые можно представить с помощью других методик схематического изображения. Кроме операций/мероприятий (общих или детальных), форм и отделов могут быть также документированы такие факторы, как время, периодичность и применяемая методика.
На практике часто можно обнаружить, что схемы инструкций комбинируются с детальными схемами процесса в Справочнике административной организации. Детальные схемы процессов располагают на левых страницах, а соответствующие схемы инструкций - на правых. Символы мероприятия в схемах процесса соответствуют колонке «Мероприятие» в схеме инструкций; колонки, обозначенные «Описание» и «аварийное действие» служат для пояснения схем процесса.





Свойства


Схема управления формами принадлежит к категории ограниченных схем. Размещение, так же как символы, в общем, регулируются достаточно жестко. Этот недостаток свободы и степень необходимой полноты заполнения схемы, требуемые от разработчика, делают схему управления формами особенно подходящей для анализа административных бизнес-процессов. Этот анализ может концентрироваться на результативности и эффективности использования форм. Схема демонстрирует, как происходит движение документов за пределами отделов, какие документы (копии документов) избыточны, где формируются наборы данных, а также какие из этих наборов данных значимы, а какие – нет.
Представление действий для каждой формы дает также возможность анализировать природу этих действий, дублирующие или недостающие мероприятия, распределение мероприятий между различными отделами и сотрудниками.
На Рисунке VIII.A отражены характеристики схемы управления формами: табличная форма, в которой объекты (документы) представлены в столбцах, а мероприятия - в строках. На пересечении строки (мероприятия) и столбца (объекта) видны действия для каждого объекта. Действия приведены в хронологическом порядке, с тем чтобы схему можно было читать строка за строкой сверху вниз. Строка обозначается с помощью кода или аббревиатуры отдела, в котором выполняется действие. Для каждой колонки оставлено немного свободного места под названием документа, для того чтобы указать там кодовый номер формы. Если, к примеру, потребуется использовать схему управления формами для изучения контроля за техническими функциональными подразделениями или для изучения распределения задач между сотрудниками или отделами, тогда будет необходимо провести другую дополнительную обработку: необходимо будет в ходе независимого обзора провести сортировку для каждого отдела/сотрудника. На практике также можно заметить изменение схемы управления формами, в которой действия отсортированы по отделам. Для определения порядка действий необходимо рассмотреть схему по порядку вертикальных линий.
Вариант сортировки по отделам, изображенный на Рисунке VIII.В, обладает следующим недостатком: его труднее читать, чем хронологическую схему. Также усложняется запись. Схема по отделам редко бывает успешной на первом этапе составления. Трудно вносить изменения. В основном по этим причинам мы ограничимся обсуждением хронологического варианта схемы управления формами.
С помощью схемы управления формами можно создать правильный документ в короткие сроки после завершения интервью и проанализировать полноту документированных процессов. Вполне возможно даже составить схему в ходе проведения интервью, если анализируются сложные процессы или исследуются административные бизнес-процессы, которые интервьюируемый вряд ли сможет прояснить. В ходе проведения интервью необходимо постоянно анализировать завершенность документирования, к примеру, рассматривая колонки схемы (все ли формы используются, у каждой ли формы есть конечное назначение; к примеру, выходит ли она за границы организации или она остается в ней, сравниваются ли формы друг с другом, для каких проектов используется какой объект и т.д.) или анализируя правила действий (нужны ли действия, регистрируются ли формы, делает ли отдел с формой что-нибудь больше, чем просто получает и пересылает ее, откуда поступают данные?).


Свойства
Рисунок VIII.A  Схема управления формами (хронологическая)


Свойства
Рисунок VIII.В    Схема управления формами (по отделам)


Если вы хотите составить схему в ходе проведения интервью, рекомендуется заранее обеспечить наличие образцов форм, которые играют некоторую роль в вовлеченном процессе; на основе лих образцов можно контролировать завершенность документации. Концепцию объекта следует понимать широко; должно быть известно количество копий каждой формы и не следует забывать о таких объектах, как телефонные доклады, квитанции и картотеки.
Схема управления формами использует небольшой, простой набор символов. Несмотря на это, методика ценится невысоко, если речь заходит о передаче знаний. Эти схемы читаются не очень легко и не особенно удобны для пользователя. Качество схемы управления формами связано в первую очередь с возможностью использовать ее для анализа и оценки административных бизнес-процессов.
Поскольку действия представлены в хронологическом порядке, схему можно легко трансформировать в схему рабочих инструкций (см. Раздел 3.8.7). Отчасти это зависит от степени детализации, с которой описаны процессы. Систематичность подходит для нескольких уровней детализации: на одной строке можно записать такие мероприятия, как «контроль счетов» или «умножить количество на цену» (мероприятие также как и уровень действия; см. Рисунок 2.D).
Схема управления формами подходит для представления ряда факторов: в схеме хорошо представлять документы, действия, характер действия, позиции и отделы. Факторы, такие как элементы времени, пространственное местоположение, периодичность, методика и характер действий в этой схеме не представляются или представляются редко.





Связи между моделью данных и административными бизнес-процессами


Модель данных и административные бизнес-процессы вместе составляют единую информационную систему (j). Во время фазы логического проектирования между этими двумя понятиями должна существовать четкая связь. Административные бизнес-процессы есть процессы обработки данных, во время которых проводится сбор и регистрация основных данных. Они подвергаются немедленной обработке или же хранятся некоторое время, а затем обрабатываются. После обработки они могут быть распространены сразу же или после периода хранения.
Таким образом, процесс охватывает ввод базовых данных и получение на выходе обработанных данных. Процесс должен быть организован так, чтобы на основе входных данных можно было получить требуемый результат на выходе. С помощью этого метода можно выделять мероприятия административной системы в соответствии с моделью данных.
Методика, применяемая к этому процессу, состоит в построении схемы информационных потоков. Эта методика стала известна как инструмент при разработке автоматизированных систем. Схема принципов административных бизнес-процессов (см. Приложение II) довольно часто используется в качестве схемы информационных потоков аналогичным образом.
С помощью схем информационных потоков или схем принципов анализируются методы создания выходных данных (требований к информации) из базовых данных, введенных ранее. Схема составляется таким образом, что входные и выходные данные изображаются в виде стрелок, направленных к административным бизнес-процессам и от них.

Связи между моделью данных и административными бизнес-процессами

Рисунок 5.F.1    Схема информационных потоков: расчет финансовых смет на реализацию

Связи между моделью данных и административными бизнес-процессами

Рисунок 5.F. 2 Определение детализации схем информационных потоков

Реальный процесс изображается в виде круга. Хранилище данных изображается в виде маленького «контейнера». Ввод данных в файл или их вызов in файла отмечается стрелкой.
Хранилищам данных, информационным потокам и административным бизнес-процессам присваивается каждому уникальное имя. Определения сохраняемых данных и информационных потоков должны находиться в каталоге данных (словаре данных). Процессы должны быть включены в иерархический обзор процессов, чтобы ясно представить внутренние взаимосвязи.
Если на определенном уровне схема уже не дает достаточного понимания, то детали процессов и информационные потоки необходимо далее определять в повой схеме. Таким образом, постоянно соблюдается соответствие между более общими, широкими схемами и детальными схемами.
Детализация схем продолжается до тех пор, пока мероприятия по обработке данных не будут описаны точно и однозначно на самом низком требуемом уровне. На Рисунках 5.F.1 и 5.F.2 показаны примеры использования схем информационных потоков.




Требуемая информация


Рисунок 5.А показывает, что изначально информация, необходимая для каждой функции (например, контроля за производством, обеспече­ния качества, проектирования изделия), имеет большое значение для при­нятия стратегических, тактических и операционных решений. Текущие ра­бочие потребности, необходимые для управления функцией, используют­ся для определения и составления отчетов по управлению, включающих в себя финансовую и нефинансовую информацию. Кроме того, должны быть заданы измерители показателей деятельности для:
Ответственности, как внутри организации, так и вне ее.
Реальной деятельности процесса (такой, например, как положение на складе, где хранится тот или иной товар).
Внешней связи (например, информация, которую необходимо предоставить службам пенсионного страхования, здравоохранения, налогообложения и т. д.).
Важно четко определить, для чего именно необходима информация.
Требуемая информация

Рисунок 5.В   Пять этапов метода


Выявление требуемой информации может производиться согласно мето­ду, состоящему из пяти мероприятий (см. Рисунок 5.В):

Выявить ключевые факторы успеха (КФУ).
Определить бизнес-процессы.
Выявить взаимосвязи между ключевыми факторами успеха и бизнес-процессами.
Определить или ввести в действие контрольные переменные.
Определить форму и периодичность отчетности по управлению.

Два момента особенно важны для разработки формы и содержания систем информационного управления.

(1) С одной стороны, данная сис­тема информационного управления должна быть получена из реализа­ции организационных целей. Эти цели следуют из выбранной стратегии или сформулированной политики и соответствующих ключевых факто­ров успеха.

(2) Внутренняя оперативная отчетность должна базироваться на бизнес-процессах организации. Наконец, бизнес-процессами необхо­димо управлять и их надо эксплуатировать.

В ходе первого мероприятия выделяются ключевые факторы успеха. Ключевые факторы успеха могут быть получены на основе стратегий и целей, выбранных организацией. Эффективность информационного управления и значительной степени определяется пониманием факторов, имеющих решающее значение для функционирования организации, и отчетностью по ним. Например, не имеет решающего значения тот факт, что государственная организация, ответственная за содержание памятников, исчерпала свое годовое бюджетное пособие. Заключение о финансах почти ничего не говорит о том, как проводится политика и реализуются цели. Перечень различных памятников, их возраст и число субсидируемых проектов дают намного более полное представление о работе организации. Слишком часто руководство сосредотачивается на финансовых соображениях, не обращая внимания на итоговое воздействие на цели организации или на улучшение этих целей.
В ходе второго мероприятии выделяются бизнес-процессы. С помощью схемы функциональной организации, в существующий список бизнес-процессов вводится иерархия. Эта иерархия помогает понять структуру и состав всех процессов в организации. Детализацию бизнес-процессов следует проводить до уровня, на котором наблюдается явная связь с обязанностями и квалификациями соответствующих менеджеров. Методика, позволяющая достигнуть этой цели, описана в Приложении III. Иллюстрация взаимоотношений между ключевыми факторами успеха организации и типичными административными бизнес-процессами представлена на Рисунке 5.С.


Требуемая информация

Рисунок 5.С   Определение взаимосвязей между ключевыми факторами успеха  и бизнес-процессами: пример промышленной компании со стратегией слияния
Ключевые факторы успеха и бизнес-процессы связаны между собой при помощи матрицы, построенной в течение третьего мероприятия. Работая с этой матрицей, администрация должна задаться вопросом, какие именно ключевые факторы успеха оказывают влияние па бизнес-процессы; другими словами, где именно показатели деятельности бизнес-процессов соотносятся с ключевыми факторами успеха. В третьем мероприятии устанавливаются взаимосвязи между ключевыми факторами успеха и бизнес-процессами. На Рисунке 5.С эти связи представлены знаком X. Процесс покупки соотнесен с ключевыми факторами успеха эффективного производства. На этом рисунке качество закупленного материала в значительной степени определяет дефекты продукции.
Контрольными переменными называются переменные-индикаторы, которые дают понимание качества выполнения бизнес-процесса
В четвертом мероприятии устанавливаются или вводятся в действие контрольные переменные. На основе метода операционной, финансовой и организационной значимости администрация выбирает те X, которые должны быть выделены из матрицы.
Каждый X может быть расширен так, чтобы включать в себя одну или более контрольных переменных. Следует четко описать переменные, указать нормы и исходные данные и определить их работу путем тестирования случайной выборки. При этом используются известные логистические контрольные переменные, включая надежность и скорость поставки.
Набор контрольных переменных или показателей деятельности дает понимание общей работы бизнес-процессов и всех относящихся к ним элементов (входных ресурсов, обработки, продукции на выходе), и эти показатели также необходимо увязать с обязанностями и квалификациями администрации.
В пятом мероприятии описываются форма и периодичность отчетности по управлению. Эти отчеты состоят из оценок контрольных переменных в отношении стандарта, плана и/или прогноза. Финансовые отчеты используются для того, чтобы показать, согласуются ли процессы с утвержденным планом.


Таблицы в отчетах по управлению часто сопровождаются графиками. Текст отчета дает краткое объяснение наблюдаемых расхождений и другой важной информации (действий, предпринимаемых для исправления ситуации, объяснений для вышедших из под контроля точек, и т. д.). Желательно, чтобы таблицы и текст в сумме не превышали трех стандартных страниц.

Описание
Информационное управление
Обработка данных
Сбор данных и документирование
А. Актуальность
1. Степень избыточности
2. Степень полноты
3. Степень детализации
4. Критическое (предельно допустимое) качество
5. Степень количественной измеримости
6. Степень точности
7. Степень информационного запаздывания
8. Скорость распространения информации
9. Длина информационного интервала
10. Степень непрерывности
В. Надежность
С. Форма представления
D. Эффективность
+ +
+ +
+
+ + + + + +
+ + +
+
++ +
++
+
+ +
+
+
+ +
+ + +
+ +
+

Рисунок 5.D   Диапазон качества информации

Суть подхода заключается в том, чтобы задавать нужные вопросы в нужные моменты. Следует сначала узнать что-то о целях и процессах, а затем уже выяснять необходимую информацию.





Управление


Как только требования к первичным процессам определены, очень важно установить, как надо управлять этими процессами (с). Естественно, что управление будет направлено на то, чтобы удовлетворить тре­бованиям клиентов, требованиям закона и внутренним целям. Таким образом, уровни риска, периодичность и финансовая значимость биз­нес-процессов являются чрезвычайно важными факторами, которые не­обходимо анализировать и возможность возникновения дефицита ко­торых необходимо минимизировать во время фазы проектирования.
Должны быть установлены стандарты для тех аспектов первичных процессов, которыми необходимо управлять. Эти стандарты имеют боль­шое значение, так как они являются факторами, которые будут стиму­лировать проектирование новых административных бизнес-процессов. В результате административных бизнес-процессов необходимо будет по­лучить данные, которые можно будет сравнить со стандартами.
Обзор методов оптимизации запросов в реляционных системах

Управление административными бизнес-процессами для постоянного улучшения


Теперь, после того как документирование, анализ и проектирование административных бизнес-процессов были обсуждены в предыдущих главах, в этой последней главе рассматривается, как управлять всем административным бизнес-процессом.
Чтобы иметь хорошо управляемую административную организацию, необходимо все время четко понимать организацию процессов. Административные бизнес-процессы часто анализируются и при необходимости модифицируются вследствие растущей автоматизации или изменений и работе И/ИЛИ ВО внутренней организации. Поэтому хорошее описание процессов просто необходимо. Описание должно быть полным и соответствующим текущему состоянию.
Управление административной организацией также включает обзор структуры и работы административной организации. Этот обзор проводится на основе описаний процесса.

Аналогично, для хорошо управляемой административной организации важными являются четыре элемента:
Структура системы документирования.
Ведение документирования.
Процедуры для внесения изменений.

Ясность в обязанностях по управлению административной организацией (или ее частью) для занятых в нем сотрудников.
Сначала мы займемся структурой системы документирования. В самом слове «документация» заключено слово «документ», то есть любой элемент, который может дать нам знание или информацию в письменной или графической форме, а также устно. Под системой документирования понимается систематически упорядоченный набор документов.
Целью документирования является регистрация и предоставление информации при помощи документов. Следует различать документацию административных бизнес-процессов и документацию проекта. Документация проекта, которая уже вкратце обсуждалась в Разделе 2.6.3 (при определении детализации проекта), производится в других файлах проекта (см. Раздел 7.2). Документация административной организации включена в Справочник по административной организации.






Утверждение нацеленного на будущее решения


Теперь пришло время согласовать каждое из потенциальных нацеленных на будущее решений с собственниками и определить, какое решение они предпочитают. Это означает, что команда по улучшению процесса должна покинуть свою «башню из слоновой кости» и встретиться с потребителями, служащими, менеджерами и поставщиками. Утверждение может проводиться при помощи фокус-групп; однако не рекомендуется формировать смешанные фокус-группы (администрация, поставщики, потребители, и т. д.). Цель совещаний этих фокус-групп - определить, есть ли у участников какие-либо предложения по дальнейшему улучшению решений, и дать им провести оценку того, какое из нацеленных на будущее решений лучше всего удовлетворяет их потребностям. Фокус-группы потребителей/покупателей являются главными резонаторами, так как одна из основных целей проведения исследования по улучшению бизнес-процессов состоит в росте потребительского удовлетворения. Если нацеленное на будущее решение не отвечает требованиям покупателей, то в дальнейшем движении почти нет смысла. Фокус-группы потребителей должны уделить основное внимание тому, как на них скажется улучшенная работа рассматриваемого элемента.
Следующий ряд фокус-групп должен состоять из менеджеров среднего звена. Следует отобрать менеджеров, которые будут нести ответственность за работу элемента. Этим фокус-группам команда по улучшению процесса должна представить все достоинства каждого из потенциальных нацеленных на будущее решений. После такого рода совещании следует совещание с работниками и поставщиками. В обоих случаях команда по улучшению процесса должна представить все преимущества каждого из потенциальных нацеленных на будущее решений, но основной акцепт следует сделать на том, как каждое из этих решений повлияет на отдельных членов фокус-группы. От поставщиков обычно исходит особенно много идей по улучшению.
Все потенциальные нацеленные на будущее решения должны быть представлены на этих совещаниях фокус-групп таким образом, чтобы участники могли оценить каждое из них. Это позволяет получить чрезвычайно ценные данные, которые окажут неоценимую помощь при выборе наилучшего нацеленного на будущее решения.
Иногда изменение процессов может иметь последствия для других процессов. Это особенно актуально для случаев, когда изменения вносятся в наборы данных, используемые многими процессами. В Главе 3 читатель найдет методики, которые можно использовать при изучении последствий предлагаемых изменений. Если для конкретной проблемы возможно множество решений, то на основе собранных и изученных данных необходимо прийти к выводу о том, какие из альтернатив являются наилучшими нацеленными на будущее решениями для организации.





Утверждение предложения у ответственных сотрудников.


Представление отчетов по предложениям команде по управле­нию проектом.
Получение окончательного одобрения предложения от коман­ды по управлению проектом.
В данной главе более подробно обсуждаются методы и способы раз­работки новых административных бизнес-процессов.
Хотя для модификации существующих процессов и разработки но­вых будет использоваться автоматизированная обработка данных, коман­да по улучшению процесса должна сосредоточить свои усилия па иссле­довании проблем соответствия и пригодности. После определения инст­рументов информационных технологий команда по улучшению процесса может заниматься разработкой спецификаций проектирования.
При проектировании административных бизнес-процессов исполь­зуется нисходящий подход: от общего к частному. Проектирование про­цесса должно базироваться на требованиях, предъявляемых к нему адми­нистрацией и потребителями, на которых ориентирован процесс. Спосо­бы, позволяющие это осуществить, необходимые методы и документация обсуждаются в Разделе 5.3. В Разделе 5.7 основное внимание уделяется методам внедрения изменений в существующие административные биз­нес-процессы.
Едва ли найдется административная система, до сих пор реализуемая полностью вручную. По мере разработки новых административных биз­нес-процессов и внедрения изменений в существующие процессы всегда необходимо рассматривать возможность применения компьютеризован­ной обработки данных. В Разделе 5.8 обсуждается взаимосвязь между про­ектированием административных бизнес-процессов и разработкой ком­пьютеризованных систем.
Автоматизированные инструменты будут играть все большую роль в проектировании административных бизнес-процессов по мере того, как различные процессы становятся все более взаимосвязаны и администра­тивная система в целом усложняется. Автоматизированные инструмен­ты для документирования, анализа и проектирования рассмотрены и Разделе 7.5.
В данной главе особое внимание уделяется методам проектирования и модификации административных бизнес-процессов. Организация про­екта рассмотрена в Главе 2. Управление составленной документацией об­суждается в Главе 7.







Внесение изменений в административные бизнес-процессы


Методы, с помощью которых реализуются требуемые улучшения, достаточно редко определяются в ходе анализа административного бизнес-процесса. Важно установить систему измерений, которая может использоваться для измерения результативности основных изменений, вносимых в административные бизнес-процессы. Также важно четко определить ожидаемые показатели деятельности до внесения изменения так, чтобы результаты могли быть определены количественно и можно было провести оценку изменения.
Как часть разработки рекомендуемых изменений, особенно важно знание степени изменения существующего процесса. В самой простой ситуации изменения ограничатся одним процессом и его выполнением в одном отделе. Глобальное документирование процесса (например, полный обзор процессов н отделов, общая схема процесса и иерархическая схема, рассмотренная в Главе 3) не нуждается в изменении. Достаточно изменить детальную документацию (детальную схему процесса, инструктивную схему и т. д.). Ситуация усложняется, если изменение охватывает множество отделов и, возможно, множество процессов. В этом случае необходимо изменить не только детальную, но и глобальную документацию.
Степень изменения существующего процесса определяет количество существующих описаний, которое можно использовать. Величина изменения и его воздействие на организацию влияют на способ изменения процесса. Последствия предложенных модификаций осознаются быстрее, когда речь идет о мелких изменениях, чем когда изменения охватывают достаточно большое число отделов или процессов.

Внесение изменений в существующий проект административных бизнес-процессов должно проводиться по следующим этапам:
Сформулировать принципы изменений.
Определить сущность изменений.
Определить наилучшее нацеленное на будущее решение.
Разработать детали изменений в соответствии с выбранной методикой документирования.

За разработкой изменений последует описание условий, которые необходимо выполнить для успешного функционирования измененных процессов. Также будут сформулированы различия между текущими процессами и нацеленными на будущее процессами. Кроме того, будет описано, каким образом нацеленные на будущее процессы дают решение для проблемных областей в существующих процессах.






Возможности для улучшения


Указанные ограничения деятельности по анализу, очевидно, также влияют на возможности для предложенных улучшений. Предположим, что на раннем этапе выявлен недостаточный уровень эффективности управления информационными потоками; например, из-за нехватки инструментов.


Цель
Приоритет
Дополнительная информация, необходимая для проведения качественного анализа
А.       Обеспечение (снабжение)
информацией
1
Информационный план, цель, мнение
относительно получения информационного плана отдела
В.       Файлы
2

С.      Длительность
цикла/своевременность
выполнения
1
Анализ своевременности выполнения
D.      Группировка мероприятий (по отделам)
2
Понимание работы в других отделах (ячейках)
Е.       Маршрутизация
(в рамках отделов)
3

F.       Внутренний контроль
1
Относительный контроль, финансовые подразделения, меры безопасности, специальные меры
G.      Продуктивность
3
Затраты, стандарты, параметры
Н.      Возможности
стандартизации
3

I.        Дублирования
3

J.       Инструменты
3


Рисунок 4.Р   Приоритетные направления анализа и необходимые дополнительные данные

Предложение по улучшению может быть составлено после изучения взаимосвязей организационных данных (см. Раздел 4.13.2) или, более широко, из информационного плана.
Увеличение уровня детализации анализа может привести к новому решению. Вы должны понять, что если решение, принятое в результате более детального анализа, впервые использует компьютеризацию в качестве инструмента, это приведет к созданию совершенно другой картины.






Вычисление затрат и длительности цикла


Оценка времени делается для каждого из заданных мероприятий по время проектирования новых административных бизнес-процессов. Кроме того, указывается категория служащих (или сотрудников), выполняющих мероприятие. После этого для каждой категории служащих (или для отдельного сотрудника) рассчитываются затраты в единицу времени. 11с-ремножая время, затраченное на мероприятие, на затраты в единицу времени, получим затраты на мероприятие. Сложив все затраты, получим общую стоимость административного бизнес-процесса в целом. Естественно, что эти затраты должны возрастать с добавлением затрат на инструменты, материалы, накладные расходы, и т. д.

Если необходимо сделать оценку длительности цикла за шаг, то оценка делается исходя из:
Времени, которое требуется на выполнение конкретного мероприятия.
Возможных задержек, которые возникают из-за накопления сверхурочной работы.
Времени, которое необходимо для коммуникации между различными мероприятиями. Сюда входит время, необходимое для внутренней транспортировки, время, необходимое внешним властям для реакции на письма, отправленные внутренними подразделениями, и т. д. На основе этих оценок можно получить, представление об ожидаемой длительности цикла процесса.






Выводы


С завершением Фазы V, нацеленное на будущее решение преобразовано в процесс «как есть», и его влияние на деятельность процесса измерено. Если процесс проводился должным образом, то администрация довольна результатами и хорошо вознаградила участников команд проектирования и внедрения. Можете принимать поздравления, - но останавливаться на этом нельзя. Организация добилась существенных достижений в работе процесса, и теперь она должна перейти к фазе управления и непрерывного улучшения - Фазе VI.
Важно заметить, что хотя нацеленное на будущее решение уже внедрено и его эффективность измерена, процесс по управлению организационными изменениями еще не завершен. Для большинства основных изменений процесса мероприятия по управлению организационными изменениями будут продолжаться еще месяцы и даже годы, в зависимости от степени участия, которой организация хочет добиться от объектов изменения в поддержку нацеленного на будущее решения.








Выявление дублирующих и избыточных процедур и мероприятий


В Разделе 4.4 рассматривается устранение избыточных процедур в ходе использования файлов и создания документов. Помимо этого, необходимо обсудить цели различных административно-организационных ме­роприятий и необходимость достижения лих целей. Это необходимо, по­скольку иногда выясняется, что мероприятия, которые раньше были це­лесообразны, перестали быть таковыми. Иллюстрацией этого является оборачиваемость, которая ежедневно регистрируется для каждого зака­за, в то время как информация об оборачиваемости документируется с помощью автоматизированной системы. Почти во всех организациях стал­киваются с этой ситуацией. Этот анализ проводится при помощи схемы управления формами, в которой представлены главные проблемы адми­нистративных бизнес-процессов. Тем не менее, должно быть проведено бо­лее детальное изучение на основе детальной схемы процесса, которое содер­жит более широкий спектр информации, чем схема управления формами.

Анализ должен проводиться в соответствии со следующими мероп­риятиями:
Мероприятия должны быть сгруппированы в соответствии с целями, которые команда по улучшению процесса хочет с их помощью достичь. Эти цели могут сообщаться с внешними властями посредством отправки документов, распространения внутренних документов о структуре продаж и т. д. Рекомендуется разрабатывать цель для каждого процесса или мероприятия.
Необходимо составить список, па основе которого предоставляется отчет для каждой цели. Для каждого мероприятия список должен указывать, выполняет ли оно какую-либо функцию в достижении других целей. Если да, тогда существует больше возможностей для устранения упомянутого мероприятия, чем если мероприятие выполняет только одну цель.
Следует провести обзор, определяющий, имеют ли дублирующие мероприятия разные цели. Возможно, что одно мероприятие выполняется в разных отделах для достижения различных целей. Эти мероприятия могут также быть распространены на различные административные бизнес-процессы. К примеру, возможно, что для обзора детальной информации о продажах отделом обработки заказов коды изделий группируются как часть функции управления заказами и группируются на товарном складе как часть функции складской поставки. Обзор должен проводиться для каждой отдельной цели.
Для каждой цели следует рассчитать и просуммировать затраты на различные мероприятия. Это делается путем отнесения на мероприятия затрат на оплату труда персонала и других расходов. Для сбора требуемых данных относительно сотрудников, выполняющих несколько мероприятий, могут быть использованы временные журналы регистрации времени.   
Следует вынести решение о том. насколько необходимы асе мероприятия. Решение должно заключаться в оценке необходимости выполнения всех мероприятий для каждой отдельной цели. Однако еще рано обсуждать сами цели. Мероприятия и связанные с ними затраты должны меняться по мере необходимости.
Следует осуществить оценку использования автоматизированных систем. Если в ходе административного бизнес-процесса используются автоматизированные системы, следует провести оценку их использования. Это мероприятие направлено на проведение изучения возможностей компьютерных приложений для исключения большей части ручных операций по обработке данных. Обычно достигается улучшение содержания и скорости управления информацией. Следует пересмотреть подготовку и уровень квалификации сотрудников, связанных с автоматизированной системой. Команда по улучшению процесса должна также определить, можно ли на основе компьютеризированной системы получить ручные картотеки и обзоры. Это можно осуществить при помощи использования компьютерных программ, описаний файлов и обзоров, проведенных автоматизированной системой.
Исследовать, могут ли цели быть достигнуты другим, менее дорогостоящим способом. Иногда это можно сделать путем предъявления менее строгих требований к качеству информации. Эти требования могут относиться к степени детализации информации, периодичности, временным границам, в рамках которых возникает информация (иногда используются детальные ручные картотеки, так как компьютерная информация будет готова позже), уровень точности и т. д. В этих случаях автоматизированные компьютеризированные системы оказываются дороже простых ручных процессов. Прекрасным примером является процесс, осуществляемый по системе своевременности (just-in-time), используемый заводами-изготовителями фирмы Тойота. Старайтесь упрощать процесс и составляющие его мероприятия.
Оценить, действительно ли надо достигать все отдельные цели. К примеру, определить, действительно ли надо группировать копии накладных, основываясь на счетах дебиторской задолженности, или достаточно сгруппировать копии накладных в алфавитном порядке; или определить, действительно ли при обзоре объема продаж надо группировать продажи по регионам. Эта оценка может быть проведена только в ходе этого мероприятия, поскольку в первую очередь необходимо провести анализ затрат на достижение каждой отдельной цели (мероприятия 3-7). Только после выполнения этого последнего анализа и вытекающей из него корректировки затрат для каждой цели можно будет проводить серьезное обсуждение целей.







Взаимоотношения мероприятий и функций в рамках административной организации


В разделе 4.4 рассматривается значение группировки мероприятий по организационным объектам как части эффективного использования файлов. Было сделано предположение, что как можно более эффективное использование файлов и технических административных инструментов может стать одним из критериев при изучении распределения админист­ративных мероприятий между различными отделами. Следует стремить­ся к группировке (кластеризации) мероприятий, которые используют одни и те же файлы или одни и те же инструменты.
Часто схожие мероприятия группируются в рамках отдела для увели­чения знаний или ресурсной базы. Поручение схожих мероприятий от­дельным сотрудникам или группам сотрудников увеличивает эффектив­ность выполнения мероприятий. Часто оказывается полезным сгруппировать мероприятия, которые требуют приблизительно одинакового уров­ня образования и интеллекта. Это подстегивается желанием оптимально использовать человеческие возможности.
Сходство мероприятий может анализироваться путем разбивки ме­роприятий на ряд категорий.

При определении категорий мероприятий следует учитывать следующее:
Типы выполняемых операций, таких как ввод (набор) с клавиа­туры, кодирование, контроль и т. д.
Виды бухгалтерской отчетности, которую необходимо обнов­лять, такие как бухгалтерские книги, дебиторская задолженность, платежные ведомости, кредиторская задолженность и т. д.
Можно проанализировать, как различные категории мероприятий распределяются среди различных сотрудников, а также среди различных отделов.

Затем мероприятия подразделяются на ряд категорий:
Мероприятия по разработке политики, такие как формулирова­ние предложений, касающихся административной организации.
Мероприятия по изменению политики, такие как подготовка распоряжений административному отделу.
Задачи, для выполнения которых требуются особые мощности, такие как управление сложными платежными ведомостями.
Задачи, которые легко выполнить, такие как обновление отчета по продажам, заполнение накладных и т. д.

Группировка мероприятий определяется их классификацией по со­ответствующим категориям и затем проводится рассмотрение, как раз­личные категории распределяются между отдельными сотрудниками и от­делами.
В качестве критерия оценки также может выступать влияние, кото­рое различные наборы задач оказывают на оптимальное удовлетворение работой. Это указывает, достаточное ли разнообразие или свободу обес­печивает набор задач для каждого сотрудника или каждого отдела. Так­же важно, может ли в рамках набора задач быть просмотрена и выполне­на комплексная часть административного бизнес-процесса.
Анализ, возможно, также будет направлен на изучение вопроса: мо­жет ли степень связанности различных мероприятий отражаться па рас­пределении этих задач между отделами и сотрудниками. С этой точки зре­ния особое внимание при изучении мероприятий уделяется определению того, в какой степени они связаны. Для этой цели используется матрица, в которой различные мероприятия представлены по вертикали и по горизонтали. В этой матрице указаны категории отношений, по которым дол­жны быть сгруппированы мероприятия.






Задание детализации


В рамках проекта проводится модификация и дополнение исходных схематических описаний. Оцениваются результаты предыдущего мероприятия (см. Раздел 5.2.2) в отношении последствий изменений и определяется, соответствуют ли они по-прежнему цели изменений или же их нужно менять, дополнять или определять более детально. Необходимо выявить возможные изменения в существующих документах и файлах и разработать новые формы, планы, и т.д.
Стоит порекомендовать, чтобы в ходе фазы проектирования в изменениях, после получения одобрения, принимались во внимание записи из Справочника по административной организации.





Заключение


Очень важно правильно определить обязанности по управлению административной организацией. В самом начале проекта важно записать, кто является ответственными пользователями, и кто несет ответственность за управление (в широком смысле) административной организацией. Ясное определение этих обязанностей позволяет избежать большой путаницы, которая может возникнуть при определении и документировании отдельных детальных процессов. Кроме того, лучше заранее подготовить организацию проекта в соответствии с конечной ситуацией управления: менеджер, управляющий разделом Справочника по административной организации, должен быть членом команды по выполнению проекта, описывающим этот раздел справочника.
Административная организация должна составить расписание ревизий по каждому разделу справочника, чтобы периодически проверять, выполняются ли описанные там процедуры и удовлетворяют ли они постоянно меняющимся потребностям организации в бизнесе. Председателем каждой команды по аудиту должен быть менеджер, ответственный за данный раздел справочника. Скрытая цель состоит в том, чтобы в как можно большей степени вовлечь пользователя в ведение его собственного раздела справочника под руководством центрального технического координационного отдела или сотрудника. И наконец, Справочник по административной организации подготавливается с целью оказания помощи и руководства людьми, использующими в своей работе административные системы организации.










    Организация: Управление - Планирование - Cтатистика