Линейный блок коммутации и сопряжения с компьютером
Линейный блок коммутации и сопряжения с компьютером (ЛБ)
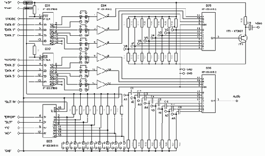
Линейный блок коммутации и сопряжения с компьютером (ЛБ).

Принципиальная схема коммутатора видео-аудио сигналов

! По вопросам приобретения, установки и технического сопровождения видекомплекса обращаться к Орлову Владимиру Владимировичу (e-mail: vladimir_48@mail.natm.ru, тел. (8162)11-05-92.
Программно-аппаратный видео-аудио комплекс "Ориент"
Программно-аппаратный видео-аудио комплекс "Ориент".Видео-аудио комплекс (ВАК) «ОРИЕНТ» предназначен для построения многокамерных телевизионных систем наблюдения на базе персонального компьютера.
ВАК «ОРИЕНТ» позволяет создавать недорогие охранные телевизионные системы с широкими функциональными возможностями, благодаря его привлекательной стоимости для широкого круга потребителей.
Состав.

В состав Программно-аппаратного видео-комплекса "Ориент" входят (рис.):
Функциональные возможности.

Технические требования к персональному компьютеру.
Стоимость видео-комплекса.
- "Ориент-4М" (базовый четырехкамерный комплект) - 225 у.е.
Состав: плата видео-захвата на базе процессора Bt878, блок коммутации, комплект программного обеспечения (без поддержки аларма и звука).
- "Ориент-8М" (базовый восьми - камерный комплект) - 250 у.е.
Состав: плата видео-захвата на базе процессора Bt878, блок коммутации, комплект программного обеспечения (без поддержки аларма и звука).
- "Дополнительные опции (аларм или звук)" - по 30 у.е.
! По вопросам приобретения, установки и технического сопровождения видекомплекса обращаться к Орлову Владимиру Владимировичу (e-mail: vladimir_48@mail.natm.ru, тел. (8162)11-05-92.
Работа с информацией: Безопасность - Защита - Софт - Криптография
- Информационная безопасность
- Аспекты информационной безопасности
- Системы информационной безопасности
- Софт и информационная безопасность
- IInternet Information Services
- Защита и безопасность
- Защита с Firewall
- Атаки и информационная безопасность
- Информационная безопасность в интернет
- Борьба с вирусами
- Антивирусы против вирусов
- Хакеры и информационная безопасность
- Криптография