ИК-порт для компьютера (IrDA)
ИК-порт
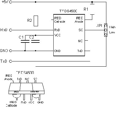
ИК-порт.Еще один вариант ИК-порта на TFDS-4500 от Дмитрия Щербанёва








Щербанёв Дмитрий,
г. Ростов-на-Дону
ИК-порт
ИК-порт.Вариант ИК-порта на TFDS-3000, с размещением платы в кожухе рахъема DB-9



К сожалению автор мне не известен, если кто знает - сообщите на e-mail: msevm@mail.ru
ИК-порт
ИК-порт.Вариант ИК-порта на TFDS-4500, от Евгения Павлова


ИК-порт
ИК-порт."Собрал IrDA на микросхеме TFDS4500, всё отлично работает, правда тестили пока только на сотовых, но с другими ИК-устройствами думаю проблем не возникнет. Устройство упаковал в корпус от брелка автосигнализации (картинку прилагаю)."

Прислал Twister (Twister-666@mail.ru)
F.A.Q. IrDA
ИК-приемник для компьютера
| 17. ИК-приемник для компьютера |
Тенденции развития компьютеров предполагают их интеграцию с домашней аудио-видео техникой. При этом компьютер остается лишенным такого замечательного устройства ввода информации, каковым является пульт ДУ. Предлагаемый вариант решения этой проблемы подкупает своей гибкостью и дешевизной. ![]() ![]() ![]() Рис 1. Принципиальная схема и внешний вид ИК-приемника Детали: Диоды - любые выпрямительные Стабилизатор - 78L05, 7805, КРЕН5 Конденсатор - 10-100 мкФ Резистор - 1,2-1,5 кОм ИК-приемник - TK1833,TSOP1736 Конструктивно приемник выполнен в виде внешнего модуля, подключаемого к COM-порту и с возможностью закрепления на системном болке или мониторе. Для управления можно использовать практически любые пульты ДУ, но особо хотелось бы отметить пульт RC-5 отечественного производства. ![]() Программное обеспечение: Одна из лучших программ для управления компьютером с пульта ДУ - Программа Girder Также следует обратить внимание на проект для Linux LIRC (linux infrared control), который был успешно портирован для Windows (WinLIRC). Программа занимается распознаванием принятых сигналов и работает в качестве сервера по IP протоколу.Программу WinLIRC можно скачать на оригинальном сайте http://winlirc.sourceforge.net, там же можно найти ссылки на некоторые программы-клиенты для WinLIRC. Более подробно об управлении компьютером можно прочитать в статье Управление компьютером по ИК-каналу" WinLIRC FAQ |
ИК-приемо-передатчик для компьютера
| 27. ИК-приемо-передатчик для компьютера |
![]() ![]() ![]() ![]() Рис.1 Принципиальная схема и внешний вид ИК-приемо-передатчика В качестве ИК-приемника можно использовать практически любой интегральный ИК-приемник, а в качестве светодиода - любой инфракрасный светодиод, например от неисправного пульта ДУ. Конструктивно приемо-передатчик выполнен на плате из одностороннего стклотекстолита и подключается к свободному COM-порту согласно схеме показанной на рис.2. ![]() Рис.2 Схема подключения. После подключения "железа", необходимо распаковать архив с программой "IR Studio". Программа не требует инсталляции, запускаемый файл - ir_studio.exe, в архиве files.zip находятся файлы описания всех поддерживаемых пультов. (всего 47) Запустив файл ir_studio.exe на экране должно появится окно программы: ![]() Теперь необходимо ее правильно настроить, для этого нажимаем на кнопку "Установки" и после появления окна "Установки", устанавливаем параметры так как показано на следующем рисунке, не забыв указать адрес вашего COM-порта (рис.2) ![]() Далее, если ваш пульт уже есть в архиве files.zip, вы можете его загрузить (кнопка "Загрузить файл") или "обучить" программу самостоятельно. Для этого нажимается кнопка "считать с пульта" в менюшке на экране, в консоли загорается "sampling..." и начинается считывание, тут же надо нажать кнопку на пульте. Примерно через 2 секунды вы дается отчет о том, насколько оно было успешным. Только после этого кнопку на пульте можно отпускать. Для воспроизведения команды, необходимо выбрать из списка соответствующую кнопку и нажать "Воспроизвести". Файлы: ![]() ![]() ![]() Разместить плату можно внутри системного блока, например использую заглушку свободного 3,5" отсека, просверлив в ней необходимые отверстия. Либо использовать в качестве внешнего корпуса для ИК-приемо-передатчика обычную телефонную разетку, удалив из нее разъемы, как показано на рис.3, которую затем можно приклеить двухсторонним скотчем к корпусу компьютера или монитора. ![]() ![]() Рис.3 Вид в корпусе от телефонной розетки. |
IrDA
| ИК-порт для компьютера (IrDA) |
Инфракрасный порт для вашей материнской платы.![]() ![]() |
IrDA USB
| 36. IrDA USB | ||||||||||||||
Сегодня все больше устройств переходят на USB, это коснулось и IrDA-порта (рис.1). Предлагаемый IrDA порт позволяет связывать компьютер с многочисленной периферией, например мобильным телефоном, КПК, принтером, цифровой камерой и т.п. Устройство поддерживает PNP, а входящие в комплект драйвера позволяют использовать его совместно с Windows 98\Me\2000\XP. Устройство не требует дополнительного адаптера, питание берется непосредственно с USB.![]() Рис 1. Внешний вид ИК-порта USB В комплект входит компакт-диск с программным обеспечением для следующих мобильных телефонов:
|
IrDA
| 05. ИК-порт для компьютера (IrDA) |
|
Протокол IrDA (Infra red Data Assotiation) позволяет соединяться с периферийным оборудованием без кабеля при помощи ИК-излучения. Порт IrDA позволяет устанавливать связь на небольшом расстоянии в режиме точка-точка. Интерфейс IrDA использует узкий ИК-диапазон (850_900 nm) с малой мощностью потребления, что позволяет создать недорогую аппаратуру и не требует сертификации FCC (Федеральной Комиссии по Связи). Порт IrDA основан на архитектуре коммуникационного СОМ-порта ПК, который использует универсальный асинхронный приемо-передатчик UART (Universal Asynchronous Receiver Transmitter) и работает со скоростью передачи данных 2400-115200 bps, обеспечивая устойчивую полудуплексную связь. ![]() ![]() Рис 1. Принципиальная схема и внешний вид ИК-порта ![]() ![]() ![]() Документацию по TFDS4500 можно взять здесь: tfds4500.pdf, Подключается ИК-порт непосредственно к материнской плате, в большинсктве случаев распиновка на плате соответствует схеме и описана в документации на плату, в случае не совпадения выводов их легко переставить. После установки необходимо включить в BIOS поддержку инфракрасного порта. ("Chipset Features Setup" -> "UART2 Use Infrared" -> "Enabled"). Если используется операционная система Windows 9X, то она сама установит необходимые для работы драйвера. Некоторые материнские платы не имеют возможности инвертировать сигнал, для использования совместно с ними можно использовть конвертер: схема в формате Sprint Layout ![]() ![]() F.A.Q. по подключению ИК-порта |
Работа с информацией: Безопасность - Защита - Софт - Криптография
- Информационная безопасность
- Аспекты информационной безопасности
- Системы информационной безопасности
- Софт и информационная безопасность
- IInternet Information Services
- Защита и безопасность
- Защита с Firewall
- Атаки и информационная безопасность
- Информационная безопасность в интернет
- Борьба с вирусами
- Антивирусы против вирусов
- Хакеры и информационная безопасность
- Криптография























