GameBoy - полноценный каpманный компьютеp, сопpягаемый с PC


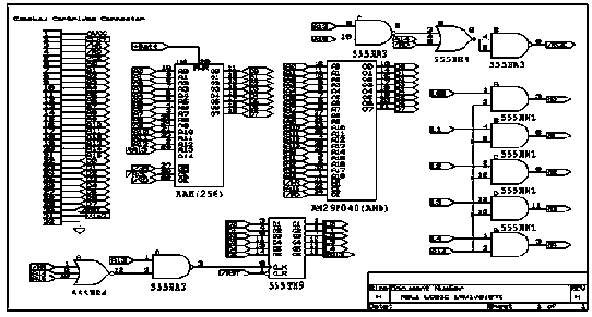
Если вы будете собирать картридж по приложенной схеме - вам необходимо изменить софт скачав файл www.wmaster.nm.ru/patch.zip
Также рекомендую заглянуть сюда:www.adi.nm.ru
Работа с информацией: Безопасность - Защита - Софт - Криптография
- Информационная безопасность
- Аспекты информационной безопасности
- Системы информационной безопасности
- Софт и информационная безопасность
- IInternet Information Services
- Защита и безопасность
- Защита с Firewall
- Атаки и информационная безопасность
- Информационная безопасность в интернет
- Борьба с вирусами
- Антивирусы против вирусов
- Хакеры и информационная безопасность
- Криптография